维修电工4.2.2项目评分细则表.docx

上传人:p** 文档编号:267376 上传时间:2023-04-20 格式:DOCX 页数:1 大小:16.72KB
下载 相关 举报
维修电工4.2.2项目评分细则表.docx_第1页
第1页 / 共1页
亲,该文档总共1页,全部预览完了,如果喜欢就下载吧!
资源描述

《维修电工4.2.2项目评分细则表.docx》由会员分享,可在线阅读,更多相关《维修电工4.2.2项目评分细则表.docx(1页珍藏版)》请在第壹文秘上搜索。

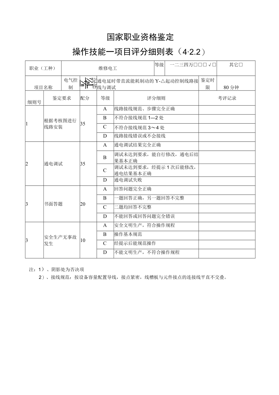
国家职业资格鉴定操作技能一项目评分细则表(42.2)职业(工种)维修电工等级一二三四万其它项目名称电气控制定容L通电延时带直流能耗制动的Y-起动控制线路接线与调试鉴定时限80分钟细则号鉴定要求配分等级评分细则考评记录1根据考核图进行线路安装35A线路接线规范、步骤完全正确B不符合接线规范12处C不符合接线规范34处D线路接线错误或不会接线2通电调试35A通电调试结果完全正确B调试未达到要求,能自行修改,通电后结果基本正确C调试未达到要求,经提示1次后能修改,通电结果基本正确D通电调试失败3书面答题20A回答问题完全正确B一题回答正确,另一题回答不完整C二题均回答不完整D不能回答或回答问题完全错误3安全生产无事故发生10A安全文明生产,符合操作规程B操作基本规范C经提示后能规范操作D不能文明生产,不符合操作规程注:1)、阴影处为否决项2)、接线规范:按设备容量配置导线,接点紧密,线槽板与元件接点的连接线平直不交叠。

展开阅读全文
相关资源
猜你喜欢
相关搜索

当前位置:首页 > 建筑/环境 > 工程监理

copyright@ 2008-2023 1wenmi网站版权所有

经营许可证编号:宁ICP备2022001189号-1

本站为文档C2C交易模式,即用户上传的文档直接被用户下载,本站只是中间服务平台,本站所有文档下载所得的收益归上传人(含作者)所有。第壹文秘仅提供信息存储空间,仅对用户上传内容的表现方式做保护处理,对上载内容本身不做任何修改或编辑。若文档所含内容侵犯了您的版权或隐私,请立即通知第壹文秘网,我们立即给予删除!