WBDT-80-4.0型调速器检修规程.docx

上传人:p** 文档编号:274295 上传时间:2023-04-27 格式:DOCX 页数:14 大小:115.48KB
下载 相关 举报
WBDT-80-4.0型调速器检修规程.docx_第1页
第1页 / 共14页
WBDT-80-4.0型调速器检修规程.docx_第2页
第2页 / 共14页
WBDT-80-4.0型调速器检修规程.docx_第3页
第3页 / 共14页
WBDT-80-4.0型调速器检修规程.docx_第4页
第4页 / 共14页
WBDT-80-4.0型调速器检修规程.docx_第5页
第5页 / 共14页
WBDT-80-4.0型调速器检修规程.docx_第6页
第6页 / 共14页
WBDT-80-4.0型调速器检修规程.docx_第7页
第7页 / 共14页
WBDT-80-4.0型调速器检修规程.docx_第8页
第8页 / 共14页
WBDT-80-4.0型调速器检修规程.docx_第9页
第9页 / 共14页
WBDT-80-4.0型调速器检修规程.docx_第10页
第10页 / 共14页
亲,该文档总共14页,到这儿已超出免费预览范围,如果喜欢就下载吧!
资源描述

《WBDT-80-4.0型调速器检修规程.docx》由会员分享,可在线阅读,更多相关《WBDT-80-4.0型调速器检修规程.docx(14页珍藏版)》请在第壹文秘上搜索。

1、WBDT-80-4.O型调速器检修规程1 范围本规程规定了XXX水电开发有限责任公司一级电站#1机、#2机调速器控制系统的检修方法、工艺及质量标准等内容。适用于XXX水电开发有限责任公司一级电站#1、#2机调速器控制系统的检修。2 规范性引用文件下列文件中的条款通过本规程的引用而成为本规程的条款。凡是注日期的引用文件,其随后所有的修改单(不包括勘误的内容)或修订版均不适用于本规程,然而,鼓励研究使用这些文件的最新版本。凡是不注日期的引用文件,其最新版本适用于本规程。D1./T619-1997水电厂机组自动化元件及其系统运行维护与检修试验规程3 设备规范、性能3.1 设备规范见表1。表1调速器设

2、备规范序号编号元件名称型号规格单位数量备注1CPU可编程CPUCP476块1贝加莱2DI1.测频模块4DIDI135块1贝加莱3DO1.电机控制模块4D0DO135块1贝加莱4DI2D1.模块16D11DI439块1贝加莱5D02DO模块8D0D0435块1贝加莱6CM211混合模块7CM211块1贝加莱7AI1.A1.模块4AI7A1354块1贝加莱8AF311调试口RS232IF311块1贝加莱9DOP中文彩色触摸屏D0P-A10TCTD块1台达10CP1.、CP2接近开关XS1-N18PA349只1施耐德11FDWkFDW2中位传感器13F1.P只1日本12FDZkFDZ2主接传感器D5

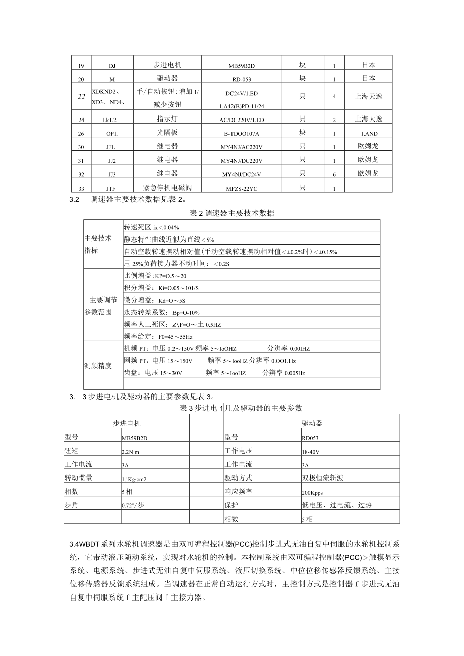
3、.3501.A221只113ZXBkZXB2测频整形板B-TDOO102A块11.AND14DYB电源综合板B-Tdooioib块11.AND15E1.、E2开关电源S-150-24块2台湾明伟16KbK2空气开关C65N2P/D6A只2梅兰17FU1.、FU2、FU3、FU4保险端子UK2.5B只4凤凰18B隔离变压器220V/176V/260WR260-02-3-3只1上海埃斯凯表1(续)序编号元件名称型号规格单位数量备注19DJ步进电机MB59B2D块1日本20M驱动器RD-053块1日本22XDKND2、XD3、ND4、手/自动按钮:增加1/减少按钮DC24V/1.ED1.42(B)P

4、D-11/24只4上海天逸241.k1.2指示灯AC/DC220V/1.ED只2上海天逸26OP1.光隔板B-TDOO107A块11.AND30JJ1.继电器MY4NJ/AC220V只1欧姆龙31JJ2继电器MY4NJ/DC220V只1欧姆龙32JJ3继电器MY4NJ/DC24V只6欧姆龙33JTF紧急停机电磁阀MFZS-22YC只13.2 调速器主要技术数据见表2。表2调速器主要技术数据主要技术指标转速死区ix0.04%静态特性曲线近似为直线5%自动空载转速摆动相对值(手动空载转速摆动相对值0.2%时)0.15%甩25%负荷接力器不动时间:0.2S主要调节参数范围比例增益:KP=O.520积

5、分增益:Ki=O.05101/S微分增益:Kd=O5S永态转差系数:Bp=O-10%频率人工死区:ZF=O土0.5HZ频率给定:F0=4555Hz测频精度机频PT:电压0.2150V频率5IoOHZ分辨率0.00IHZ网频PT:电压15150V频率5IooHZ分辨率0.OO1.Hz齿盘:电压1530V频率5IooHZ分辨率0.005Hz3. 3步进电机及驱动器的主要参数见表3。表3步进电1几及驱动器的主要参数步进电机驱动器型号MB59B2D型号RD053钮矩2.2Nm工作电压18-40V工作电流3A工作电流3转动惯量1.!Kgcm2驱动方式双极恒流斩波相数5相响应频率200Kpps步角0.72

6、/步保护低电压、过电流、过热相数5相3.4WBDT系列水轮机调速器是由双可编程控制器(PCC)控制步进式无油自复中伺服的水轮机控制系统,它带动液压随动系统,实现对水轮机的控制。本控制系统由双可编程控制器(PCC)触摸显示系统、电源系统、步进式无油自复中伺服系统、液压切换系统、中位位移传感器反馈系统、主接位移传感器反馈系统组成。当调速器在正常自动运行方式时,主控制方式是控制器f步进式无油自复中伺服系统f主配压阀f主接力器。4检修方法4.1 检修前准备4.1.1 本次检修前设备运行和故障原因分析;4.1.2 本设备未处理故障及原因;4.2 制定设备检修方案4.3 安全措施及安全标准4. 3.1充分

7、做好各项工作计划、安排、区分哪些工作需充水、充油前完成,哪些在充水或充油后完成,严格执行各项安全规程和工作票制度,防止人身和设备事故发生。4.3.2考虑周全,考虑其他班组的立体交叉作业,确保工作和试验的必备条件,做好防范措施,保障设备及人身的安全。4.3.3试验过程中一切听从总指挥,如发生事故或其他异常情况,按事故处理规程处理,并立即停止试验,待故障排除后再进行下一步试验。4.3.4机组停机时,在机组转动部分工作时,调速器切手动,投入紧急停机电磁阀。4.3.5机组被紧急停机电磁阀关闭导叶后,复归紧急停机电磁阀时,应检查调速器电气开限是否为“0”,如不为“0”,应将调速器切手动,再复归紧急停机电

8、磁阀。4. 3.6网频取母线电压,因此检修过程中要防止该回路短路或接地。4.4 检修审批程序4.5 检修所用材料、仪器4.5.1检修人员应明确检修项目和内容,检修安全措施,检修时间和进度,做到合理安排。4.5.2所需检修材料:万用表、毛刷、破布、酒精、电气工具、电源板、扳手等。4. 5.3所需仪器:装有调速器控制系统软件包的笔记本电脑,HG86综合仿真测试仪,检修记录本等。5检修工艺及质量标准5.1 调速器柜设备清扫、各元器件检查及端子紧固。断开400V配电柜调速器柜交流电源开关、直流馈电柜至调速器柜电源开关、取下调速器柜交流电源保险、直流电源保险,用万用表测量交流电源进线端子I-K1-2,直

9、流电源进线端子1-31-4,确认调速器柜已停电,用毛刷、破布清扫控制柜及柜内元器件,紧固设备连接端子。设备清扫后应清洁无灰尘,各连接端子无松动现象,检查各元器件完好,无烧黑、损坏现象。测量各动作继电器及紧急停机电磁阀线圈电阻,对照设备铭牌参数,参照检修记录,鉴定继电器及电磁阀的好坏,并做好记录。5. 2电源检查5.1.1 交流电源检查:检查400v馈电柜调速器交流电源开关、直流馈电柜至调速器柜电源开关已合闸,电源指示灯点亮,装上调速器柜交流电源保险,合上调速器柜交流电源开关K1.,检查+5V、+12V、-12V.24V电源应正常;PCC电源指示灯亮,PCC工作正常,触摸屏工作正常。5. 2.2

10、直流电源检查:在5.2.1完成后装上调速器柜直流电源保险,合上调速器柜直流电源开关K2,检查+5V、+12-12V.24V电源应正常;PCC电源指示灯亮,PCC工作正常,触摸屏工作正常。5. 2.3电源切换检查:在调速器柜带电正常情况下,任意断开交流电源开关K1.或直流电源开关K2,检查+5V、+12V、-12V.24V电源应正常;PCC电源指示灯亮,PCC工作正常,触摸屏工作正常。5.2.4在上述情况下,若+5V、+12V、-12V.24V电源不正常,PCC电源指示灯不亮,检查电源综合板各接线端子是否松动。若是24V电源故障,检查电源综合模块E中24V并连二极管是否损坏。检查电源模块E1.、

11、E2与电源综合模块E之间的连线是否接触不良或折断。若5V、12V电源故障,检查电源综合模块E中5V、12V并连二极管是否损坏。检查电源模块E1.、E2与电源综合模块E之间的连线是否接触不良或折断。然后停电复电一次,如仍不正常则需更换电源综合模块。5.3电调CPU模块及输入输出模块外观检查在电源正常后,检查调速器CPU模块上“1、2、3、4”指示灯亮,若有某一个指示灯不亮,检查CPU模块上的四块旋入式模块是否松动,是否有明显损坏痕迹,若松动,重新固定牢固,若有损伤,更换同型号的模块。检查“RUN”指示灯应该点亮,检查CM211.DI439、D0435模块上的“0K”灯亮,检查各接线紧固无松动现象

12、,各连接线完好无折断。检查模块固定牢固,无松脱现象。5.4紧急停机投入行程开关接点检查调整检查紧急投入行程开关位置合适,行程开关固定牢固,接点动作可靠、灵敏、反应状态正确。5.5导叶主接反馈信号回路检查调整5.5.1检查传感器固定螺钉无松动、松脱现象,检查接线牢固无松动,检查传感器拉杆头固定完好。5.5.2传感器零位整定:投入紧急停机电磁阀,用万用表在调速器柜测量导叶主接反馈电压并记录好,然后进入触摸屏触击“参数设定”按键,进入以下画面。轻轻触击通道整定1按键,进入通道整定1画面,进入传感器整定如下图:iP主接传感器整定导叶开度:e%机频:mh:_5. 5.3打开左上角总开关,触击导叶主接反馈

13、“全关”按键,进行零位整定。操作导叶至全开位置,在导叶打开过程中,注意观察导叶反馈传感器的拉杆移动是否平滑,观察导叶反馈传感器是否晃动,待打开到全开位置后,用万用表在调速器柜测量主接反馈信号电压并记录,按上述方法进行导叶主接反馈全开整定。1.2.3.ONOFF在设定参数前,清先打开开关到3”:通道整定木忏IM 导叶开度 全关位置 全开位置开限,将导叶关至全关,将导叶开至全开,导叶中位整定:按“设定”按钮,可编程可以记忆导Pt全美位置按“设定”按钮,可编程可以记忆S叶手开NU5.6测频回路检查5 .6.1调速器有三路测频:其中两路机频,一路网频。两路机频信号如下:一路机组残压PT信号,一路齿盘信

14、号。网频取自母线电压。分别按如下检查:6 .6.2机频回路检查:检查机端PT端子接线是否牢固,机端PT二次保险是否完好,检查机频各部分接线是否接触不良或折断,检查隔离变T1.是否完好,在电源正常后,检查测频板5V、12V电源是否正常。检查母线PTWB(1.)DT-80-4.O型调速器检修规程7 范围本规程规定了XXX水电开发有限责任岩滩发电公司一级电站#1机、至#24机调速器控制系统的检修方法、工艺及质量标准等内容。适用于XXX水电开发有限责任公司一级电站大唐岩滩水力发电有限责任公司#1、机至#42机调速器控制系统的检修。8 规范性引用文件下列文件中的条款通过本规程的引用而成为本规程的条款。凡是注日期的引用文件,其随后所有的修改单(不包括勘误的内容)或修订版均不适用于本规程,然而,鼓励研究使用这些文

展开阅读全文
相关资源
猜你喜欢
相关搜索

当前位置:首页 > 行业资料 > 社会学

copyright@ 2008-2023 1wenmi网站版权所有

经营许可证编号:宁ICP备2022001189号-1

本站为文档C2C交易模式,即用户上传的文档直接被用户下载,本站只是中间服务平台,本站所有文档下载所得的收益归上传人(含作者)所有。第壹文秘仅提供信息存储空间,仅对用户上传内容的表现方式做保护处理,对上载内容本身不做任何修改或编辑。若文档所含内容侵犯了您的版权或隐私,请立即通知第壹文秘网,我们立即给予删除!