沥青混合料铺筑人行道质量标准和检验方法.docx

上传人:p** 文档编号:278850 上传时间:2023-04-27 格式:DOCX 页数:1 大小:15.96KB
下载 相关 举报
沥青混合料铺筑人行道质量标准和检验方法.docx_第1页
第1页 / 共1页
亲,该文档总共1页,全部预览完了,如果喜欢就下载吧!
资源描述

《沥青混合料铺筑人行道质量标准和检验方法.docx》由会员分享,可在线阅读,更多相关《沥青混合料铺筑人行道质量标准和检验方法.docx(1页珍藏版)》请在第壹文秘上搜索。

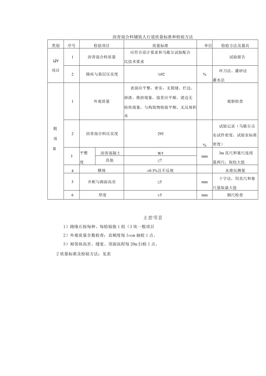
沥青混合料铺筑人行道质量标准和检验方法类别序号检验项目质量标准单位检验方法及器具iJy项目1沥青混合料质量应符合设计要求和马歇尔试验配合比技术要求试验报告2路床与基层压实度92%环刀法、灌砂法灌水法般项II1外观质量表面应平整、密实,无裂缝、烂边、掉渣、推挤现象,接茬应平顺、烫边无枯焦现象,与构筑物衔接平顺、无反坡积水观察检查2沥青混合料压实度295%试验记录(马歇尔击实试件密度,试验室标准密度)3平整度沥青混凝土W5mm3m直尺和塞尺连续量两尺,取较大值其他74横坡0.3%且不反坡水准仪测量5井框与路面高差5mm十字法,用直尺和塞尺量取最大值6厚度5mm钢尺检查主控项目1)路缘石按每种、每检验批1组(3埃一般项目2)外观质量全数检查;直顺度每Ioom抽检1点。3)相邻块高差、缝宽、顶面高程每20m扫检1点。2质量标准及检验方法:见表

展开阅读全文
相关资源
猜你喜欢
相关搜索

当前位置:首页 > 建筑/环境 > 公路与桥梁

copyright@ 2008-2023 1wenmi网站版权所有

经营许可证编号:宁ICP备2022001189号-1

本站为文档C2C交易模式,即用户上传的文档直接被用户下载,本站只是中间服务平台,本站所有文档下载所得的收益归上传人(含作者)所有。第壹文秘仅提供信息存储空间,仅对用户上传内容的表现方式做保护处理,对上载内容本身不做任何修改或编辑。若文档所含内容侵犯了您的版权或隐私,请立即通知第壹文秘网,我们立即给予删除!