电焊机安装安全验收表.docx

上传人:p** 文档编号:279315 上传时间:2023-04-27 格式:DOCX 页数:3 大小:17.09KB
下载 相关 举报
电焊机安装安全验收表.docx_第1页
第1页 / 共3页
电焊机安装安全验收表.docx_第2页
第2页 / 共3页
电焊机安装安全验收表.docx_第3页
第3页 / 共3页
亲,该文档总共3页,全部预览完了,如果喜欢就下载吧!
资源描述

《电焊机安装安全验收表.docx》由会员分享,可在线阅读,更多相关《电焊机安装安全验收表.docx(3页珍藏版)》请在第壹文秘上搜索。

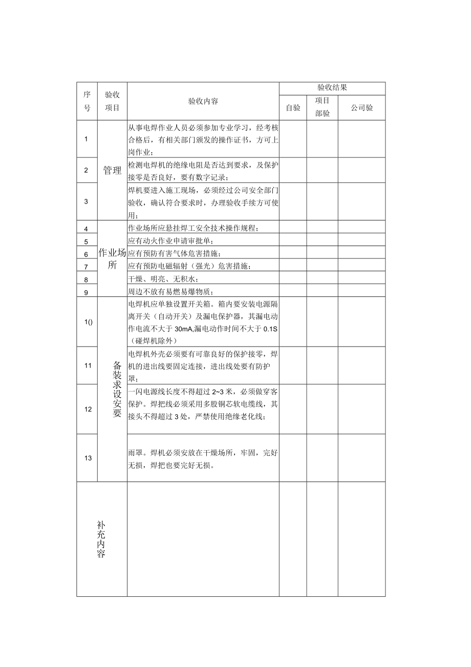
电焊机型号:出厂编号:安装单位:生产厂家:出厂日期:安装日期:使用日期:序号验收项目验收内容验收结果自验项目部验公司验1管理从事电焊作业人员必须参加专业学习,经考核合格后,有相关部门颁发的操作证书,方可上岗作业;2检测电焊机的绝缘电阻是否达到要求,及保护接零是否良好,要有数字记录;3焊机要进入施工现场,必须经过公司安全部门验收,确认符合要求时,办理验收手续方可使用;4作业场所作业场所应悬挂焊工安全技术操作规程;5应有动火作业申请审批单;6应有预防有害气体危害措施;7应有预防电磁辐射(强光)危害措施;8干燥、明亮、无积水;9周边不放有易燃易爆物质;1()备装求设安要电焊机应单独设置开关箱。箱内要安装电源隔离开关(自动开关)及漏电保护器,其漏电动作电流不大于30mA,漏电动作时间不大于0.1S(碰焊机除外)11电焊机外壳必须要有可靠良好的保护接零,焊机的进出线要固定连接,进出线处要有防护罩;12一闪电源线长度不得超过23米,必须做穿客保护。焊把线必须采用多股铜芯软电缆线,其接头不得超过3处,严禁使用绝缘老化线;13雨罩。焊机必须安放在干燥场所,牢固,完好无损,焊把也要完好无损。补充内容安装自验结论签字年月日使用单位(项目部)复验结论签字(章)年月日公司设备技术部门复验结论签字(章)年月0公司安全部门验收结论签字(章)年月日

展开阅读全文
相关资源
猜你喜欢
相关搜索

当前位置:首页 > 建筑/环境 > 建筑规范

copyright@ 2008-2023 1wenmi网站版权所有

经营许可证编号:宁ICP备2022001189号-1

本站为文档C2C交易模式,即用户上传的文档直接被用户下载,本站只是中间服务平台,本站所有文档下载所得的收益归上传人(含作者)所有。第壹文秘仅提供信息存储空间,仅对用户上传内容的表现方式做保护处理,对上载内容本身不做任何修改或编辑。若文档所含内容侵犯了您的版权或隐私,请立即通知第壹文秘网,我们立即给予删除!