盘式给料机操作规程.docx

上传人:p** 文档编号:279399 上传时间:2023-04-27 格式:DOCX 页数:3 大小:37.08KB
下载 相关 举报
盘式给料机操作规程.docx_第1页
第1页 / 共3页
盘式给料机操作规程.docx_第2页
第2页 / 共3页
盘式给料机操作规程.docx_第3页
第3页 / 共3页
亲,该文档总共3页,全部预览完了,如果喜欢就下载吧!
资源描述

《盘式给料机操作规程.docx》由会员分享,可在线阅读,更多相关《盘式给料机操作规程.docx(3页珍藏版)》请在第壹文秘上搜索。

1、盘式给料机操作规程一、设备的基础信息。本操作规程使用于XXX公司一工厂乙块分厂,框架FU输送机生产厂家为北京瑞思达,型号GPG-1.5。最大进料粒度:50mm进料调节范围:60mm生产能力:3-20m3/h电机功率:1.5KW材质:Q235-B设备整体密设备净重:420kg转速:5rmin二、设备结构示意。三、设备工作原理。1.顾名思义,圆盘给料机的主要功能是给其他设备提供料物供应,使用圆盘给料机能够让物料均匀的进入一个设备从而让下一道工序可以正常工作,节省劳动力,而且保护了设备的性能,延长整个生产线设备的使用寿命。圆盘给料机,是选矿设备不可或缺的配套产品。2.圆盘给料机进料口是由接料套筒和接

2、料套筒下高度可调的调整套组成物料从接料套筒下落至调整套再由圆盘和调整套筒的间隙中漏散出来,并被刮板将物料从圆盘上刮落下来。调节调整套和圆盘的间隙大小和调整刮板的位置即可达到调节给料量的目的由圆盘给料机每小时的给料量和圆盘的半径确定接料套筒的尺寸和调整套筒的尺寸,调整套筒高度的调节主要是通过固定在套筒两边的螺纹杆旋转带动套筒的上下运动。四、盘式给料机特点。1 .结构简单,运行可靠,调节安装方便。2 .装有限矩型液力偶合器,能满教启动,过我保护。3 .重量轻、体积小、工作可靠、寿命长、维护保养方便。4 .最大给料量可达1200吨/小时(电石渣)O5 .采用了先进的平面二次包络环面骡杆减速器设计,承

3、毂能力大,传动效率高。6 .侧衬板、斜衬板与底板之间留缝可调,能比较准确地控制留缝大小,大大减少了漏料。7 .驱动装置对称布置,并采用双推杆,使整机爱力均衡,传动平稳,消除了底板往复时的扭摆现象。8底板有立向筋板,并用三道通长托辐支承,保证了底板本身刚度,消除了现有往复式给料机底板工作中弯曲变形的弊病。9.衬板由小块耐磨钢板拼成,这样不仅更换时轻便容易,而且可以根据实际磨损情况,有针对性地更换磨损了的衬板块,从而使材料合理利用,降低维修费。五、设备开车步骤。1、通知电石破碎工序准备好合格的电石。2、检查复破机、混料斗提机、细料斗提机、细料仓、缓冲仓、滚筒筛(应完好无损)。3、依次开启滚筒筛,混

4、料斗提机,破碎机,棍阀(第一次开车时必须将棍阀关闭,以防粗料仓的电石经棍阀、盘式给料机直接进入破碎机),一分钟后开启盘式给料机。将粗料仓电石送至破碎机进行破碎,破碎后的电石(粒径015r)经细混斗提机提入滚筒筛,筛分合格小于3mm的电石进入细料仓,不合格的返回破碎机继续参与破碎。细料通过下料器、细料斗提机进入分料器、缓冲料仓。为防止成品料落入发生器,第一次开车时,关闭缓冲仓底部刀阀。4、一般破碎机空载电流为90A-I1.OA左右,当进行破碎时电流应保持在140至160A之间,这样即可满足生产要求。当破碎机保护跳停时,上位机有相应提示,盘式给料机会对破碎机进行保护,自动停止落料,之后,待破碎机电

5、流降至空载电流时,可取消报警并继续开启盘式给料机进行破料。当观察破碎机电流频繁过高且破碎能力下降时,应检查锤头磨损情况并及时调换。5、巡检人员按时测量细料仓料位,当细料仓的电石达到高料位时,为保证细料仓不发生满料溢出,中控停盘式给料机。此时待停破碎机电流、混料斗提机电流、滚筒筛电流降至空载电流时,停破碎机、混料斗提机、滚筒筛。六、设备停车步骤点击盘式给料机停车按钮,依次停供料系统其他设备七、设备可能出现的故障。故障一圆盘跳动故障原因1.圆盘面上的保护衬板松脱或翘起擦刮刀有杂物或大块料卡入圆盘面与套筒之间;3.竖轴压力轴承损坏;4.伞齿轮磨损严处理方法1.处理衬板,使之平整或将松脱的紧固、磨损的

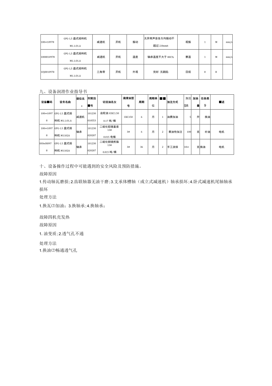
6、更换;2.清除杂物及大块物料;3.更换轴承;4.更换支承体或立式减速故障二排料不均故障原因1.轴承损坏减速机内缺润滑油;3.齿轮损坏处理方法1.更换轴承适量加油;3.换齿轮故障三传动轴跳动联轴器发生异常噪声六、设备点检作业指导书。设务一码设备名卷部位名称设警状方点检审目检标准点检局期局期单位结果单位1000010978GPG-1.5盘式给料机M1.1.O1.A轴承开机温度轴承温度不大于80C%薪温1Mmm/s10010978GPG-1,5盘式给料机M1.1.O1.A联轴器开机外观完好,无缺陷目视8H1000010978GPG-1,5盘式给料机M1.1.O1.A皮带鸵开机外观完好,无缺陷目视8H

7、10)0010978GPG-1,5盘式给料机M1.1.O1.A减速机开机振动无异常声音各方向振动不超过2.8mms测振8Hmm/s1000010978GPG-1.5盘式给料机M1.1.O1.A减速机开机温度轴承温度不大于80C赛温8H10010978GPG-1,5盘式给料机M1.1.O1.A减速机开机振动无异常声音各方向振动不超过2.8mms观振1Mmm/s1000010978GPG-1,5盘式给料机M1.1.O1.A减速机开机温度轴承温度不大于80C%赛温1Mmm/s10)0010978GPG-1,5盘式给料机M1.1.O1.A三角带开机外观完好.无跳陷目视8H九、设备润滑作业指导书设备码设

8、冬名曲部位名列常泊号切活油名女滴清油型号周期周期单位加注方式加注Sft加油量任务类9述10010978GPG-1.5盘式给料机M1.1.O1.A减速机101230010553齿轮油ICKC1.500.17吨/桶CKC1506月1油费加油5升换油10010978GPG-1.5盘式给料机M1102A轴承101230020207二硫化铝锂基索13#0.015电植3#6月2黄油怆加注100克补油电机IOOoOI0978GPG-1.5盘式给料机M1102A轴承101230020207二硫化铜镁煎脂13#0.015吨/桶3#36月2手工涂抹10克换油电机十、设备操作过程中可能遇到的安全风险及预防措施。故障原因1.传动轴瓦磨损;2.齿联轴器无油干磨;3.支承体槽轴(或立式减速机)轴承损坏;4.卧式减速机尾轴轴承损坏处理方法1.换瓦加油;3.换轴承;4.换轴承;故障四机壳发热故障原因1.油变质;2.透气孔不通处理方法1.换油畅通透气孔

展开阅读全文
相关资源
猜你喜欢
相关搜索

当前位置:首页 > 建筑/环境 > 公路与桥梁

copyright@ 2008-2023 1wenmi网站版权所有

经营许可证编号:宁ICP备2022001189号-1

本站为文档C2C交易模式,即用户上传的文档直接被用户下载,本站只是中间服务平台,本站所有文档下载所得的收益归上传人(含作者)所有。第壹文秘仅提供信息存储空间,仅对用户上传内容的表现方式做保护处理,对上载内容本身不做任何修改或编辑。若文档所含内容侵犯了您的版权或隐私,请立即通知第壹文秘网,我们立即给予删除!