NMCL-III型电力电子及电气传动教学实验台需求.docx

上传人:p** 文档编号:283182 上传时间:2023-04-28 格式:DOCX 页数:3 大小:40.57KB
下载 相关 举报
NMCL-III型电力电子及电气传动教学实验台需求.docx_第1页
第1页 / 共3页
NMCL-III型电力电子及电气传动教学实验台需求.docx_第2页
第2页 / 共3页
NMCL-III型电力电子及电气传动教学实验台需求.docx_第3页
第3页 / 共3页
亲,该文档总共3页,全部预览完了,如果喜欢就下载吧!
资源描述

《NMCL-III型电力电子及电气传动教学实验台需求.docx》由会员分享,可在线阅读,更多相关《NMCL-III型电力电子及电气传动教学实验台需求.docx(3页珍藏版)》请在第壹文秘上搜索。

1、附件1:NMCL-In型电力电子及电气传动教学实验台需求:一、可以完成的实验项目:(一)电力电子技术(晶闸管部分)1 .单结晶体管触发电路及单相半波可控整流电路实验2 .正弦波同步移相触发电路实验3 .锯齿波同步移相触发电路实验4 .单相桥式半控整流电路实验5 .单相桥式全控整流电路实验6 .单相桥式有源逆变电路实验7 .三相半波可控整流电路的研究8 .晶闸管三相半波有源逆变电路的研究9 .三相桥式半控整流电路实验10 .三相桥式全控整流及有源逆变电路实验11 .单相交流调压电路实验12 .三相交流调压电路实验13 .单相半波可控整流电路实验(二)电力电子技术(全控型器件特性部分)1 .功率场

2、效应晶体管(MoSFET)的主要参数测量2 .功率场效应晶体管(MOSFET)的驱动电路研究3 .绝缘栅双极型晶体管(IGBT)特性及其驱动电路的研究4 .电力晶体管(GTR)驱动电路的研究5 .电力晶体管(GTR)的特性研究(三)电力电子技术(全控型器件典型线路部分)1 .直流斩波电路(BuckXCUk、Boost、SePic、Buck-BoostsZeta等六种电路)的性能研究2 .单相交直交变频电路的性能研究3 .半桥型开关稳压电源的性能研究4、单相正弦波(SPWM)逆变电路实验5、电流控制型脉宽调制开关稳压电源研究(四)直流调速实验1、晶闸管直流调速系统参数和环节特性的测定2、晶闸管直

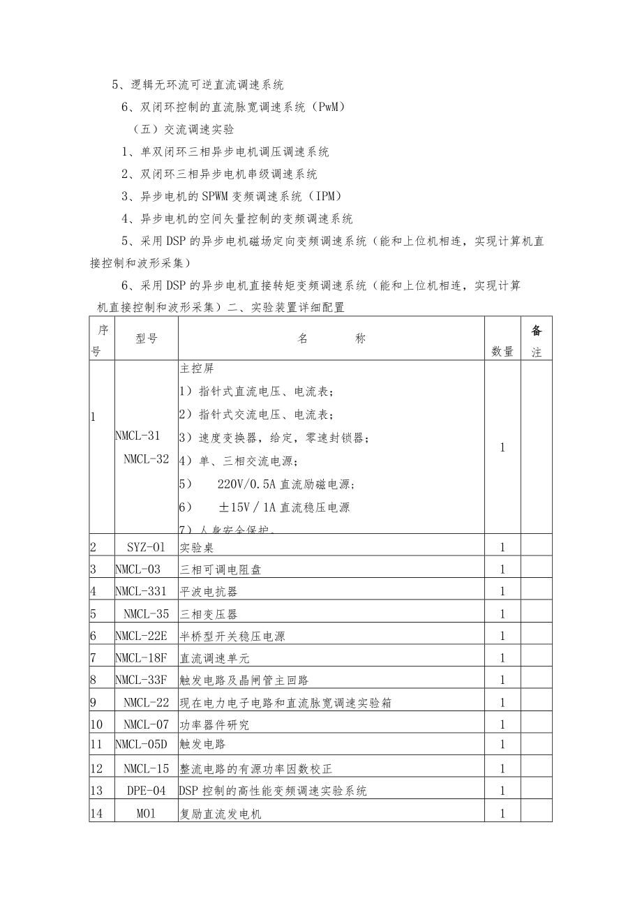
3、流调速主要单元调试3、不可逆单闭环直流调速系统静特性的研究4、双闭环晶闸管不可逆直流调速系统5、逻辑无环流可逆直流调速系统6、双闭环控制的直流脉宽调速系统(PwM)(五)交流调速实验1、单双闭环三相异步电机调压调速系统2、双闭环三相异步电机串级调速系统3、异步电机的SPWM变频调速系统(IPM)4、异步电机的空间矢量控制的变频调速系统5、采用DSP的异步电机磁场定向变频调速系统(能和上位机相连,实现计算机直接控制和波形采集)6、采用DSP的异步电机直接转矩变频调速系统(能和上位机相连,实现计算机直接控制和波形采集)二、实验装置详细配置序号型号名称数量备注1NMCL-31NMCL-32主控屏1)

4、指针式直流电压、电流表;2)指针式交流电压、电流表;3)速度变换器,给定,零速封锁器;4)单、三相交流电源;5) 220V/0.5A直流励磁电源;6) 15V1A直流稳压电源7)人身安全保护。12SYZ-Ol实验桌13NMCL-03三相可调电阻盘14NMCL-331平波电抗器15NMCL-35三相变压器16NMCL-22E半桥型开关稳压电源17NMCL-18F直流调速单元18NMCL-33F触发电路及晶闸管主回路19NMCL-22现在电力电子电路和直流脉宽调速实验箱110NMCL-07功率器件研究111NMCL-05D触发电路112NMCL-15整流电路的有源功率因数校正113DPE-04DSP控制的高性能变频调速实验系统114MOl复励直流发电机115MO3直流并励电动机116M04三相笼型异步电动机(含编码器)117M09三相绕线式异步电机118导轨(含2048编码器)119高可靠连接导线及易损配件1三、实验台技术指标1.整机容量:1.5KVA2.工作电源:3N380V50Hz3A3.尺寸:L60mX0.75mXL50m4.重量:300Kg(图片参考)

展开阅读全文
相关资源
猜你喜欢
相关搜索

当前位置:首页 > 高等教育 > 工学

copyright@ 2008-2023 1wenmi网站版权所有

经营许可证编号:宁ICP备2022001189号-1

本站为文档C2C交易模式,即用户上传的文档直接被用户下载,本站只是中间服务平台,本站所有文档下载所得的收益归上传人(含作者)所有。第壹文秘仅提供信息存储空间,仅对用户上传内容的表现方式做保护处理,对上载内容本身不做任何修改或编辑。若文档所含内容侵犯了您的版权或隐私,请立即通知第壹文秘网,我们立即给予删除!