第三章项目需求和质量标准.docx

上传人:p** 文档编号:288327 上传时间:2023-04-28 格式:DOCX 页数:3 大小:21.30KB
下载 相关 举报
第三章项目需求和质量标准.docx_第1页
第1页 / 共3页
第三章项目需求和质量标准.docx_第2页
第2页 / 共3页
第三章项目需求和质量标准.docx_第3页
第3页 / 共3页
亲,该文档总共3页,全部预览完了,如果喜欢就下载吧!
资源描述

《第三章项目需求和质量标准.docx》由会员分享,可在线阅读,更多相关《第三章项目需求和质量标准.docx(3页珍藏版)》请在第壹文秘上搜索。

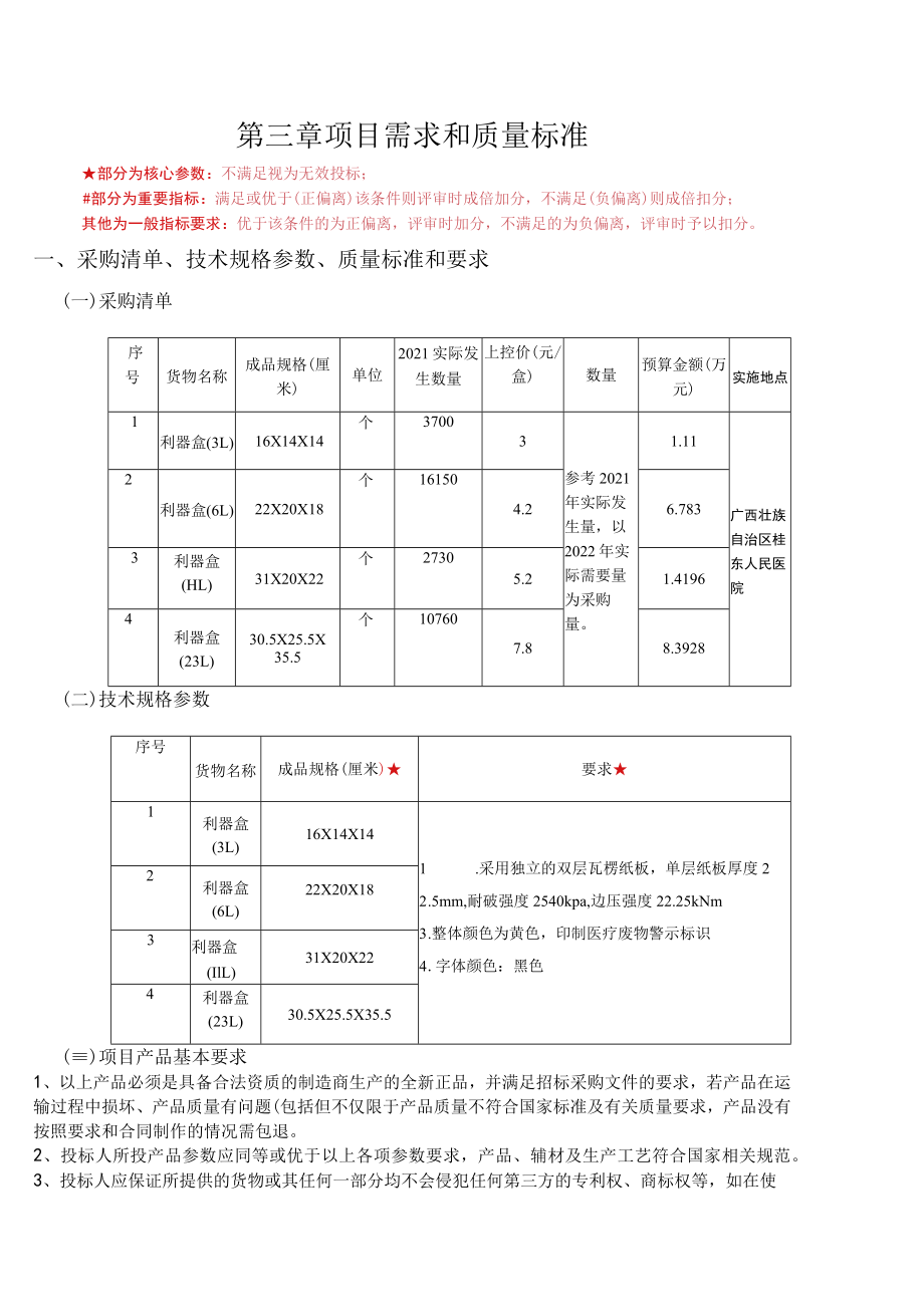
1、第三章项目需求和质量标准部分为核心参数:不满足视为无效投标;#部分为重要指标:满足或优于(正偏离)该条件则评审时成倍加分,不满足(负偏离)则成倍扣分;其他为一般指标要求:优于该条件的为正偏离,评审时加分,不满足的为负偏离,评审时予以扣分。一、采购清单、技术规格参数、质量标准和要求(一)采购清单序号货物名称成品规格(厘米)单位2021实际发生数量上控价(元/盒)数量预算金额(万元)实施地点1利器盒(3L)16X14X14个37003参考2021年实际发生量,以2022年实际需要量为采购量。1.11广西壮族自治区桂东人民医院2利器盒(6L)22X20X18个161504.26.7833利器盒(HL

2、)31X20X22个27305.21.41964利器盒(23L)30.5X25.5X35.5个107607.88.3928(二)技术规格参数序号货物名称成品规格(厘米)要求1利器盒(3L)16X14X141 .采用独立的双层瓦楞纸板,单层纸板厚度22 .5mm,耐破强度2540kpa,边压强度22.25kNm3 .整体颜色为黄色,印制医疗废物警示标识4 .字体颜色:黑色2利器盒(6L)22X20X183利器盒(IlL)31X20X224利器盒(23L)30.5X25.5X35.5()项目产品基本要求1、以上产品必须是具备合法资质的制造商生产的全新正品,并满足招标采购文件的要求,若产品在运输过程

3、中损坏、产品质量有问题(包括但不仅限于产品质量不符合国家标准及有关质量要求,产品没有按照要求和合同制作的情况需包退。2、投标人所投产品参数应同等或优于以上各项参数要求,产品、辅材及生产工艺符合国家相关规范。3、投标人应保证所提供的货物或其任何一部分均不会侵犯任何第三方的专利权、商标权等,如在使用过程中出现的一切经济和法律责任均由投标人负责。4、投标总价必须包含货物及货物运抵指定交货地点的各种费用和售后服务、税金、验收检验及其它所有费用的总和,如另有要求请在投标文件中注明。5、投标人所投产品必须提供产品“三包”服务;定期安排相关人员回访进行质量跟踪;保证提供临床应用;其他售后服务按厂家承诺实行。

4、(四)商务要求1、投标人资格要求1)投标人为独立法人,并具备统一社会信用代码。2)被列入失信被执行人、重大税收违法案件当事人名单、政府采购严重违法失信行为记录名单及其他不符合中华人民共和国政府采购法第二十二条规定条件的供应商,将被拒绝其参与本次招投标活动。(在“信用中国”网站(.cn)或“中国政府采购网”(.cn)查询相关供应商主体信用记录。)3)被列入我院投标人黑名单(在我院招投标活动中存在2次违规行为)未满3年的投标人将被拒绝其参与本次招投标活动。4)本项目不接收联合体投标。5)投标人在投递标书时应同时附11升样版2个,一个用于现场查验质量,一个用于中标后质量验收参照。2、投标产品资格要求

5、1)本项目支持创新产品、节能优化产品、环境标识产品、中小企业发展等政府采购政策。3、售后服务和资质1)售后资质要求:如验收不合格以及发现伪劣产品等,招标人将视情形采取退货、拒付款、终止合同、索赔等措施,直至通过有关部门,依法维权。2)采购数量按实际需求送货,供应商无条件配合3)为了防止虚假应标,项目成交结果公示期间,招标人有权要求拟中标的投标人提供所投标产品以供测试;若测试达不到应答指标,以虚假应标论处。4)签订合同后,根据采购方需求3天内送达。投标人予以特别注意:如出现未能到期供货的情况,招标人有权单方终止合同的执行,所有的经济损失由逾期供货商单方承担。5)交货地点为:广西壮族自治区桂东人民

6、医院。6)付款条件(进度和方式):合同签订后货款每季度结算一次,按实际使用量总数结算货款的95%,其余5%作为质保金待货物使用完毕后无质量问题后付清(无息)。如验收不合格以及发现伪劣产品等,招标人将视情形采取退货、拒付款、终止合同、索赔等措施,直至通过有关部门,依法维权。二、合同签订(一)招标人和中标人应当自公示结束后Z仝工作日内签订合同。(二)合同期限:2022年月日至2023年月日三、其他无四、特别说明如果招标文件中对货物技术参数要求不详细,请各投标人在投标时补充说明。如投标人不作补充说明,广西壮族自治区桂东人民医院招标管理办公室将从有利于招标人的角度出发,认定其所报配置为可能存在情况的最高标准。第四章评标方法与评分标准一、评标方法与定标原则评委会将对确定为实质性响应招标文件要求的投标文件进行评价和比较,评标方法采用最低评标价法确定中标候选人。

展开阅读全文
相关资源
猜你喜欢
相关搜索

当前位置:首页 > 管理/人力资源 > 质量管理

copyright@ 2008-2023 1wenmi网站版权所有

经营许可证编号:宁ICP备2022001189号-1

本站为文档C2C交易模式,即用户上传的文档直接被用户下载,本站只是中间服务平台,本站所有文档下载所得的收益归上传人(含作者)所有。第壹文秘仅提供信息存储空间,仅对用户上传内容的表现方式做保护处理,对上载内容本身不做任何修改或编辑。若文档所含内容侵犯了您的版权或隐私,请立即通知第壹文秘网,我们立即给予删除!