第八章技术规格、参数与要求.docx

上传人:p** 文档编号:288428 上传时间:2023-04-28 格式:DOCX 页数:7 大小:29.12KB
下载 相关 举报
第八章技术规格、参数与要求.docx_第1页
第1页 / 共7页
第八章技术规格、参数与要求.docx_第2页
第2页 / 共7页
第八章技术规格、参数与要求.docx_第3页
第3页 / 共7页
第八章技术规格、参数与要求.docx_第4页
第4页 / 共7页
第八章技术规格、参数与要求.docx_第5页
第5页 / 共7页
第八章技术规格、参数与要求.docx_第6页
第6页 / 共7页
第八章技术规格、参数与要求.docx_第7页
第7页 / 共7页
亲,该文档总共7页,全部预览完了,如果喜欢就下载吧!
资源描述

《第八章技术规格、参数与要求.docx》由会员分享,可在线阅读,更多相关《第八章技术规格、参数与要求.docx(7页珍藏版)》请在第壹文秘上搜索。

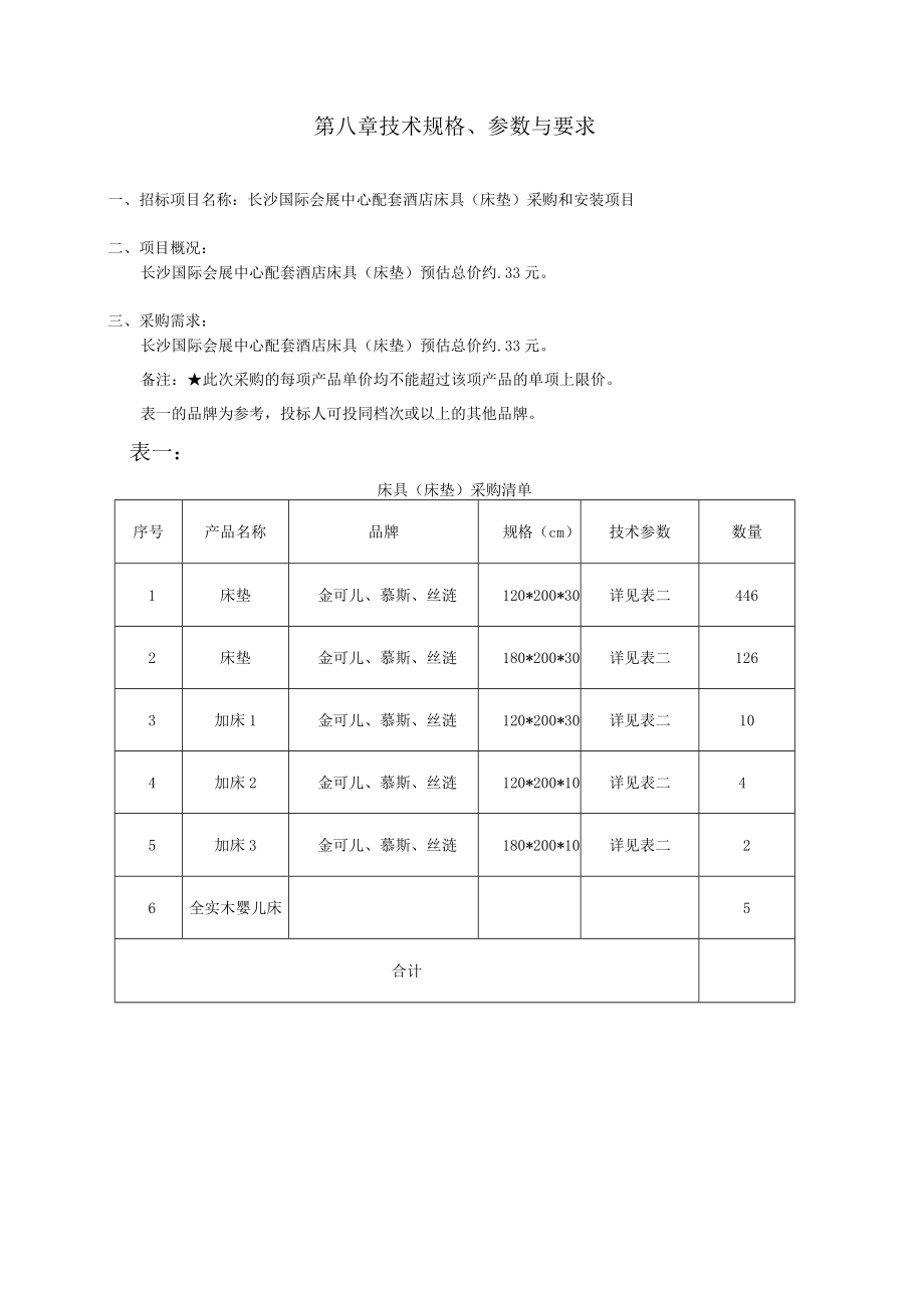
1、第八章技术规格、参数与要求一、招标项目名称:长沙国际会展中心配套酒店床具(床垫)采购和安装项目二、项目概况:长沙国际会展中心配套酒店床具(床垫)预估总价约.33元。三、采购需求:长沙国际会展中心配套酒店床具(床垫)预估总价约.33元。备注:此次采购的每项产品单价均不能超过该项产品的单项上限价。表一的品牌为参考,投标人可投同档次或以上的其他品牌。表一:床具(床垫)采购清单序号产品名称品牌规格(cm)技术参数数量1床垫金可儿、慕斯、丝涟120*200*30详见表二4462床垫金可儿、慕斯、丝涟180*200*30详见表二1263加床1金可儿、慕斯、丝涟120*200*30详见表二104加床2金可儿

2、、慕斯、丝涟120*200*10详见表二45加床3金可儿、慕斯、丝涟180*200*10详见表二26全实木婴儿床5合计表二:床具产品技术参数序号家具名称参考图片产品规格技术参数数量单位单价(元)金额(元)1标准双床房床垫120cm*200cm*30cm桐花层:1、阻燃针织布料,抗菌防蛾。2、高纤维无胶棉3、不含碳酸钙的,超柔高密度舒适海绵,密度226公斤/立方米;4、耐磨无纺布;舒适层(正面):1、4cm高,纯天然乳胶垫层,乳胶含量需超过总质量的70%;2、纯天然原生针刺毡;舒适层(反面):1、阻燃针织布料,抗菌防蜻。2、高纤维无胶棉3、不含碳酸钙的,超柔高密度舒适海绵,密度226公斤/立方米

3、;446床2798.73.582大床房床垫二180cm*200cm*3Ocm126床2940.30370477.803加床1二120cm*200cm*3Ocm10床2798.7327987.304加床2二120cm*200cm*10cm4床2940.3011761.205加床3二180cm*200cm*10cm4、耐磨无纺布;弹簧结构:1、完全独立袋装碳钢弹簧,符合人体工程学,并确保边缘支撑性,做两排加硬;2、弹簧外围用加厚护边海棉,厚度25Omnb密度230公斤/立方米;3、底层配备加厚纯天然生针刺毡;弹簧圈数:6.5弹簧高度:120毫米(偏差符合国标要求)弹簧直径:2.0亳米(偏差符合国标

4、要求)规格:120cm*200cm床垫,至少589个袋装弹簧;180cm*200cm床垫,至少868个袋装弹簧;凹陷程度:50牛顿:5mm15mm;200牛顿:35mm-40mm;250牛顿:50mm;400牛顿:68mm70mm;参考尺寸:1、圻缝:提花面料2、高度:30厘米(+/T厘米)2床2940.305880.606全实木环保婴儿床(含床软垫)1 .必须耐用2 .结构完整3 .不得有尖锐或突起物4 .不得有可以取下的塑料遮盖物5 .婴儿床护栏的间隔不得小于2.5厘米(1英寸),也不得大于6厘米(2英寸)6 .编织网眼的尺寸必须小于6亳米(英寸)7 .床头板或床尾板不得摆放角柱延伸件、台

5、阶、脚蹬或装饰剪纸。8 .卧杆锁定装置必须安装在小孩触不到或不易打开的地方9 .折叠式婴儿床不得在顶部栏杆中央安装旋转较链,且顶部栏杆紧固件10 .必须能够自动锁定以避免儿童床突然折起11床垫必须舒适贴身12 .表面无毒13 .编织网不得有裂口、漏洞或松开的线14 .外径:长135Cnb宽71Cnb高106.7cm;内径:长120cm,宽65cm15 .床垫:长120cm,宽65cm5床3151.1715755.85RMB壹佰陆拾擦万零玖拾陆元叁角叁分.331、投标样品要求:1、样品尺寸:床垫:40cm*60cmo2、投标样品要求:投标样品必须符合响应第八章技术规格、参数与要求中的技术参数:提

6、交的时间:与投标文件一同提交;提交的地点:同开标地点。(备注:投标样品以“暗标”形式提交,不得有任何能直接判断投标供应商名称的文字说明或标记,否则视同为未提供样品。未提供样品或未按上述要求提供样品的,样品计0分。)经评标委员会评审确定的前三名中标候选人投标样品在公示期间留存,其余投标人的样品在评标结束后随即当场退还,投标供应商应安排相关工作人员即时接收并撤离现场,否则由此造成的损失由投标供应商自行承担。中标人提供的样品保管、封存规定:中标公示期满后由中标人运送至采购人指定地点。2 .各投标供应商在投标截止时间以前,自行踏勘现场,复核相关尺寸,否则由此造成一切损失和后果均由投标供应商自行承担。3

7、 .在合同签订前,中标人应当到安装现场逐个复核尺寸,经采购人书面同意后确定最终床具规格。附表2:对标产品名录酒店品牌所属集团洲际酒店洲际集团皇冠假日酒店洲际集团华邑酒店洲际集团威斯汀酒店万豪集团W酒店万豪集团JW万豪酒店万豪集团豪华精选酒店万豪集团万豪酒店万豪集团喜来登酒店万豪集团康莱德酒店希尔顿集团希尔顿酒店希尔顿集团诺富特雅高集团钳尔曼酒店雅高集团索菲特酒店雅高集团四、服务标准1、产品运输、保险及保管1.1 中标人负责产品到施工地点的全部运输,包括装卸及现场搬运等。1.2 中标人负责产品在施工地点的保管,直至项目验收合格。1.3 中标人负责其派出的施工人员的人身意外保险。2、施工要求2.1

8、 中标人须加强施工的组织管理,所有施工人员须遵守文明安全施工的有关规章制度,持证上岗。2.2 项目完成后,中标人应将项目有关的全部资料,包括产品资料、技术文档、施工图纸等,移交采购人。3、质量保证期:3.1、 质保期为两年,自安装完毕且验收合格之口起算。在质保期内,质保期内所有设备、备品备件出现质量问题,乙方负责免费维修或更换。超过质保期,乙方只收零部件成本费,免收维修费。如属人为因素造成,乙方将酌情收取零部件成本费。未在投标报价表中单列其费用的,视为免费提供。3.2、 在质保期内,乙方在接到甲方通知(包括电话、电传、传真)后将在2小时之内作出答复,24小时内派出服务人员到达现场,履行其保修义

9、务或处理紧急维修工作,并确保在48小时内处理完毕。乙方不履行该义务的,甲方有权另行聘请第三人代为履行,相关费用由乙方承担,甲方有权在质保金内扣除,不足部份,甲方有权另行追偿。特殊时期(包括但不限于春节、国庆、中秋、元旦等重大节假日及重大活动举办日)的故障、质量响应及修复时间以甲方要求的时间为准。4、售后服务4.1维修响应1)提供7X24小时的维修服务受理。2)在保修期内,若甲方有服务要求,须在二十四小时内响应。4.2硬件产品(不含易损消耗件)在保修期内更换的产品,须以同类产品,或性能、质量更高档的产品替换,不补差价。质保期满后,无论采购人是否另行选择维保供应商,中标商应及时优惠提供所需的备品备

10、件。五、验收标准1、货物验收须按国家标准和招标文件要求进行。项目完成后,要求现场进行空气质量检测。检测结果必须符合国家和行业的有关规定和标准。验收费用由中标商承担,验收报告作为申请付款的凭证之一。2、验收过程中产生纠纷的,由质量技术监督部门认定的检测机构检测,如为中标商原因造成的,由中标商承担检测费用;否则,由采购人承担。3、项目验收不合格,由中标商返工直至合格,有关返工、再行验收,以及给采购人造成的损失等费用由中标商承担。连续两次项目验收不合格的,采购人可终止合同,另行按规定选择其他供应商采购,由此带来的一切损失由中标商承担。六、其他要求1 .交货时间及地点1.1 交货期:合同签订后45天内

11、完成供货、安装及验收合格。1.2 交货地点:招标人指定的使用现场。1.3 交货方式:本次交货方式为一次中标,分批次制作供货。中标方具体制作及交货种类、数量和时间以招标方书面通知为准。中标方收到书面通知后45日内完成交货。且中标人中标后中标人须到招标人指定地点摆样,经招标人同意后方可供货安装1.4 交货2 .结算方法2.1 付款人:长沙雅尚投资开发有限公司;2.2 付款方式:(1)合同签署并且中标人按照合同的约定提交了履约担保后,支付合同总价的20%作为预付款;(2)货物按照合同约定的交货时间运送到合同约定的交货地点并且通过甲方检验和验收后,支付该批次验收合格货物货款的50%;(3)完成货物安装

12、、调试并且通过验收移交并签署保修合同后,支付至验收合格货物总货款的70机(4)在结算金额双方签字确认后,支付至结算总价95机(5)在质量保证期(两年)满后无质量问题,且在乙方向甲方开具合同总额5%的增值税专用发票后付清质量保证金。2 .3结算方式:以实际到货验收合格的床具数量乘以中标单价作为结算价格依据.3 .项目清单中的技术参数均为参考,投标人可以根据项目实际情况投更高档次的不同品牌。4 .项目清单中所有产品,成交人收到中标通知书后10天内提交有效证明确保为原厂产品,能按厂家规定在长沙地区享受厂家售后服务;否则,投标无效,取消中标资格。5 .质保和售后要求超出厂家正常质保期限和要求的,成交人收到中标通知书后K)天内提交有效证明确保能履行承诺。否则,投标无效,取消中标资格。6 .投标人应根据项目要求和现场情况,详细列明项目所需的货物及材料购置,以及产品运输保险保管、货物安装、测试通过验收、质保期免费保修维护等所有人工、管理、财务等所有费用,如一旦中标,在项目实施中出现任何遗漏,均由成交人免费提供,招标人不再支付任何费用。7 .投标人在投标前,需踏勘现场,有关费用自理,踏勘期间发生的意外自负。8 .招标人将对第一中标候选人进行实地考察,如实物与设备发票不一致的,取消其中资格。9 .对于上述项目要求,投标人应在投标文件中进行响应,作为承诺及说明

展开阅读全文
相关资源
猜你喜欢
相关搜索

当前位置:首页 > 建筑/环境 > 测绘

copyright@ 2008-2023 1wenmi网站版权所有

经营许可证编号:宁ICP备2022001189号-1

本站为文档C2C交易模式,即用户上传的文档直接被用户下载,本站只是中间服务平台,本站所有文档下载所得的收益归上传人(含作者)所有。第壹文秘仅提供信息存储空间,仅对用户上传内容的表现方式做保护处理,对上载内容本身不做任何修改或编辑。若文档所含内容侵犯了您的版权或隐私,请立即通知第壹文秘网,我们立即给予删除!