第五章货物需求与技术要求.docx

上传人:p** 文档编号:288437 上传时间:2023-04-28 格式:DOCX 页数:10 大小:27.20KB
下载 相关 举报
第五章货物需求与技术要求.docx_第1页
第1页 / 共10页
第五章货物需求与技术要求.docx_第2页
第2页 / 共10页
第五章货物需求与技术要求.docx_第3页
第3页 / 共10页
第五章货物需求与技术要求.docx_第4页
第4页 / 共10页
第五章货物需求与技术要求.docx_第5页
第5页 / 共10页
第五章货物需求与技术要求.docx_第6页
第6页 / 共10页
第五章货物需求与技术要求.docx_第7页
第7页 / 共10页
第五章货物需求与技术要求.docx_第8页
第8页 / 共10页
第五章货物需求与技术要求.docx_第9页
第9页 / 共10页
第五章货物需求与技术要求.docx_第10页
第10页 / 共10页
亲,该文档总共10页,全部预览完了,如果喜欢就下载吧!
资源描述

《第五章货物需求与技术要求.docx》由会员分享,可在线阅读,更多相关《第五章货物需求与技术要求.docx(10页珍藏版)》请在第壹文秘上搜索。

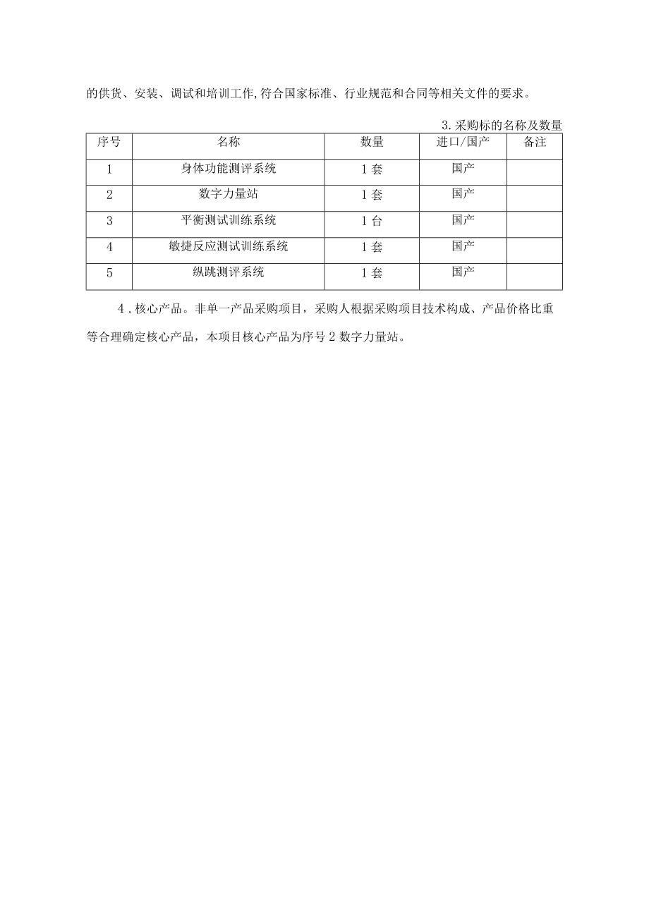
1、第五章货物需求与技术要求一、项目预算L预算147万元,最高限价147万元。2 .本项目采用人民币结算。3 .是否适宜由中小企业提供,并专门面向中小企业采购:查。二、采购标的需实现的功能或者目标L采购标的需实现的功能能够应用于运动队选材、测试、训练、康复各个方面,保障运动员的科学训练,满足运动队的实际工作需要。4 .采购标的需实现的目标实现体育后备人才精准选材,科学训练,提高运动员竞技水平,为专业队输送更多优秀人才,为北京和国家争得荣誉。三、采购标的的数量、采购项目交付或者实施的时间和地点1 .项目实施的地点:北京市木樨园体育运动技术学校2 .采购项目交付或者实施的时间要求1 目交付时间:合同签

2、订后60日历日内。供应商应保证在要求时间内完成全部货物的供货、安装、调试和培训工作,符合国家标准、行业规范和合同等相关文件的要求。3.采购标的名称及数量序号名称数量进口/国产备注1身体功能测评系统1套国产2数字力量站1套国产3平衡测试训练系统1台国产4敏捷反应测试训练系统1套国产5纵跳测评系统1套国产4 .核心产品。非单一产品采购项目,采购人根据采购项目技术构成、产品价格比重等合理确定核心产品,本项目核心产品为序号2数字力量站。5 .包装和运输要求:提供的全部货物均应按标准保护措施进行包装。包装应适应于远距离运输、防潮、防震、防锈、防腐和防野蛮装卸,以确保货物安全无损运抵指定交货地点。6 .保

3、险要求:对其提供的货物在制造、购置、运输、存放及交货过程中的丢失或损坏进行全面保险。四、采购标的需满足的性能、材料、结构、外观、质量、安全、技术规格、物理特性等要求序号名称数量单位技术参数1身体功能测评系统1套1、采用3D视觉识别技术,通过摄像头对测试动作的模仿运动影像进行采集;摄像头功能参数:彩色、高清体感摄像头、108OP高清视野、传感深度范围L2-3.5米;2、可对人体骨骼关节点和肌肉进行的生物力学和人体运动学等数据进行计算,对身体姿态以及行为分析检测,评估人体各部位偏差和运动风险;3、依据人体功能解剖标准对人体关节活动度、稳定度、对称性及静态姿势以及运动风险进行评估;4、通过对全身对称

4、性、活动完成度、力量能力进行评估,可以准确评估日常活动及体育运动等状态下潜在风险水平;5、评估系统测试过程中无需在受测者身上佩戴传感器,对人体关节点位进行识别分析,根据所采集数据给出相应的报告,并且根据身体状况给出运动处方,协助受测者进行运动巩固和提高;6、动态范围:自动像素增益可捕获清晰的近距和远距对象:7、可视范围:(1).水平视角255度;(2).垂直视角240度;8、实时检测并准确识别人体骨骼关节,非自然光条件下,每秒采集不低于30帧有效数据;9、通过对检测数据的分析,针对性的给出运动训练处方;10、触摸类型:电容触摸。2数字力量站1套1、在同一动作过程中产生可变阻力进行训练;2、包含

5、自由轨迹测试训练模块和深蹲纵跳测试训练2个模块;3、阻力调节单位:深蹲纵跳WIKg,自由轨迹WIKg;4、最大阻力值:深蹲纵跳2200Kg,自由轨迹,IOOKg;5、最小等速控制速度:深蹲纵跳W0.1ms,自由轨迹W0.1m/s;6、最大等速控制速度:深蹲纵跳24.0m/s,自由轨迹24.0m/s;7、具有1块不小于12英寸彩色触摸屏,具有无线WIFI数据传输功能;8、可预装智能软件,可远程控制进行软件和数据的服务支持;9、可进行单点等长肌力测试、多点等长肌力测试、等长肌力平衡测试、等长疼痛测试;10、可进行最大等速测试(单速、多速)、最大等速平衡测试(单速、多速);11、可进行动态肌力测试:

6、包括向心最大力量测试、向心最大力量平衡测试、离心最大力量测试、递增负荷爆发力测试等;12、可提供训练阻力类型:等张阻力(有惯性)、等张阻力(无惯性)、等长阻力、等速阻力、流体阻力(6种液体密度)、弹性阻力、可变阻力(支持疼痛关节活动范围无阻力训练),向心/离心切换不同阻力等;13、可在同一个训练动作中进行最大向心和最大离心阻力训练,也可以进行向心离心不同负荷值的训练;14、可以按需求设定向心和离心运动方式的目标力量、速度、功率值,可实时测试并得到非常详尽的多种训练数据结果及曲线图来指导训练;15、配置以太网连接接口、USB接口,可以随时导出测试和训练数据。3平衡测试训练系统11、具有脚垫传感器

7、和坐垫传感器,可进行精确数据测量;2、可进行脚垫、坐垫单模块检测评估;3、可进行从坐下到站起单模块检测评估;4、支持多屏显示;5、具有坐位、站立、坐站、Berg量表,可以对评估内容进行回放,打印回放界面,具有查看评估的趋势报告的功能,包括坐位、双脚站立、左脚站立、右脚站立、坐站等姿势,每种姿势在检测结束后都可出具平衡状态检测报告;6、软件具有包括坐位、站立、坐站等相关操作功能,可以对训练过程和结果进行回放,具有查看训练的分析报告的功能,可同时进行图形的显示,能进行图形训练及多媒体训练,具有实时重心位置图显示方式;7、评估报告中包含个人信息、重心轨迹图、多项有关人体平衡状态的技术指标,其中技术指

8、标包括平衡障碍程度测试指标、人体重心动摇偏移测试指标、人体重心动摇频率变化测试指标等;8、产品分为坐位、站位、坐站三部分,可进行站起及坐下过程平衡能力的评估;9、额状面最大摆幅误差不超过2%,矢状面最大摆幅误差不超过2%;10、采用USB数据线与分析计算机相连,进行数据传输。4敏捷反应测试训练系统1套1、控制器屏幕尺寸不小于10英寸;2、可进行敏捷性测试和训练、视觉训练、认知训练和手/眼协调训练;可满足多人动态竞争性训练;3、支持蓝牙和USB下载功能,支持训练数据实时采集记录下载;4、无线范围不小于50m;5、具有触碰及感应两种灯光激活方式,触碰强度四级可选,分别为低、低中、中高、高,感应距离

9、0-80CIil可调;6、LED灯光显示为红、绿、蓝、黄、靛、紫,LED灯光三种模式分别为中心亮、外周亮以及全部亮;7、控制器的最大控制灯数不小于32;8、控制器为安卓系统全中文操作界面;9、耐冲击能力不小于300磅;10、总重量不大于8kg05纵跳测评系统1套1、惯性传感器组件包含:三轴加速度计、三轴陀螺仪、磁传感器;2、采样频率:加速度计不小于1000Hz,陀螺仪不小于800Hz,磁传感器不小于100Hz;3、评估模块包含:颈椎、肩关节、躯干及自由角度测量、平衡能力测试、跌倒风险测试、起立行走测试、步态测试、各类跳跃测试、功率-力量-速度曲线测试等;4、关节角度测量:ROM及标准参考值,每

10、个方向的角速度值;5、平衡测试:包括质心摆动范围、重心偏转角度、95%效度椭圆面积、振荡平均速度、摆动总轨迹长度、表面功能性路径长度、跌倒风险等;6、步态测试:包括左右对称指数、速度、步频、步数、推进力、跨步长及跨步长占比、跨步时长、单侧跨步长、步幅周期质量指数、标准参考值;站立相、摆动相、滞空、双支撑相等持续时长;骨盆各方向运动范围等。7、跳跃测试:包含下蹲跳、深蹲跳、跳深、刚度测试等;测试指标有滞空时长、触地时长、跳跃高度、刚度、反应指数、力量增长指数、弹跳力、冲击力指数、反应性强度指数、总能耗、耐力、速度峰值、最大力量;离心时长、向心时长、滞空时长、触地时长、骨盆三维活动角度,跳跃中的力

11、值、速度值等;8、功率-力量-速度测试:包括连续跳跃次数、最大功率、最大功率下的速度、最大功率下的负载、IRM值、功率-负荷曲线、负荷-速度曲线、重复指标等;9、训练功能:包括时钟式颈部环绕训练、平衡训练、颈部位置觉训练、肩关节位置觉训练、躯干位置觉训练、自由角度训练等;10、报告:测试后即出报告,部分参数含标准参考值,可进行结果对比分析。五、采购标的需满足的服务期限、标准、效率等要求L本项目免费质量保证期要求不低于L年。免费质量保证期从货物供货、安装、调试正常且经采购人综合运行验收合格后开始计算。质量保证金扣押年限和投标方承诺免费质量保证期相同,且不计利息。免费质量保证期以整个项目为单位进行

12、响应。2 .付款方式(1)签署合同,乙方持合同金额晒的增值税发票,及相关付款手续向甲方申请支付合同金额邈的货款,即人民币:(小写:);(2)合同项下所有货物安装验收合格后,乙方持甲方最终验收报告和增值税发票及相关付款手续,向甲方申请支付剩余金额的货款,即人民币:(小写:)。3 .售后服务标准要求供应商应有完善的技术支持与服务体系,专人负责与采购方联系售后服务事宜,应具有必要的售后机构配置、专门的服务电话。设备质保期至少为1年,质保期内出现质量问题,供应商需免费上门维修更换:质保期后,500元以下配件的更换需由供应商免费提供,500元以上配件的更换由采购方按双方协议价负担。培训I要求供应商应在货

13、物抵达现场后7口内到达现场组织进行安装、调试,达到正式运行要求,保证采购方能正常使用。设备安装、调试正常使用后,工程师应现场对各操作人员进行免费培训,直到使用者能独立熟练操作为止。并对采购方的维修人员进行常见故障的判断、处理、维修培训。培训人数以采购方指定为准。4 .售后服务效率要求4 .1供应商需提供7X24小时技术支持服务,配备固定售后服务电话。5 .2自接到采购方故障报修后应2小时内响应,24小时内达到现场,48小时内排除故障,以保证正常使用。六、采购标的的验收标准货物安装完成正常运行30日历天后,由成交供应商提出验收申请,采购人同意后,相关部门及人员形成验收小组,验收小组根据磋商文件、

14、响应文件、合同等项目文件约定内容对项目进行综合运行验收。如验收达不到规定要求,采购人有权要求更换货物或拒绝付款,成交供应商若违约,采购人将依法追究相应法律责任。注:投标人数量的认定:(1)提供相同品牌产品且通过资格审查、符合性审查的不同投标人参加同一合同项下投标的,按一家投标人计算,评审后得分高的同品牌投标人获得中标人推荐资格,评审得分相同的,由评标委员会确定技术指标评审得分最高的同品牌投标人获得中标人推荐资格,技术指标评审得分相同的,由评标委员会确定投标报价最低的同品牌投标人获得中标人推荐资格,如仍不能确定,采取随机抽取方式确定。其他同品牌投标人不作为中标候选人。(2)非单一产品采购项目,根据第五章货物需求与技术要求中标注符号的货物为核心产品;多家投标人提供的核心产品品牌相同的,按第(1)条规定处理。

展开阅读全文
相关资源
猜你喜欢
相关搜索

当前位置:首页 > 经济/贸易/财会 > 进出口许可

copyright@ 2008-2023 1wenmi网站版权所有

经营许可证编号:宁ICP备2022001189号-1

本站为文档C2C交易模式,即用户上传的文档直接被用户下载,本站只是中间服务平台,本站所有文档下载所得的收益归上传人(含作者)所有。第壹文秘仅提供信息存储空间,仅对用户上传内容的表现方式做保护处理,对上载内容本身不做任何修改或编辑。若文档所含内容侵犯了您的版权或隐私,请立即通知第壹文秘网,我们立即给予删除!