第四章货物技术要求及其它.docx

上传人:p** 文档编号:288567 上传时间:2023-04-28 格式:DOCX 页数:10 大小:42.54KB
下载 相关 举报
第四章货物技术要求及其它.docx_第1页
第1页 / 共10页
第四章货物技术要求及其它.docx_第2页
第2页 / 共10页
第四章货物技术要求及其它.docx_第3页
第3页 / 共10页
第四章货物技术要求及其它.docx_第4页
第4页 / 共10页
第四章货物技术要求及其它.docx_第5页
第5页 / 共10页
第四章货物技术要求及其它.docx_第6页
第6页 / 共10页
第四章货物技术要求及其它.docx_第7页
第7页 / 共10页
第四章货物技术要求及其它.docx_第8页
第8页 / 共10页
第四章货物技术要求及其它.docx_第9页
第9页 / 共10页
第四章货物技术要求及其它.docx_第10页
第10页 / 共10页
亲,该文档总共10页,全部预览完了,如果喜欢就下载吧!
资源描述

《第四章货物技术要求及其它.docx》由会员分享,可在线阅读,更多相关《第四章货物技术要求及其它.docx(10页珍藏版)》请在第壹文秘上搜索。

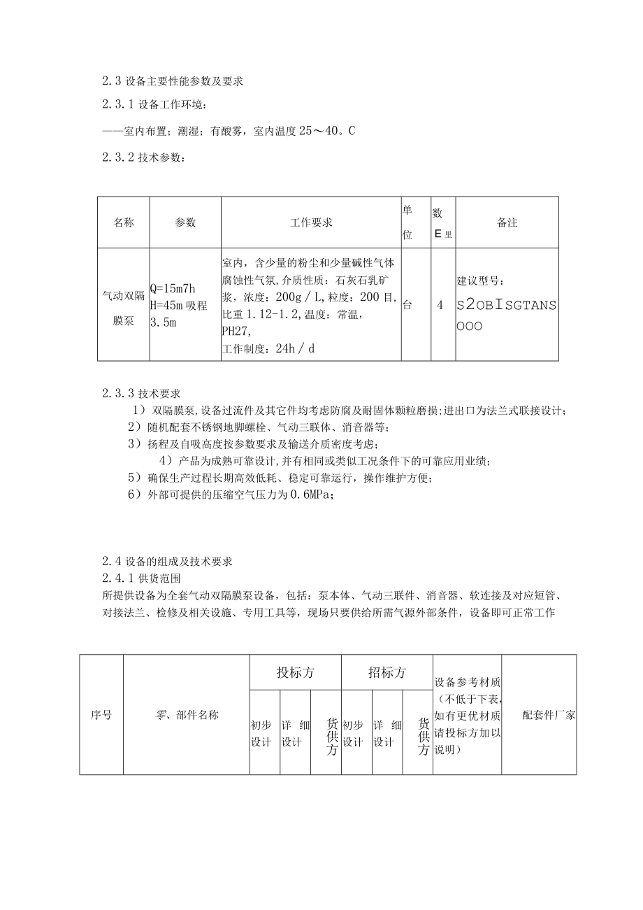
1、第四章货物技术要求及其它1.货物需求隔膜泵数量:4台,具体如下:序号货物名称设备编号数量1气动双隔膜泵PM2222ME01AD4台2.技术规格及有关要求2.1工程、水文地质条件和当地气象资料当地大气压:101150Pa绝对最高温度:41绝对最低温度:-11.9年平均气温:16.3最热月平均温度:28.8最冷月平均温度:3.1全年平均相对湿度:74%夏季平均相对湿度:84%冬季平均相对湿度:75%全年最大降雨量:1780mm全年最小降雨量:580mm一次最大连降暴雨量:84.4mm夏季主导风向:西南风冬季主导风向:东北风常年主导风向:西南风夏季平均风速:3.2ms冬季平均风速:3.8ms年平均风

2、速:3.3ms最大风速:24ms基本风压:0.5kPa最大积雪深度:36cm基本雪压:0.5kPa土壤冻结深度:0.4m地震烈度:7度海拔高度:20米2.2公用工程条件2.2.1生产用水水质水质主要指标项目指标值项目指标值PH7.93浑浊度0.76NTU总硬度130.lmgL永久硬度暂时硬度耗氧量阴离子合成洗涤剂溶解性总固体160mg/L挥发酚氯化物Hmg/L镉0.001mgL总碱度碑0.01mgL汞肉眼可见物无铜0.2mgL硒镒0.lmg/L硝酸盐氮1.76mg/L铁0.2mgL锌0.2mgL铅0.01mgL异臭和异味无氨氮HCO3磷酸盐氟化物定性阴性色度5.0度氟化物0.27mg/L六价铭

3、SANDPIPER胜佰德2、 WlLDEN威尔顿3、Versa-Matic威马1.1.1隔膜XXX丁腾橡胶1.1.2衬膜XXX特氟龙1.1.3阀球XXX特氟龙1.1.4阀座XXX特氟龙1.1.5配气阀XXX1.1.6导向阀XXX1.2压缩空气三联件、消音器、软连接及对应短管XXX1.3进、出口手阀、压力表、软连接及对应短管XXX1.4不锈钢地脚螺栓XXX304不锈钢1.5进出口配对法兰(含垫片)XXX注:1、不仅限于此表,供方应保证一个功能完整的泵,如表中出现漏项,设备供应商负责补齐。2、投标时也可选用其它名优产品必须注明,并备注是否愿意更改为建议厂家*投标人对供货范围、技术要求、推荐配套厂家

4、的相应性(投标人应提供详细的供货范围、技术要求、主要外购件清单、价格、制造商及产地。)*2.4.2随机的易损件(附清单和单价)。投标方负责提供用于带负荷测试及易损件和必要的事故备件(下表由投标方填写)序号名称及订货号数量规格型号备件单价制造商*2.4.3两年正常使用备品备件(附清单和单价)投标方应提供两年内(从设备验收合格之日起计算)正常使用的设备的生产及维护的备品备件清单(下表由投标方填写)。序号备件名称及订货号数量规格型号备件单价制造商2. 4.4设备制造技术要求3. 4.4.1总则2.4.4.1.1本技术要求提出的是最低限度的要求,并未对全部技术细节作出规定,也未充分引述有关标准和规范的

5、条文,投标方所提供的设备应符合本技术要求和有关工业标准,应是全新的、具有经济性、可靠性、合理性的优质产品。制造技术水平是当前国内先进水平。*2.4.4.1.2如果投标方对本技术规格的要求未做响应,则意味着投标方提供的设备不响应本技术规格的要求。如有异议,不管多么微小,都应在投标文件中以“技术规格偏离表”为标题的专门章节中加以详细描述。*2.4.4.1.3本技术规格所使用的标准如遇与投标方所执行的标准发生矛盾时,按较高标准执行。招标文件发出后,在开标5日前,招标方有权提出因标准、规程、规范和供货范围等技术要求发生变化而产生的修订要求。2. 4.4.L4在合同签订后,招标方有权提出因标准、规程和规

6、范发生变化而产生的修订要求,具体事宜由买卖双方协商确定。本技术规格经买卖双方确认后作为订货合同的技术附件,与合同正文具有同等法律效力。3. 4.4.2标准和规范设备应符合以下标准和规范,优先顺序如下:2.4.4.2.1设备供货厂商所在国的标准和规范。2.4.4.2.2ISO关于泵类设备的标准和规范。2.4.4.2.3最新国际承认的标准和规范(例如IEO02.4.4.2.4中国的国家标准和规范GBo2.4.4.2.5在没有标准和规范可适用时,应依照谨慎、保守的原则设计、制造。2.4.4.3总体技术要求2.4.4.3.1设备质量保证期:合同设备最终验收证书由双方签字后12个月。*2.4.4.3.2

7、所有材料及零部件(或元器件)应符合标准和规范的要求。关键部件、元器件采用国际品牌,配套部件可选用中国国内知名、产品质量过关并有相关业绩的生产厂家,并对其质量负责,对其质保期要做出具体承诺。配套件的品牌和厂家要征得招标方认可。2. 4.4.3.3所使用的零件或组件应有良好的互换性。3. 4.4.3.4所使用的零件或组件的加工标准尽可能采用公制单位。4. 4.4.3.5润滑部分密封良好,不得有油脂渗漏现象。2. 4.4.3.6所有的总成件必须装有中文不锈钢铭牌,铭牌应标有该总成件的主要技术规格参数且字迹清晰。配套厂的总成件铭牌要完好保留,便于察看。*2.5投标要求2.5.1投标人必须对所投标的泵逐

8、项予以说明,包括设备功能组成、特点、技术性能、有关详细参数等。2.5.2投标人应按本标书提供的工况条件进行详细设计并提供总装图、性能曲线等。2.5.3投标人应提供主要外购件清单、制造商。主要零部件的规格、参数、材质、有效图纸和生产厂家主要零部件建议生产厂家(投标时也可选用其它名优产品或自制。必须注明)序号部件名称自制部件建议配套生产厂家材质备注注:投标方选定的配套厂家可应招标方同等条件下进行更改2.6性能保证与质量控制设备的设计及制造需根据本章设备主要性能参数及要求与设备制作技术要求,参照设备制造之国际/国家标准进行,并不得低于中国国家相应设备制做及制造标准,同时必须符合中国国家相关部门及行业

9、的强制规范要求。2.6.1性能保证2.6.1.1根据本章设备主要性能参数及要求,必须满足招标方需求,达到设备选型时的技术性能,如流量,扬程,效率偏差为0%-+2%o2.6.1.2泵要求保证无故障运行1年以上。壳体使用寿命5年,隔膜使用寿命不少于5000小时。2.6.2质量控制2.6.2.1卖方提供材料证明及原厂材料性能报告、泵机械性能测试报告等。2.6.2.2制造过程中按以下进行检验并附有符合国家相关标准的合格报告。2.6.2.3投标方应至少提前一周通知招标方,以便招标方派员参加监督承压部件的压力测试,组装及出厂性能测试。2.7.由投标方提供技术服务和指导2.7.1非现场培训设备发货之前,投标方应为招标方联络提供在类似设备上的操作和维护培训便利。2.7.1.1.培训内容:操作、维护与安装、启动、试车相关的指导2.7.2现场培训2.7.2.1投标方应在合同范围内提供技术指导并与招标方全面合作和协商以解决从合同和现场中出现的技术和问题。2.7.2.2投标方的全体现场人员应遵守铜陵有色的相关规章制度。2.7.2.3投标方应在合同范围内提供启动和试车阶段的程序和故障处理帮助,和整个试车期间的操作和调节指导。2.7.2.4设备测试时投标方应在场,并保证所有性能保证值

展开阅读全文
相关资源
猜你喜欢
相关搜索

当前位置:首页 > 经济/贸易/财会 > 进出口许可

copyright@ 2008-2023 1wenmi网站版权所有

经营许可证编号:宁ICP备2022001189号-1

本站为文档C2C交易模式,即用户上传的文档直接被用户下载,本站只是中间服务平台,本站所有文档下载所得的收益归上传人(含作者)所有。第壹文秘仅提供信息存储空间,仅对用户上传内容的表现方式做保护处理,对上载内容本身不做任何修改或编辑。若文档所含内容侵犯了您的版权或隐私,请立即通知第壹文秘网,我们立即给予删除!