被注销安全标志的8吨以上电阻调速防爆特殊型蓄电池电机车产品及其生产企业明细表.docx

上传人:p** 文档编号:289176 上传时间:2023-04-28 格式:DOCX 页数:1 大小:14.56KB
下载 相关 举报
被注销安全标志的8吨以上电阻调速防爆特殊型蓄电池电机车产品及其生产企业明细表.docx_第1页
第1页 / 共1页
亲,该文档总共1页,全部预览完了,如果喜欢就下载吧!
资源描述

《被注销安全标志的8吨以上电阻调速防爆特殊型蓄电池电机车产品及其生产企业明细表.docx》由会员分享,可在线阅读,更多相关《被注销安全标志的8吨以上电阻调速防爆特殊型蓄电池电机车产品及其生产企业明细表.docx(1页珍藏版)》请在第壹文秘上搜索。

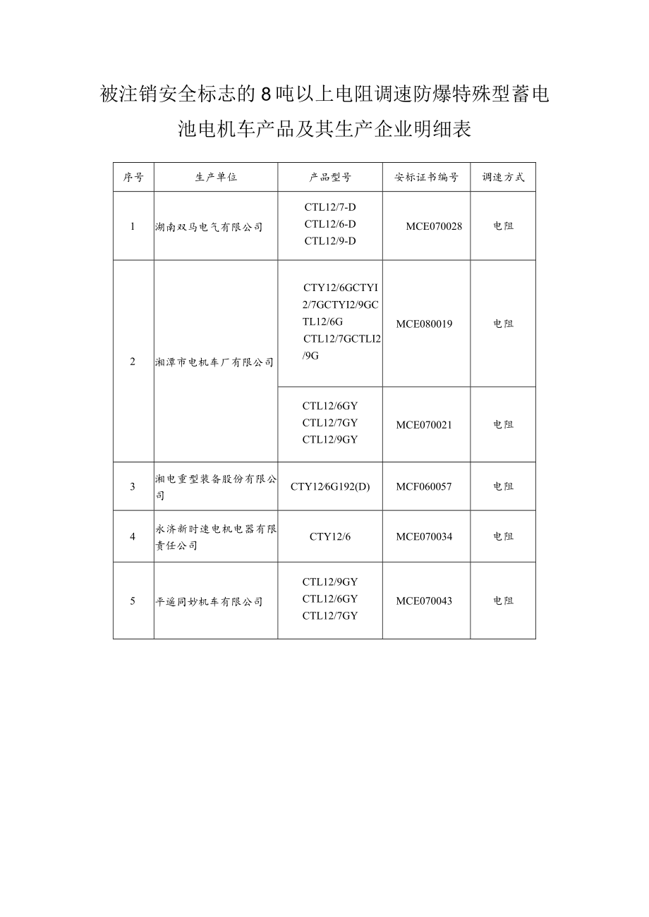
被注销安全标志的8吨以上电阻调速防爆特殊型蓄电池电机车产品及其生产企业明细表序号生产单位产品型号安标证书编号调速方式1湖南双马电气有限公司CTL12/7-DCTL12/6-DCTL12/9-DMCE070028电阻2湘潭市电机车厂有限公司CTY12/6GCTYI2/7GCTYI2/9GCTL12/6GCTL12/7GCTLI2/9GMCE080019电阻CTL12/6GYCTL12/7GYCTL12/9GYMCE070021电阻3湘电重型装备股份有限公司CTY126G192(D)MCF060057电阻4永济新时速电机电器有限责任公司CTY12/6MCE070034电阻5平遥同妙机车有限公司CTL12/9GYCTL12/6GYCTL12/7GYMCE070043电阻

展开阅读全文
相关资源
猜你喜欢
相关搜索

当前位置:首页 > 行业资料 > 交通运输

copyright@ 2008-2023 1wenmi网站版权所有

经营许可证编号:宁ICP备2022001189号-1

本站为文档C2C交易模式,即用户上传的文档直接被用户下载,本站只是中间服务平台,本站所有文档下载所得的收益归上传人(含作者)所有。第壹文秘仅提供信息存储空间,仅对用户上传内容的表现方式做保护处理,对上载内容本身不做任何修改或编辑。若文档所含内容侵犯了您的版权或隐私,请立即通知第壹文秘网,我们立即给予删除!