超声刀技术参数.docx

上传人:p** 文档编号:289667 上传时间:2023-04-28 格式:DOCX 页数:4 大小:20.94KB
下载 相关 举报
超声刀技术参数.docx_第1页
第1页 / 共4页
超声刀技术参数.docx_第2页
第2页 / 共4页
超声刀技术参数.docx_第3页
第3页 / 共4页
超声刀技术参数.docx_第4页
第4页 / 共4页
亲,该文档总共4页,全部预览完了,如果喜欢就下载吧!
资源描述

《超声刀技术参数.docx》由会员分享,可在线阅读,更多相关《超声刀技术参数.docx(4页珍藏版)》请在第壹文秘上搜索。

1、超声刀技术参数序号货物名称招标规格1超声软组织切割止血手术设备(系统发生器)1、振动频率55.6lKHz2、发生器输入电源:100-240VAC,50/60HZ,功率:180VA3、工作环境温度:18。C-25。(2,相对湿度30%-70%无凝结,气压范围:700hPa-1060hPa4、系统功率小于等于35W10%5、系统输出声功率小于10W,系统功能储备2.56、具备自适应反馈技术。7、设备具备智能自检系统,可以检测设备的连接及工作状况,当有问题发生时以图片配合文字的形式,给予反馈结果。2超声软组织切割止血手术设备(刀头) 1、适用于需要控制出血和最小程度热损伤的软组织切割,可用于闭合直径

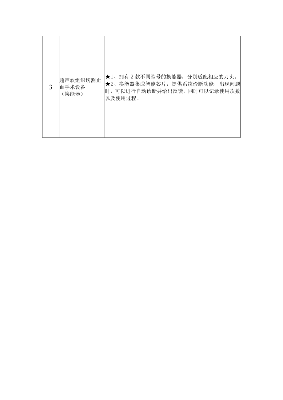
2、可达5mm的血管。既有适用于腔镜手术的枪式刀头,也有适用于开放手术的剪刀式刀头。 2、既有甲状腺专用剪式刀头,又有能满足减重等手术的245Cm加长型刀头。 3、刀头种类种,可以满足医院各相关科室的需求。4、刀头工作端设计有凹面、凸面、夹持面、背切面和钝性鼻头多个工作面,并提供弧形工作头设计,以满足手术的精细要求。5、刀头具备NMPA三类证书。6、刀头振幅刀头振动幅度为40-95um,尖端最大振幅80Um15Um3超声软组织切割止血手术设备(换能器)1、拥有2款不同型号的换能器,分别适配相应的刀头。2、换能器集成智能芯片,提供系统诊断功能,出现问题时,可以进行自动诊断并给出反馈,同时可以记录使用

3、次数以及使用过程。高频电刀招标参数项目:高频能量设备数量:套品牌:进口知名品牌1、技术要求LLl适用于腔镜外科手术,具备低电压模式1.1.2适用于精细显微外科双极手术,并有相应的精细双极模式1、2输出功率2300WL3I:作频率:434KHZL4操作要求:要求操作简单,所有模式均在触控面板上显示并可直接操作L5微电脑控制,全悬浮隔离式输Hl,单极.双极均具备手控和脚控功能.1.6 主机采用智能组织感应技术(TiSSUeFeCt):根据组织阻抗变化,电脑控制进行输出自动调节能量输出,限制最大电压,减少电火花和干扰1、7具备病人回路电极板接触质量监测系统(REM),并有指示和报警,报警的同时自动停

4、止输出L7.1监测阻抗范围:5-135欧姆172术中病人回路电极板接触阻抗突然改变240%初始阻抗时,主机报警并自动停止输出1.8 具有威利模式,配合相应的电刀笔可以在无菌区内快速调节能量输出,一键同时具有切凝自动转换的功能1.9 单极切割模式:纯切割1-300W混合切割1-20OW威利模式5-60W1.9.1 纯切割:峰值电压1287V183混合切割:峰值电压2178VLlO单极凝血模式:软凝I-I20W电灼凝血1-12OW喷射式凝血1-12OW1.10.1喷射式凝血:空载峰值电压25550V,空载峰-峰值电压29000V1.10.2 软凝:峰值电压264V1.10.3 电灼凝血:峰值电压3

5、448V,双路输出峰值3448V1.10.4 喷射式凝血:峰值电压3932V,双路输出峰值3932V1.10双极模式:精确双极1-7OW标准双极1-7OW宏双极1-7OW1.10.1 精确双极:峰值电压284V1.10.2 标准双极:峰值电压415V1.10.3 宏双极:峰值电压530VLllCEM模式:单极切割,单极凝血1. 12主机在激活时可.根据要求调节功率输出。1. 13具有双刀笔同时输出功能.1.14 具备RS-232、USB串口:适用于连接计算机,及电刀信息采集、更改模式。115具备扩充口:适用于连接机器人等其他设备来控制电刀输出1.16 具备8GB内存,用于存储用户习惯、存储故隙信息、固件升级等信息2,配置要求2、1主机套(包含:电缆1根、中英文说明书、维护、操作卡等)2、2单极脚踏开关1只,双极脚踏开关1只2、3病人回路负极板5片,电刀笔5支2、3详细标明其他相关配件型号、价格(如双极镣子、腔镜转换接头等)

展开阅读全文
相关资源
猜你喜欢
相关搜索

当前位置:首页 > 医学/心理学 > 医学影像

copyright@ 2008-2023 1wenmi网站版权所有

经营许可证编号:宁ICP备2022001189号-1

本站为文档C2C交易模式,即用户上传的文档直接被用户下载,本站只是中间服务平台,本站所有文档下载所得的收益归上传人(含作者)所有。第壹文秘仅提供信息存储空间,仅对用户上传内容的表现方式做保护处理,对上载内容本身不做任何修改或编辑。若文档所含内容侵犯了您的版权或隐私,请立即通知第壹文秘网,我们立即给予删除!