车用汽油检验项目.docx

上传人:p** 文档编号:289807 上传时间:2023-04-28 格式:DOCX 页数:2 大小:20.03KB
下载 相关 举报
车用汽油检验项目.docx_第1页
第1页 / 共2页
车用汽油检验项目.docx_第2页
第2页 / 共2页
亲,该文档总共2页,全部预览完了,如果喜欢就下载吧!
资源描述

《车用汽油检验项目.docx》由会员分享,可在线阅读,更多相关《车用汽油检验项目.docx(2页珍藏版)》请在第壹文秘上搜索。

1、车用汽油检验项目序号检验项目以及法律法规或标准条款强制性/推荐性检测方法1研究法辛烷值GB17930-2016车用汽油强制性GB/T503-20162甲醇含量GB17930-2016车用汽油强制性NB/SH/T0663-20143氧含量GB17930-2016车用汽油强制性NB/SH/T0663-20144硫含量GB17930-2016车用汽油强制性SH/T0689-20005铳含量GB17930-2016车用汽油强制性SH/T0711-20026苯含量GB17930-2016车用汽油强制性SH/T07127密度GB17930-2016车用汽油强制性GB/T1884.18858铅含量GB179

2、30-2016车用汽油强制性GB/T8020-2015车用柴油检验项目序号检验项目以及法律法规或标准条款强制性/推荐性检测方法1闪点GB19147-2016车用柴油(V)强制性GB/T2612硫含量GB19147-2016车用柴油(V)强制性SH/T0689-20003十六烷指数GB19147-2016车用柴油(V)强制性GB/T111394脂肪酸甲酯GB19147-2016车用柴油(V)推荐行NB/SH/T09165多环芳煌含量GB19147-2016车用柴油(V)强制性SH/T08066凝点GB19147-2016车用柴油(V)强制性GB510-19837储程GB19147-2016车用柴

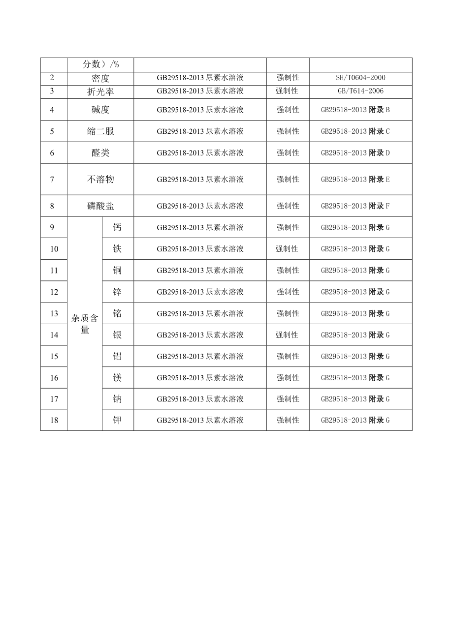
3、油(V)强制性GB/T65368密度GB19147-2016车用柴油(V)强制性GB/T18841885车用尿素检验项目序号检验项目以及法律法规或标准条款强制性/推荐性检测方法1尿素含量(质量GB29518-2013尿素水溶液强制性GB29518-2013附录A分数)/%2密度GB29518-2013尿素水溶液强制性SH/T0604-20003折光率GB29518-2013尿素水溶液强制性GB/T614-20064碱度GB29518-2013尿素水溶液强制性GB29518-2013附录B5缩二服GB29518-2013尿素水溶液强制性GB29518-2013附录C6醛类GB29518-2013

4、尿素水溶液强制性GB29518-2013附录D7不溶物GB29518-2013尿素水溶液强制性GB29518-2013附录E8磷酸盐GB29518-2013尿素水溶液强制性GB29518-2013附录F9杂质含量钙GB29518-2013尿素水溶液强制性GB29518-2013附录G10铁GB29518-2013尿素水溶液强制性GB29518-2013附录G11铜GB29518-2013尿素水溶液强制性GB29518-2013附录G12锌GB29518-2013尿素水溶液强制性GB29518-2013附录G13铭GB29518-2013尿素水溶液强制性GB29518-2013附录G14银GB29518-2013尿素水溶液强制性GB29518-2013附录G15铝GB29518-2013尿素水溶液强制性GB29518-2013附录G16镁GB29518-2013尿素水溶液强制性GB29518-2013附录G17钠GB29518-2013尿素水溶液强制性GB29518-2013附录G18钾GB29518-2013尿素水溶液强制性GB29518-2013附录G

展开阅读全文
相关资源
猜你喜欢
相关搜索

当前位置:首页 > 行业资料 > 石油、天然气工业

copyright@ 2008-2023 1wenmi网站版权所有

经营许可证编号:宁ICP备2022001189号-1

本站为文档C2C交易模式,即用户上传的文档直接被用户下载,本站只是中间服务平台,本站所有文档下载所得的收益归上传人(含作者)所有。第壹文秘仅提供信息存储空间,仅对用户上传内容的表现方式做保护处理,对上载内容本身不做任何修改或编辑。若文档所含内容侵犯了您的版权或隐私,请立即通知第壹文秘网,我们立即给予删除!