钢骨架塑料复合管道材料技术要求.docx

上传人:p** 文档编号:290430 上传时间:2023-04-28 格式:DOCX 页数:5 大小:32.82KB
下载 相关 举报
钢骨架塑料复合管道材料技术要求.docx_第1页
第1页 / 共5页
钢骨架塑料复合管道材料技术要求.docx_第2页
第2页 / 共5页
钢骨架塑料复合管道材料技术要求.docx_第3页
第3页 / 共5页
钢骨架塑料复合管道材料技术要求.docx_第4页
第4页 / 共5页
钢骨架塑料复合管道材料技术要求.docx_第5页
第5页 / 共5页
亲,该文档总共5页,全部预览完了,如果喜欢就下载吧!
资源描述

《钢骨架塑料复合管道材料技术要求.docx》由会员分享,可在线阅读,更多相关《钢骨架塑料复合管道材料技术要求.docx(5页珍藏版)》请在第壹文秘上搜索。

1、钢骨架塑料复合管道材料技术要求本次采购所有管件需带钢骨架增强,确保管道强度;卖方应根据本技术要求进行供货,并对所选材料负全部责任,计量单位一律采用中国国家法定计量单位,近三年没有客户质量投诉。管道已应用10年以上的企业或拥有磷化工业绩的企业优先考虑,卖方应完全遵循本技术要求,任何偏离必须得到买方的书面认可,严格按照买方物资需求的管件进行报价。一、供货材料的技术参数表一钢骨架塑料复合管的壁厚要求序号规格壁厚mm允许偏差mm备注1DN5010.6*1.3Q平封口2DN15012*2.0Q3DN20012.52.004DN25012.52.005DN35015230*本供货范围中的管道全部为厚壁管,

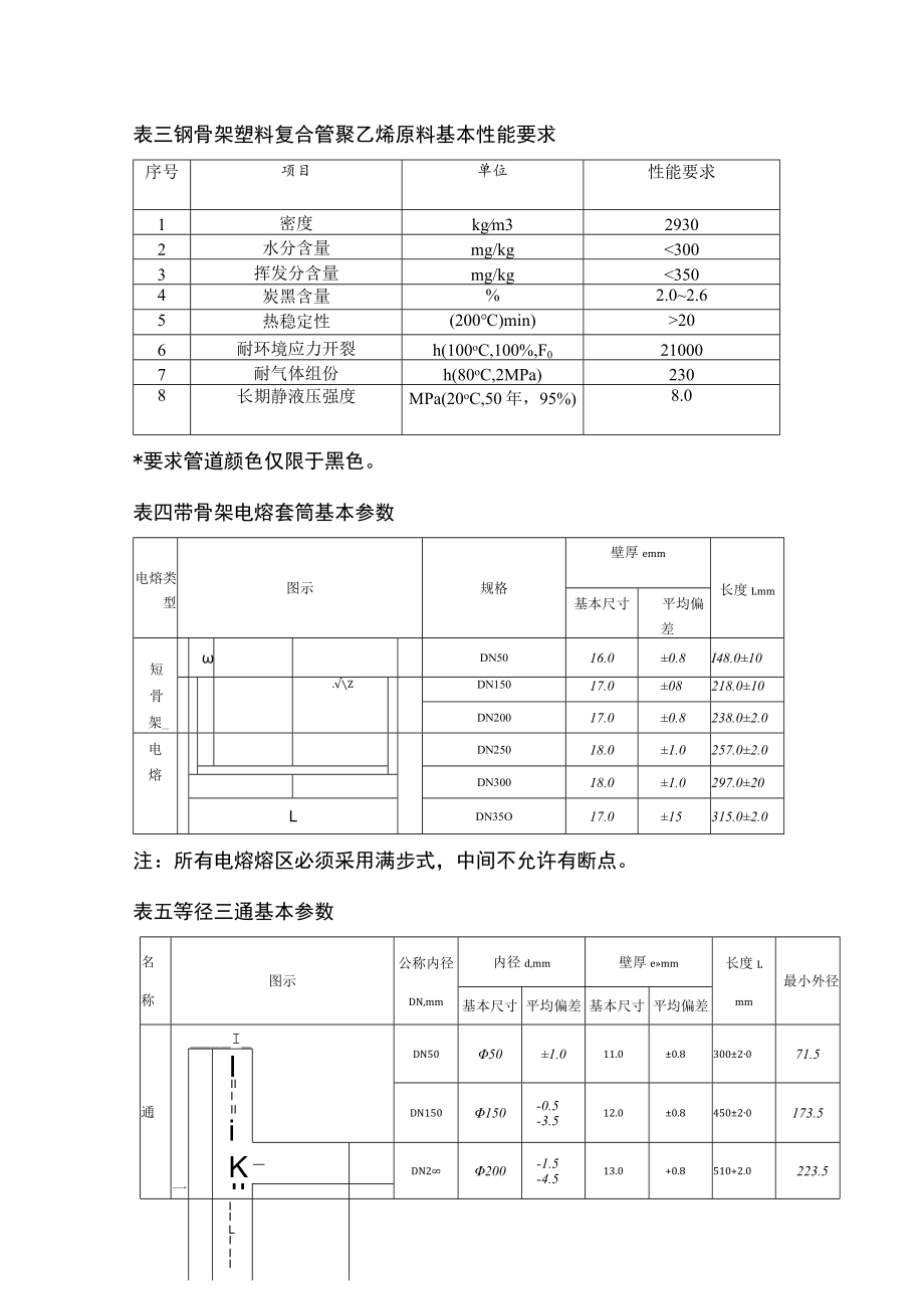
2、所供货应满足现场的使用要求。表二钢骨架塑料复合管主要技术参数要求序号参数名称单位参数指标1线膨胀系数1/35.4-35.91062纵向尺寸收缩率%0.43不圆度%54弹性模量GPa2-3520。C时热导系数W/MK0.436绝对当量粗糙度mm0.017维卡软化点117.98拉伸屈服强度MPa22-239肖氏硬度6010切口冲击强度Jmm21511弯曲糯变模量MPa800表三钢骨架塑料复合管聚乙烯原料基本性能要求序号项目单位性能要求1密度kgm329302水分含量mg/kg3003挥发分含量mg/kg206耐环境应力开裂h(100oC,100%,F0210007耐气体组份h(80oC,2MPa)

3、2308长期静液压强度MPa(20oC,50年,95%)8.0*要求管道颜色仅限于黑色。表四带骨架电熔套筒基本参数电熔类型图示规格壁厚emm长度Lmm基本尺寸平均偏差短骨架_DN5016.00.8I48.010.ZDN15017.008218.010DN20017.00.8238.02.0电熔DN25018.01.0257.02.0DN30018.01.0297.020LDN35O17.015315.02.0注:所有电熔熔区必须采用满步式,中间不允许有断点。表五等径三通基本参数名称图示公称内径DN,mm内径d,mm壁厚emm长度Lmm最小外径基本尺寸平均偏差基本尺寸平均偏差通I_DN50501

4、.011.00.83002071.5一IIIIIIiDN150150-0.5-3.512.00.845020173.5KDN2200-1.5-4.513.0+0.8510+2.0223.5IIIILIIILDN250250-2.0-6.014.0+1.0600+2.0273.5DN300300-3.0-7.014.51.56702.0323.5DN3503432.018.0+1.08802.0/表六90。弯头基本参数名称图示公称内径DN,mm内径d,mm公称壁厚e,mmL1mm最小外径(mm)基本尺寸极限偏差基本尺寸极限偏差90弯头DX50501.011.0+0.8150.02,071.5/D

5、N150150-0.5-3.512.0+0.8225.0+2.0173.5,Jr10一eDN200200-1.5-4.513.0+0.8278.0+2.0223.5DN250250-2.0-6.014.0+1.0335.02.0273.5DN300300-3.0-7.014.51.5380.02.0323.5LlDN3503432.018.01.0797二、范围:2.1卖方将提供管道材料清单中所列的材料,范围包括下列内容:A,管道及管道的选择、检验、试验和验收;B.与管道配套的法兰;C.负责电容焊管道接头热熔的施工;D.现场技术服务;E.文件资料;F.包装、运输和发运;G.材料的现场清点、检查

6、。2.1非供货范围A.管道及相应材料的保管;B.法兰联接管道的施工;三、标准规范和工程文件3.1 卖方应遵循如下最新版标准规范和H程文件的要求:工业用钢骨架聚乙稀塑料复合管、管件行业标准HG/T3690-3691-2012给水用钢骨架聚乙稀塑料复合管、管件行业标准CJ/T123-124-20163.2 当3.1条款中的各标准规范和工程文件有关要求之间发生矛盾时,卖方应在制造前向买方澄清,基本的原则是遵循较为严格的要.四、质量保证4.1卖方提供货物规格、产品质量必须符合买方提出的技术要求,并且应该是卖方现阶段所生产的同类产品中技术可靠、性能优良的产品4.2提供的文件资料应是为本项目专门编制的,且必须与实物相符。并能完全满足现场施工、检验、试验和性能考核、安全操作及维修的要求。4.3质量保证期:材料投入运行后12个月,如果由于卖方的过失,致使管道在出现缺陷或损坏时,应由卖方及时自费到现场进行免费修理或更换。修补或替换后的保证期为重新投入使用后12个月。

展开阅读全文
相关资源
猜你喜欢
相关搜索

当前位置:首页 > 建筑/环境 > 建材标准

copyright@ 2008-2023 1wenmi网站版权所有

经营许可证编号:宁ICP备2022001189号-1

本站为文档C2C交易模式,即用户上传的文档直接被用户下载,本站只是中间服务平台,本站所有文档下载所得的收益归上传人(含作者)所有。第壹文秘仅提供信息存储空间,仅对用户上传内容的表现方式做保护处理,对上载内容本身不做任何修改或编辑。若文档所含内容侵犯了您的版权或隐私,请立即通知第壹文秘网,我们立即给予删除!