防爆罐使用说明书.docx

上传人:p** 文档编号:290512 上传时间:2023-04-28 格式:DOCX 页数:2 大小:46.08KB
下载 相关 举报
防爆罐使用说明书.docx_第1页
第1页 / 共2页
防爆罐使用说明书.docx_第2页
第2页 / 共2页
亲,该文档总共2页,全部预览完了,如果喜欢就下载吧!
资源描述

《防爆罐使用说明书.docx》由会员分享,可在线阅读,更多相关《防爆罐使用说明书.docx(2页珍藏版)》请在第壹文秘上搜索。

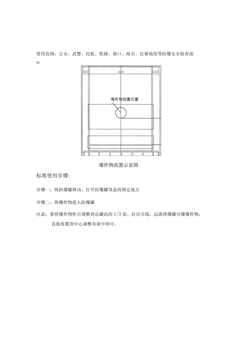
防爆罐使用说明书产品介绍产品名称:防爆罐(FBG-G1-HY)制造商:北京世纪环宇安防装备有限公司产品描述:防爆罐是一种能有效防护如手榴弹等爆炸物爆炸时产生的冲击波和破片的重要设备,可以避免或减轻对周围人员的伤害,以及对贵重仪器,文物档案和特殊公共场所的损坏,主要用于临时隔离爆炸物,临时储存及处置爆炸物品。使用范围:公安、武警、民航、铁路、港口、海关、比赛场馆等防爆安全检查部o标准使用步骤:步骤一:将防爆罐移动,打开防爆罐顶盖到预定地点步骤二:将爆炸物放入防爆罐注意:要将爆炸物炸点调整到总罐高的1/3处。拉出引线,远离排爆罐引爆爆炸物,直接放置到中心调整布袋中即可。

展开阅读全文
相关资源
猜你喜欢
相关搜索

当前位置:首页 > 建筑/环境 > 电气安装工程

copyright@ 2008-2023 1wenmi网站版权所有

经营许可证编号:宁ICP备2022001189号-1

本站为文档C2C交易模式,即用户上传的文档直接被用户下载,本站只是中间服务平台,本站所有文档下载所得的收益归上传人(含作者)所有。第壹文秘仅提供信息存储空间,仅对用户上传内容的表现方式做保护处理,对上载内容本身不做任何修改或编辑。若文档所含内容侵犯了您的版权或隐私,请立即通知第壹文秘网,我们立即给予删除!