食品加工小作坊登记证现场核查报告.docx

上传人:p** 文档编号:307644 上传时间:2023-05-13 格式:DOCX 页数:2 大小:21.19KB
下载 相关 举报
食品加工小作坊登记证现场核查报告.docx_第1页
第1页 / 共2页
食品加工小作坊登记证现场核查报告.docx_第2页
第2页 / 共2页
亲,该文档总共2页,全部预览完了,如果喜欢就下载吧!
资源描述

《食品加工小作坊登记证现场核查报告.docx》由会员分享,可在线阅读,更多相关《食品加工小作坊登记证现场核查报告.docx(2页珍藏版)》请在第壹文秘上搜索。

1、食品加工小作坊登记证现场核查报告根据中华人民共和国食品安全法及某省食品小作坊小经营店小摊点监督管理条例,核查组于年_月一日对进行了现场核查,结果如下:一、现场核查结论(一)现场核查正常开展,经综合评价,本次现场核查的结论是:序号食品类别类别名称品种明细执行标准及标准编号核查结论1(二)因申请人的下列原因导致现场核查无法正常开展,本次现场核查的结论判定为未通过现场核查: 不配合实施现场核查;口现场核查时生产设备设施不能正常运行;口存在隐瞒有关情况或提供虚假申请材料; 因申请人的其他主观原因。(三)因下列原因导致现场核查无法正常开展,中止现场核查:口因不可抗力原因,或其他客观原因导致现场核查无法正

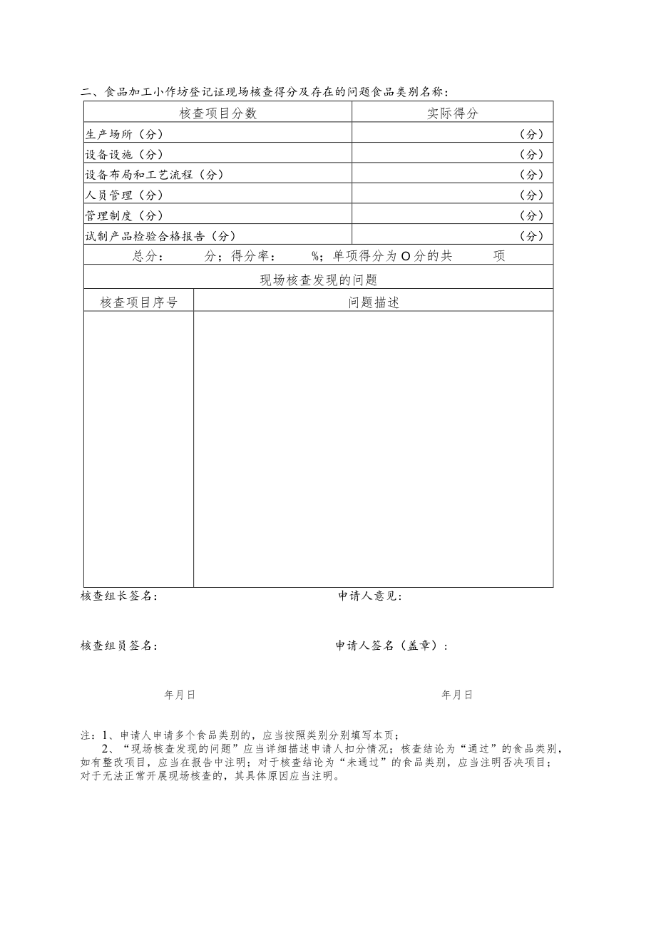
2、常开展的; 因申请人涉嫌食品安全违法且被食品药品监督管理部门立案调查的。申请人意见:核查组长筌名:核查组员签名:申请人签名(盖章):二、食品加工小作坊登记证现场核查得分及存在的问题食品类别名称:核查项目分数实际得分生产场所(分)(分)设备设施(分)(分)设备布局和工艺流程(分)(分)人员管理(分)(分)管理制度(分)(分)试制产品检验合格报告(分)(分)总分:分;得分率:%;单项得分为O分的共项现场核查发现的问题核查项目序号问题描述核查组长签名:申请人意见:核查组员签名:申请人签名(盖章):年月日年月日注:1、申请人申请多个食品类别的,应当按照类别分别填写本页;2、“现场核查发现的问题”应当详细描述申请人扣分情况;核查结论为“通过”的食品类别,如有整改项目,应当在报告中注明;对于核查结论为“未通过”的食品类别,应当注明否决项目;对于无法正常开展现场核查的,其具体原因应当注明。

展开阅读全文
相关资源
猜你喜欢
相关搜索

当前位置:首页 > 行业资料 > 食品饮料

copyright@ 2008-2023 1wenmi网站版权所有

经营许可证编号:宁ICP备2022001189号-1

本站为文档C2C交易模式,即用户上传的文档直接被用户下载,本站只是中间服务平台,本站所有文档下载所得的收益归上传人(含作者)所有。第壹文秘仅提供信息存储空间,仅对用户上传内容的表现方式做保护处理,对上载内容本身不做任何修改或编辑。若文档所含内容侵犯了您的版权或隐私,请立即通知第壹文秘网,我们立即给予删除!