甘肃东兴铝业有限公司陇西分公司全石墨质阴极炭块供货技术协议.docx

上传人:p** 文档编号:309988 上传时间:2023-05-16 格式:DOCX 页数:5 大小:21.61KB
下载 相关 举报
甘肃东兴铝业有限公司陇西分公司全石墨质阴极炭块供货技术协议.docx_第1页
第1页 / 共5页
甘肃东兴铝业有限公司陇西分公司全石墨质阴极炭块供货技术协议.docx_第2页
第2页 / 共5页
甘肃东兴铝业有限公司陇西分公司全石墨质阴极炭块供货技术协议.docx_第3页
第3页 / 共5页
甘肃东兴铝业有限公司陇西分公司全石墨质阴极炭块供货技术协议.docx_第4页
第4页 / 共5页
甘肃东兴铝业有限公司陇西分公司全石墨质阴极炭块供货技术协议.docx_第5页
第5页 / 共5页
亲,该文档总共5页,全部预览完了,如果喜欢就下载吧!
资源描述

《甘肃东兴铝业有限公司陇西分公司全石墨质阴极炭块供货技术协议.docx》由会员分享,可在线阅读,更多相关《甘肃东兴铝业有限公司陇西分公司全石墨质阴极炭块供货技术协议.docx(5页珍藏版)》请在第壹文秘上搜索。

1、甘肃东兴铝业有限公司陇西分公司全石墨质阴极炭块供货技术协议需方(甲方):甘肃东兴铝业有限公司陇西分公司供方(乙方):就甘肃东兴铝业有限公司陇西分公司铝电解用阴极炭块所涉及的质量技术要求及其他使用要求进行标前技术沟通,达成一致形成以下条款:1.供货范围产品名称规格型号(mm)单位数量块数阴极炭块3390*660*480吨阴极炭块3390*700*480吨阴极炭块3390*515*450吨侧部调整块90*265*640吨侧部调整块90*290*640吨侧部调整块90*240*640吨角块640306.1231.6X90吨2.产品质量要求1.1 产品外在质量要求:按图加工,尺寸允许偏差及外观质量符合

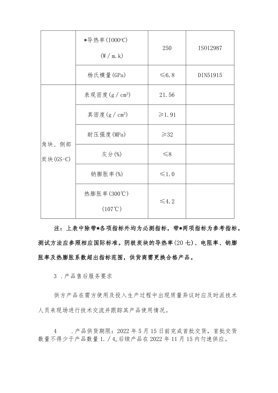
2、YS/T699规定。2.2产品理化指标要求:名称指标名称保证值检测标准阴极炭块(全石墨)体积密度(g/cmb1.62ISO12985-1耐压强度(Nmm2)22ISO18515*电阻率(IOOOoC)(.mmVm)10ISO11713电阻率(2(C)(.n2m)11ISO11713总气孔率(%)26ISO12985-2灰分(%)0.4ISO8005真密度(gcm3)22.18ISO21687钠膨胀率(%)0.2ISO15379-1抗折强度(N/mm。8.0ISO12986-1平均热膨胀率(20-950oC)(IOVoC)3.50.5ISO14420导热率(20。C)(Wm.k)2110ISO1

3、2987*导热率(IOOOoC)(Wm.k)250ISO12987杨氏模量(GPa)6.8DIN51915角块、侧部炭块(GS-C)表观密度(gcm3)21.56真密度(gcm3)1.91耐压强度(MPa)32灰分(%)8钠膨胀率(%)1.0热膨胀率(300)(107)4.2注:上表中除带*各项指标外均为必测指标,带*两项指标为参考指标。测试方法应参照相应国际标准。阴极炭块的导热率(20七)、电阻率、钠膨胀率及热膨胀系数超出指标范围,供货商需更换合格产品。3 .产品售后服务要求供方产品在需方使用及投入生产过程中出现质量异议时应及时派技术人员来现场进行技术交流并跟踪其产品使用情况。4 .产品供货

4、期限:2022年5月15日前完成首批交货,首批交货数量不得少于产品数量1.4o后续产品在2022年11月15内匀速供应。5 .产品验收5.1 数量验收:以买方过磅数量为准(包装不计重、不计价、不回收)。5.2 质量验收:物资到货后,由需方在5日内进行外在质量验收;如有外在质量问题,需方应在物资到货5日内向供方提出异议,供方应在接到异议通知3日内给予明确答复,过期则视为对异议的认可,需方可据此验收资料向卖方索赔。内在质量在货物交付后由供需双方取样送至第三方专业机构检验,检验费用由供方承担。如需在供方处取样,需方提前电话通知。检验质量不合格时按买方电解槽大修材料评判标准降价或退货处理。供方若对第三方专业机构检验有异议而要求复检,复检费用仍由供方承担。5 .3取样标准:依据铝电解用石墨质阴极炭块行业标准YS/T699进行外观质量尺寸的检查和判定,对符合外观质量的供货炭块进行理化指标检验,按每批次120吨取样。6 .协议有效期:自签订日起12个月。7 .本协议与对应合同具有同等法律效力,经双方授权代表人或委托代理人签字盖章后正式生效。需方(甲方):甘肃东兴铝业有限公司陇西分公司需方(甲方)授权代表或委托代理人:签订日期:2022年月日供方(乙方):供方(乙方)授权代表或委托代理人:签订日期:2022年月日

展开阅读全文
相关资源
猜你喜欢
相关搜索

当前位置:首页 > 办公文档 > 调研文书

copyright@ 2008-2023 1wenmi网站版权所有

经营许可证编号:宁ICP备2022001189号-1

本站为文档C2C交易模式,即用户上传的文档直接被用户下载,本站只是中间服务平台,本站所有文档下载所得的收益归上传人(含作者)所有。第壹文秘仅提供信息存储空间,仅对用户上传内容的表现方式做保护处理,对上载内容本身不做任何修改或编辑。若文档所含内容侵犯了您的版权或隐私,请立即通知第壹文秘网,我们立即给予删除!