第十节在建项目主要工程情况表编制工程文档范本.docx

上传人:p** 文档编号:312701 上传时间:2023-05-18 格式:DOCX 页数:1 大小:16.58KB
下载 相关 举报
第十节在建项目主要工程情况表编制工程文档范本.docx_第1页
第1页 / 共1页
亲,该文档总共1页,全部预览完了,如果喜欢就下载吧!
资源描述

《第十节在建项目主要工程情况表编制工程文档范本.docx》由会员分享,可在线阅读,更多相关《第十节在建项目主要工程情况表编制工程文档范本.docx(1页珍藏版)》请在第壹文秘上搜索。

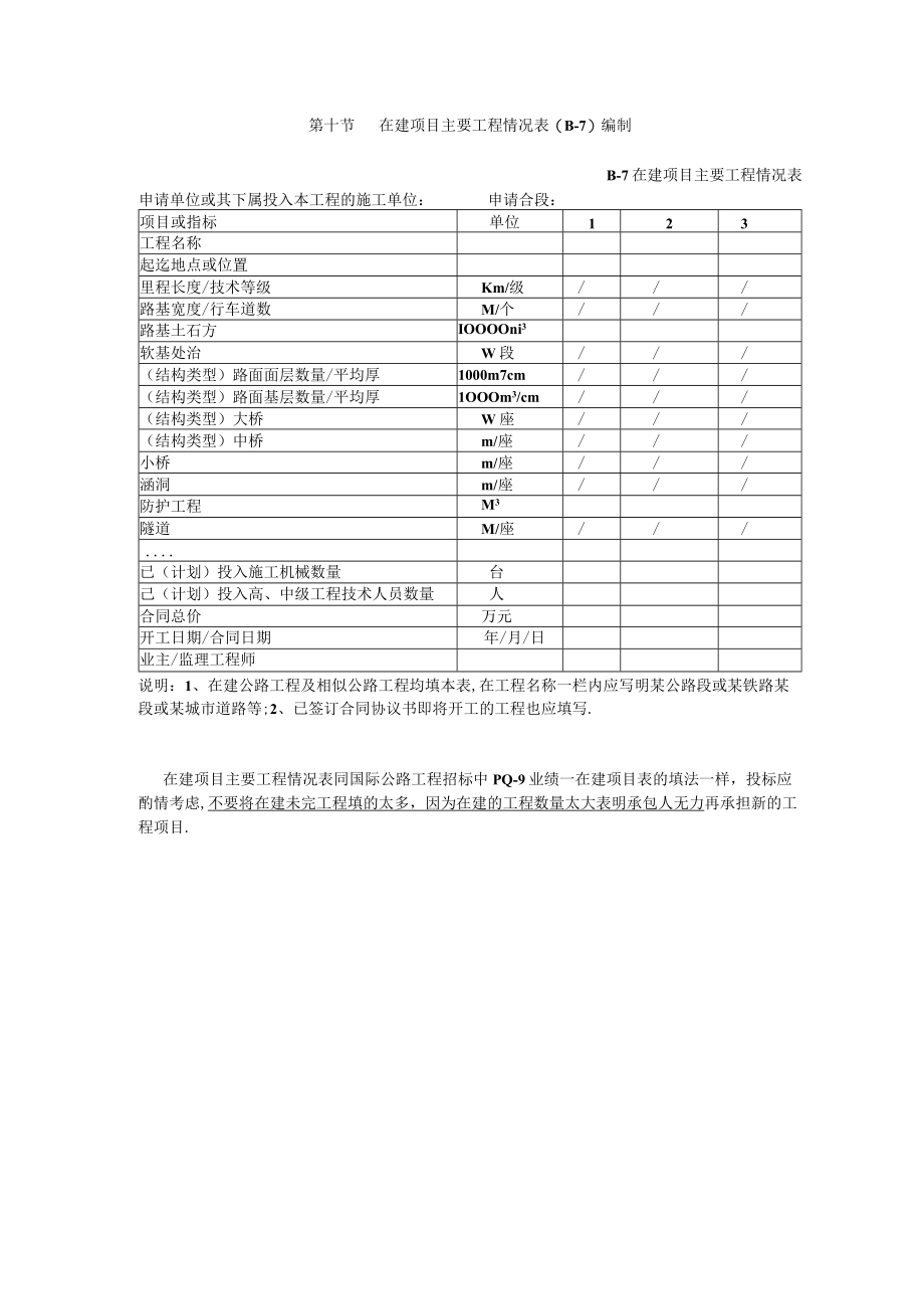
第十节在建项目主要工程情况表(B-7)编制B-7在建项目主要工程情况表申请单位或其下属投入本工程的施工单位:申请合段:项目或指标单位123工程名称起迄地点或位置里程长度/技术等级Km/级/路基宽度/行车道数M/个/路基土石方IOOOOni3软基处治W段/(结构类型)路面面层数量/平均厚1000m7cm/(结构类型)路面基层数量/平均厚1OOOm3/cm/(结构类型)大桥W座/(结构类型)中桥m/座/小桥m/座/涵洞m/座/防护工程M3隧道M/座/已(计划)投入施工机械数量台己(计划)投入高、中级工程技术人员数量人合同总价万元开工日期/合同日期年/月/日业主/监理工程师说明:1、在建公路工程及相似公路工程均填本表,在工程名称一栏内应写明某公路段或某铁路某段或某城市道路等;2、已签订合同协议书即将开工的工程也应填写.在建项目主要工程情况表同国际公路工程招标中PQ-9业绩一在建项目表的填法一样,投标应酌情考虑,不要将在建未完工程填的太多,因为在建的工程数量太大表明承包人无力再承担新的工程项目.

展开阅读全文
相关资源
猜你喜欢
相关搜索

当前位置:首页 > 建筑/环境 > 工程造价

copyright@ 2008-2023 1wenmi网站版权所有

经营许可证编号:宁ICP备2022001189号-1

本站为文档C2C交易模式,即用户上传的文档直接被用户下载,本站只是中间服务平台,本站所有文档下载所得的收益归上传人(含作者)所有。第壹文秘仅提供信息存储空间,仅对用户上传内容的表现方式做保护处理,对上载内容本身不做任何修改或编辑。若文档所含内容侵犯了您的版权或隐私,请立即通知第壹文秘网,我们立即给予删除!