给水管道装置拆除实施方案.docx

上传人:p** 文档编号:312756 上传时间:2023-05-18 格式:DOCX 页数:8 大小:22.44KB
下载 相关 举报
给水管道装置拆除实施方案.docx_第1页
第1页 / 共8页
给水管道装置拆除实施方案.docx_第2页
第2页 / 共8页
给水管道装置拆除实施方案.docx_第3页
第3页 / 共8页
给水管道装置拆除实施方案.docx_第4页
第4页 / 共8页
给水管道装置拆除实施方案.docx_第5页
第5页 / 共8页
给水管道装置拆除实施方案.docx_第6页
第6页 / 共8页
给水管道装置拆除实施方案.docx_第7页
第7页 / 共8页
给水管道装置拆除实施方案.docx_第8页
第8页 / 共8页
亲,该文档总共8页,全部预览完了,如果喜欢就下载吧!
资源描述

《给水管道装置拆除实施方案.docx》由会员分享,可在线阅读,更多相关《给水管道装置拆除实施方案.docx(8页珍藏版)》请在第壹文秘上搜索。

1、给水管道拆除施工方案一、工程简介(一)、工程概况Sl线桐岭车辆段,段内DN2000废弃原水管拆除工程,管道平均埋深2m,管径2000mm.(二)、拆除管道数量及规格如下:序号型号数量管道数量合计1DN20002DN18003二、具体人员安排1、项目经理:负责工程的全面施工管理,是项目施工的总指挥,是质量管理、安全生产、组织协调、施工总部署、决策的第一责任人。2、技术管理负责人:根据设计文件和图纸要求全面负责施工中技术问题,并结合现场施工的实际情况给出合理化建议.3、质量管理负责人:严格贯彻执行工程质量检验标准,根据工程施工的具体情况负责工程的检查验收,对质量验收资料进行整理、填报。4、材料设备

2、供应负责人:负责领取、存放、管理、分发合格的设备、器材、工具和原材料:对设备、器材的有关合格证、说明书、检查验收鉴定文件进行整理,归档,材料的合格证、化验单、鉴定书要及时整理,形成材料质量证明文件。5、安全施工负责人:负责现场的文明施工、安全施工、安全检查和安全教育:杜绝安全事故的发生,对安全施工工作提出有效措施和办法及奖罚细则,保证安全施工。三、施工准备1、施工技术准备施工前,先对施工合同,施工图纸、技术规范等进行熟悉,对于施工图纸上不明白的地方,待进行图纸会审及设计技术交底时提出并解决,同时编制相应的施工方案及技术交底。2、施工场地安排及施工机具准备1、施工场地的安排:管道拆除的场地应进行

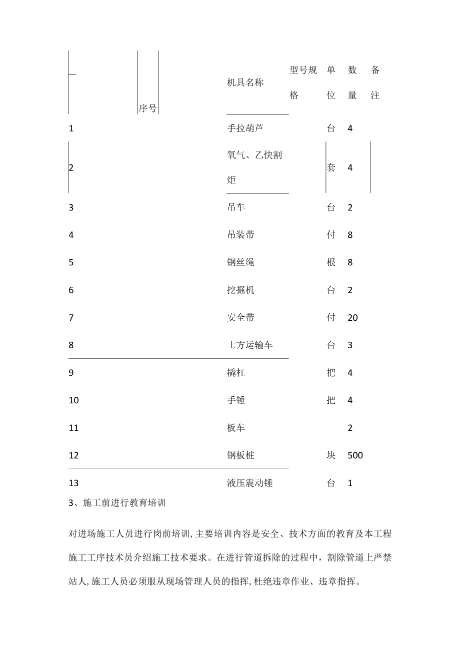
3、实地察看,保证施工人员的安全。2、施工机具准备根据工程情况进行管道拆除所使用的施工机具一览表如下:施工机具一览表序号机具名称型号规格单位数量备注1手拉葫芦台42氧气、乙快割炬套43吊车台24吊装带付85钢丝绳根86挖掘机台27安全带付208土方运输车台39撬杠把410手锤把411板车212钢板桩块50013液压震动锤台13、施工前进行教育培训对进场施工人员进行岗前培训,主要培训内容是安全、技术方面的教育及本工程施工工序技术员介绍施工技术要求。在进行管道拆除的过程中,割除管道上严禁站人,施工人员必须服从现场管理人员的指挥,杜绝违章作业、违章指挥。四、主要施工步骤1、施工程序:拆除场地检查以及悬挂

4、警示标志好沟槽钢板桩支护好开挖管道沟槽玲工作人员戴好安全防护器具3开始割除管道玲用吊装带固定好被割除的管道-经吊车运送至板车玲经板车运送到指定位置3回填沟槽。2、拆除前准备工作1)、与管线产权单位联系,切断管线与原装置联系。2)施工放样与定位(1)将施工区域控制点标明并经过复核无误后加以有效保护。(2)定桩位:按顺序标明钢板桩的具体桩位,洒灰线标明。3)、管道开孔,排出残留液体、泄压。在管道拆除区域内,应留出安全距离,做好相应的警示标示。4)、所有机械、器具准备就绪。3、拆除工作1)、拆除作业要设专人指挥,各个工种都应服从统一指挥,协调作业。2)、根据现场土质以及开挖深度确定沟槽设置钢板桩支撑

5、,防止沟槽塌方、变形。(1)钢板桩打设:优先采用静力压桩,打设困难时再考滤采用振动沉桩。(2)锁口内应填充油脂等润滑油。遇地下水丰富而难以排除路段,钢板桩组拼时,在锁口内填充防水混合料,咬合的锁口再用棉絮、油灰嵌缝严密。3)、基坑开挖基坑开挖应遵循开槽支撑,先撑后挖,分层开挖,严禁超挖的原则。基坑周围地面设置临时排水沟,应避免漏水、渗水进入坑内。基坑开挖过程中应采取措施防止碰撞支护结构、工程桩或扰动基底原状土。发现异常情况时,应立即停止挖土,并应立即查清原因和采取措施,方能继续挖土。沟底预留足够的工作面,然后人工把管底土方清理干净。挖出土方先放置临时场地待回填。4)、开挖土方至管线全部暴露后,

6、选择一处地势较高处,使用锯弓在管线上切割,在锯弓与管线切割处适当排放适量的氮气保护,作业处50米范围内无明火作业,并配备610只干粉灭火器。管线开孔作业处四周满铺防火、防静电石棉布,作业工人穿戴防静电纯棉工服,并保持现场空气流动o根据拆除长度用锯弓切割3处开口后,其他地方用氧气切割拆除。用气焊每6米一段进行切割,用氧气、乙焕割炬切割管道时,氧气和乙焕瓶的间隔距离应该保证在8米以上,防止发生危险事故。5)割除时禁止作业人员站立或骑坐在管道上,防止发生危险事故。6)割除完成的管道在起吊时,应该悬挂一根绳索,以便控制管道吊起的方向而不撞坏其他的管道或设备。7),拆除下来的管道,有许多锐利的边角,在搬

7、运过程中容易发生扎伤,刺伤及碰撞等机械事故的伤害,应该注意防护.8) o拆除工作完成后,拔除钢板桩,回填沟槽,并整平。4、发现问题的应急措施1) .如在拆除过程中出现钢丝绳断股,吊装带撕裂等情况,应立即停止割除作业,将人员第一时间撤离现场,待更换相应的工具后,视现场情况再进行处理。2) ,割除过程中,发现输送氧气和乙块的管道发生泄漏时,应立即停止割除作业,关闭泄漏管道的阀门,更换相应的管道并检查后进行施工。5、安全文明施工认真贯彻执行各项安全规定,坚持“安全第一、预防为主”的方针,在施工中建立健全的安全保障体系,落实各级安全责任制,实行安全、文明施工。按有关规定和本工程的特点,采取严格的安全防

8、护措施。严格执行安全交底制度,接受安监人员的检查。加强现场安全文明生产,必须保证施工现场整洁,按需进料,设备材料摆放有序,不堵塞通道,做到工完料尽场地清.五、应急预案1、目的为及时有效的处理事故,防止事故恶化,减少损失,制定本预案.2、组织网络及职责由项目负责人、安全员、材料员等成立应急小组。项目负责人同志任应急小组组长。组员:、等具体分工如下:1)、负责事故现场的总协调及对外信息联络.2)、责现场事故情况,组织人员疏散,做好现场警戒,随时将情况汇报给项目经理。3)、负责现场,掌握了解事故情况,组织现场抢救;4)、负责联络,根据应急指挥小组命令,及时布置现场抢救,保持与当地建设行政主管部门及安全生产监督部门等单位的沟通;5)、负责维持现场秩序,做好当事人及周围人员的问讯记录;6)、负责妥善处理好善后工作,负责保持与当地相关部门的沟通联系。7)、负责抢险物资材料的准备、机械车辆的调度分配3、应急措施1)、事故发生后在现场人员应立即停止机械的运转。组织人员抢救伤员尽快解除重物压迫,减少挤压力综合症的发生,并转移至安全地方。2)、立即拨打120急救中心电话,讲明事故地点、严重程度,并派人到路口接应,迅速转往医院。3)、及时拨打现场值班电话和通知有关负责人员.有关负责人联系电话:序号姓名职务联系方式123

展开阅读全文
相关资源
猜你喜欢
相关搜索

当前位置:首页 > 建筑/环境 > 给排水/暖通与智能化

copyright@ 2008-2023 1wenmi网站版权所有

经营许可证编号:宁ICP备2022001189号-1

本站为文档C2C交易模式,即用户上传的文档直接被用户下载,本站只是中间服务平台,本站所有文档下载所得的收益归上传人(含作者)所有。第壹文秘仅提供信息存储空间,仅对用户上传内容的表现方式做保护处理,对上载内容本身不做任何修改或编辑。若文档所含内容侵犯了您的版权或隐私,请立即通知第壹文秘网,我们立即给予删除!