(典型)一级造价工程师建设工程案例分析《土建专业》重要知识点高频考点梳理详解(34页汇编).docx

上传人:p** 文档编号:313330 上传时间:2023-05-18 格式:DOCX 页数:35 大小:145.34KB
下载 相关 举报
(典型)一级造价工程师建设工程案例分析《土建专业》重要知识点高频考点梳理详解(34页汇编).docx_第1页
第1页 / 共35页
(典型)一级造价工程师建设工程案例分析《土建专业》重要知识点高频考点梳理详解(34页汇编).docx_第2页
第2页 / 共35页
(典型)一级造价工程师建设工程案例分析《土建专业》重要知识点高频考点梳理详解(34页汇编).docx_第3页
第3页 / 共35页
(典型)一级造价工程师建设工程案例分析《土建专业》重要知识点高频考点梳理详解(34页汇编).docx_第4页
第4页 / 共35页
(典型)一级造价工程师建设工程案例分析《土建专业》重要知识点高频考点梳理详解(34页汇编).docx_第5页
第5页 / 共35页
(典型)一级造价工程师建设工程案例分析《土建专业》重要知识点高频考点梳理详解(34页汇编).docx_第6页
第6页 / 共35页
(典型)一级造价工程师建设工程案例分析《土建专业》重要知识点高频考点梳理详解(34页汇编).docx_第7页
第7页 / 共35页
(典型)一级造价工程师建设工程案例分析《土建专业》重要知识点高频考点梳理详解(34页汇编).docx_第8页
第8页 / 共35页
(典型)一级造价工程师建设工程案例分析《土建专业》重要知识点高频考点梳理详解(34页汇编).docx_第9页
第9页 / 共35页
(典型)一级造价工程师建设工程案例分析《土建专业》重要知识点高频考点梳理详解(34页汇编).docx_第10页
第10页 / 共35页
亲,该文档总共35页,到这儿已超出免费预览范围,如果喜欢就下载吧!
资源描述

《(典型)一级造价工程师建设工程案例分析《土建专业》重要知识点高频考点梳理详解(34页汇编).docx》由会员分享,可在线阅读,更多相关《(典型)一级造价工程师建设工程案例分析《土建专业》重要知识点高频考点梳理详解(34页汇编).docx(35页珍藏版)》请在第壹文秘上搜索。

1、(典型)一级造价工程师建设工程案例分析土建专业重要知识点高频考点梳理详解(34页汇编)第一章 建设项目投资估算与财务评价一、投资估算分析1、建设项目总投资构成图工程费用ifiAXBJlMlff建策、安Si工程费建设单位管理费.用地与建设项目投资固定资产投资工程造价i动资产投资J濠动金2、建设期利息建设期利息工程建设JI他费1I预鬣费V工倒隹备劣.市政公用配 套设施君.技术服务圉、 建设期计列的切袋管费工程保险授、税更本预备要价菱预备费动态投资建设期贷款利息= (年初累计借款+本年新增借款:2 ) X贷款利率其中,有效利率=(1+名义利率r/年计息次数)年计息次数-13、固定资产投资(1)工程造

2、价指固定资产投资,包括建设投资和建设期利息,不是指工程费用。(2 )固定资产投资形成三产一税,固定资产、无形资产、其他资产和建设期可抵扣进项税。(3)固定资产投资的计算,将直接影响财务分析中的折旧、摊销,因此若出现错误会导致蝴蝶效应。(4 )年折旧二固定资产X ( I-残值率)/使用年限4、流动资金估算方法(1)扩大指标估算法项目的流动资金=拟建项目年产量X单位产量占用流动姿金的数额(2 )分项详细估算法序号项目名称计算公式流动资产流动资产=应收账款+现金+存货+预付账款1应收账款应收账款二年经营成本年周转次数2现金(年工资福利费+年其他费)年周转次数3存货外购原材料、燃料+在产品+产成品3.

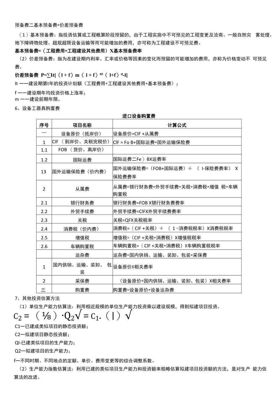
3、1外购原材料、燃料外购原材料、燃料二年外购原材料、燃料动力费年周转次数3.2在产品在产品=(年工资福利费+年其他制造费+年外购原料燃料费 +年修理费)年周转次数3.3产成品产成品二年经营成本年周转次数4预付账款预付账款二年预付账款年周转次数流动负债流动负债;应付账款+预收账款1应付账款年外购原材料、燃料、动力费年周转次数2预收账款年预收账款年周转次数流动资金流动资金=流动资产-流动负债5、预备费预备费二基本预备费+价差预备费(1)基本预备费:指投资估算或工程概算阶段预留的,由于工程实施中不可预见的工程变更及洽商、一般自然灾 害处理、地下障碍物处理、超规超限设备运输等而可能增加的费用,亦可称为工

4、程建设不可预见费。基本预备费=(工程费用+工程建设其他费用)X基本预备费率(2)价差预备费:指为在建设期内利率、汇率或价格等因素的变化而预留的可能增加的费用,亦称为价格变动不 可预见费。价差预备费 P=It(l + f)m( l + f)05( l+f)tl-lIt 一一建设期第t年的投资计划额(工程费用+工程建设其他费用+基本预备费);f 一一建设期年均投资价格上涨率;m 一一建设前期年限。6、设备工器具购置费进口设备购置费序号项目名称计算公式设备原价(抵岸价)设备原价=CIF +从属费1CIF (到岸价、关税完税价)ClF = Fo B+国际运费+国外运输保险费1.1FOB (货价、离岸价

5、)1.2国际运费国际运费二Fe)BX运费率13国外运输保险费(价内费)国外运输保险费=(FOB+国际运费) ( I-保险费费率) X保险费费率2从属费从属费=银行财务费+外贸手续费+关税+消费税+增值 税+车辆购置税2.1银行财务费银行财务费=FOB X银行财务费费率2.2外贸手续费外贸手续费=ClFX外贸手续费费率2.3关税关税=QFX关税税率2.4消费税(价内费)消费税=(CIF +关税) ( 1 -消费税税率)X消费税税率2.5增值税增值税=(CIF +关税+消费税)X增值税税率2.6车辆购置税车辆购置税=(ClF +关税+消费税)X车辆购置税税率运杂费运杂费=国内供销、运输、装卸、包装

6、+采保费1国内供销、运输、装卸、 包装设备原价X相关费率2采保费(设备原价+国内供销、运输、装卸、包装)X相关费率三购置费购置费=设备原价+设备运杂费7、其他投资估算方法(1)单位生产能力估算法:利用相近规模的单位生产能力投资乘以建设规模,得到拟建项目投资。c2 = ()Q2 = c1.()C1一已建成类似项目的静态投资额;C2一拟建项目静态投资额;Ql-已建类似项目的生产能力;Q2一拟建项目的生产能力;f一不同时期、不同地点的定额、单价、费用变更等的综合调整系数。(2)生产能力指数估算法:利用已建的类似项目生产能力和投资额来粗略估算拟建项目投资额的方法,是对生产 能力估算法的改进。Q=喷)f

7、1 . X生产能力指数,由于Q2Q12 ,可取X = I ;2 .其余同生产能力估算法。(3)系数估算法:以拟建项目的主体工程费或主要设备购置费为基数,以其他工程费与主体工程费(或主要设备 购置费)的百分比为系数估算项目的建设投资的方法。C = F(1+Pi+P2) + /C一拟建项目的静态投资;E一拟建项目根据当时当地价格计算的设备购置费;Pl , P2一已建成类似项目中建筑安装工程费及其他工程费等与设备购置费的比例;或已建项目各专业工程费用与 工艺设备投资的比重;fl , f2一不同时期、不同地点的定额、单价、费用变更等的综合调整系数。I 一拟建项目的其他费用。(4)综合差异系数估算法C2

8、=C1K K=Z (f1P1+f2P2+f3P3+.)Cl一已建成类似项目相关费用;C2一拟建项目相关费用;K-综合差异系数P一类似项目人、材、机、综合税费等所占比例;f一不同时期、不同地点的定额、单价、费用变更等的综合调整系数。二、财务分析1、利润与利润分配表某项目利润与利润分配表单位:万元序号项目计算方法1营业收入(含销项税额)产品单价(含税/不含税)X设计生产能力X达产率2总成本费用含税:经营成本(含税)+折旧+摊销+利息(长期借款利息、流动资金 借款利息、短期借款利息)+维持运营投资(含税)+上年末未抵扣进项 税在当年抵扣部分不含税:经营成本(不含税)+折旧+摊销+利息(长期借款利息、

9、流动 资金借款利息、短期借款利息)+维持运营投资(不含税)总成本:固定成本+可变成本3增值税销项税额进项税额3.1销项税营业收入(不含税)为计算基数3.2进项税指当年实际抵扣的进项税,包括:1 .当年经营成本对应的进项税;2 .当年维持运营投资对应的进项税;3 .上年末未抵扣进项税在当年抵扣部分(主要对应建设期可抵扣进项税 情形)4增值税附加增值税X附加税率5补贴收入补贴收入是指与收益相关的政府补贴6利润总额含税:1-234+5 ;不含税:124+57弥补以前年度亏损利润总额中用于弥补以前年度亏损的部分8应纳税所得额应纳税所得额=(6-7)9所得税所得税=(8) X所得税率10净利润(6-9

10、)净利润;利润总额-所得税11期初未分配利润上一年度末留存的利润12可供分配的利润(10+11 )可供分配的利润=净利润+期初未分配利润13提取法定盈余公积金按净利润提取=净利润X相应比例14可供投资者分配的利润(12-13 )可供投资者分配的利润=可供分配的利润-提取法定盈余公积金15应付优先股股利视企业情况填写(14 X相应比例)16提取任意盈余公积金视企业情况填写(14 X相应比例)17应付普通股股利(14-15-16)视企业情况填写18各投资方利润分配视企业情况填写其中:XX方XX方19未分配利润(17-18 )未分配利润;应付普通股股利-各投资方利润分配19.1用于还款未分配利润当未

11、分配的利润+折旧费+摊销费大于该年应还本金时,用于还款未分配 利润=当年应还本金-折旧-摊销;否则未分配利润全部还款,不足部分需 要临时借款。19.2剩余利润转下年期初未分配利润剩余利润转下年期初未分配利润=(19-19.1 )20息税前利润(EB )(利润总额+利息支出)息税前利润(EBrr)=(利润总额+利息支出)21息税折旧摊销前利润(EBITDA ) (息税前利润+折旧+摊销)息税折旧摊销前利润(EBITDA )=(息税前利润+折旧+摊销)基于利润与利润分配表的财务评价1)主要评价指标:总投资收益率(ROI)、项目资本金利润率(ROE )2)相关计算公式:总投资收益率(RoI) =正常

12、年份(或运营期内年平均)息税前利润/总投资 100%资本金净利润率(RoE)二正常年份(或运营期内年平均)净利润/项目资本金100%3 )财务评价:总投资收益率行业收益率参考值,项目可行;2、融资前投资现金流量表某拟至叁项目投资现金流量表单位:万元序号项目计算方法1现金流入1=1.1 + 1.2 + 1.3+1.41.51.1营业收入(不含销项税额)年营业收入=设计生产能力X产品单价X年生产负荷1.2销项税额根据案例背景计算(销售额X税率)13补贴收入补贴收入是指与收益相关的政府补贴1.4回收固定资产余值固定资产余值二年折旧费X (固定资产使用年限-营运期)+残值 年折旧费=(固定资产原值-残

13、值)折旧年限固定资产投资=建设投资(是否含进项税)固定资产残值二固定资产原值X残值率1.5回收流动资金各年投入的流动资金在项目期末一次全额回收2现金流出2=2.1+2.2+23+2.4+2.5+2.6+2.7+2.82.1建设投资建设投资=工程费+工程建设其他费+预备费2.2流动资金一般发生在投产期各年2.3经营成本(不含进项税额)一般发生在运营期各年2.4进项税额根据案例背景计算2.5应纳增值税额销项税额-进项税额(负值不征收,可转到下期继续扣)2.6增值税附加应纳增值税额X税金及附加税率2.7维持运营投资有些项目运营期内需投入的固定资产投资2.8调整所得税调整所得税二息税前利润(EBIT

14、) X所得税率息税前利润(EBIT)二营业收入-增值税附加-总成本费用(利息为O ) + 补贴收入=营业收入(不含税)增值税附加-经营成本-折旧费-摊销费-维 持运营投资+补贴收入总成本费用=经营成本+折旧费+摊销费+利息支出(O ) +维持运营投资 年摊销费二无形资产(或其他资产)/推销年限利息不考虑3所得税后净现金流(1-2 )各年=1-24累计所得税后净现金流量各对应年份的第3项的累计值基于项目投资现金流量表的财务评价指标1 )有三个常见指标:净现值(FNPV)、内部收益率(FIRR )、静态投资回收期或动态投资回收期(Pt或Pt)。其中, 静态投资回收期二(累计净现金流量出现正值的年份-1) + (出现正值年份上年累计净现金流量绝对值出现正值年份 当年净现金流量)动态投资回收期二(累计折现净现金流量出现正值的年份-1)

展开阅读全文
相关资源
猜你喜欢
相关搜索

当前位置:首页 > 资格/认证考试 > 建造师考试

copyright@ 2008-2023 1wenmi网站版权所有

经营许可证编号:宁ICP备2022001189号-1

本站为文档C2C交易模式,即用户上传的文档直接被用户下载,本站只是中间服务平台,本站所有文档下载所得的收益归上传人(含作者)所有。第壹文秘仅提供信息存储空间,仅对用户上传内容的表现方式做保护处理,对上载内容本身不做任何修改或编辑。若文档所含内容侵犯了您的版权或隐私,请立即通知第壹文秘网,我们立即给予删除!