公路工程塔式起重机安装验收表.docx

上传人:p** 文档编号:315097 上传时间:2023-05-22 格式:DOCX 页数:3 大小:21.53KB
下载 相关 举报
公路工程塔式起重机安装验收表.docx_第1页
第1页 / 共3页
公路工程塔式起重机安装验收表.docx_第2页
第2页 / 共3页
公路工程塔式起重机安装验收表.docx_第3页
第3页 / 共3页
亲,该文档总共3页,全部预览完了,如果喜欢就下载吧!
资源描述

《公路工程塔式起重机安装验收表.docx》由会员分享,可在线阅读,更多相关《公路工程塔式起重机安装验收表.docx(3页珍藏版)》请在第壹文秘上搜索。

1、公路工程塔式起重机安装验收表建设项目:监理单位:工程名称:施工单位:工程名称施工单位项目负责人分包单位分包负责人安装单位安装资格情况检测单位资质证号设备名称规格型号出厂编号自编号安装高度m回转半径m最大起重量安装时间年月日验收时间年月日负荷试验项目最大幅度检验记录结论半径(m)吊重(t)满负荷100%静负荷125%(只对新机初安装时进行)动负荷110%序号检查项目检查内容与要求实测实量实查验收结果资料部分起重机械基础(隐蔽工程)验收记录塔式起重机垂直度测量记录经审批的安装(拆除)方案有健全的安全管理制度和岗位责任制有荷载警示标志牌,限载标志牌,操作规程牌,司机、指挥人定机牌,验收合格牌齐全司机

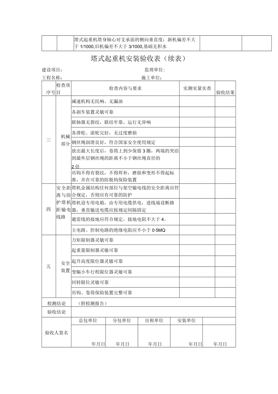
2、、指挥人员已接受技术交底、进厂教育并经培训持证上岗资料础础有基础设计图,按图纸放线定位地基持力层情况是否与方案一致混凝土强度等级是否符合要求钢筋是否符合设计要求预埋件(螺栓)定位尺寸,误差:J+1断面尺寸是否符合要求,误差:-8+5基础顶面标高是否符合要求,基础水平度误差,()()()()二结构部分各结构防腐好,主要受力构件断面腐蚀深度应不大于原尺寸的10%各部连接螺栓、销、轴紧固牢靠安全防护装置安装齐全塔式起重机塔身轴心对支承面的侧向垂直度:新机偏差不大于1/1000,旧机偏差不大于3/1000,基础无积水塔式起重机安装验收表(续表)建设项目:监理单位:工程名称:施工单位:序号检查项目检查内

3、容与要求实测实量实查验收结果三机械部分减速机构无民响、无漏油各刹车装置灵敏可靠联轴器无裂纹,联结牢靠,运行无异响各滑轮、滚轮完好,无过度磨损钢丝绳润滑良好,符合国家安全使用规定放出最大长度后,卷筒上到少保留3圈,两端的突沿到最外层钢丝绳的距离不小于钢丝绳直径的2倍吊钩不得有裂纹,不得焊补,磨损和变形不得起标准,并在可靠的防脱钩保险装置四安全距离与防护塔机距输电线路塔机金属结构任何部位与架空输电线的安全距离应符合规定,否则应有可靠的防护塔机设专用电箱,由专用电缆供电,进线端设断路器,垂直输送电缆应按规定间隔固定避雷线的接地应符合规定,接地电阻不大于4。主电路、控制电路的绝缘电阻应不小于05MQ五安全装置力矩限制器灵敏可靠起重量限制器灵敏可靠起升高度限位器灵敏可靠变幅小车行程限位器灵敏可靠回转限位灵敏可靠吊钩、卷筒保险装置完整可靠检测结论(附检测报告)验收结论验收人签名总包单位分包单位出租单位安装单位年月日年月日年月日年月日年月日监理单位意见:专业监理工程师:

展开阅读全文
相关资源
猜你喜欢
相关搜索

当前位置:首页 > 建筑/环境 > 公路与桥梁

copyright@ 2008-2023 1wenmi网站版权所有

经营许可证编号:宁ICP备2022001189号-1

本站为文档C2C交易模式,即用户上传的文档直接被用户下载,本站只是中间服务平台,本站所有文档下载所得的收益归上传人(含作者)所有。第壹文秘仅提供信息存储空间,仅对用户上传内容的表现方式做保护处理,对上载内容本身不做任何修改或编辑。若文档所含内容侵犯了您的版权或隐私,请立即通知第壹文秘网,我们立即给予删除!