柴油发电机组采购询价文件.docx

上传人:p** 文档编号:315994 上传时间:2023-05-22 格式:DOCX 页数:20 大小:49.15KB
下载 相关 举报
柴油发电机组采购询价文件.docx_第1页
第1页 / 共20页
柴油发电机组采购询价文件.docx_第2页
第2页 / 共20页
柴油发电机组采购询价文件.docx_第3页
第3页 / 共20页
柴油发电机组采购询价文件.docx_第4页
第4页 / 共20页
柴油发电机组采购询价文件.docx_第5页
第5页 / 共20页
柴油发电机组采购询价文件.docx_第6页
第6页 / 共20页
柴油发电机组采购询价文件.docx_第7页
第7页 / 共20页
柴油发电机组采购询价文件.docx_第8页
第8页 / 共20页
柴油发电机组采购询价文件.docx_第9页
第9页 / 共20页
柴油发电机组采购询价文件.docx_第10页
第10页 / 共20页
亲,该文档总共20页,到这儿已超出免费预览范围,如果喜欢就下载吧!
资源描述

《柴油发电机组采购询价文件.docx》由会员分享,可在线阅读,更多相关《柴油发电机组采购询价文件.docx(20页珍藏版)》请在第壹文秘上搜索。

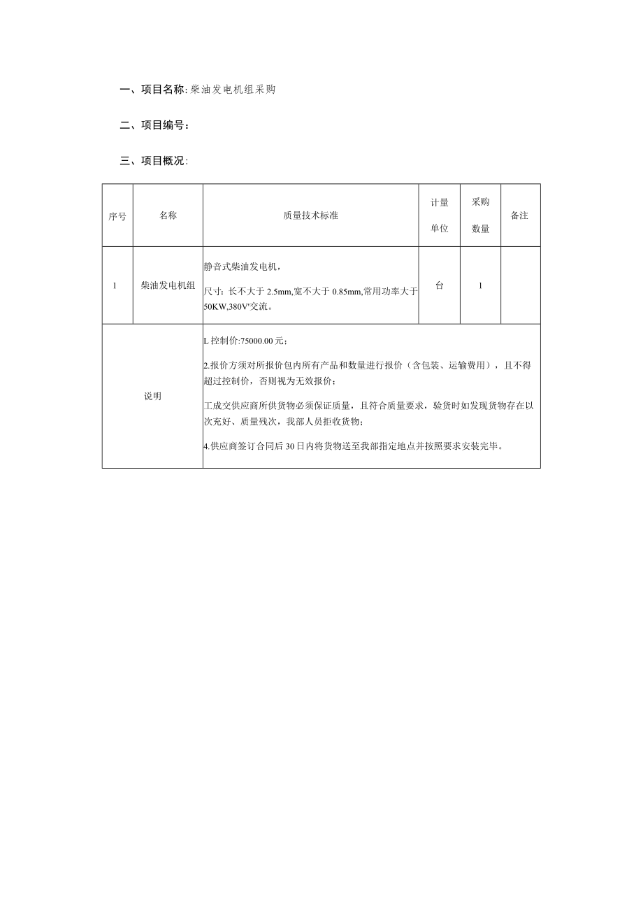
1、柴油发电机组采购询价文件某某采购站二。二二年一月第一部分询价邀请书我部就以下项目进行询价采购,欢迎贵单位参加报价。一、项目名称:柴油发电机组采购二、项目编号:三、项目概况:序号名称质量技术标准计量单位采购数量备注1柴油发电机组静音式柴油发电机,尺寸:长不大于2.5mm,宽不大于0.85mm,常用功率大于50KW,380V交流。台1说明L控制价:75000.00元;2.报价方须对所报价包内所有产品和数量进行报价(含包装、运输费用),且不得超过控制价,否则视为无效报价;工成交供应商所供货物必须保证质量,且符合质量要求,验货时如发现货物存在以次充好、质量残次,我部人员拒收货物;4.供应商签订合同后3

2、0日内将货物送至我部指定地点并按照要求安装完毕。四、供应商奥格条件:(一)符合中华人民共和国政府采购法第二十二条资格条件:1 .具有独立承担民事责任的能力;2 .具有良好的商业信誉和健全的财务会计制度;3 .具有履行合同所必需的设备和专业技术能力;4 .有依法缴纳税收和社会保障资金的良好记录;5 .参加政府采购活动前3年内,在经营活动中没有重大违法记录;6 .法律、行政法规规定的其他条件。(二)供应商为非外资独资或外资控股企业。(三)单位负责人为同一人或者存在直接控股、管理关系的不同供应商,不得同时参加同一包的采购活动。生产型企业生产场地为同一地址的,销售型企业之间股东有关联的,一律视为有直接

3、控股、管理关系。供应商之间有上述关系的,应主动声明,否则将给予列入不良记录名单、3年内不得参加本单位采购活动的处罚。(四)本项目不接受联合体报价。(五)营业执照经营范围包含本项目采购物资。五、询价文件下载时间下载时间:2022年叱月组日至叱月30.0坨时分(北京时间)。六、报价文件递交时间、地点及方式(一)报价文件递交时间空年QL月32_日返时她分至IL时畋分(北京时间)。采购评审稍后开始。(二)报价文件递交地点:。采购评审在同一地点进行。(一)报价文件递交方式:供应商现场递交或邮寄至我站。(二)七、采购机构联系方式联系人:电话:地址:邮政编码:八、监督人联系方式联系人:电话:第二部分报价及评

4、审一、报价文件编制(一)注意事项报价方应仔细阅读询价文件,在完全了解全部内容后,依法真实编制报价文件。如果没有按照询价文件要求提交全部报价文件或者资料,没有对询价文件实质性响应,可能导致报价被否决。(二)报价文件的语言及计量单位1 .报价文件和来往信函均以中文书写。确有需要时,相关内容可以使用其他语言书写,但必须同时提供中文译文,不同语言文本报价文件的解释发生异议的,以中文译文为准。2 .报价文件中所使用的计量单位,除询价文件中有特殊要求外,均采用国家法定计量单位。(三)报价文件组成(包括2部分:报价书、资格证明文件)1 .报价书包括(D报价一览表(附件D(2)报价函(附件2)(3)保密承诺书

5、(附件3)(4)售后服务承诺书2.资格证明文件包括(除必须要求原件外,其他资料原件和复印件均可):(1)营业执照副本(2)组织机构代码证副本(3)税务登记证副本(或以上三证合一的营业执照副本,复印件)(4)法定代表人资格证明书(原件,附件4)(5)法定代表人授权书(原件,附件5,根据需要提供)(6)供应商承诺书(原件,附件6)(7)近三年无重大违法记录声明及近三年无重大质量安全事故的书名声明(8)报价方认为需要加以说明的其他内容二,报价文件递交(一)报价文件密封及标记1 .报价书、资格证明文件的正本1份和副本1份统一装入密封袋内,封口处应当有报价方单位公章,封面上注明“项目名称、项目编号、报价

6、方名称”字样。2 .报价方应当在询价文件明确的递交报价文件截止当日,将报价文件送达采购机构指定地点。逾期递交的报价文件,采购机构将拒收。3 .电报、电话、电传等形式的报价文件概不接受。4 .报价文件未按要求密封、标记的,采购机构有权拒收。(二)供应商商家可不到评审现场参加评审三、询价评审(一)报价方不足3家的不得开始询价。(二)评审1 .询价小组采购机构根据规定组建询价小组,其成员由技术、经济等方面的专家和采购机构代表组成,不得少于3人,对报价文件进行评审。2 .评审原则(1)评审工作严格遵守公平、公正、择优的原则;(2)对所有响应询价文件实质性要求的供应商一视同仁;(3)根据符合采购需求、质

7、量和服务相等且报价最低的原则确定成交供应商。3 .评审方法最低价法。技术和商务评审合格的报价视为有效报价,按照报价由低到高顺序排列,报价相同的,按照技术指标优劣顺序排列,以提出最低报价的报价方作为预成交供应商O询价小组认定为低价恶意竞争的视为无效报价。技术和商务评审标准,采购机构依据相关物资采购评审管理办法进行。第三部分合同样本采购合同需方(甲方):(盖章)合同编号:签订时间:供方(乙方):(盖章)签订地点:经甲乙双方协商一致,订立本合同,以便共同遵守。一、物资名称、规格型号、数量、单价、金额:金额单位:序号物资名称品牌型号质量标准计量单位数量单价金额交货时间合计人民币(大写):(小写):备注

8、:二、质量要求及技术标准所供货物必须符合询价文件要求的技术要求,且必须保证质量。三、交货地点及方式交货地点:;交货方式:不接受快递、物流,乙方需指派人员现场与甲方人员交接货物。四、包装标准及要求、费用负担包装标准及要求:乙方需对货物妥善包装,确保到货、甲方运输过程中货物不受损坏;费用负担:乙方承担。五、运输方式及要求、费用负担运输方式及要求:1 .除快递、物流以外的其他运输方式,且到货后,乙方需指派人员现场与甲方人员交接货物;2 .乙方需在签订合同后组日内将货物送至甲方指定地点并安装调试完毕。费用负担:乙方承担货物自交接至甲方前的运输费用。六、验收标准、方法、证明文件及提出异议期限验收标准:以

9、询价文件所列技术要求为准,且所供货物必须保证质量;验收方法:货物到货后由甲方相关人员现场验收,验收合格后,乙方开始安装调试;提出异议期限:自货物交接之日起,30日内,甲方如发现乙方货物不符合相关标准.可提出异议,乙方无条件对存在异议的货物进行更换。七、结算方式及期限1 .签订合同后,乙方负责按照合同要求准备所需物资,到货后,乙方要出具税务部门认可的相关票据;2 .货物到货且验收无质量问题,甲方边仝工隹旦内支付全部货款。八、保修期限及售后服务保修期限:本次供货产品质保期:年,通过甲方及有关部门验收合格之日起计。在货物出现质量问题时,乙方在接到丙方通知后,保证在小时内响应,派专人到达现场进行更换或

10、维修。售后服务:在质保期内,乙方应对货物出现的质量及安全问题负责处理解决,并承担一切费用;(报价文件所列其他内容)。九、违约责任1 .甲方无正当理由拒收货物等的,向乙方偿付拒收货款总值的迷违约金;2 .乙方所交的货物品种、质量不符合合同要求标准的,甲方有权要求乙方更换或拒收,费用由乙方承担;3 .乙方逾期交付的,乙方应按逾期交货总额每日必邀向甲方支付违约金,由甲方从货款中扣除;逾期超过约定日期不能交货的,甲方可解除本供货合同;造成甲方损失的,乙方负责赔偿;4 .甲方如未按本合同的进度付款,每延迟一日,按应付而未付金额的0.5%计付违约金。十、合同争议解决方法合同各方在执行合同发生争议时,应及时

11、协商,协商不成时,可向管辖的人民法院提起诉讼。十一、不可抗力天气、自然灾害、政策变化等,以甲乙双方协商为准。十二、其他约定事项1 .合同执行中,甲方如有增加项目,与乙方协商签署书面补充协议,补充协议作为主合同不可分割的一部分;2 .本合同未尽事宜,遵照合同法有关条文执行。十三.合同组成文件下列文件为合同的组成部分:L双方在合同履行过程中达成的会议纪要、协议等文件;3 .合同正文及有关补充合同;4 .询价文件和报价文件等形成合同的其他文件。十四、合同数量本合同一式肆份,甲方执叁份,乙方执重份。十五、有效期限本合同自签字盖章后生效,至合同所有条款履行后失效。十六、合同附件需方(甲方)供方(乙方)单

12、位名称(公章):单位名称(公章):单位她址:单位地址:法定代表人:法定代表人:委托代理人:委托代理人:电话号码:电话号码:开户全称:开户全称:开户银行:开户银行:银行帐号:银行帐号:邮政编码:邮政编码:第四部分附件/报价文件格式附件1:报价一览表附件2:报价函附件3:保密承诺书附件4:法定代表人资格证明书附件5:法定代表人授权书附件6:供应商承诺书附件7:廉洁采购告知卡报价一览表供应商全称:项目名称:项目编号:单位:序号货物名称质量要求计量单位数量单价(含税)金额(含税)完成时限备注123合计总价(人民币大写):(小写):说明:金额=单价X数量,报价总价=金额之和。报价方全称:(盖章)法定代表

13、人(或授权代表):(签字或盖章)年月日报价函(采购机构名称):我方参加贵部组织的项目名称(项目编号)询价采购活动,并进行报价。一、按照询价文件规定递交报价文件(包括报价书、资格证明文件)正本L份和副本2份。二、我方已完全理解询价文件的全部内容,自愿接受并执行询价文件的全部条款。三、本报价文件有效期自询价开始之日起180日内有效。四、我方在参与询价前已仔细研究了询价文件和所有相关资料,同意询价文件的相关条款。五、我方声明报价文件及所提供的一切资料均真实无误及有效。由于我方提供资料不实而造成的责任和后果由我方承担。我方同意按照贵方提出的要求,提供与谈判有关的任何其它数据或信息。六、我方承诺自愿遵守

14、、执行相关采购管理法规制度及政策规定。七、联系方式联系人:地址:开户名称:开户银行:银行账号:报价方全称:(盖章)法定代表人(或授权代表):(签字或盖章)一年_月_日保密承诺书(采购机构名称):我方参加贵部组织的项目名称(项目编号)采购活动,根据有关保密法规制度,知悉应当承担的保密义务和法律责任。本公司承诺:一、严格遵守国家和相关保密法律法规和规章制度,履行保密义务。二、不以任何方式泄露或传播本次采购项目相关信息。三、不违规记录、存储、复制本次采购项目相关信息。四、询价文件以及相关技术文件专室放置、专盘存储、专人管理。五、未经采购机构审查批准,不得擅自在互联网、通讯媒体等发表涉及此次采购项目相关内容或资讯。违反上述承诺,愿承担一切法律责任,接受采购机构按国家和相关规定作出的相关处罚。报价方全称:(盖章)法定代表人(或授权代表):(签字或盖章)年_月_日法定代表人资格证明书(法定代表人姓名)系(报价方全称)的法定代表人。特此证明法定代表

展开阅读全文
相关资源
猜你喜欢
相关搜索

当前位置:首页 > 办公文档 > 招标投标

copyright@ 2008-2023 1wenmi网站版权所有

经营许可证编号:宁ICP备2022001189号-1

本站为文档C2C交易模式,即用户上传的文档直接被用户下载,本站只是中间服务平台,本站所有文档下载所得的收益归上传人(含作者)所有。第壹文秘仅提供信息存储空间,仅对用户上传内容的表现方式做保护处理,对上载内容本身不做任何修改或编辑。若文档所含内容侵犯了您的版权或隐私,请立即通知第壹文秘网,我们立即给予删除!