路面工程质量提升整治专项检查表.docx

上传人:p** 文档编号:319370 上传时间:2023-05-23 格式:DOCX 页数:5 大小:35.92KB
下载 相关 举报
路面工程质量提升整治专项检查表.docx_第1页
第1页 / 共5页
路面工程质量提升整治专项检查表.docx_第2页
第2页 / 共5页
路面工程质量提升整治专项检查表.docx_第3页
第3页 / 共5页
路面工程质量提升整治专项检查表.docx_第4页
第4页 / 共5页
路面工程质量提升整治专项检查表.docx_第5页
第5页 / 共5页
亲,该文档总共5页,全部预览完了,如果喜欢就下载吧!
资源描述

《路面工程质量提升整治专项检查表.docx》由会员分享,可在线阅读,更多相关《路面工程质量提升整治专项检查表.docx(5页珍藏版)》请在第壹文秘上搜索。

1、XX集团2022年度工程质量提升整治专项检查表(路面工程)序提升整治内容检查标准主控项目一般项目、规定不符合标准(/)123456789IO1112级配碎石(砾)基层和底基层配料应准确。塑性指数应满足设计要求。压实度():代表值.基层:高速公路、一级公路、其他公路.98.底基层:高速公路、一级公路、其他公路.三96;压实度(%):极值.基层高速公路、一级公路、其他公路.工94.底基层:高速公路、一级公路、其他公路:叁92弯沉值(SOlmm):基层:高速公路、一级公路、其他公路:满足设计要求;底基层:高速公路、一级公路、其他公路:满足设计要求平整度(mm):基层:高速公路、一级公路:W8.其他公

2、路:12;底基层:高速公路、一级公路:W12.其他公路:15o纵断高程(mm):基层:高速公路、一级公路:+5,-10:其他公路:+5,-15;高速公路、一级公路:+5,-15.其他公路:+5,-20.宽度(mm):基层:高速公路、一级公路、其他公路:满足设计要求:底基层:高速公路、一级公路、其他公路:满足设计要求。厚度(mm):代表值:基层:高速公路、一级公路:-8.其他公路.T0.底基层:高速公路、一级公路:T0.其他公路.72;厚度:合格值.基层:高速公路、一级公路:-10.其他公路.-20.底基层:高速公路、一级公路;-25.其他公路:-30。横坡:基层:高速公路、一级公路:土0.3.

3、其他公路:土0.5;底基层:高速公路、一级公路:土0.3.其他公路:土0.5。表面应无松散、无坑洼、无碾压轮迹。表面连续离席不得超过Ionb累计离席不得超过50m。应选择质坚干净的粒料,石灰应充分消解,矿渣应分解稳定,未分解渣块应予剔除。OOOOOOOOOOOO13路拌深度应达到层底。O14稳定粒料基层和底基层石灰类材料应处于最佳含水率状态下碾压,水泥类材料碾压终了的时间不应超过水泥的终凝时间。O15161718二;碾压检查合格后立即覆盖或洒水养护,养护期应符合规范规定。压实度(%):代表面基层:高速公路、一级公路:工98、其他公路.三97.底基层:高速公路、一级公路三96、其他公路.三95;

4、压实度(%):极值.基层高速公路、一级公路:三94.其他公路.三93.底基层:高速公路、一级公路:三94,其他公路:工91。平整度(mm):基层:高速公路、一级公路:W8.其他公路:12:底基层:高速公路、一级公路:叁12.其他公路:W15。纵断高程(mm):基层:高速公路、一级公路:+5,-10;其他公路:+5,-15;高速公路、一级公路:+5,-15.其他公路:+5,-20.宽度(mm):基层:高速公路、一级公路、其他公路:满足设计要求;底基层:高速公路、一级公路、其他公路:满足设计要求。OFOOOOr-.卜20厚度(mm):代表值:基层:高速公路、一级公路:-8.其他公路.70.底基层:

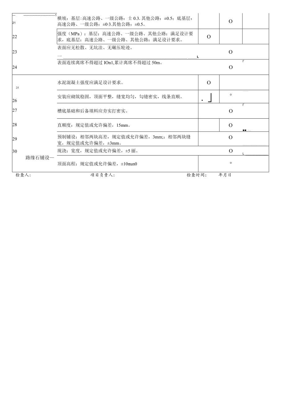
5、高速公路、一级公路:-10.其他公路.-12;厚度:合格值.基层:高速公路、一级公路:T0.其他公路.-20.底基层:高速公路、一级公路;-25.其他公路:-30。O项目名称:单位名称:211横坡:基层:高速公路、一级公路:士0.3.其他公路:0.5;底基层:高速公路、一级公路:03.其他公路:0.5。O22强度(MPa):基层:高速公路、一级公路、其他公路:满足设计要求,底基层:高速公路、一级公路、其他公路:满足设计要求。O23表面应无松散、无坑洼、无碾压轮迹。一_LO24表面连续离席不得超过IOn1,累计离席不得超过50m。O2526路缘石铺设水泥混凝土强度应满足设计要求。O安装应砌筑稳固

6、,顶面平整,缝宽均匀,勾缝密实,线条直顺。.一一一2728槽底基础和后备填料应夯实打密实。O直顺度:规定值或允许偏差,15mm。O_一.29预制铺设:相邻两块高差,规定值或允许偏差,3mm;:相邻两块缝宽,规定值或允许偏差,3mm。O30现浇:宽度,规定值或允许偏差,5丽。OL顶面高程:规定值或允许偏差,10un0检查人:项目负责人:检查时间:年月日序号提升整治内容检查标准主控项目一般项目、规定不符合标准(/)土33基层质量应符合规范规定并满足设计要求,表面清洁、无浮土。道路用沥青的品种、标号应符合国家现行有关标准和公路沥青路面南工技术规范与质量验收规范的有关规定。O|_J34沥青混合料所选用

7、的粗集料、细集料、矿粉、纤维稳定剂等的质量及规格应符合公路沥青路面施工技术规范与质量验收规范的有关规定。35热拌沥青混合料、热拌改性沥青混合料、SMA混合料,查出厂合格证、检验报告并进场复验,拌合温度、出厂温度应符合公路沥青路面施工技术规范与质量验收规范的有关规定。36矿料级配、沥青含量、马歇尔稳定度:高速公路、一级公路、其他公路:满足生产配合比要求。,3738394041424344-,4546474849505152沥青路面ffiY,圣实,蔡箍施,完话箱;福看丽显磁、施乐亵晶、脱落、烂边、油斑、掉渣等现象,不得污染其他构筑物。面层与路缘石、平石及其他构筑物应接顺,不得有积水现象。O应严格控

8、制沥青混合料拌合的加热温度。拌合后的沥青混合料应均匀、无花白、无粗细料分离和结团成块现象。OI应按规定要求控制碾压工艺,严格控制摊铺和碾压温度。压实度(%):高速公路、一级公路、其他公路:三试验室标准密度的96%(*98%);工最大理论密度的92%(*94%);工试验段密度的98%(*99%);O平整度:高速公路、一级公路:。(mm)21.2,1灯(10/1011)22.0(平整度仪)。其他公路:(mm)2.5,IRI(mkm)4.2(平整度仪),最大间隙h(mm):5(3m直尺)。O弯沉值(0.01mm):高速公路、一级公路、其他公路:叁设计验收弯沉值。渗水系数(mLmin):SMA路面:高

9、速公路、一级公路:名120;其他沥青混凝土路面:高速公路、一级公路:200,OO摩榛系数:高速公路、一级公路:满足设计要求。O构造深度:高速公路、一级公路:满足设计要求。厚度(mm):代表值:高速公路、一级公路:总厚度:-5%H,上面层:T0%h;其他公路:-8%H:合格值:高速公路、一级公路:总厚度:T0%H,上面层:-20%h;其他公路:-15%HoO一一一一I中线平面偏位(mm):高速公路、一级公路:20,其他公路:30。宽度(mm):高速公路、一级公路:有侧石:20其他公路:30。高速公路、一级公路、其他公路:无侧石:全设计值。一。纵断高程(mm):高速公路、一级公路:士15,其他公路

10、:20。横坡(%):高速公路、一级公路:0.3,其他公路:0.5。表面裂缝、松散、推挤、碾压轮迹、油丁、泛油、离析的累计长度不得超过50m。OOO路面应无积水。O一序号提升整治内容检查标准主控项目一般项目、规定不符合标准(7)53水泥混泥土面层基层质量应符合规范规定并满足设计要求,表面清洁、无浮土。SO54接缝的位置、规格、尺寸及传力杆、拉力杆的设置应满足设计要求。55弯拉强度(MPa):在合格标准内应符合公路沥青路面施工技术规范与质量质量检验评定标准的有关规定。56板厚度(mm):高速公路、一级公路、其他公路:代表值:-5,合格值:-10,极值:-15。O57平整度:高速公路、一级公路:(m

11、m)1.32,IRI(mkm)2.2fflO整度仪),最大间隙h(mm):3(3m直尺)。其他公路:(mm)至2,IRI(mkn)JJWM最大间隙h(mm):5(3m直尺)。58-59抗滑构造(mm):高速公路、一级公路:一般路段:0.7-1.1,特殊路段:0.8-1.2.其他公路:一般路段:0.5-1.0,特殊路段:0.6-1.I0O相邻板高差(mm):高速公路、一级公路:名2,其他公路:叁3。O60纵、横向顺直度(mm):高速公路、一级公路、其他公路:至10。O61中线平面偏位(mm):高速公路、一级公路、其他公路:20。O62-63路面宽度(mm):高速公路、一级公路、其他公路:20。O

12、纵断高程(mm):高速公路、一级公路:10,其他公路:15。O横坡(%):高速公路、一级公路:士0.15,其他公路:0.25。L1O面板不应有坑穴、鼓包和掉角。O接缝填注不得漏填、松脱,不应污染路面。检查人:项目负责人:检查时间:年月日序提升整治内容检查标准主控项目一般项目、规定不符合标准(7)545556575859路肩路肩表面应平整密实,无积水。O肩线应直顺,曲线圆滑。O压实度():规定值或允许偏差,不小于设计值,设计未规定时不小于90%.O平整度(mn):土路肩,规定值或允许偏差,皂20。硬路肩,规定值或允许偏差,皂10。O横坡(%):规定值或允许偏差,1.0.O宽度(mm):规定值或允许偏差,满足设计要求。O60路肩应无阻水、无杂物。O检查人:项目负责人:检查时间:年月日

展开阅读全文
相关资源
猜你喜欢
相关搜索

当前位置:首页 > 建筑/环境 > 公路与桥梁

copyright@ 2008-2023 1wenmi网站版权所有

经营许可证编号:宁ICP备2022001189号-1

本站为文档C2C交易模式,即用户上传的文档直接被用户下载,本站只是中间服务平台,本站所有文档下载所得的收益归上传人(含作者)所有。第壹文秘仅提供信息存储空间,仅对用户上传内容的表现方式做保护处理,对上载内容本身不做任何修改或编辑。若文档所含内容侵犯了您的版权或隐私,请立即通知第壹文秘网,我们立即给予删除!