钢筋加工、焊接、钢筋笼安装技术交底.docx

上传人:p** 文档编号:319394 上传时间:2023-05-23 格式:DOCX 页数:9 大小:34.54KB
下载 相关 举报
钢筋加工、焊接、钢筋笼安装技术交底.docx_第1页
第1页 / 共9页
钢筋加工、焊接、钢筋笼安装技术交底.docx_第2页
第2页 / 共9页
钢筋加工、焊接、钢筋笼安装技术交底.docx_第3页
第3页 / 共9页
钢筋加工、焊接、钢筋笼安装技术交底.docx_第4页
第4页 / 共9页
钢筋加工、焊接、钢筋笼安装技术交底.docx_第5页
第5页 / 共9页
钢筋加工、焊接、钢筋笼安装技术交底.docx_第6页
第6页 / 共9页
钢筋加工、焊接、钢筋笼安装技术交底.docx_第7页
第7页 / 共9页
钢筋加工、焊接、钢筋笼安装技术交底.docx_第8页
第8页 / 共9页
钢筋加工、焊接、钢筋笼安装技术交底.docx_第9页
第9页 / 共9页
亲,该文档总共9页,全部预览完了,如果喜欢就下载吧!
资源描述

《钢筋加工、焊接、钢筋笼安装技术交底.docx》由会员分享,可在线阅读,更多相关《钢筋加工、焊接、钢筋笼安装技术交底.docx(9页珍藏版)》请在第壹文秘上搜索。

1、技术交底书交底级别:四级编号:主送单位施工图号施工部位钢筋加工、焊接、安装发送口期年月日钢筋加工、焊接、钢筋笼安装技术交底1.钢筋加工1)钢筋的除锈钢筋加工前均应清除表面油污、漆污、水泥浆和锤打能剥落的浮皮、铁锈等。严禁锈蚀钢筋进场,少量的钢筋除锈,可采取人工用钢丝刷或砂轮等方法进行。2)钢筋的调直对局部曲折、弯曲或成盘的钢筋应加以调直。钢筋调直使用调直机调直。调直后的钢筋表面不应有消弱钢筋截面的伤痕。3)钢筋的切割钢筋弯曲成型前,应根据配料表要求长度分别截断,通常宜用钢筋切断机进行。4)钢筋的弯曲成型钢筋的弯曲成型多用弯曲机进行。曲线钢筋成型,可在原钢筋弯曲机的工作中央,放置一个十字架和钢套

2、,另在工作盘四个孔内插上短轴和成型钢套与中央钢套相切,钢套尺寸根据钢筋曲线形状选用,成型时钢套起顶弯作用,十字架则协助推进。螺旋形钢筋成型,小直径可用手摇滚筒成;较粗(1630mm)钢筋,可在钢筋弯曲机的工作盘上安设一个型钢制成的加工圆盘,盘外直径相当于需加工螺旋筋(或圆箍筋)的内径,插孔相当于弯曲机扳柱间距,使用时将钢筋一头固定,即可按一般钢筋弯曲加工方法弯成所需的螺旋形钢筋。5)钢筋的弯制和末端弯钩应符合设计要求。当设计无要求时,应符合下列规定:a.受拉热轧光圆钢筋(HPB300)的末端应做180半圆形弯钩,其弯曲直径不得小于钢筋直径的2.5倍,钩端应留有不小于钢筋直径3倍的直线段。b.受

3、拉热轧带肋钢筋的末端应采用直角形弯钩,其弯曲半径不得小于钢筋直径的3.5倍(HRB400),钩端应留有不小于钢筋直径5倍(HRB400)的直线段。c.用光圆钢筋制成的箍筋,其末端应做不小于90的弯钩,弯钩的弯曲直径应大于受力钢筋直径,且不得小于箍筋直径的2.5倍;弯钩端直线段的长度,一般结构不宜小于箍筋直径的5倍;有抗震设防特殊要求的结构应符合相关抗震规范要求。6)钢筋加工允许偏差和检验方法应符合下表规定。钢筋加工允许偏差和检验方法序号项目允许偏差(mm)检验方法1受力钢筋全长10尺量2弯起钢筋的弯折位置203箍筋内净尺寸37)钢筋连接桩基钢筋笼在加工场接长时采用闪光对焊,施工现场连接时采用焊

4、接或直螺纹套筒连接,承台钢筋采用闪光对焊。(1)接头设置:钢筋接头应设置在承受应力较小处,并应分散布置。“同一连接区段”内有接头的受力钢筋截面面积占受力钢筋总截面面积的百分率,应符合下列规定:a.焊接接头在受弯构件的受拉区不得大于50%轴心受拉构件不得大于25乐b.钢筋接头应避开钢筋弯曲处,距弯曲点的距离不得小于钢筋直径的10倍。c.在同一根钢筋上应少设接头,“同一连接区段”内,同一根钢筋上不得超过一个接头。d.“同一连接区段”长度:焊接接头为35d(d为纵向受力钢筋的较大直径)且不小于50OnInh绑扎接头为1.3倍搭接长度且不小于500mm。凡接头中点位于该连接区段长度内的接头均属于同一连

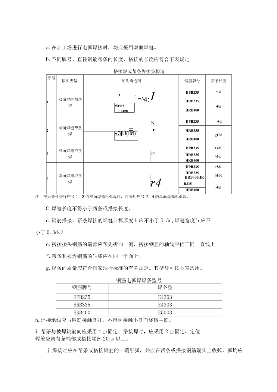
5、接区段。(2)钢筋焊接:焊接头型式为单面焊接和双面焊接时,单面焊接搭接长度不小于IOd,双面焊接搭接长度不小于5d(d为钢筋直径)。采用电弧焊接头应符合下列规定:a.在加工场进行电弧焊接时,均应采用双面焊缝。b.不同牌号、直径钢筋帮条的长度、搭接的长度应符合下表规定:搭接焊或帮条焊接头构造序号接头类型接头构造图钢筋牌号帮条长度I双面焊缝都条焊T-=4:IHPB235HRB3354d5dMQM)J44(M)HRB4002单面焊缝帮条焊.HPB2358dIHRB335HRB40010d3jU(Iid)3双面焊缝搭接焊HPB2354dr8dHRB33510d5dr4HRB400HRB335HRB40

6、0注:在无条件进行序号1、3的双面焊缝电弧焊时,可采用序号2、4的单面焊缝电孤焊。C.焊缝长度不得小于帮条或搭接长度。d.钢筋搭接、帮条焊接的焊缝计算厚度h应不小于0.3d,焊缝宽度b应不小于0.8de.搭接接头钢筋的端部应预先折向一侧,搭接钢筋的轴线应位于同一直线上。f.帮条和被焊钢筋的轴线应在同一平面上。g.焊条的质量应符合国家现行标准的有关规定。其型号可按下表选用。钢筋电弧焊焊条型号钢筋牌号焊冬型HPB235E4303HRB335E4303HRB400E5003h.焊接地线应与钢筋接触良好,不得因接触不良而烧伤主筋。i.帮条与被焊钢筋间应采用4点固定;搭接焊时,应采用2点固定。定位焊缝应

7、离帮条端部或搭接端部20mm以上。j.焊接时应在帮条或搭接钢筋的一端引弧,并应在帮条或搭接钢筋端头上收弧,弧坑应填满。第一层焊缝应有足够的熔深,主焊缝与定位焊缝应熔合良好。k.采用电弧搭接焊、帮条焊的接头,应逐个进行外观检查,并应符合下列规定:用小锤敲击接头时,钢筋发出与基本钢材同样的清脆声。电弧焊接接头的焊缝表面应平顺,无缺口、裂纹和较大的金属焊瘤和其它缺陷。(3)闪光对焊钢筋闪光对焊应符合下列规定:1除正式焊接之前进行焊接工艺试验外,每个焊工均应在每班工作开始时,先按实际条件试焊2个对焊接头试件,并做冷弯试验,待其结果合格后方可正式施焊。2钢筋牌号、直径在表5.3.5T范围内时,可采用“连

8、续闪光焊”;超出下表范围,且钢筋端面较平整,宜采用“预热闪光焊”;超出下表范围,且钢筋端面不平整,宜采用“闪光一预热闪光焊”。可连续闪光焊的钢筋钢筋牌号钢筋直径(mm)HPB2358-20IIRB3356-40HRB4006-403连续闪光焊所能焊接的钢筋上限直径,还应根据焊机容量、钢筋牌号等具体情况而定,并应符合下页表规定4闪光对焊时,应选择合适的调伸长度、烧化留量、顶锻留量以及变压器级数等焊接参数。连续闪光焊时的留量应包括烧化留量、有电顶锻留量和无电顶锻留量;闪光一预热闪光焊时的留量包括:一次烧化留量、预热留量、二次烧化留量、有电顶锻留量和无电顶锻留量。5变压器级数应根据钢筋牌号、直径、焊

9、机容量以及焊接工艺方法等具体情况选择。连续闪光焊钢筋上限直径6采用电动机凸轮传动对焊机或气、液压传动对焊机进行大直径钢筋焊接时,宜首先采取锯割或气割方式对钢筋端面进行平整处理,然后采取预热闪光焊工艺。7闪光对焊接头的外观质量应符合下列规定:1)接头周缘应有适当的徽粗部分,并呈均匀的毛刺外形。2)钢筋表面不得有明显的烧伤或裂纹。3)接头弯折的角度不得大于3。4)接头轴线的偏移不得大于O.Id,且不得大于2mm。(4)套筒连接1 .1在施工现场加工钢筋接头时,应符合下列规定:1加工钢筋接头的操作工人,应经专业人员培训合格后才能上岗,人员应相对稳定;2钢筋接头的加工应经工艺检验合格后方可进行。4 .

10、2直螺纹接头的现场加工应符合下列规定:1钢筋端部应切平或锻平后加再工螺纹;2墩粗头不得有与钢筋轴线相垂直的横向裂纹;3钢筋丝头长度应满足企业标准中产品设计要求,公差应为02.0p(p为螺距):4钢筋丝头宜满足6f级精度要求,应用专用直螺纹量规检验,通规能顺利旋入并达到要求的拧入长度,止规旋入不得超过3p。抽检数量10乐检验合格率不应小于95%。4.3直螺纹钢筋接头的安装质量应符合下列要求:1、安装接头时可用管钳扳手拧紧,应使钢筋丝头在套筒中央位置相互顶紧。标准型接头安装后的外露螺纹不宜超过2po2、安装后应用扭力扳手校核拧紧扭矩,拧紧扭矩值应符合本规程表6.2.1的规定:表6.21直螺纹接头安

11、装时的最小拧紧扭矩值钢筋直径mm161820222528323640拧紧扭矩N.m1002002603203603、校核用扭力扳手的准确度级别可选用10级。4.4套筒挤压钢筋接头的安装质量应符合下列要求:1、钢筋端部不得有局部弯曲,不得有严重锈蚀和附着物;2、钢筋端部应有检查插入套筒深度的明显标记,钢筋端头离套筒长度中心点不宜超过10mm;3、挤压应从套筒中央开始,依次向两端挤压,压痕直径的波动范围应控制在供应商认定的允许波动范围内,并提供专用量规进行检查。4、挤压后的套筒不得有肉眼可见裂纹。2.钢筋骨架制作钢筋笼骨架在制作场内分节制作。每节长度以设计钢筋笼长度与吊装设备限高综合考虑,尽量减少

12、钢筋的现场焊接。采用加劲筋成型法:制作时,按图纸设计尺寸做好加劲筋圈,标出主筋位置,焊接时,使加劲筋上任一主筋的标记对准主筋中部的加劲筋标记,校正加劲筋与主筋的垂直度,然后点焊,一根主筋焊好全部加劲筋后,在骨架两端各设一人转动骨架,将其余主筋逐根焊好,然后吊起骨架搁于支架上,套入盘筋,按设计位置布置好螺旋筋并绑扎于主筋上,点焊牢固,最后安装和固定声测管。为了保证钢筋笼的顺直以利于安装,每节钢筋笼制作完毕之后,在其两端搭接焊缝中心处作出垂直于钢筋笼轴线的截面,并在钢筋上作出显著标记,钢筋笼逐节下放焊接时,使上下二节标记互相重合。3、孔深大于40米的桩基,钢筋笼加工完后及时布设超声波检测管,检测管

13、沿钢筋笼均匀布设,并牢固地绑扎在钢筋笼主筋上,布设时务必顺直,保证间距一致,减少检测误差,底端封死,接头要焊接密实,防止混凝土渗漏堵塞。4、钢筋骨架保护层的设置钢筋骨架保护层采用安装混凝土垫块的方法设置,混凝土垫块为圆形,半径为7cm,与桩身混凝土同标号,圆块中心穿钢筋并于桩身钢筋焊接固定,沿桩均匀分布,沿钻孔竖向每隔2米设置一道,每道沿圆周对称的设置4块,混凝土垫块与钢筋笼密贴并连接牢固,确保钢筋笼均匀对称于桩孔后,方可灌注混凝土。5、钢筋骨架的存放、运输与现场吊装骨架的运输无论采取何种方法运输骨架,都不得使骨架变形,当骨架长度在6m以内时可用平板车直接运输。当长度超过6米时,应在平板车上加

14、托架。如用钢管焊成一个或几个托架用翻斗车牵引,可运输各种长度的钢筋笼,或用炮架车采用翻斗车牵引或人工推,也可运输一般长度的钢筋笼。钢筋笼制作完成后,骨架安装采用汽车吊,为了保证骨架起吊时不变形,对于长骨架,起吊前应在加强骨架内焊接十字支撑,以加强其刚度。采用两点吊装时,第一吊点设在骨架的下部,第二点设在骨架长度的中点到上三分点之间。对于长骨架,起吊前应在骨架内部临时绑扎两根杉木杆以加强其刚度。起吊时,先提第一点,使骨架稍提起,再与第二吊同时起吊。待骨架离开地面后,第一吊点停吊,继续提升第二吊点。随着第二吊点不断上升,慢慢放松第一吊点,直到骨架同地面垂直,停止起吊。解除第一吊点,检查骨架是否顺直

15、,如有弯曲应整直。当骨架进入孔口后,应将其扶正徐徐下降,严禁摆动碰撞孔壁。然后,由下而上地逐个解去绑扎杉木杆的绑扎点及钢筋十字支撑。当骨架下降到第二吊点附近的加强箍接近孔口,可用木棍或型钢(视骨架轻重而定)等穿过加强箍筋的下方,将骨架临时支承于孔口,孔口临时支撑应满足强度要求。将吊钩移到骨架上端,取出临时支承,将骨架徐徐下降,骨架降至设计标高为止。将骨架临时支撑于护筒口,再起吊第二节骨架,使上下两节骨架位于同直线上进行焊接,全部接头焊好后就可以下沉入孔,直至所有骨架安装完毕。并用4根16钢筋将其与钢护筒焊接,或与灌注平台连成一体,以防止钢筋笼在混凝土灌注过程中下沉或上浮。钢筋笼下放时应缓慢均匀,根据下笼深度随时调整钢筋笼入孔垂

展开阅读全文
相关资源
猜你喜欢
相关搜索

当前位置:首页 > 建筑/环境 > 建筑材料生产技术

copyright@ 2008-2023 1wenmi网站版权所有

经营许可证编号:宁ICP备2022001189号-1

本站为文档C2C交易模式,即用户上传的文档直接被用户下载,本站只是中间服务平台,本站所有文档下载所得的收益归上传人(含作者)所有。第壹文秘仅提供信息存储空间,仅对用户上传内容的表现方式做保护处理,对上载内容本身不做任何修改或编辑。若文档所含内容侵犯了您的版权或隐私,请立即通知第壹文秘网,我们立即给予删除!