水准表1#21#32#0,2#1,2#22#3.docx

上传人:p** 文档编号:322699 上传时间:2023-05-26 格式:DOCX 页数:2 大小:18.02KB
下载 相关 举报
水准表1#21#32#0,2#1,2#22#3.docx_第1页
第1页 / 共2页
水准表1#21#32#0,2#1,2#22#3.docx_第2页
第2页 / 共2页
亲,该文档总共2页,全部预览完了,如果喜欢就下载吧!
资源描述

《水准表1#21#32#0,2#1,2#22#3.docx》由会员分享,可在线阅读,更多相关《水准表1#21#32#0,2#1,2#22#3.docx(2页珍藏版)》请在第壹文秘上搜索。

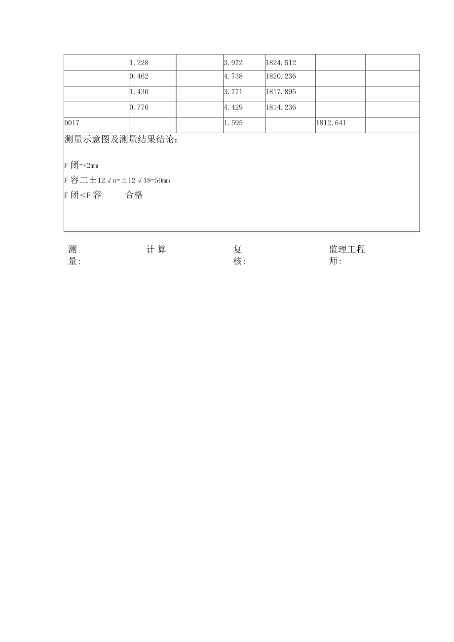
1、贵州省六盘水市交通与运输局建设项目六盘水市机场高速公路一般水准测量记录承包单位:葛洲坝集团第二工程有限责任公司六盘水机场高速项目经理部合同号:监理单位:贵州三力监理有限责任公司编号:工程名称青岗坡大桥开孔放样施工日期2013-1-12桩号或部位1#2,1#3,2#0,2#1,2#2,2#3测量日期2013-1-12测站编号水准尺读数(mm)仪器高(mm)高程(nun)备注后视中视前视D0171.2561813.8951812.6393.7801.4191816.2564.3620.8381819.7803.4361.7641821.4524.1551.0441824.5634.1031.098

2、1827.5684.8090.3901831.9874.0541.1461834.8954.6450.5551838.9851#22.4871836.4982#10.8731838.1123.7351.4641841.2562#00.6571840.5990.6044.5951837.2651#32.6491834.6160.7944.4071833.6521.0584.1421830.5682#20.6771829.8912#30.6421829.9260.9444.2561827.2561.2283.9721824.5120.4624.7381820.2361.4303.7711817.8950.7704.4291814.236D0171.5951812.641测量示意图及测量结果结论:F闭=+2mmF容二12n=1218=5OmmF闭F容合格测量:计算:复核:监理工程师:

展开阅读全文
相关资源
猜你喜欢
相关搜索

当前位置:首页 > 建筑/环境 > 测绘

copyright@ 2008-2023 1wenmi网站版权所有

经营许可证编号:宁ICP备2022001189号-1

本站为文档C2C交易模式,即用户上传的文档直接被用户下载,本站只是中间服务平台,本站所有文档下载所得的收益归上传人(含作者)所有。第壹文秘仅提供信息存储空间,仅对用户上传内容的表现方式做保护处理,对上载内容本身不做任何修改或编辑。若文档所含内容侵犯了您的版权或隐私,请立即通知第壹文秘网,我们立即给予删除!