郑州市劳保产品质量市监督抽查实施细则.docx

上传人:p** 文档编号:323459 上传时间:2023-05-26 格式:DOCX 页数:5 大小:26.21KB
下载 相关 举报
郑州市劳保产品质量市监督抽查实施细则.docx_第1页
第1页 / 共5页
郑州市劳保产品质量市监督抽查实施细则.docx_第2页
第2页 / 共5页
郑州市劳保产品质量市监督抽查实施细则.docx_第3页
第3页 / 共5页
郑州市劳保产品质量市监督抽查实施细则.docx_第4页
第4页 / 共5页
郑州市劳保产品质量市监督抽查实施细则.docx_第5页
第5页 / 共5页
亲,该文档总共5页,全部预览完了,如果喜欢就下载吧!
资源描述

《郑州市劳保产品质量市监督抽查实施细则.docx》由会员分享,可在线阅读,更多相关《郑州市劳保产品质量市监督抽查实施细则.docx(5页珍藏版)》请在第壹文秘上搜索。

1、劳动保护产品质量郑州市监督抽查实施细则1、适用范围本方案适用于本市特种劳动防护用品产品质量监督抽查。抽查产品包括:安全帽、防护手套Q2、检验依据凡是注日期的引用文件,仅注日期的版本适用于本文件。凡是不注日期的引用文件,其最新版本(包括所有的修改单)适用于本文件。2.1 检验方法GB2811头部防护安全帽;GB/T2812安全帽测试方法;GB/T17622带电作业用绝缘手套;GB/T32103织物浸渍乳胶防护手套;GB24541手部防护机械危害防护手套。2.2 判定依据GB2811头部防护安全帽;GB/T17622带电作业用绝缘手套;GB/T32103织物浸渍乳胶防护手套;经企业自我声明公开的团

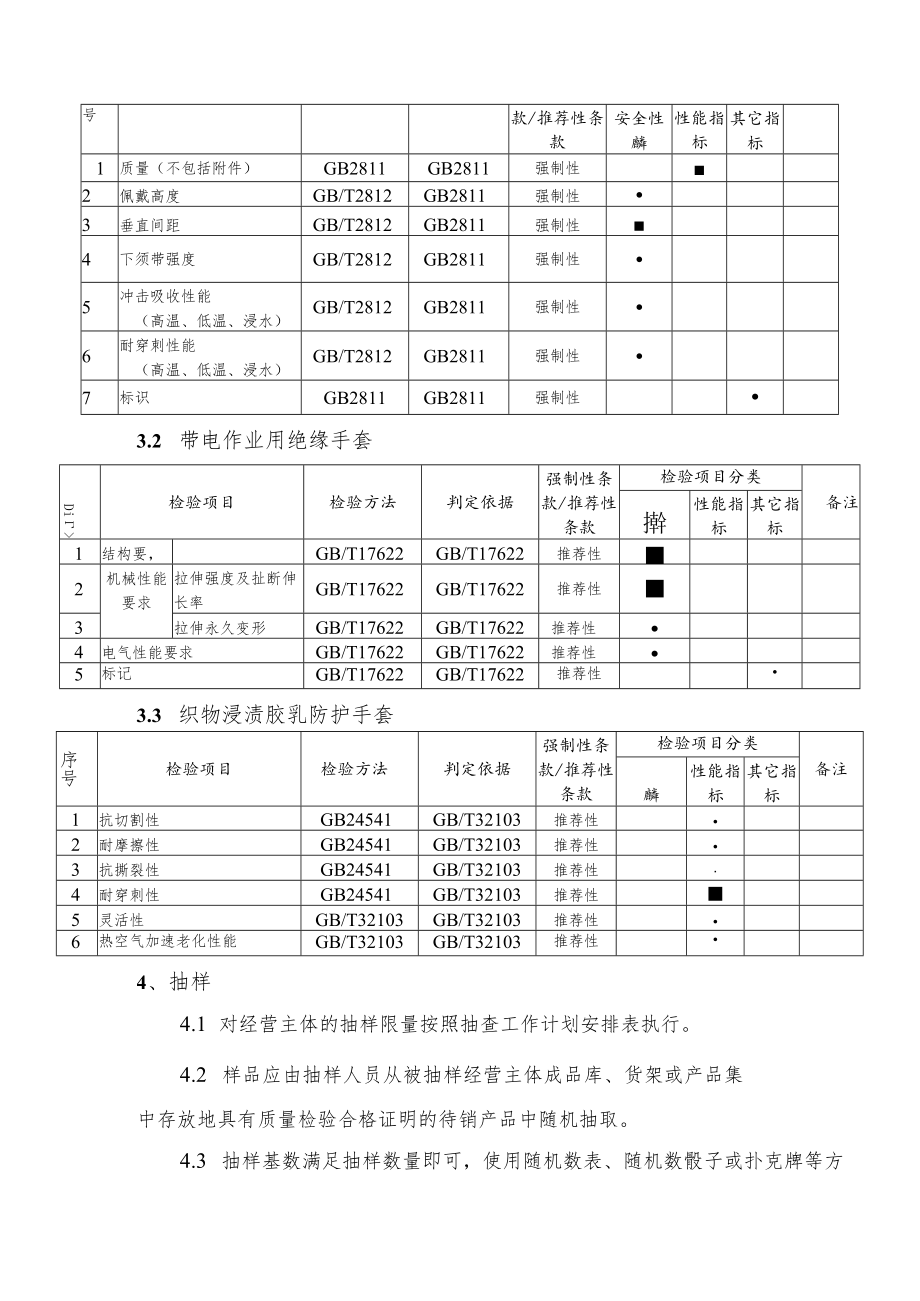
2、体标准、企业标准及产品明示质量要求。3、检验项目3.1 头部防护安全帽序检验项目检验方法判定依据强制性条检验项目分类备注号款/推荐性条款安全性麟性能指标其它指标1质量(不包括附件)GB2811GB2811强制性2佩戴高度GB/T2812GB2811强制性3垂直间距GB/T2812GB2811强制性4下须带强度GB/T2812GB2811强制性5冲击吸收性能(高温、低温、浸水)GB/T2812GB2811强制性6耐穿刺性能(高温、低温、浸水)GB/T2812GB2811强制性7标识GB2811GB2811强制性3.2 带电作业用绝缘手套Di检验项目检验方法判定依据强制性条款/推荐性条款检验项目分

3、类备注擀性能指标其它指标1结构要,GB/T17622GB/T17622推荐性2机械性能要求拉伸强度及扯断伸长率GB/T17622GB/T17622推荐性3拉伸永久变形GB/T17622GB/T17622推荐性4电气性能要求GB/T17622GB/T17622推荐性5标记GB/T17622GB/T17622推荐性3.3 织物浸渍胶乳防护手套序号检验项目检验方法判定依据强制性条款/推荐性条款检验项目分类备注麟性能指标其它指标1抗切割性GB24541GB/T32103推荐性2耐摩擦性GB24541GB/T32103推荐性3抗撕裂性GB24541GB/T32103推荐性4耐穿刺性GB24541GB/T

4、32103推荐性5灵活性GB/T32103GB/T32103推荐性6热空气加速老化性能GB/T32103GB/T32103推荐性4、抽样4.1 对经营主体的抽样限量按照抽查工作计划安排表执行。4.2 样品应由抽样人员从被抽样经营主体成品库、货架或产品集中存放地具有质量检验合格证明的待销产品中随机抽取。4.3 抽样基数满足抽样数量即可,使用随机数表、随机数骰子或扑克牌等方法抽取同一产品(指同一生产企业、同一标准生产、同一商标、同一规格型号)为样品。抽样数量详见表1。表1一般检验项目抽样数量表序号产品名称产品品种抽样数量(含备样量)备注1安全帽普通型14顶(含备样7顶)当样品数量不足时可减少备样量

5、,但不得低于2顶。2带电作业用绝缘手套10副(含备样5副)3织物浸渍胶乳防护手套18副(含备样9副)4.4 被抽样经营主体应根据实际情况自行填写监督抽查产品信息确认单,对抽查样品需要事先说明或检验需要的信息予以确认。4.5 样品及抽样单内容由被抽样经营主体经手人确认无误后,在抽样单上签署意见并签字、加盖公章。4.6 当场封存样品,加贴封样单,封样单上应有被抽样经营主体经手人签名、抽样人员签名、抽样单位公章、抽样日期及抽样单编号Q4.7 抽样人员负责将检验用样品携带或寄送到指定的检验机构;抽取的备用样品封存于被抽样经营主体。被抽样经营主体应妥善保管,不得擅自更换、隐匿、处理、转移、变卖、损毁已抽查封存的备用样品。5、判定原则所检项目全部符合要求,检验结论为合格,否则为不合格。法律法规对判定规则另有规定的,从其规定。6、异议处理被抽样生产者、销售者对检验结果有异议的,应在接到检验结果之日起15日内向郑州市市场监督管理局提交书面异议处理申请,阐明理由并附营业执照副本(原件)等相关证明材料(异议处理申请材料同时抄送承担监督抽查结果处理工作的部门)。逾期未提出异议的,视为承认检验结论。异议受理部门应依法处理被抽样生产者、销售者提出的异议,视情况组织复检或进行调查核实,并做出异议处理决定。

展开阅读全文
相关资源
猜你喜欢
相关搜索

当前位置:首页 > 管理/人力资源 > 质量管理

copyright@ 2008-2023 1wenmi网站版权所有

经营许可证编号:宁ICP备2022001189号-1

本站为文档C2C交易模式,即用户上传的文档直接被用户下载,本站只是中间服务平台,本站所有文档下载所得的收益归上传人(含作者)所有。第壹文秘仅提供信息存储空间,仅对用户上传内容的表现方式做保护处理,对上载内容本身不做任何修改或编辑。若文档所含内容侵犯了您的版权或隐私,请立即通知第壹文秘网,我们立即给予删除!