基础钎探方案模板.docx

上传人:p** 文档编号:327008 上传时间:2023-05-28 格式:DOCX 页数:6 大小:41.06KB
下载 相关 举报
基础钎探方案模板.docx_第1页
第1页 / 共6页
基础钎探方案模板.docx_第2页
第2页 / 共6页
基础钎探方案模板.docx_第3页
第3页 / 共6页
基础钎探方案模板.docx_第4页
第4页 / 共6页
基础钎探方案模板.docx_第5页
第5页 / 共6页
基础钎探方案模板.docx_第6页
第6页 / 共6页
亲,该文档总共6页,全部预览完了,如果喜欢就下载吧!
资源描述

《基础钎探方案模板.docx》由会员分享,可在线阅读,更多相关《基础钎探方案模板.docx(6页珍藏版)》请在第壹文秘上搜索。

1、1工程概况23钎探方法34施工准备35施工工艺36质量保证措施57成品保护58安全文明施工保证措施69钎探布置点附图6本工程为某某华贸成中第六期工程,项目工程位于某某市某某区规划红军营西路、京包铁路、羊坊东路及规划清河营路围合路块。本工程总建筑面积约30019.76平方米,其中含约23560.18平方米地上面积和约6459.58平方米地下面积,包括新建7栋住宅楼和该工程范围内的景观和市政配套设施。工程开工日期为202*年3月15日,竣工日期均为202*年9月15H,总工期为540日历天。该工程总造价约为0.9亿元,开发单位为某某华贸奥苑房地产开发总承包公司,由某某市建筑设计研究院设计,某某赛瑞

2、斯国际工程咨询总承包公司监理,青建总承包公司股份公司总承包施工。本工程包括D9、DIO、D1.KDI2、DI3、D14叠拼别墅以及D15独栋别墅部分组成总建筑面积为30019.76m2,其中地上面积为23560.18m2,地下面积为6459.58m2o基础形式为条形基础+抗水板。其中:D9-D12为剪力墙结构,单体总建筑面积为5004.27m2其中地下1层,层高3.4米,建筑面积1068.55m2;地上3/4层,层高均为3.1米,建筑面积3935.72m2o总建筑高度为12.68米。D13-D14为剪力墙结构,单体总建筑面积为4378.2Om2。其中地下1层,层高3.4米,建筑面积939.93

3、?;地上3/4层,层高均为3.1米,建筑面积3438.27m2o总建筑高度为12.68米。D15为剪力墙结构,总建筑面积为1246.28m2o其中地下1层,层高3.5米,建筑面积305.52m2;地上3层,首层层高3.2m,二、三层均为3.1米,建筑面积940.76m2o总建筑高度为9.7米。D9、DIO.DU、DI2、D13D14、D1.5#别墅地基直接持力层土质为新近沉积之粘质粉土、粉质粘土层及细砂、中砂层,其综合考虑的地基承载力标准值为fka=150KPao2钎探范围D9、DIO、D1.KD1.2、DI3、D1.4、DI5#别墅采用天然地基作为持力层,按照设计要求进行地基钎探。3钎探方法

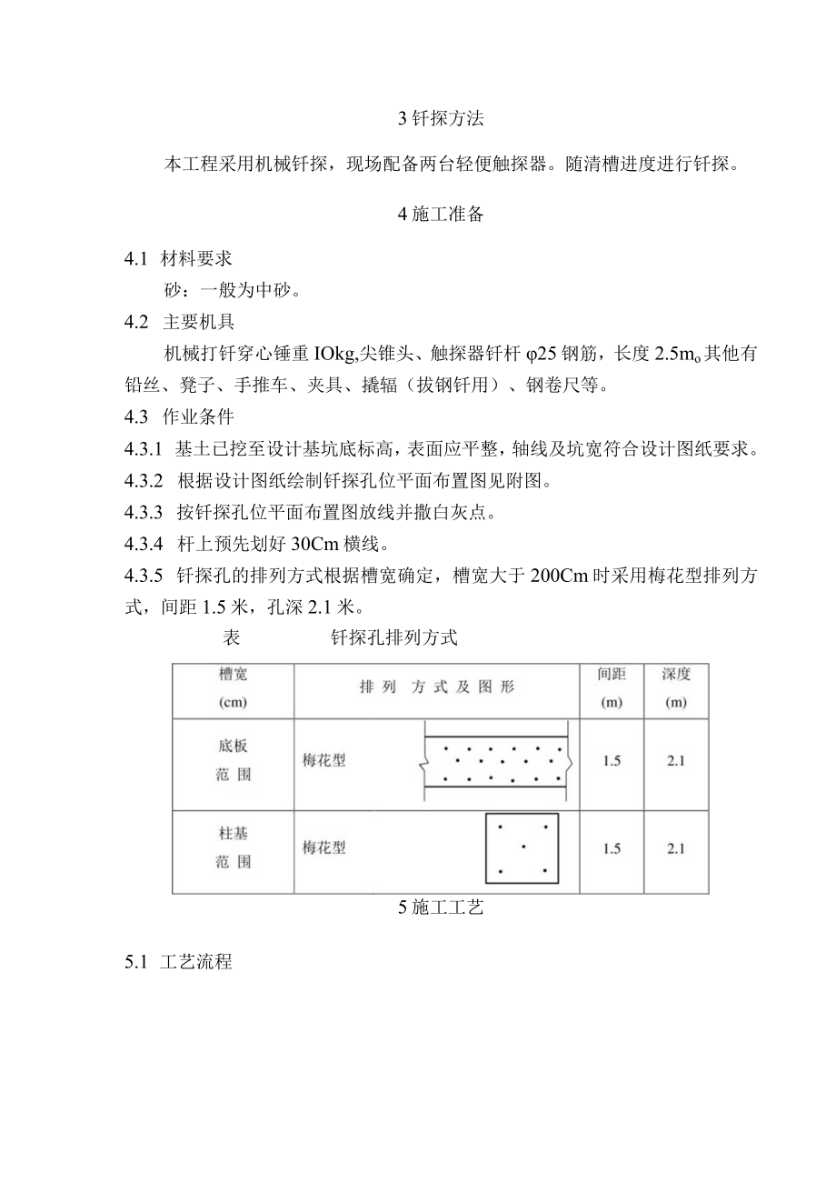
4、本工程采用机械钎探,现场配备两台轻便触探器。随清槽进度进行钎探。4施工准备4.1 材料要求砂:一般为中砂。4.2 主要机具机械打钎穿心锤重IOkg,尖锥头、触探器钎杆25钢筋,长度2.5mo其他有铅丝、凳子、手推车、夹具、撬辐(拔钢钎用)、钢卷尺等。4.3 作业条件4.3.1 基土已挖至设计基坑底标高,表面应平整,轴线及坑宽符合设计图纸要求。4.3.2 根据设计图纸绘制钎探孔位平面布置图见附图。4.3.3 按钎探孔位平面布置图放线并撒白灰点。4.3.4 杆上预先划好30Cm横线。4.3.5 钎探孔的排列方式根据槽宽确定,槽宽大于200Cm时采用梅花型排列方式,间距1.5米,孔深2.1米。表钎探

5、孔排列方式5施工工艺5.1 工艺流程5.2 按钎探孔位置平面布置图放线;孔位钉上小木桩或洒上白灰点;5.3 就位打钎:将触探杆尖对准孔位,再把穿心锤套在钎杆上,扶正钎杆,拉起穿心锤,使其自由下落,锤距为50cm,把触探杆垂直打入土层中;5.4 记录锤击数:钎杆每打入土层30Cm时,记录一次锤击数;5.5 拔钎:用铅丝将钎杆绑好,留出活套,套内插入铁管,利用杠杆原理将钎拔出,拔除后用砖盖孔;5.6 检查孔深:用一根直径20mm钢筋,长度260Omm表有长度刻度标杆,抽检钎孔深度;5.7 移位:将钎杆或触探器搬到下一孔位,以便继续打钎;5.8 灌砂:打完的钎孔,经过质量检查人员和有关工长检查孔深与

6、记录无误后,即可进行灌砂。灌砂时,每填入30Cm左右可用木棍或钢筋棒捣实一次。灌砂有两种形式,一种是每孔打完或几孔打完后及时灌砂;另一种是每天打完后,统一灌砂一次;5.9 整理记录:按钎孔顺序编号,将锤击数填入统一表格内。字迹要清楚,再经过打钎人员和技术员签字后归档;5.10 基土受雨后,不得进行钎探o6质量保证措施6.1 质量标准6.1.1 保证项目钎探深度必须符合要求,锤击数记录准确,不得作假。地基钎探记录表格为C5-5。6.2.1基本项目1钎位基本准确,探孔不得遗漏。2钎孔灌砂密实。6.2 遇钢钎打不下去时,上报工长或技术人员:取消钎孔或移位打钎。不得不打、任意填写锤数。6.3 记录和平

7、面布置图的探孔位置:6.3.1 将钎孔平面布置图上的钎孔与记录表上的钎孔先行对照,有无错误。发现错误及时修改或补打;632在记录表上用色铅笔或符号将不同的钎孔(锤击数的大小)分开;6.3.3 在钎孔平面布置图上,注明过硬或过软的孔号的位置,把枯井或坟墓等尺寸画上,以便设计勘察人员或有关部门验槽时分析处理。7成品保护钎探完成后,应作好标记,保护好钎孔,未经质量检查人员和有关工长复验,不得堵塞或灌砂。8安全文明施工保证措施8.1 作业时必须根据作业要求,佩带防护用品,非操作人员不得动用机械设备。8.2 施工时密切注意边坡,如发现裂缝,应暂停施工,必要时所有人员和机械撤到安全地点,并采取措施及时处理

8、。8.3 作业时,打锤范围内不得有人坐、卧、停留。8.4 作业中发现地下管道等构造物、古墓等文物,或其它不能辨认的异物,必须立即停止作业,向有关负责人报告,按要求进行处理或保护,经查明处理后方可继续施工。8.5 钎探作业后,应将轻便触探器放在坚实平整的地面上,并切断动力电源。8.6 钎探作业时按照临电使用要求正确进行接电。9钎探布置点附图附图一:D9-D12#住宅楼钎探点布置图。附图二:D13-D14#住宅楼钎探点布置图。附图三:D1.5#住宅楼钎探点布置图。附图四:塔吊基础钎探点布置图。安全生产十项注意事项:一、工作前穿戴好规定的劳动防护品,检查设备及作业场地,做到安全可靠。二、不违章作业,

9、并监督制止他人违章作业。三、不准擅自开动别人操作的机械,电器开关设备。登高作业应戴好安全带、安全帽、并有专人监护、防止坠落,严禁向下乱抛工具和设备零件。四、不准随便拆除各种安全防护装置、信号标志、仪表及专指示器等。保持设备齐全有效灵敏可靠。五、不准随意启动设备。机器设备停机检查或修理时,应切断电源并悬挂警示牌,取牌人应是挂牌人。开机时发出信号,听到回音确定安全后才能开机。六、不准吊装物及下行人。多人操作起重搬运要统一指挥,密切配合。不准超负荷使用机器。七、不在易燃物品附近吸烟动火,不乱扔垃圾。八、不在厂内无证驾驶机动车辆,机动车进出车间转弯必须鸣号减速。车辆行驶中严禁爬上跳下。九、工作时精力集中,不准打闹、赤脚、赤膊、穿拖鞋和高跟鞋。十、上班时间不准怠工、滋事、脱岗或擅离职守。有事请假经领导批准后方可离开岗位。

展开阅读全文
相关资源
猜你喜欢
相关搜索

当前位置:首页 > 办公文档 > PPT模板素材

copyright@ 2008-2023 1wenmi网站版权所有

经营许可证编号:宁ICP备2022001189号-1

本站为文档C2C交易模式,即用户上传的文档直接被用户下载,本站只是中间服务平台,本站所有文档下载所得的收益归上传人(含作者)所有。第壹文秘仅提供信息存储空间,仅对用户上传内容的表现方式做保护处理,对上载内容本身不做任何修改或编辑。若文档所含内容侵犯了您的版权或隐私,请立即通知第壹文秘网,我们立即给予删除!