污水处理站操作规程-一体化污水处理设备.docx

上传人:p** 文档编号:332616 上传时间:2023-06-02 格式:DOCX 页数:8 大小:60.41KB
下载 相关 举报
污水处理站操作规程-一体化污水处理设备.docx_第1页
第1页 / 共8页
污水处理站操作规程-一体化污水处理设备.docx_第2页
第2页 / 共8页
污水处理站操作规程-一体化污水处理设备.docx_第3页
第3页 / 共8页
污水处理站操作规程-一体化污水处理设备.docx_第4页
第4页 / 共8页
污水处理站操作规程-一体化污水处理设备.docx_第5页
第5页 / 共8页
污水处理站操作规程-一体化污水处理设备.docx_第6页
第6页 / 共8页
污水处理站操作规程-一体化污水处理设备.docx_第7页
第7页 / 共8页
污水处理站操作规程-一体化污水处理设备.docx_第8页
第8页 / 共8页
亲,该文档总共8页,全部预览完了,如果喜欢就下载吧!
资源描述

《污水处理站操作规程-一体化污水处理设备.docx》由会员分享,可在线阅读,更多相关《污水处理站操作规程-一体化污水处理设备.docx(8页珍藏版)》请在第壹文秘上搜索。

1、污水处理站操作规程一、总则1、本规程是用于指导污水处理、正常运行的技术文件和依据,它包括职责、管理范围、运行原理、操作守则、化验检测、维护管理等相关内容。企业还应按企业实际情况和相关规定制定实施细则和岗位职责,作为本规程的细化和补充。2、本规程合用于污水处理站的水处理操作运行员工及管理、化验、技术和维护检验人员。3、污水处理营运人员,应进行相关岗位的培训,应达到懂原理、会操作、能诊断、可排故,同时还可进行简单的维护管理,保证处理效果。4、特殊提示:不认真阅读本规程或者违规进行操作,将可能造成事故或者损失。二、职责1、污水处理站员工应保证站内所有设施的完好,并处于良好的运行工作状态,发现故障及时

2、排除,不得带病工作,不得违章作业。2、严格执行本规程和企业相关规定,尽职尽责搞好本职工作,实现安全运行,达到废水处理要求效果。3、做好营运工作记录和水质检测报表,接受企业相关部门的检查。三、管理范围从污水进入污水处理系统起,至污水流经污水处理站的各个单元,实现达标排放后排入城市污水管网的全部建(构)筑物、设备、仪表、控制系统和绿化、安全系统。四、工艺过程和功能原理1、工艺本工艺采用物化和生化相结合的方式。废水首先通过格栅去除废水中的大粒径颗粒物,以保证后续工段的安全、稳定运行。在生产废水中含有大量的乳化油,故先加入适量的PAC(聚合氯化铝)对其进行破乳,产生细小矶花,再加入PAM充分混合产生更

3、大的矶花,再气浮池内利用涡轮搅拌产生的大量细小气泡的吸附、顶托、裹夹作用使矶花浮上水面,与污水分离。水面上的浮渣通过刮渣机刮渣进入污泥池中,预处理后的生产废水排入厂区污水管网中,然后与管网中的生活污水一同进入调节池中,停留足够长期使污水的水质得到均化,同时在24小时内调节污水的水量,保证后续生化处理的连续稳定的运行。调节池中的废水通过提升泵提升进入生化池。在生化池中,通过生长在填料上的微生物自身的新陈代谢对污水中的污染物质进行吸收分解利用,从而使污水得到进化,老化的生物膜在水流冲刷作用下脱落并随水流进入沉淀池,在沉淀池中,利用泥、水重力的不同使泥水分离开,上清液排放进入城市污水管网中,下层污泥

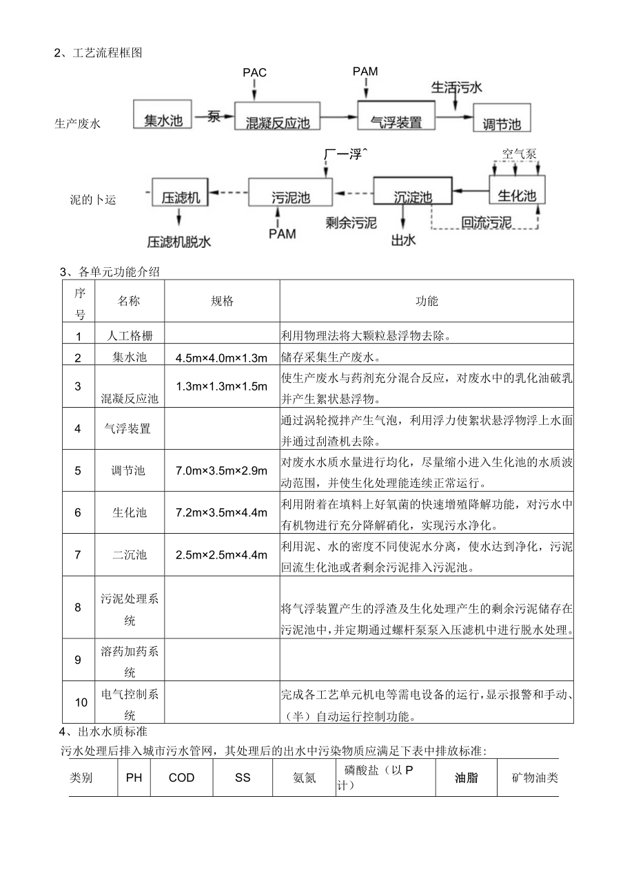
4、通过空气提升所用部份回流到生化池中,剩余部份排入污泥池中。污泥池中的污泥在加药调理改善其脱水性能后通过螺杆泵泵入压滤机中,通过压滤机的作用降低污泥的含水率,使污泥能够便于外运处置。在生化池中不断通入空气曝气,以保证污水中溶解氧的浓度,使微生物能够正常的生长。2、工艺流程框图PAMPAC生产废水厂一浮查空气泵泥的卜运3、各单元功能介绍序号名称规格功能1人工格栅利用物理法将大颗粒悬浮物去除。2集水池4.5m4.0m1.3m储存采集生产废水。3混凝反应池1.3m1.3m1.5m使生产废水与药剂充分混合反应,对废水中的乳化油破乳并产生絮状悬浮物。4气浮装置通过涡轮搅拌产生气泡,利用浮力使絮状悬浮物浮上

5、水面并通过刮渣机去除。5调节池7.0m3.5m2.9m对废水水质水量进行均化,尽量缩小进入生化池的水质波动范围,并使生化处理能连续正常运行。6生化池7.2m3.5m4.4m利用附着在填料上好氧菌的快速增殖降解功能,对污水中有机物进行充分降解硝化,实现污水净化。7二沉池2.5m2.5m4.4m利用泥、水的密度不同使泥水分离,使水达到净化,污泥回流生化池或者剩余污泥排入污泥池。8污泥处理系统将气浮装置产生的浮渣及生化处理产生的剩余污泥储存在污泥池中,并定期通过螺杆泵泵入压滤机中进行脱水处理。9溶药加药系统10电气控制系统完成各工艺单元机电等需电设备的运行,显示报警和手动、(半)自动运行控制功能。4

6、、出水水质标准污水处理后排入城市污水管网,其处理后的出水中污染物质应满足下表中排放标准:类别PHCODSS氨氮磷酸盐(以P计)油脂矿物油类(mgL)(mgL)(mgL)(mgL)(mgL)(mgL)排放标准69500400358.0100205、设备一览表(见附一)五、班前1、操作分工根据污水处理站的实际工作量及工作要求安排工作人员,工作人员之间应分工明确,合作运行。2、班前工作:a、穿工作服做好上班准备;b、认真进行交接班,并做好交接班记录;c、在控制室对运行各单元情况进行核对,特殊查清运行不正常单元;d、首先对存在问题的单元进行一次检查,排除故障,恢复正常运行;e、结合班中巡检要求,对污水

7、站进行一次系统检查,检查运转设备润滑状况。特殊注意水泵、风机润滑油位,严禁少油、无油运转,避免设备事故。六、工艺单元操作规程及注意事项1、定期清理人工格栅,防止污染物阻塞格栅,产生污水处理事故。2、集水池提升泵为液位控制保护运行,当水位低至设计水位时自动停泵,但当生产废水积累到一定程度后需人工启动水泵,启动泵运行前须做好溶药、检查阀门开关等工作。调节池提升泵为液位控制保护运行,正常运行过程中将调节池提升泵设置为自动档,高位开泵、低位停泵。发生故障时应切换为手动档并及时维修或者及时更换提升泵。3、生化池采用的是接触氧化法,通过微生物的新陈代谢来去除污水中的污染物质,需24小时连续曝气,两台风机可

8、以通过手动和自动切换。正常运行时风机每24小时自动切换一次,避免长期连续使用同一台风机。浮现故障时应将风机设置手动控制,使一台风机正常工作,另一台及时维修或者更换。4、生化池曝气生化处理应时常查看生化池曝气状况是否良好:液面翻腾是否均匀,有无成团气泡上升,泡沫多少,是否呈新鲜乳白色。调整各生化池曝气管上阀门的开度,以调整各曝气池的曝气量,使每一个生化池的曝气状况基本一致。5、二沉池排泥二沉池应定期排泥,防止大量污泥积累在二沉池中发生消化反应,消化反应会产生气泡使污泥上浮,影响出水水质。回流污泥时应打开回流污泥管上的阀门,关闭剩余污泥管上的阀门;排向污泥池时,应关闭回流污泥管上的阀门,打开剩余污

9、泥管上的阀门。排泥时先打开气提装置前空气管上的阀门,再打开气提装置与沉淀池之间的阀门。当出水较清的时候关闭气提装置与沉淀池之间的阀门,在实际运行过程中逐渐掌握排泥的大致间隔时间,及每次排泥的时间。6、污泥处理污泥处理过程中应时刻注意压滤机进料管上压力表所示压力,当压力超过0.6MPa的时候,要适当开大回流污泥管上阀门,使压力降到0.6MPa以下,当压力继续上升超过0.6MPa时,再开大回流阀,如此进行直至压滤机的出水比较小时,压滤过程结束(在实际操作中注意观察逐渐掌握压滤的终点)。此过程不得疏忽,防止压力过大造成危(WCi)险。7、若长期不处理时,应打开混凝反应池、气浮设备、加药罐的放空阀,将

10、其排空,防止液体变质发臭。污泥池中污泥应及时处理。七、主要设备操作要点各设备的具体操作步骤及方法详见各设备的使用说明书,严格按照操作步骤进行。1、泵设备a、每次启动前检查相关阀门是否处于正常位置;b、严禁空泵运转和超载,防止设备事故。2、加药设备a、加药主要品种及配比:絮凝剂:PAC配制浓度15%,即15份药85份水,加药量IOkg/m3,可按实际水质情况调整加药量以保证气浮后的出水较清澈。助凝剂:PAM配制浓度0.1%,即1份药999份水,加药量5mgL,可按实际水质情况调整加药量以保证处理的效果。污泥调理:PAM配制浓度0.1%,即1份药999份水,加药量IOOmg/L,根据污泥的脱水情况

11、改变投药量。b、加药方式:混凝反应池加药用计量泵投加,投加量用计量泵控制。污泥池调理加药(PAM)用离心泵投加,通过阀门控制流量。混凝反应投药后及时观察矶花生成情况及气浮出水的实际效果来改变投药量;污泥调理根据污泥脱水的情况调整PAM投加量、投加时间及搅拌时间。如果污泥压不干,则应适当增加PAM的投加量,并使其充分混合。在实际操作过程中应逐步总结掌握投加量和投加时间。C、配制:先在加药罐中放入一定量的水(液面高出搅拌机桨叶至少20cm以上),配制时,继续加水到需要的位置,且边加药边搅拌,并将PAM少量多次地分洒在液体表面,以防药剂进入水中粘结成块,影响溶解的效果,药剂配好后需至少搅拌0.5小时

12、使其熟化后方可使用。PAC配制时加水情况基本同PAM,因PAC易溶于水,在搅拌的时候可将药剂一次性加入,充分搅拌使PAC彻底溶解,PAC在空气中易吸水结块,投加时应人工将结块弄碎,便于更快更彻底的溶解。若药剂的包装带中还有药剂时,应减少药剂与空气的接触。d、运行时应注意加药罐中的液位不得低于加药泵的吸水口位置,防止空泵运转,造成设备事故。每次运行前应检查药液量是否充足,要保证每次的正常运行,否则应配制到充足量。e、观察帆花的普通方法:矶花生成评价特点投加量适当时混凝反应池中所结的矶花,颗粒清晰,水与颗粒界限清晰,并有分离倾向;对于浊度较高的原水,矶花普通密集、细小而结子;对于浊度较低的原水,矶

13、花普通形如小雪花片,颗粒轻而不结子;对于低浊度的原水,普通仅能看到矶花。投加量过大时混凝反应池后部就浮现泥水分离,在气浮出水中有大量矶花带出,并呈乳白色,出水浊度增高,这说明投药量已过大。投加量过小时絮凝池中虽然也看到细小矶花,但气浮出水呈混浊含糊状,表明投药量不够。f、水泵停车前35min关掉加药泵,以减少残留药液,减轻水泵叶轮、搅拌叶片、吸水管道的腐蚀。g、在启动机电前必须检查进出管路上的阀门是否打开,惟独在进出管路畅通无阻的情况下才干启动电动机。停机的时候先切断电源,住手机电运转,再关闭进口管道阀门。但开机前必须打开。4、气浮装置a、打开涡轮曝气,打开刮渣机,打开混凝反应池搅拌机,打开加

14、药泵,打开潜水泵进水,将进水水量和加药量调到合适的大小。打开潜水泵前先打开潜水泵出水管上的阀门,停泵后要关闭出水管上的阀门,防止混凝反应池中的污水倒流,再开时运行时一定要先打开阀门再启动潜水泵。b、在住手进水后气浮设备的涡轮及刮渣机仍需继续运行一段时间,以继续处理还停留在气浮设备中的污水,也防止产生的浮渣在住手曝气后下沉至气浮设备池底。直至气浮设备中浮渣很少时,住手涡轮,住手刮渣机。5、回转式风机风机属于高速运转部件,须定期检查润滑是否充足,否则应加入润滑油(机油牌号为ISO标准N68润滑油)至油标以上。风机启动方式是保证运行安全的关键。特殊注意:启动和住手均应在空载的条件下。启动应按照下列要

15、求进行:a、将放空阀打开。首次启动时,曝气管阀门也应打开;b、风机应在达到额定转速后,开始缓慢关闭放空阀,同时按曝气量要求将曝气调节阀调至要求位置,直至将放空阀全部关闭为止。c、风机正常运行后,轴承部位温度普通应5060C.不按上述方式启动,可能造成风机过载,烧坏风机。关停风机则应按反向程序进行,即先缓慢打开放空阀,再关停风机。G)定期检查空气过滤器,如脏了可清洗过滤海绵。三角带的检查:风机运行一段时间后,三角带会伸长,如松了,应及时调整三角带松紧到合适位置。定期检查安全阀的灵便状况。定期检查有无漏油、漏气的部位,如有问题应及时修理。6、螺杆泵a、在压滤机准备好进入工作状态之后,打开污泥池对应的进料阀门,关闭回流阀,打开压滤机进料阀,启动螺杆泵输送污泥至压滤机。b、关闭时先关闭压滤机的进料阀,螺杆泵住手运转,再关闭所有对应的阀门。7、压滤机a、操作前的准备工作检查滤板数量和在机架上的序列,并将所有板移至止推板一端,若滤板短缺时(活动滤板共31块),应增加后再开机;检查滤板是否歪斜,

展开阅读全文
相关资源
猜你喜欢
相关搜索

当前位置:首页 > 建筑/环境 > 环保行业

copyright@ 2008-2023 1wenmi网站版权所有

经营许可证编号:宁ICP备2022001189号-1

本站为文档C2C交易模式,即用户上传的文档直接被用户下载,本站只是中间服务平台,本站所有文档下载所得的收益归上传人(含作者)所有。第壹文秘仅提供信息存储空间,仅对用户上传内容的表现方式做保护处理,对上载内容本身不做任何修改或编辑。若文档所含内容侵犯了您的版权或隐私,请立即通知第壹文秘网,我们立即给予删除!