简要技术指标参数要求.docx

上传人:p** 文档编号:333136 上传时间:2023-06-02 格式:DOCX 页数:2 大小:14.85KB
下载 相关 举报
简要技术指标参数要求.docx_第1页
第1页 / 共2页
简要技术指标参数要求.docx_第2页
第2页 / 共2页
亲,该文档总共2页,全部预览完了,如果喜欢就下载吧!
资源描述

《简要技术指标参数要求.docx》由会员分享,可在线阅读,更多相关《简要技术指标参数要求.docx(2页珍藏版)》请在第壹文秘上搜索。

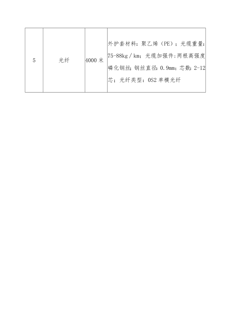
序号主要货物名称数量简要技术指标参数要求1高清网络枪型摄像机42台具有200W像素CMoS传感器;支持滤光片切换功能;支持帧率动态控制功能;宽动态不小于106dB2显示屏4块屏幕尺寸49寸,LED光源;分辨率:1920*1080;LCD显示单元具备阔屏技术;LCD显示单元采用原装屏体,色彩还原度达到JJG211-2005标准3操作电脑1台CPU:Intel八代I5-8500CPU,主频23.0GHz,缓存29M;主板:IntelH370及以上;内存:配置4GBDDR4-2666,2个内存插槽;声卡:集成;硬盘:2256GSSD固态硬盘4网线15箱护套材质:PVC;成品外径:6.4+0.2mm;导体:99.99%纯铜;导体直径:23AWG;芯数:4*25光纤4000米外护套材料:聚乙烯(PE);光缆重量:75-88kgkm;光缆加强件:两根高强度磷化钢丝;钢丝直径:0.9mm;芯数:2-12芯;光纤类型:0S2单模光纤

展开阅读全文
相关资源
猜你喜欢
相关搜索

当前位置:首页 > 行业资料 > 能源与动力工程

copyright@ 2008-2023 1wenmi网站版权所有

经营许可证编号:宁ICP备2022001189号-1

本站为文档C2C交易模式,即用户上传的文档直接被用户下载,本站只是中间服务平台,本站所有文档下载所得的收益归上传人(含作者)所有。第壹文秘仅提供信息存储空间,仅对用户上传内容的表现方式做保护处理,对上载内容本身不做任何修改或编辑。若文档所含内容侵犯了您的版权或隐私,请立即通知第壹文秘网,我们立即给予删除!