来料检验控制程序业料检验管理规定与工作流程.docx

上传人:p** 文档编号:342030 上传时间:2023-08-03 格式:DOCX 页数:8 大小:107.06KB
下载 相关 举报
来料检验控制程序业料检验管理规定与工作流程.docx_第1页
第1页 / 共8页
来料检验控制程序业料检验管理规定与工作流程.docx_第2页
第2页 / 共8页
来料检验控制程序业料检验管理规定与工作流程.docx_第3页
第3页 / 共8页
来料检验控制程序业料检验管理规定与工作流程.docx_第4页
第4页 / 共8页
来料检验控制程序业料检验管理规定与工作流程.docx_第5页
第5页 / 共8页
来料检验控制程序业料检验管理规定与工作流程.docx_第6页
第6页 / 共8页
来料检验控制程序业料检验管理规定与工作流程.docx_第7页
第7页 / 共8页
来料检验控制程序业料检验管理规定与工作流程.docx_第8页
第8页 / 共8页
亲,该文档总共8页,全部预览完了,如果喜欢就下载吧!
资源描述

《来料检验控制程序业料检验管理规定与工作流程.docx》由会员分享,可在线阅读,更多相关《来料检验控制程序业料检验管理规定与工作流程.docx(8页珍藏版)》请在第壹文秘上搜索。

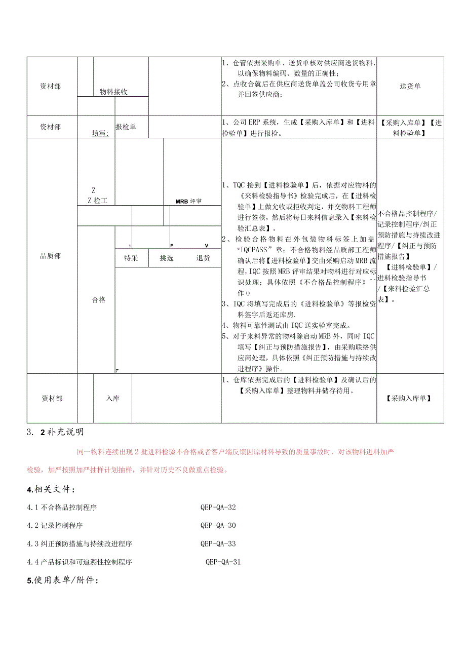
1、密级:公开J保密口口东莞市有容蒂康线缆组件有限公司来料检验控制程序版本:AO编制部门:品质部审核批准发布日期2012-03-15实施日期2012-03-151.目的:规范来料质量管理流程及控制事项,明确各岗位职能,确保来料质量有效开展。2.适用范围:适用于本公司进料检验。3.内容:3.1作业流程规定。责任部门作业流程重点说明相关文件/表单资材部物料接收1、仓管依据采购单、送货单核对供应商送货物料,以确保物料编码、数量的正确性;2、点收合就后在供应商送货单盖公司收货专用章并回签供应商;送货单资材部填写:报检单1、公司ERP系统,生成【采购入库单】和【进料检验单】进行报检。【采购入库单】【进料检验

2、单】品质部ZZ检工MRB评审1、TQC接到【进料检验单】后,依据对应物料的来料检验指导书检验完成后,在【进料检验单】上做允收或拒收判定,并交物料工程师进行签核,然后将每日来料信息录入【来料检验汇总表】。2、检验合格物料在外包装物料标签上加盖wIQCPASS”章;不合格物料经品质部工程师确认后将【进料检验单】交由采购启动MRB流程,IQC按照MRB评审结果对物料进行对应标识处理;具体依照不合格品控制程序作O3、IQC将填写完成后的进料检验单等报检资料签字后返还库房.4、物料可靠性测试由IQC送实验室完成。5、对于来料异常的物料除启动MRB外,同时IQC填写【纠正与预防措施报告】,由采购联络供应商

3、处理,具体依照纠正预防措施与持续改进程序操作。不合格品控制程序/记录控制程序/纠正预防措施与持续改进程序/【纠正与预防措施报告】【进料检验单】/进料检验指导书/【来料检验汇总表】。合格1FV特采挑选退货T资材部入库1、仓库依据完成后的【进料检验单】及确认后的【采购入库单】整理物料并储存待用。【采购入库单】3. 2补充说明同一物料连续出现2批进料检验不合格或者客户端反馈因原材料导致的质量事故时,对该物料进料加严检验,加严按照加严抽样计划抽样,并针对历史不良做重点检验。4.相关文件:4.1不合格品控制程序QEP-QA-324.2记录控制程序QEP-QA-304.3纠正预防措施与持续改进程序QEP-

4、QA-334.4产品标识和可追溯性控制程序QEP-QA-315.使用表单/附件:5.1.1【进料检验单】FM-QA-27-0015.1.21纠正与预防措施报告】FM-QA-33-OO15.1.3【采购入库单】FM-PMC-13-0085.1.4【来料检验汇总表】FM-QA-27-004精品文档精心整理来料检验控制程序1.O目的建立本公司对来料质量的控制措施,保证来料质量符合我司技术要求。为生产优异产品提供保障,特制订本程序。2.0范围本程序适用于我司生产使用之所有物料3.0定义MRB:MaterialReviewBoard物料评审报告IQC:IncomingQualityControl来料质量

5、控制AQL:AcceptedQualityLevel质量接收水准4. 0职责4.1 采购部:采购人员负责与供应商的信息沟通,必要时组织召开供应商来料质量专题会。4.2 品质部:负责来料的检验、标识与形成检验记录,将检验结果及时通报相关部门。并跟进和验证供应商质量改进的有效性。4.3 计划部:负责对来料进行初步检查、入仓和办理退货手续,对紧急物料与不合格来料采取初步处理措施。必要时,可组织相关部门进行MRB评审。4.4 技术部:负责对化工来料进行入厂检验,负责提供其它材料标准指导,并负责送样品的检验确认。5.0程序5.1 来料检验采用抽样计划为MIL-STD-105E计数值单次抽样计划,并执行此

6、抽样计划的正常、加严或减量检验间的转换原则。产品特性检验水准为特殊检验水准S-2级,产品尺寸检验水准为一般检验水准I级,产品外观检验水准为一般检验水准H级,AQL值均为CR=0.04、MA=0.65、Ml=1.5。对于无法计数的物料与贵重物料的破坏测试取样时可固定抽取3-10个样本。5. 2收料:5.1.1 供应商应于交货前或随货将相关物料出货检测报告提供给品质部IQC相关人员,在供方验收合格的物料,在收到该物料时仍需按本程序检验5.1.2 计划部收到来料后,检查该物料是否为免检物料,如是免检物料,则按免检作业进行入库处理。检查包装有无破损,核对来料型号、数量是否与采购订单一致,核对无误后将来

7、料放置在来料待检区,并及时填写来料检验通知单通知IQC对来料进行检验。5.3检验:精品文档精心整理5.3.1所有重要材料都须具有合格的出货检测报告,只有当出货检测报告合格后,该材料才可能被认可为合格物料。5.3.2IQC检验员接到检验通知后,首先确认物料是否有样品承认书或检验标准、图纸;供应商是否为合格供应商,否则停止检查,并上报品质主管或经理;其次检查出货检测报告内容是否完整和正确,出货检测报告的数据是否符合采购产品规范要求,如与要求不相符,将该信息传达给采购部,由采购协调供应商解决;如出货检测报告合格,将其保存在供应商质量档案中。5.3.3IQC按抽样计划抽取样品,依原材料抽样计划的正常、

8、加严、减量转换规定,按标准要求抽取样品。依照相关的检验标准及图纸(包括样品承认书或不良限度样板)对来料进行检验。对于某些物料或物料某项特性,如现有检测手段不能达到检测要求时,则进行小批量生产实验或送外检验。小批量实验由IQC发送联络单给相关部门,由计划部安排生产,IQC根据实验后成品的性能判定来料品质状况;送交外厂检验之来料,由IQC提供检测项目及要求,送外检验完毕后应提供详细的检测报告,IQC核对检验报告与我司标准判定来料品质状况。5.3.4对于重要物料,IQC应留取足够数量的样品,以用于质量追溯、抽样测试;对于留存的样品,IQC应作好标识,并按照库存要求进行保存,防止变质或损坏。5.3.5

9、IQC根据检验标准及图纸,对其检验测试的结果进行判定,并将其检验测试结果和判定合格、或不合格的情况填写入来料检验报告中。检验完成后填写来料检验通知单结果栏,经审核后分发给计划部和采购部。若与供方存在标准差异时则需要发送来料检验报告给技术部。5.4紧急放行5.4.1若因生产急需,无法对来料进行正常检验时,IQC应及时将信息反馈给计划部,由计划部申请物料紧急放行。对紧急放行剩余之物料IQC应以正常检验程序进行检验。5.4.2由计划提出并填写物料MRB评审报告,由品质部、技术部、采购、生产、技术总监或总经理,根据供应商以往供货质量状况、出货检测报告数据、可能的质量影响程度等进行可行性评估及审核,审核

10、通过后,由IQC贴上紧急放行标签后,仓库办理入库手续,发放物料下拉生产。5.4.3IQC负责跟踪紧急放行产品的使用情况。物料发放时,IQC通知相关生产车间IPQC跟进该批物料的品质状况,IPQC应记下生产批次型号,及时反馈信息给IQCo5.4.4生产部对紧急放行物料及相应产品作适当标识,特别对于同一物料中有正常下拉及紧急放行两种情况时,应对紧急放行部分作标识。5.4.5生产线在使用紧急放行物料时出现异常,如确认为来料原因,由IPQC书面反馈IQC,由IQC立即通知生产、采购、计划、技术等部门,停止物料的使用,品质部负责组织对半成品和制成品按相应的不合格品管理要求进行处理,采购部负责与供应商的沟

11、通处理。5.4.6IQC在生产部和IPQC的协助下跟进紧急放行物料的使用情况,如放行物料制程不合格则应发精品文档可编辑的物品文档精品文档精心整理报告分发给物控及技术部。紧急放行物料使用状况应记入供应商品质表现。5.5免检5.5.1免检资格凡本公司之合格供应商的产品,能符合以下之一条件者,均可申请免检A:有一年以上供货经历,年退货率低于1%,且平均不良在2000PPM以下B:连续15批来料检验合格之供应商C:世界知名供应商或对产品实现无影响辅助劳保物料等1.5.2 资格确定采购部可代供应商进行免检资格申请,品质部IQC收到申请后,会同生产、技术、计划、采购审查.并制定材料免检项目一览表交品质部/

12、技术部主管审批后,登录于免检供应商名册,并分发给采购部、品质部、生产部和技术部。1.5.3 免检作业管理每一批产品实现物料均提需供出货检测报告,品质部不定期对免检物料做品质抽检。5. 5.4资格取消免检供应商发生以下任一情形时,即失去免检入库资格6. 5.4.1品质部不定期抽检发现不符合来料检验标准时;7. 5.4.2该来料造成重大品质问题或该材料造成客户投诉时;8. 5.4.3供应商有重大变更没有通知本公司确认时;9. 5.4.4本公司标准发生变化时.10. 6标识5.6.1来料检验合格后,则由IQC在物料外包装上贴合格标签或盖“IQCpass”印章,计划部确认物料外包装已经有上述标识后方可

13、给予入库。5.6.2来料检验不合格则贴上不合格标签,由计划部将物料隔离至待处理区,由采购部联系供应商处理。5.6.3对正在检测但需入仓存放的来料例如做小批量生产实验或送外部检验之来料则由IQC作好待判定标识,待判定之来料在检验结果出来后,IQC根据检验结果换上相应标签,计划部根据结果作出相应处理。5.6.4紧急放行物料则贴上紧急放行标签,紧急放行之剩余物料由IQC按正常检验完毕后贴上相应标签,计划部根据结果作出相应处理。5.6.5免检物料则贴上免检标签/标识。5.6.6来料检验不合格后若经过评审决定处理方式后,则由IQC换上相应标签,计划部根据评审结果作出相应处理。5.6.7各种标识应依产品标

14、识与追溯控制程序执行运作。精品文档精心整理5.7.1已经判定不合格的物料,品质部应根据严重程度采用口头形式或发送品质异常通知单投近供应宣J计划部应把已经作好不合格标示的物料给予隔离至待处理区,具体依据不合格品控制程序作出处理。5.7.2采购部督促供应商在规定期限内提出改进措施,IQC应对供应商质量改进情况进行跟进和确认,并定期评价。5.7.3计划部可根据实际情况组织相关部门对不合格来料进行评审,具体依据物料评审(MRB)作业指引执行;否则所有不合格物料均作退货处理。5.8 库存周期检验5. 8.1根据储存条件,技术部界定每种材料检验周期,并对周期检验的项目也应作出规定。6. 8.2仓库应对各种

15、物料的存贮期进行控制,达到检验周期的合格状态物料应编制单据通知IQC进行检验。7. 8.3周期检验合格的物料换上新的合格标签;周期检验不合格的物料参照不合格控制程序处理。若需进行评审则依据物料评审(MRB)作业指引执行。5.9 供应商来料质量信息沟通5.9.1当供应商品质出现重大异常或连续发生3次来料检验不合格(可根据来料质量检验记录表的记录)时,由IQC人员应发出来料检验不合格报告要求供应商提出查找根本原因和制定纠正和预防措施,IQC负责对纠正和预防措施的有效性进行验证。5.9.2对于不能按时回复来料检验不合格报告的供应商由采购部人员协调处理,必要时取消其供应商资格。5.9.3每年末IQC将全年供应商来料质量进行汇总和评比,并作为管理评审的输入来料检验作业流程图精品文档精心整理

展开阅读全文
相关资源
猜你喜欢
相关搜索

当前位置:首页 > 管理/人力资源 > 质量管理

copyright@ 2008-2023 1wenmi网站版权所有

经营许可证编号:宁ICP备2022001189号-1

本站为文档C2C交易模式,即用户上传的文档直接被用户下载,本站只是中间服务平台,本站所有文档下载所得的收益归上传人(含作者)所有。第壹文秘仅提供信息存储空间,仅对用户上传内容的表现方式做保护处理,对上载内容本身不做任何修改或编辑。若文档所含内容侵犯了您的版权或隐私,请立即通知第壹文秘网,我们立即给予删除!