机械制造企业安全质量标准化评级标准DOC84.docx

上传人:p** 文档编号:342040 上传时间:2023-08-03 格式:DOCX 页数:77 大小:211.74KB
下载 相关 举报
机械制造企业安全质量标准化评级标准DOC84.docx_第1页
第1页 / 共77页
机械制造企业安全质量标准化评级标准DOC84.docx_第2页
第2页 / 共77页
机械制造企业安全质量标准化评级标准DOC84.docx_第3页
第3页 / 共77页
机械制造企业安全质量标准化评级标准DOC84.docx_第4页
第4页 / 共77页
机械制造企业安全质量标准化评级标准DOC84.docx_第5页
第5页 / 共77页
机械制造企业安全质量标准化评级标准DOC84.docx_第6页
第6页 / 共77页
机械制造企业安全质量标准化评级标准DOC84.docx_第7页
第7页 / 共77页
机械制造企业安全质量标准化评级标准DOC84.docx_第8页
第8页 / 共77页
机械制造企业安全质量标准化评级标准DOC84.docx_第9页
第9页 / 共77页
机械制造企业安全质量标准化评级标准DOC84.docx_第10页
第10页 / 共77页
亲,该文档总共77页,到这儿已超出免费预览范围,如果喜欢就下载吧!
资源描述

《机械制造企业安全质量标准化评级标准DOC84.docx》由会员分享,可在线阅读,更多相关《机械制造企业安全质量标准化评级标准DOC84.docx(77页珍藏版)》请在第壹文秘上搜索。

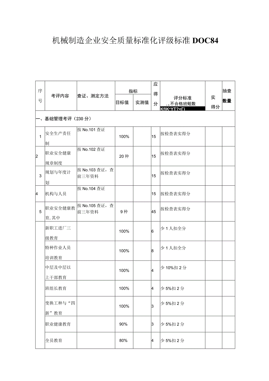
1、机械制造企业安全质量标准化评级标准DOC84序号考评内容查证、测定方法指标应得分评分标准n不合格班蛆数实得分抽查数量目标值实测值KflKvYT?80%4低于80%扣4分6事故管理按No.106查证,查前三年资料20按检查表实得分7三同时”管理按No.107查证,查前三年资料15按检查表实得分8班组安全管理按No.108查证安全班组合格率100%12按检查表计分,实得分二0.121009安全操作规程按No.109查证13按检查表实得分10特种设备及人员安全管理按No.110查证,查前二年资料10按检查表实得分11有关方安全管理按No.Ill查证,查前二年资料10按检查表实得分12现场监督检查按N

2、o.112查证,查前三年资料10按检查表实得分13应急救援预案按No.113查证10按检查表实得分14危险源管理按No.114查证10按检查表实得分15安全健康档案按NojI5查证12种15按检查表实得分二、设备设施安全考评(600分)序号考评内容查证、测定方法指标应得分评分标准实得分抽查数量目标值实测值1工业气瓶按No.201查证不合格率022按不合格率计算每1%扣0.54分2危险化学品库按No.202查证10按检查表实得分,多个危险化学品库取平均值3油库、油罐按No.203查证20按检查表实得分,多个油库取平均值4液化气站按No.204查证12按检查表实得分,多个液化气站取平均值5煤气站按

3、No.205查证10按检查表实得分6制氧站按No.206查证10按检查表实得分7压力容器按No.207查证不合格率016按不合格率计算每1%扣0.50分8乙焕发生站按No.208查证不合格率15按检查表计分,多个站房按不合格率计算每1%扣0.60分9锅炉与辅机按No.209查证不合格率024按不合格率计算每1%扣0.80分10空压机按No.210查证16按检查表实得分,多台空压机取平均值11工业管道按No.211查证8按检查表实得分12木料场所按No.212查证8按检查表实得分,多个木料场所取平均值13工厂建筑按No.213查证不合格率010按不合格率计算每1%扣0.40分序号考评内容查证、测

4、定方法指标应得分评分标准实得分抽查数量目标值实测值14涂装作业场所按No.214查证15按检查表实得分,多处场所取平均值15锻造机械按No.215查证不合格率012按不合格率计算每1%扣0.36分16铸造机械按No.216查证不合格率018按不合格率计算每1%扣0.54分17铸造熔炼炉按No.217查证不合格率012按不合格率计算每1%扣0.54分18酸槽按No.218查证不合格率05按不合格率计算每1%扣0.20分19工业梯台(直梯)按No.2191查证不合格率02按不合格率计算每1%扣0.048分20工业梯台(斜梯)按No.2192查证不合格率02按不合格率计算每1%扣0.048分21工业

5、梯台(活动轻金属梯)按No.2193查证不合格率02按不合格率计算每1%扣0.048分22工业梯台(轮式移动平台)按No.219-4查证不合格率02按不合格率计算每1%扣0.048分23工业梯台(走台、平台)按No.219-5查证不合格率02按不合格率计算每1%扣0.048分24工业炉窑按No.220查证不合格率012按不合格率计算每1%扣0.36分25厂内机动车辆按No.221查证不合格率015按不合格率计算每1%扣0.50分26运输(输送)机械按No.222查证12按检查表实得分,多个运输(输送)机械取平均值序号考评内容查证、测定方法指标应得分评分标准实得分抽查数量目标值实测值27变配电系

6、统按No.223查证40按检查表实得分,多台取平均值28低压电气线路(固定线路)按No.224-1查证不合格率05按不合格率计算每1%扣0.18分29低压电气线路(临时线路)按No.224-2查证不合格率05按不合格率计算每1%扣0.18分30动力(照明)配电箱(柜、板)按No.225查证不合格率020按不合格率计算每1%扣0.72分31电网接地系统按No.226查证不合格率015按不合格率计算每1%扣0.54分32防雷接地装置按No.227查证不合格率012按不合格率计算每1%扣0.36分33电焊机按No.228查证不合格率08按不合格率计算每1%扣0.30分34手持电动工具按No.229查

7、证不合格率012按不合格率计算每1%扣0.36分35移动电气装备按No.230查证不合格率08按不合格率计算每1%扣0.24分36电气试验站(台、室)按No.231查证12按检查表实得分,多台取平均值37探伤设备(磁粉探伤)按No.232-1查证不合格率02.5按不合格率计算每1%扣0.075分38探伤设备(射线探伤)按No.232-2查证不合格率02.5按不合格率计算每1%扣0.075分39探伤设备(着色探伤)按No.232-3查证不合格率02.5按不合格率计算每1%扣0.075分序号考评内容查证、测定方法指标应得分评分标准实得分抽查数量目标值实测值40探伤设备(超声波探伤)按No.232-

8、4查证不合格率02.5按不合格率计算每1%扣0.075分41起重机械按No.233查证不合格率032按不合格率计算每1%扣0.78分42金属切削机床按No.234查证不合格率026按不合格率计算每1%扣0.54分43冲、剪、压机械按No.235查证不合格率026按不合格率计算每1%扣0.64分44木工机械按No.236查证不合格率010按不合格率计算每1%扣0.54分45砂轮机按No.237查证不合格率08按不合格率计算每1%扣0.30分46风动工具按No.238查证不合格率05按不合格率计算每1%扣0.15分47电梯按No.239查证016按不合格率计算每1%扣0.72分48注塑机按No.2

9、40查证不合格率08按不合格率计算每1%扣0.36分49装配线按No.241查证18按检查表实得分,多个装配线取平均值50炊事机械按No.242查证不合格率05按不合格率计算每1%扣0.24分51其他机械按No.243查证不合格率7按不合格率计算每1%扣0.24分三、作业环境与职业健康考评(170分)1厂区环境按No.301查证25按检查表实得分序号考评内容查证、测定方法指标应得分评分标准实得分抽查数量目标值实测值2车间作业环境按No.302查证35按检查表实得分,多个车间取平均值3仓库按No.303查证10按检查表实得分,多个仓库取平均值4危险化学品使用现场按No.304查证15按检查表实得分,多个使用点取平均值5职业危害作业点达标率按No.305查证,查前二年资料75%

展开阅读全文
相关资源
猜你喜欢
相关搜索

当前位置:首页 > 管理/人力资源 > 绩效管理

copyright@ 2008-2023 1wenmi网站版权所有

经营许可证编号:宁ICP备2022001189号-1

本站为文档C2C交易模式,即用户上传的文档直接被用户下载,本站只是中间服务平台,本站所有文档下载所得的收益归上传人(含作者)所有。第壹文秘仅提供信息存储空间,仅对用户上传内容的表现方式做保护处理,对上载内容本身不做任何修改或编辑。若文档所含内容侵犯了您的版权或隐私,请立即通知第壹文秘网,我们立即给予删除!