工程部职务说明书.docx

上传人:p** 文档编号:347557 上传时间:2023-08-05 格式:DOCX 页数:4 大小:33.45KB
下载 相关 举报
工程部职务说明书.docx_第1页
第1页 / 共4页
工程部职务说明书.docx_第2页
第2页 / 共4页
工程部职务说明书.docx_第3页
第3页 / 共4页
工程部职务说明书.docx_第4页
第4页 / 共4页
亲,该文档总共4页,全部预览完了,如果喜欢就下载吧!
资源描述

《工程部职务说明书.docx》由会员分享,可在线阅读,更多相关《工程部职务说明书.docx(4页珍藏版)》请在第壹文秘上搜索。

1、1.0目的制定明确工程部各人员职责、权限及相互关系,能更有效的配合生产,使之生产顺畅。2.0范围工程部所有人员的组织结构图与职责表,体现出相互关系,及本部各人员应接受的培训课程。3.0责任3.1 本组织结构图与职责表用以确认被授权做如下工作事项之员工:A)建立措施以提高生产效率,及规范各工序的标准化作业。B)维护并及时处理生产设备、仪器等各种不良情况。C)通过特定之渠道,建立推荐或提供解决方案。D)验证该项解决方案之施行。E)制定并维护各类作业指导书,并确保被实施。3.2 本部门工作人员名单参考组织结构图,由工程部主管维持最新版本,除非遇有重要变更而本部门主管认为须更新分发,否则由本部门主管每

2、月知会各相关部门。3.3 本职责说明书中,各职位的工作关系未有特别说明者,其平行关系指该职位人员需与本部或其它部门同级人员保持密切关系。3. 4代理人制度遵循以下原则: 在本职务说明书中明确每个职位在缺席或空缺时的代理人,若是职员应优先其上司。 上司可越级代理属下工作,但属下不能越级代理上司工作。 工程部主管发出临时授权通知的其他代理人。3.5本职务说明书由本部门主管负责维护。4.0工程部组织图5. O工程部职务表本职务表中所称学历,指该职位员工所接受之教育程度,当工程部主管认为该员工有足够经验以胜任某项工作时,可由工程部主管适当调整。职位资历职责与权限代理人工程部主管由副总经理任命,其资格为

3、专科学历,4年工作经验或同业5年以上中级管理经验,特别是工程管理及IS09000质量管理体系方面的管理。 建立工程及设备管理体系; 生产仪器设备的审核、校验及根据需要请购设备;主持工程部门会议,评定部门人员工作表现,调解部门内部冲突; 生产样品的审核,与其它部门协调沟通; 本部门人员工作安排,培训及本部门“7S”工作实施; 本部门文件的审批; 其它由厂务部经理指定及自行开展工作。生产部经理或工程师文员高中或以上学历,有文件管理经验及良好的人际关系。 协助工程部主管开展工程部各项工作; 管理工程部文件,包括负责工程部主管及各组撰写之文件; 收集及传送信息和资料,及时反馈各组存在之问题; 收集各类

4、技术数据,并对技术数据进行统计,提交改善措施目标完成情况统计表; 工程部文件清单的维护; 其它由工程部主管指定及自行开展的工作。文员工程师大专以上学历,两年相关工作经验,有一定工程管理经验,熟悉IS09000质量管理体系的管理。 协助工程部主管开展工程部各项工作; 协助部门主管对生产仪器定期审核校验并填写确认; 工程部门样品的确认; 生产、测试仪器及设备的维护与检修方法的制定; 制定、实施生产仪器、设备的维护保养卡; 生产中品质异常处理;联络开发部门寻找改进方案; 评估工程部所有技术设备的充分性,确保所使用技术设备适用性、可用性; 统筹新产品试产情况; 其它由工程部主管指定及自行开展的工作。工

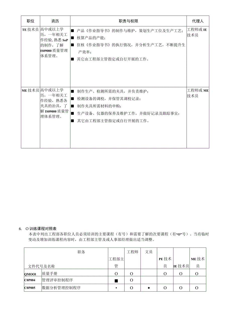
5、程部主管PE技术员高中或以上学历,一年相关工作经验,熟悉生产流程的运作,了解IS09000质量管理体系管理。 生产线跟踪,对生产线出现品质不良能够及时分析不良原因,并进行改善; 对生产作业员进行作业引导; 对生产设备及测试仪器定期进行监测,通知ME及时维护,根据生产需求对测试仪器进行调试; 生产首件的作业方法确认,指导生产线的管理人员正确作业方法; 对于新产品投产,协助生产线排拉,定工位; 生产样品的制作; 其它由工程部主管指定及自行开展的工作。工程师或PE技术员职位资历职责与权限代理人TE技术员高中或以上学历,一年相关工作经验,熟悉SoP的制作,了解IS09000质量管理体系管理。 产品作业

6、指导书的制作与维护,策划生产工位及生产工艺; 核算产品的产能; 狂核作业指导书的执行情况,并分析生产工艺,不断提升生产效率; 其它由工程部主管指定或自行开展的工作。工程师或IE技术员ME技术员高中或以上学历,一年相关工作经验,熟悉各夹具的治具,了解IS09000质量管理体系管理。 制作生产、检测所需的夹具,并负责维护; 检测设备的调校,并保管其调校记录; 制作夹具所需材料的申购; 生产设备、仪器的保养及维护工作,并做好记录及跟踪事宜: 其它由工程部主管指定或自行开展的工作。工程师或ME技术员6. O训练课程对照表本表中列出工程部各职位人员必须培训的主要课程(有号)和需要了解的次要课程(有“O”

7、号)。当有临时变动及增加训练课程内容时,由工程部主管及或人事部经理做出适当调整。职务文件代号及名称工程部主管工程师文员PE技术员IE技术员ME技术员QMOOl质量手册OOOOOC0P004管理评审控制程序OC0P005数据分析管理控制程序OOOOCOPOOl文件控制程序C0P006合同评审控制程序OC0P008产品开发设计控制程序OOOCOPOlO采购控制程序OOC0P009生产计划控制程序OOOOOCOPOll生产过程控制程序OOOOOCOPO12检验及试验控制程序OOCOPO16设施设备管理控制程序OCOPO13不合格品控制程序OOOCOPO14纠正预防措施控制程序OC0P003内部审核控制程序OOOOOCOPO17仓储管理控制程序OCOPO18人力资源管理控制程序OOOOOPEOOl工程部职务说明书PE002工程部管理制度OPEoO3工艺文件编写规范OOPE004生产设备管制办法OOO

展开阅读全文
相关资源
猜你喜欢
相关搜索

当前位置:首页 > 管理/人力资源 > 工程管理

copyright@ 2008-2023 1wenmi网站版权所有

经营许可证编号:宁ICP备2022001189号-1

本站为文档C2C交易模式,即用户上传的文档直接被用户下载,本站只是中间服务平台,本站所有文档下载所得的收益归上传人(含作者)所有。第壹文秘仅提供信息存储空间,仅对用户上传内容的表现方式做保护处理,对上载内容本身不做任何修改或编辑。若文档所含内容侵犯了您的版权或隐私,请立即通知第壹文秘网,我们立即给予删除!