市政工程施工组织设计参考.docx

上传人:p** 文档编号:347844 上传时间:2023-08-05 格式:DOCX 页数:9 大小:85.86KB
下载 相关 举报
市政工程施工组织设计参考.docx_第1页
第1页 / 共9页
市政工程施工组织设计参考.docx_第2页
第2页 / 共9页
市政工程施工组织设计参考.docx_第3页
第3页 / 共9页
市政工程施工组织设计参考.docx_第4页
第4页 / 共9页
市政工程施工组织设计参考.docx_第5页
第5页 / 共9页
市政工程施工组织设计参考.docx_第6页
第6页 / 共9页
市政工程施工组织设计参考.docx_第7页
第7页 / 共9页
市政工程施工组织设计参考.docx_第8页
第8页 / 共9页
市政工程施工组织设计参考.docx_第9页
第9页 / 共9页
亲,该文档总共9页,全部预览完了,如果喜欢就下载吧!
资源描述

《市政工程施工组织设计参考.docx》由会员分享,可在线阅读,更多相关《市政工程施工组织设计参考.docx(9页珍藏版)》请在第壹文秘上搜索。

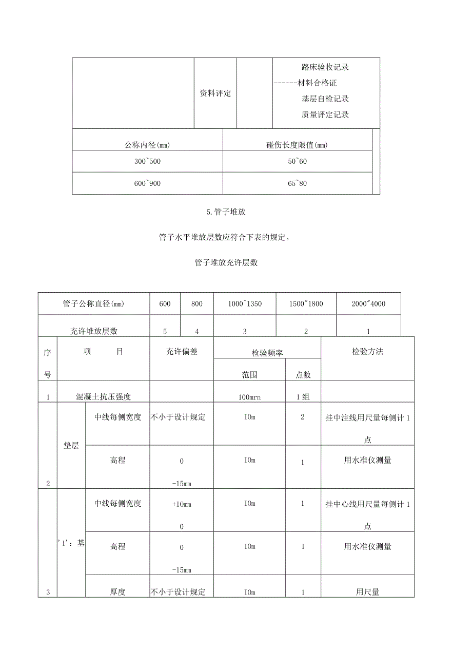
1、市政工程施工组织设计参考2008-06-0414:27:44来源:转载浏览次数:3558本工程施工测量包含现场座标与水准点的交接、轴线操纵及高程测量等,在本工程施工测量放线之前,除了检查好自己所有使用的测量仪器及工具外,还将做好下列工作:石粉渣层管道安装产工验收平整度宽度施工铺筑后碾压密实度压路机机型选择序号偏差名称同意偏差值(mm)1受力筋全长净尺寸IOmm2箍筋各部分长度尺寸5mm3钢筋起弯点位置5mm4钢筋转角3。序号偏差名称同意偏差值(mm)1钢筋长度方向同一排受力筋间距52柱及梁中10板、墙中103同一排分布筋间距154双排筋、排间距405梁与柱的箍间距156保护层厚度的局部3基层的

2、铺筑厚度材质要求中心高程压实密度不合格工序务必反工处理量评定执行有关检验评定标准资料评定路床验收记录材料合格证基层自检记录质量评定记录公称内径(mm)碰伤长度限值(mm)300500506060090065805.管子堆放管子水平堆放层数应符合下表的规定。管子堆放充许层数管子公称直径(mm)600800100013501500180020004000充许堆放层数54321序号项目充许偏差检验频率检验方法范围点数1混凝土抗压强度100mrn1组2垫层中线每侧宽度不小于设计规定IOm2挂中注线用尺量每侧计1点高程0-15mmIOm1用水准仪测量31:基中线每侧宽度+IOmm0IOm1挂中心线用尺量

3、每侧计1点高程0-15mmIOm1用水准仪测量厚度不小于设计规定IOm1用尺量承插口环径E承插口深度H管子平直度(mmm)DN800E3+0.05HDN800+(E/3+1)DN4501.5项目工作压力试验压力钢管PP+0.5且不小于0.9铸铁管0.52P0.5P+0.5预(自)应力钢筋碎管0.61.5P0.6P+0.3钢筋碎管0.11.5P1.渗水量试验应水压达到试验压力后停止加压,记录降至0.1MPa所需的时间,计算渗水量,各管道水压试验同意渗水量见表:口径长度等于IKM管道在试验压力下的同意渗水量(升/分)钢管铸铁管水泥压力管1000.280.701.401250.350.901.561

4、500.421.051.722000.561.501.982500.701.552.223000.851.702.422500.901.802.624001.001.952.804501.052.12.955001.102.203.146001.202.403.447001.302.553.708001.352.703.969001.452.904.2010001.503.004.4211001.553.104.6012001.653.304.7013001.704.9014001.755.20程序注意事项一、准备工作1.在消毒前两天,与管理单位联系,取得配合2.制备漂白粉溶液二、泵入漂白溶液

5、.关闸应在放水口的游离氯含量为每升25mg以上时,放可关闸。四、泡管消毒24h以上五、放净氯水、放入自来水关闸并存水24h六、取水化验由管理单位进行,符合准备才算完毕。施工工艺方案I测量放线施工准备分项弃王报告验收序号机械或者设备名称规格型号数量国别产地制造年份额定功率(KW)或者吨位生产能力备注(t)1挖掘机PL2008日本三菱2000.3115马力状况良好2压路机3中国洛阳2001.214t状况良好3自卸汽车10日本三菱1999.815t状况良好4自卸汽车5中国东风2001.55t状况良好5推土机5中国东方红2001.6120马力状况良好6蛙式打夯机5中国2001.23KW状况良好7碎搅拌

6、机2中国2001.122.5KW状况良好8平板振动器4中国2001.80.5KW状况良好9振动棒5中国2001.51.5KW状况良好10机动翻斗车FCI-D915中国2001.3状况良好111日本2001.275KW状况良好12潜水泵10中国2001.32.8KW状况良好13钢筋调直机2中国2001.75.5KW状况良好14钢筋切割机GJSY-162中国2001.5IOKW状况良好15钢筋弯曲机1中国1999.63KW状况良好16交流电焊机2中国1999.830KVA状况良好17直流电焊机2中国2001.312KW状况良好18稳固土拌与机2国2001.2105KW状况良好19平地机1中国200

7、1.6120KW状况良好20强夯机2中国2002、3状况良好工种级别土方开挖回填杂工40151015爆破工20木工101020管道安装工15钢筋工15混凝土工1015架子工810电焊工333机械工10512965水电工333442普工20101520158合计935150434693序号检查项目同意偏乏检查频率检查方法范围点数1厚度10mm100OM2路中路两侧各一处打洞、尺量2板结厚度-IOmm100OM2路中路两侧各一处打洞、尺量3宽度不小于单向车道设计宽100M3尺量4平整度10mm100M103M直尺5中线高程20mm50M3水准仪6横坡度0.5%50M3水准仪7密实度95%100OM21距离路边缘IM处取样或者灌砂法序号计量器具名称型号、规格、准确度应配数已配数备注1经纬仪J2112水准仪DSl113钢卷尺50m334钢卷尺3.5m30305游标卡尺0150mm116钢板尺50cm117线锤0.75kg50508地中衡3050t119台秤100Okg1110台秤100kg1111案秤IOkg1112分析天平2级2213万能实验机1%1111万能实验机WE-1001115压力机NYL-2001116温度计1%2217干温球温度计2218石子标准筛1119砂子标准筛1120役试槎6621砂浆试模101022塌落度筒5523砂浆稠稀仪1124公升塔101025秒表r22

展开阅读全文
相关资源
猜你喜欢
相关搜索

当前位置:首页 > 建筑/环境 > 施工组织

copyright@ 2008-2023 1wenmi网站版权所有

经营许可证编号:宁ICP备2022001189号-1

本站为文档C2C交易模式,即用户上传的文档直接被用户下载,本站只是中间服务平台,本站所有文档下载所得的收益归上传人(含作者)所有。第壹文秘仅提供信息存储空间,仅对用户上传内容的表现方式做保护处理,对上载内容本身不做任何修改或编辑。若文档所含内容侵犯了您的版权或隐私,请立即通知第壹文秘网,我们立即给予删除!