药物检验实验报告.docx

上传人:p** 文档编号:349333 上传时间:2023-08-05 格式:DOCX 页数:3 大小:18.87KB
下载 相关 举报
药物检验实验报告.docx_第1页
第1页 / 共3页
药物检验实验报告.docx_第2页
第2页 / 共3页
药物检验实验报告.docx_第3页
第3页 / 共3页
亲,该文档总共3页,全部预览完了,如果喜欢就下载吧!
资源描述

《药物检验实验报告.docx》由会员分享,可在线阅读,更多相关《药物检验实验报告.docx(3页珍藏版)》请在第壹文秘上搜索。

1、药物检验实验报告实验题目:葡萄糖杂质检查一、实验目的1、掌握葡萄糖一般杂质检查的目的和原理;2、熟悉杂质检查的操作方法。二、实验原理1、性状本品为无色结晶或白色结晶性或颗粒粉末,无臭,味甜,在水中易溶。2、酸碱度检查:是用药典规定的方法对药物中的酸度、碱度及酸碱度等酸碱性杂质进行检查。检查时应以新沸并放冷至室温的水为溶剂。不溶于水的药物,可用中性乙醇等有机溶剂溶解。常用的方法有酸碱滴定法,指示剂法以及PH值测定法。3、氯化物检查法:氯化物在硝酸溶液中与硝酸银作用,生成氯化银沉淀而显白色浑浊,与一定量的标准氯化钠溶液和硝酸银在同样条件下用同法处理生成的氯化银浑浊程度相比较,测定供试品中氯化物的限

2、量。反应离子方程式:Cl+AgAgCl(白色)4、硫酸盐检查法:药物中微量硫酸盐与氯化钢在酸性溶液中作用,生成硫酸钢沉淀而显白色浑浊液,同一定量标准硫酸钾溶液与氯化钢在同样条件下,用同法处理生成的浑浊比较,判断药物中含硫酸盐的限量。反应离子方程式:SO42+Ba2+fBaS04j(白色)5、干燥失重:主要指水分,包括其它挥发性物质。用于受热较稳定的药物,温度一般为105团,在烘箱内干燥至恒重。三、试剂与仪器、酚酷指示液、石蕊试纸、氢氧化钠滴定液(0.02molL):称取0.08gNaOH,溶于100mL水中。(4)、稀硝酸:取硝酸10.5ml,加水稀释至100mI,即得。本液含HNo3应为9.

3、5%10.5%(5)、稀盐酸:取盐酸23.4ml,加水稀释至IoomI,即得。本液含盐酸分数应为9.5%10.5%、硝酸银溶液(O.lmol/L):称取1.75g硝酸银,溶于IOomL水中。-+、标准氯化钠溶液(100gC-ml):称取氯化钠0.165g,置100oml量瓶中,加水适量使溶解并稀释至刻度,摇匀,作为贮备液。临用前,精密量取贮备液IomI,置IOoml量瓶中,加水稀释至刻度,摇匀,即得(每Iml相当于10g的Cl)、25%氯化钢溶液:称取25g固体氯化钢溶解于IoOml蒸你水中,摇匀。(9)、标准硫酸(100gS042+ml)溶液称取硫酸钾0181g,置100Oml量瓶中,加水适

4、量使溶解并稀释至刻度,摇匀,即得(每ImI相当于100g的SO42-)四、实验步骤1、溶液澄清度取本品5g,加热水溶解后,放冷,用水稀释至IOmI,溶液应澄清无色2、酸度取本品2.0g,加水20ml溶解后,加酚Ftt指示液3滴与氢氧化钠滴定液(0.02molL)0.20ml,应显粉红色。3、氯化物取本品0.60g,加水溶解使成25ml(如显碱性可滴加硝酸使遇石蕊试纸显中性反应),再加稀硝酸IomI,溶液如不澄清,虑过。置50ml纳氏比色管中,加水适量使成约40ml,加硝酸银溶液ImL用水稀释成50ml,摇匀,在暗处放置5分钟,如发生浑浊,与标准氯化钠溶液一定量制成得对照液【取标准氯化钠溶液(1

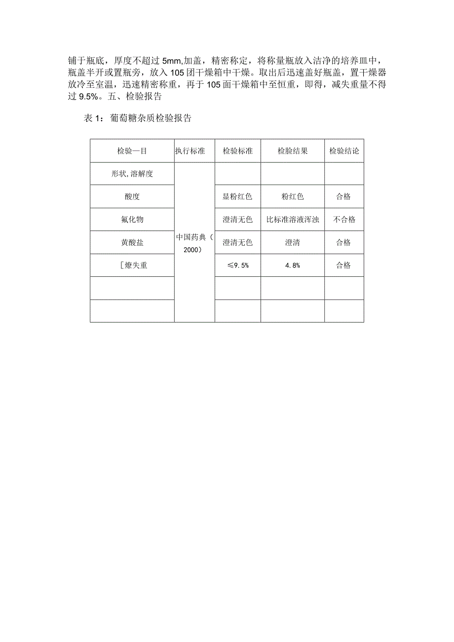
5、0gC-ml)6.0ml置50ml纳氏比色管中,加稀硝酸IOmI,用水稀释使成约40ml后,加硝酸银试液1ml,再加水适量使成50ml,摇匀,在暗处放置5分钟】比较,不得更浓(0.010%)4、硫酸盐取本品2.0g,加水溶解使成40ml(如显碱性,可滴加盐酸使遇石蕊试纸显中性反应)。溶液如不澄清,虑过,置50ml纳氏比色管中,加稀盐酸2ml,加25%氯化钢溶液5ml,加水稀释使成50ml,摇匀,放置10分钟,如发生浑浊,与对照标准液【取标准硫酸(100gS042+ml)溶液2.0ml,置50ml纳氏比色管中,加水稀释使成40ml,加稀盐酸2ml,加25%氯化铁溶液5ml,加水稀释使成50ml,摇匀,放置10分钟】比较,不得更浓(0.01%)。5、干燥失重取本品l2g,置与供试品同样条件下干燥至恒重的扁形称量瓶中,使供试品平铺于瓶底,厚度不超过5mm,加盖,精密称定,将称量瓶放入洁净的培养皿中,瓶盖半开或置瓶旁,放入105团干燥箱中干燥。取出后迅速盖好瓶盖,置干燥器放冷至室温,迅速精密称重,再于105面干燥箱中至恒重,即得,减失重量不得过9.5%。五、检验报告表1:葡萄糖杂质检验报告检验目执行标准检验标准检脸结果检验结论形状,溶解度中国药典(2000)酸度显粉红色粉红色合格氟化物澄清无色比标准溶液浑浊不合格黄酸盐澄清无色澄清合格燎失重9.5%4.8%合格

展开阅读全文
相关资源
猜你喜欢
相关搜索

当前位置:首页 > 医学/心理学 > 药学

copyright@ 2008-2023 1wenmi网站版权所有

经营许可证编号:宁ICP备2022001189号-1

本站为文档C2C交易模式,即用户上传的文档直接被用户下载,本站只是中间服务平台,本站所有文档下载所得的收益归上传人(含作者)所有。第壹文秘仅提供信息存储空间,仅对用户上传内容的表现方式做保护处理,对上载内容本身不做任何修改或编辑。若文档所含内容侵犯了您的版权或隐私,请立即通知第壹文秘网,我们立即给予删除!