车间工艺管道施工组织设计.docx

上传人:p** 文档编号:350473 上传时间:2023-08-05 格式:DOCX 页数:40 大小:250.87KB
下载 相关 举报
车间工艺管道施工组织设计.docx_第1页
第1页 / 共40页
车间工艺管道施工组织设计.docx_第2页
第2页 / 共40页
车间工艺管道施工组织设计.docx_第3页
第3页 / 共40页
车间工艺管道施工组织设计.docx_第4页
第4页 / 共40页
车间工艺管道施工组织设计.docx_第5页
第5页 / 共40页
车间工艺管道施工组织设计.docx_第6页
第6页 / 共40页
车间工艺管道施工组织设计.docx_第7页
第7页 / 共40页
车间工艺管道施工组织设计.docx_第8页
第8页 / 共40页
车间工艺管道施工组织设计.docx_第9页
第9页 / 共40页
车间工艺管道施工组织设计.docx_第10页
第10页 / 共40页
亲,该文档总共40页,到这儿已超出免费预览范围,如果喜欢就下载吧!
资源描述

《车间工艺管道施工组织设计.docx》由会员分享,可在线阅读,更多相关《车间工艺管道施工组织设计.docx(40页珍藏版)》请在第壹文秘上搜索。

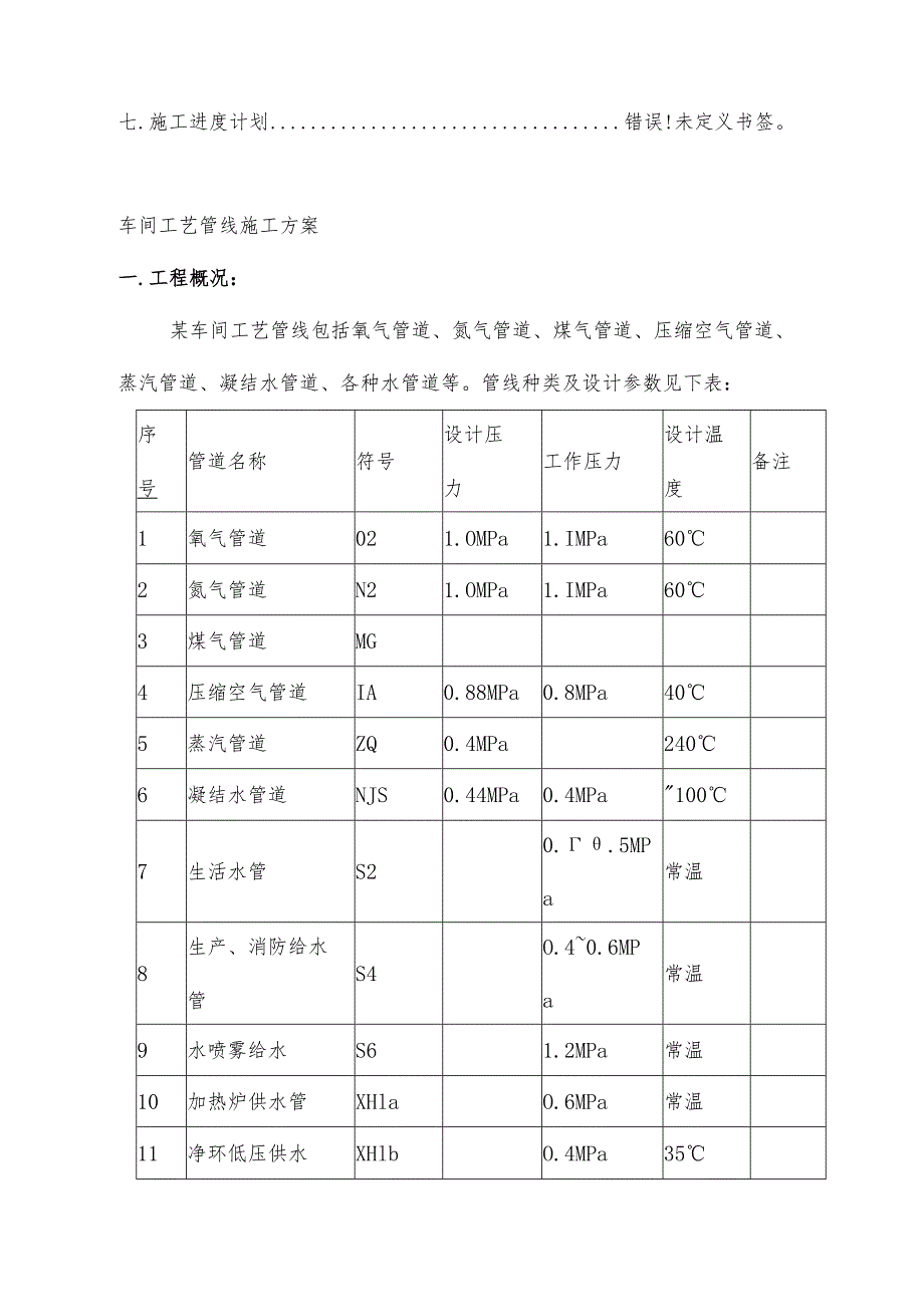
1、一 .工程概况:2二 .编制依据:3三 .管道安装施工方案31管道安装的一般要求32氧气管道安装104煤气管道安装165压缩空气管186给排水管道施工207蒸汽管道的安装208采暖管道安装229管道试压2310管道系统的吹扫与清洗2611管道涂漆2812管道的保温29四、项目主要资源配置计划291分阶段各专业工程人力资源使用计划292.拟投入本工程的主要施工机械设备表30五 .质量保证措施31六 .施工安全保证措施38七.施工进度计划错误!未定义书签。车间工艺管线施工方案一.工程概况:某车间工艺管线包括氧气管道、氮气管道、煤气管道、压缩空气管道、蒸汽管道、凝结水管道、各种水管道等。管线种类及设

2、计参数见下表:序号管道名称符号设计压力工作压力设计温度备注1氧气管道021.OMPa1.IMPa602氮气管道N21.OMPa1.IMPa603煤气管道MG4压缩空气管道IA0.88MPa0.8MPa405蒸汽管道ZQ0.4MPa2406凝结水管道NJS0.44MPa0.4MPa1007生活水管S20.5MPa常温8生产、消防给水管S4O.40.6MPa常温9水喷雾给水S61.2MPa常温10加热炉供水管XHlaO.6MPa常温11净环低压供水XHlbO.4MPa3512净环低压回水XH40.4MPa4513浊环高压供水管XH2a1.2MPa3514浊环低压供水管XH2b0.4MPa25二.编

3、制依据:1工业金属管道工程施工及验收规范(GB50235-97)2现场设备工业管道焊接工程施工及验收规范(GB50236-98)3压力管道安全技术监察规程-工业管道(Tsgdoooi)4压力管道规范工业管道(GB/T20801)5氧气管道施工说明(BRQ160)6氮气管道施工说明(BRQ161)7钢铁厂车间内煤气管道施工说明(BRQl58)8氧气容器及管路脱脂说明(BRQl59)9建筑给排水及采暖工程施工质量验收规范GB50242-200210工业设备及管道绝热工程施工及验收规范GB50264-9711工业设备、管道防腐蚀工程施工及验收规范HGJ229-199112建龙钢厂提供的车间工艺管线施

4、工图及施工说明三.管道安装施工方案1管道安装的一般要求b)管道材料验收1)管子、管件到位后,按有关国家和行业标准对其外观进行检查验收。2)管子、管件安装焊接前要进行酸洗除锈及有脱脂要求的管子还必须进行酸洗、脱脂。管子、管件酸洗、脱脂要有相应的验收资料或出厂检验合格资料。酸洗、脱脂后的管子及管件运到现场前其两端一定要封扎严实。3)阀门到货后对有强度及密封性试验要求的阀门要进行强度及密封性试验。c)预制的内容1)管材到货及验收后,应根据图纸和走向空间,能地面组对、煨弯的,应尽量在地面进行,减少空中作业。2)管道支架应提前预制好。3)埋地管道施工前应进行管道的防腐工作,根据设计要求确定防腐材料,防腐

5、后的管道根据设计及业主要求进行电火花检测及粘贴强度和防腐厚度的检验。4)针对不锈钢材质的特性,不锈钢管的现场切割应采用手锯、管刀、等离子切割机等,不得使用氧-乙块焰切割。在管径及壁厚较小,采用管刀切割时,管口毛刺要用铿刀进行加工。d)管道安装要求管道安装总体精度要求如下,如与设计不符应按设计要求执行。管道安装的允许偏差表项目允许偏差(mm)坐标架空及地沟室外25室内15埋地60标高架空及地沟室夕卜20室内i15埋地25水平管道平直度DN1002L%o,最大50DN1005L%o,最大80立管铅垂度5L%o,最大30成排管道间距15交叉管的外壁或绝热层间距20e)主车间架空管道的安装架空管道可利

6、用车间内天车和临时吊具(吊杆和配重组成)将管道送到安装部位,或者利用挂在上部厂房上的定滑轮用卷扬机吊装到位,对于重量较轻较小的管道,可利用人力拽滑轮组的方法吊装就位。f)管道焊接1)管道的焊接要求焊工一定要持证上岗,对压力管道施焊的焊工还必须要有焊接压力容器的上岗证书。管子及管件在对接之前一定要打坡口,坡口加工宜采用机械方法进行,如用气焊切割,必须将坡口部分打磨平整后方可进行焊接。管道焊接的坡口型式和要求序号坡口坡口形式手工焊坡口尺寸(Inln)1I型坡口单面焊S13COL5双面焊S36C0-2.52V型坡口IS3992665755565CO203PO2033X型坡口2初S=12-60h=03

7、C=O-3=55o65焊条、焊丝的选用应符合设计文件的要求,焊条要在规定的温度和时间烘干后才可使用,且要有专人负责管理。烘干后的焊条进入施工现场,要有专用的保温桶存放,不得随意乱放。管子或管件对接焊接组对时,对坡口及其内外表面要用手工或机械的方法进行清理,清理范围要大于或等于IOmm,而且内壁应齐平,内壁错边量不宜超过壁厚的10%,且不大于2mmo不宜在管道焊缝及其边缘上开孔,卷管的纵向焊缝应置于易检修的位置,且不宜在底部,环焊缝距支架净距不应小于50mm0不锈钢管焊接采用氮弧焊打底,氮弧焊盖面。氢弧焊丝应根据管道的材质选择,鸨极一般选用含二氧化牡1L5%的牡鸨棒,也可采用纯鸽棒,氢气纯度宜在

8、99.2%以上。管子的坡口宜采用机械方法或等离子切割或手工铿等方法。焊前应将坡口及两侧20mm宽度范围内的油污清除干净,并宜在坡口两侧IoOmm宽度内涂上白恶粉,防止焊接飞溅物沾附在管壁上。不锈钢管道的焊接,采用在管道内部充氮气对管道焊缝进行焊接,管道内部充氮气焊接可以减少管道内表面的氧化层,焊接后可进行修磨焊口处理。氧气管道焊接,采用氢弧焊打底电弧焊二次焊,对管道直径60mmm的管子焊接,直接采用氢弧焊焊接成型。2)管道焊接检验管道的焊缝应进行外观检查,外观检验质量应符合下列规定:设计文件规定进行局部射线照相检验或超声波检验的焊缝,其外观质量不得低于本规范表中的HI级。不要求进行无损检验的焊

9、缝,其外观质量不得低于下表中的IV级。检验项目缺陷名称质量分级IIIIIIIV焊缝外观质量裂纹不允许表面气孔不允许26每50mm焊缝长度内允许直径W0.36,且W2mm的气孔两个孔间距26倍孔径每50mm焊健长度内允许直径W0.4,且3mm的气孔两个孔间距26倍孔径表面夹渣不允许深W0.1长0.3,且Wlomm深W0.26长W0.5,且20mm咬边不允许0.05,且WO.5mm连续长度WlOomm,且焊缝两侧咬边总长W10%焊缝全长0.1,且W1mm,长度不限未焊透不允许不加垫单面焊允许值0.15,且1.5三n,0.2,且W2.Omm,每100焊缺陷总长在66焊缝长度内不超过8缝内缺陷总长W2

10、5mm根部收缩不允许O.2+0.O23,且0.5mm0.2+0.02,且lmm0.2+0.04,且W2mm长度不限角焊缝厚度不够不允许0.3+0.05,且W1mm,每Ioomin焊缝长度内缺陷总长度W25mm0.3+0.05,且2mm,每100mm焊缝长度内缺陷总长度W25mm角焊缝焊脚不对称差值Wl+O.Ia2+0.15a2+0.2a余高l+0.1b,且最大为3mml+0.2b,且最大为5三焊缝的内部质量,应按设计文件的规定进行射线照相检验或超声波检验。碳素钢焊缝的射线照相检验应符合现行国家标准钢熔化焊对接接头射线照相和质量分级JB/T4730-2005的规定;超声波检验应符合现行国家标准钢

11、焊缝手工超声波探伤方法和探伤结果分级GB11345的规定。管道焊缝的射线照相检验数量应符合下列规定:下列管道焊缝应进行100%射线照相检验,其质量不得低于11级: 输送剧毒流体的管道; 输送设计压力大于等于IoMPa或设计压力大于等于4Mpa且设计温度大于等于400。C的可燃流体、有毒流体的管道; 输送设计压力大于等于IOMPa且设计温度大于等于400。C的非可燃流体、无毒流体的管道; 设计温度小于一290。C的低温管道; 设计文件要求进行100%射线照相检验的其他管道。输送设计压力小于等于IMPa且设计温度小于400。C的非可燃流体管道、无毒流体管道的焊缝,可不进行射线照相检验。其他管道应进

12、行抽样射线照相检验,抽检比例不得低于5%,且质量不得低于In级。抽检比例和等级应符合设计文件的要求。2氧气管道安装a)施工程序b)施工重点说明1)氧气管道组成件及管道支撑件的检验管道组成件及管道支撑件必须具有制造厂的质量证明书,其质量必须符合国家现行标准的规定。管道组成件及管道支撑件的材质、规格、型号、质量应符合设计文件的规定,并应按照国家现行标准进行外观检验,不合格者不得使用。所有管道、管件、均应酸洗、脱脂、钝化,密封管口,酸洗采用酸洗工厂统一酸洗,酸洗合格后运至现场,到达现场后,再经确认合格后,方可安装。氧气管道的阀门宜采用球阀、截止阀,当工作压力大于O.IMPa时,严禁采用闸阀,所有阀门

13、应逐个进行壳体强度试验和密封试验,不合格者,不得使用。阀门壳体的强度试验压力不得小于公称压力的1.5倍,试验时间不得小于5min,以壳体填料无渗漏为合格;密封试验宜以公称压力进行,以阀瓣密封面不漏为合格。试验合格的阀门,应及时排尽内部积水、经脱脂后吹干,关闭阀门,封闭出入口,做出明显的标记,并应按规范规定的格式填写“阀门试验记录”。管道组成件及管道支撑件在施工过程中应妥善保管,不得混淆、或损坏,暂时不能安装的管道,应注意保持管口封闭。2)管道、设备脱脂与检验a管子内表面脱脂,可在管内注入溶剂,管端用木堵或其它方法封闭。将管子放平浸泡11.5小时,每隔15分钟转动一次,逐次转到应浸泡的部位o每次转动都要使管子滚动几个整圈,使管子的整个内表面都能均匀地受到溶剂浸泡和多次洗涤。管子每长1米,其内表面脱脂所需的溶剂量,一般可按下表确定。管子内径Inm15202532405065溶剂量0.150.20.30.400.50.60.7升溶剂浸没圆弧25120520017916414

展开阅读全文
相关资源
猜你喜欢
相关搜索

当前位置:首页 > 建筑/环境 > 施工组织

copyright@ 2008-2023 1wenmi网站版权所有

经营许可证编号:宁ICP备2022001189号-1

本站为文档C2C交易模式,即用户上传的文档直接被用户下载,本站只是中间服务平台,本站所有文档下载所得的收益归上传人(含作者)所有。第壹文秘仅提供信息存储空间,仅对用户上传内容的表现方式做保护处理,对上载内容本身不做任何修改或编辑。若文档所含内容侵犯了您的版权或隐私,请立即通知第壹文秘网,我们立即给予删除!