建筑工程泵送剂检测结果.docx

上传人:p** 文档编号:364783 上传时间:2023-08-06 格式:DOCX 页数:1 大小:6.04KB
下载 相关 举报
建筑工程泵送剂检测结果.docx_第1页
第1页 / 共1页
亲,该文档总共1页,全部预览完了,如果喜欢就下载吧!
资源描述

《建筑工程泵送剂检测结果.docx》由会员分享,可在线阅读,更多相关《建筑工程泵送剂检测结果.docx(1页珍藏版)》请在第壹文秘上搜索。

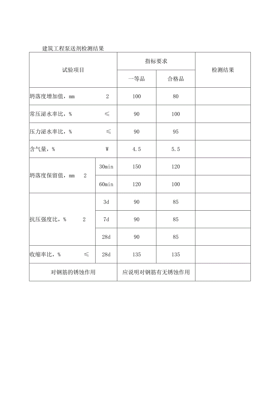
建筑工程泵送剂检测结果试验项目指标要求检测结果一等品合格品坍落度增加值,mm210080常压泌水率比,%90100压力泌水率比,%9095含气量,%W4.55.5坍落度保留值,mm230min15012060min120100抗压强度比,%23d90857d908528d9085收缩率比,%28d135135对钢筋的锈蚀作用应说明对钢筋有无锈蚀作用

展开阅读全文
相关资源
猜你喜欢
相关搜索

当前位置:首页 > 建筑/环境 > 建材标准

copyright@ 2008-2023 1wenmi网站版权所有

经营许可证编号:宁ICP备2022001189号-1

本站为文档C2C交易模式,即用户上传的文档直接被用户下载,本站只是中间服务平台,本站所有文档下载所得的收益归上传人(含作者)所有。第壹文秘仅提供信息存储空间,仅对用户上传内容的表现方式做保护处理,对上载内容本身不做任何修改或编辑。若文档所含内容侵犯了您的版权或隐私,请立即通知第壹文秘网,我们立即给予删除!