农田水利渡槽(10<跨度<30m)支承单元工程质量评定表.docx

上传人:p** 文档编号:366537 上传时间:2023-08-06 格式:DOCX 页数:1 大小:17.12KB
下载 相关 举报
农田水利渡槽(10<跨度<30m)支承单元工程质量评定表.docx_第1页
第1页 / 共1页
亲,该文档总共1页,全部预览完了,如果喜欢就下载吧!
资源描述

《农田水利渡槽(10<跨度<30m)支承单元工程质量评定表.docx》由会员分享,可在线阅读,更多相关《农田水利渡槽(10<跨度<30m)支承单元工程质量评定表.docx(1页珍藏版)》请在第壹文秘上搜索。

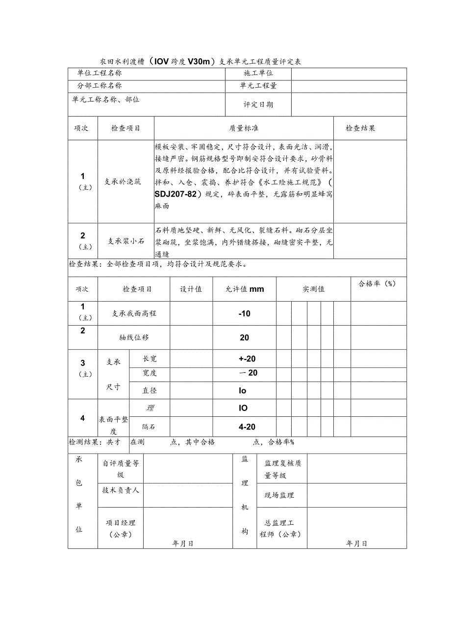
农田水利渡槽(IOV跨度V30m)支承单元工程质量评定表单位工程名称施工单位分部工称名称单元工程量单元工称名称、部位评定日期项次检查项目质量标准检查结果1(主)支承於浇筑模板安装、牢固稳定,尺寸符合设计,表面光洁、润滑,接缝严密。钢筋规格型号即制安符合设计要求,砂骨料及原料经报验合格,配合比符合设计,并有试验资料。拌和、入仓、震捣、养护符合水工殓施工规范(SDJ207-82)规定,碎表面平整,无露筋和明显蜂窝麻面2(主)支承浆小石石料质地坚硬、新鲜、无风化、裂缝石料。砌石分层坐浆砌筑,坐浆饱满,内外错缝搭接,砌缝密实平整,无通缝检查结果:全部检查项目项,均符合设计及规范要求。项次检查项目设计值允许值mm实测值合格率(%)1(主)支承我面高程-102轴线位移203(主)支承尺寸长宽+-20宽度一20直径Io4表面平整度理IO隔石4-20检测结果:共才在测点,其中合格点,合格率%承包单位自评质量等级监理机构监理复核质量等级技术负责人现场监理项目经理(公章)年月日总监理工程师(公章)年月日

展开阅读全文
相关资源
猜你喜欢
相关搜索

当前位置:首页 > 建筑/环境 > 建筑材料

copyright@ 2008-2023 1wenmi网站版权所有

经营许可证编号:宁ICP备2022001189号-1

本站为文档C2C交易模式,即用户上传的文档直接被用户下载,本站只是中间服务平台,本站所有文档下载所得的收益归上传人(含作者)所有。第壹文秘仅提供信息存储空间,仅对用户上传内容的表现方式做保护处理,对上载内容本身不做任何修改或编辑。若文档所含内容侵犯了您的版权或隐私,请立即通知第壹文秘网,我们立即给予删除!