防爆锂电池组模块技术指标.docx

上传人:p** 文档编号:368436 上传时间:2023-08-06 格式:DOCX 页数:4 大小:110.35KB
下载 相关 举报
防爆锂电池组模块技术指标.docx_第1页
第1页 / 共4页
防爆锂电池组模块技术指标.docx_第2页
第2页 / 共4页
防爆锂电池组模块技术指标.docx_第3页
第3页 / 共4页
防爆锂电池组模块技术指标.docx_第4页
第4页 / 共4页
亲,该文档总共4页,全部预览完了,如果喜欢就下载吧!
资源描述

《防爆锂电池组模块技术指标.docx》由会员分享,可在线阅读,更多相关《防爆锂电池组模块技术指标.docx(4页珍藏版)》请在第壹文秘上搜索。

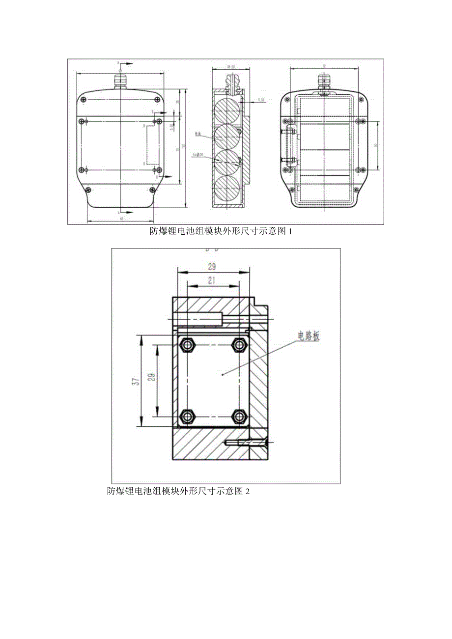
1、防爆锂电池组模块技术指标1、型号:Dsczdyooi2、主要技术指标: 初始电压:14.4V 工作电压范围:8.0V至14.4V 额定容量:6.5Ah 最大持续放电电流100OmA 工作温度:-40C至+603、输出定义:接插件型号:J30J-9TJL,1,2,3,4VCCIN(电源正),6、7、8、9GDN(电源地)4、防爆性能 产品电源芯通过国际标准UL安全认证及UN运输安全认证; 电芯采用高品质进口电芯,性能更稳定,电芯级片致密保护膜,内阻低,无记忆效应; 内置多重安全防爆设计,可在过压(小于8V)、过流(大于1A)或短路等异常环境下,保证锂电池组模块不会起爆; 进线装置采用防拔脱及防松

2、设计;(参考GB3836.1-2010爆炸性环境设备通用要求) 防爆电气采用不然性或难燃性材料制成,还必须承受冲击试验和热稳定试验。(参考GB3836.1-2010爆炸性环境设备通用要求) 采用浇封型防爆设计,将有可能产生点燃爆炸性混合物的电弧、火花或能产生高温的部件浇筑在浇封剂中,避免电气部件与爆炸性混合物接触,从而使设备正常运行或故障时均不能点燃周围爆炸性混合物。(参考GB3836.1-2010爆炸性环境设备通用要求) 宽温工作,低温工作可达-40,高温工作可达+60。5、注意事项: 严禁电池放入火中或加热; 电池为一次性电池,严禁充电; 不能放在水中浸泡电池; 禁止私自拆卸电池; 电池应保存在阴凉,干燥无阳光直射处。6、环境实验报告+60oC-403次不大于10C/min振动试验振动试验条件WKg2Hz)W2(g2Hz)振动方向时间(min)0.0200.0188X,Y,Z60随机振动谱冲击试验冲击试验条件峰值过载波形方向持续时间I冲击次数15g半正弦波X、Y、zHms每方向3次7、外形及尺寸防爆锂电池组模块外形尺寸示意图1防爆锂电池组模块外形尺寸示意图2防爆锂电池组模块外形示意图3

展开阅读全文
相关资源
猜你喜欢
相关搜索

当前位置:首页 > 行业资料 > 船工业技术

copyright@ 2008-2023 1wenmi网站版权所有

经营许可证编号:宁ICP备2022001189号-1

本站为文档C2C交易模式,即用户上传的文档直接被用户下载,本站只是中间服务平台,本站所有文档下载所得的收益归上传人(含作者)所有。第壹文秘仅提供信息存储空间,仅对用户上传内容的表现方式做保护处理,对上载内容本身不做任何修改或编辑。若文档所含内容侵犯了您的版权或隐私,请立即通知第壹文秘网,我们立即给予删除!