触摸屏的应用实例.docx

上传人:p** 文档编号:370210 上传时间:2023-08-06 格式:DOCX 页数:17 大小:547.20KB
下载 相关 举报
触摸屏的应用实例.docx_第1页
第1页 / 共17页
触摸屏的应用实例.docx_第2页
第2页 / 共17页
触摸屏的应用实例.docx_第3页
第3页 / 共17页
触摸屏的应用实例.docx_第4页
第4页 / 共17页
触摸屏的应用实例.docx_第5页
第5页 / 共17页
触摸屏的应用实例.docx_第6页
第6页 / 共17页
触摸屏的应用实例.docx_第7页
第7页 / 共17页
触摸屏的应用实例.docx_第8页
第8页 / 共17页
触摸屏的应用实例.docx_第9页
第9页 / 共17页
触摸屏的应用实例.docx_第10页
第10页 / 共17页
亲,该文档总共17页,到这儿已超出免费预览范围,如果喜欢就下载吧!
资源描述

《触摸屏的应用实例.docx》由会员分享,可在线阅读,更多相关《触摸屏的应用实例.docx(17页珍藏版)》请在第壹文秘上搜索。

1、触摸屏的应用实例1.1 实例要求本实例为利用TP170A和西门子PLC实现对某储油罐的控制,储油罐高为100,有1个进油阀门和1个排油阀门,油罐内部安装有液位传感器,用来采集实际油位。要求在触摸屏上实现下述控制功能:1 .在触摸屏上设置手动和自动转换开关;2 .在手动情况下,可分别控制进油阀和排油阀的开启和关闭,并可以读取储油罐实时液位值;3 .在自动情况下,当任意设定油位高度(小于90)后,且实际油位小于设定油位时,进油阀自动打开,开始给油罐进油;当实际油位值等于或大于设定油位值时,进油阀自动关闭。1.2 系统硬件1 .触摸屏选型本实例是一个小型项目,需要的信息量和功能较少,没有要求报警和配

2、方功能,所以选用西门子HMI设备中最基本且最经济的触摸屏TP170Ao(1) TPI70A概述如图13/所示为TP170A正面图,屏幕尺寸为5.7英寸,采用蓝色STN-LCD,4级灰度。图13-1TP170A正面图表13-1列出了TP170A画面的对象,它支持位图、图标和背景图画,动态对象仅有棒图,可以实现基本的组态任务。画面对象TPl70A按钮是开关是IO域是图形K)域是符号IO域是报警指示器否报警视图否简单报警视图是报警窗口是配方视图否简单配方视图否棒图是趋势视图否日期/时间域是用户视图否简单用户视图否图13-2TP170A的接口示意图(2) TPI70A接口如图13-2所示为TP170A

3、的接口示意图,其中:“1”为电源连接端口,使用24VDC电源;“2”为接地端;“3”为RS422/RS485接口(1FIB),主要用于与PLC相连,称之为通讯端口,另外,当组态计算机安装有MPl卡(例如CP5611卡)时,也可用于组态项目数据的下载;“4”为1232接口(正认),用于下载项目数据,称之为下载端口。TPI70A与SlMATlCS7-200通信可以选择PPI、MPl和PRoFIBUSDP方式;与SlMATlCS7-300/400可以选择MPI或PRoFlBUSDP通信,2.系统硬件连接本实例中系统硬件连接分为2个阶段,如图13-3所示。在进行项目组态阶段,触摸屏TP170A与计算机

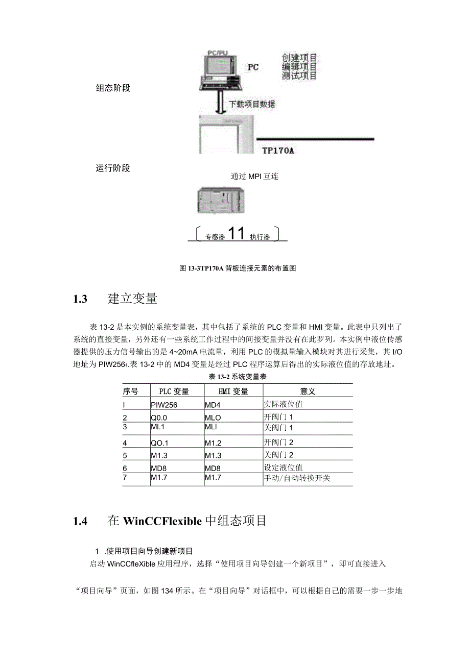
4、通过RS232串口连接。利用串口电缆连接,实现对触摸屏组态、程序下载和测试等。在设备运行阶段,触摸屏TP170A与PLC通过RS485通信口连接。利用MPI电缆连接,实现与PLC的CPU通信。通过PLC完成数据采集和设备控制,并将系统设备的实时状态在触摸屏上显示出来。组态阶段运行阶段通过MPl互连专感器11执行器图13-3TP170A背板连接元素的布置图1.3 建立变量表13-2是本实例的系统变量表,其中包括了系统的PLC变量和HMI变量。此表中只列出了系统的直接变量,另外还有一些系统工作过程中的间接变量并没有在此罗列。本实例中液位传感器提供的压力信号输出的是420mA电流量,利用PLC的模拟

5、量输入模块对其进行采集,其I/O地址为PIW256.表13-2中的MD4变量是经过PLC程序运算后得出的实际液位值的存放地址。表13-2系统变量表序号PLC变量HMI变量意义IPIW256MD4实际液位值2Q0.0MLO开阀门13Ml.1MLl关阀门14QO.1M1.2开阀门25M1.3M1.3关阀门26MD8MD8设定液位值7M1.7M1.7手动/自动转换开关1.4 在WinCCFlexible中组态项目1 .使用项目向导创建新项目启动WinCCfleXible应用程序,选择“使用项目向导创建一个新项目”,即可直接进入“项目向导”页面,如图134所示。在“项目向导”对话框中,可以根据自己的需

6、要一步一步地创建一个新的WinCCflexible项目。“项目向导”页面中包含有新项目中各种常用组态的情况,这些情况是以选择的形式出现,所以用户只要点击鼠标就可完成新项目的基本组态(这些组态也可以在创建好后再修改)。现以本实例创建新项目的过程为例,分步骤阐述创建新项目的全过程。(1) 在“项目向导”页面中单击“使用项目向导创建一个新项目”,进入如图13-5所示页面,这个页面与后续几个页面有相同的结构,都分成左右两个部分,左侧显示出在新建项目过程中的几个步骤以及当前页面所属的是哪一步.右侧是当前步骤的组态内容。如图13-5所示的页面是“选择项目类型“,也是创建新项目的第一步。它提供了两个功能选项

7、:一是与实际应用符合的设备组态的场景,例如与控制器连接的HMI设备是小型还是大型等。大型项目是指控制器与多个HMl设备相连;二是创建的新项目是独立的还是集成在S7项目(由SlEMENS编程软件STEP7生成的项目)中。在这里,我们选择独立的小型设备。(2) 单击“下一步”,进入“HMI设备和控制器”页面如图13-6所示,在HMI设备”选项中,单击图示圆框处,将显示出所有可用的HMl设备,在出现的对话框中双击选择PanelS170TP170A。“连接”选项中,选择aIFlBw方式。“控制器”选项中,选择控制器型号为SlMATlCS7300/400o图13-4项目向导页面图135选择项目类型”页面

8、图13-6HMI设备和控制器”页面图13-7“画面模板”页面(3) 单击“下一步”,进入“画面模板”页面,按照如图13-7所示设置即可。(4) 单击“下一步”进入“画面浏览”页面,如图13-8所示。在该页面中,用户可以根据项目的实际需要规划项目画面的逻辑结构及画面数量。本实例中只组态“起始画面”和一个“组成画面”。(5) 单击“下一步”进入“系统画面”页面(见图13-9),一般在小型项目应用中不使用系统画面,即默认设置。(6) 单击“下一步”进入“库”页面,如图13-10所示,左侧的对话框显示出了可用的库功能,若项目需要用到某个库元素,则选中该库元素并单击按钮即可将选中的库元素列入“选择的库”

9、中。(7) 单击“下一步”,进入组态“项目信息”页面,可以键入项目的名称和作者等信息。这是最后一个组态页面,在此单击“完成”按钮,将完成本次新项目的创建,并保存了该新建项目的组态设置。图13-8“画面浏览”页面图13-9“系统画面”页面2 .编辑项目由项目向导完成新建项目后,将自动打开WinCCfIeXible软件的工作环境,在“项目视图”中,根目录结构位于左侧,其中包含了可以组态的所有元素。为完成本实例项目要求,需要在以下元素中做组态工作:通讯/变量、画面、通讯/连接。(1) 通讯/变量根据项目的具体情况,设计需要的变量及意义,如表13-2所示。表中列出的都是外部变量,即与PLC进行数据交换

10、的变量,在PLC中均有实际的地址,其值随PLC程序的执行而改变。在“项目视图”中,双击“变量”,打开“变量编辑器”。根据表13-2创建HMl变量。如图13-11所示,是在“变量编辑器”中新建本项目的HMl变量。图13-1】变量编辑器的HMl变量(2) 画面在前一节“项目向导”页面中,己经通过项目向导建立了2个画面,因此在“项目视图”中的画面目录下将有2个画面,分别为“起始画面”和“分部双击可打开相应的画面,在画面中,系统已经自动生成了可以在每个分部画面与起始画面中互相切换的按钮。按钮默认位置在每个画面的底部。根据项目需要,本实例将“起始画面”重命名为“欢迎画面”,“分部_0”重命名为“油罐监控

11、画面”,如图13-12所示。我们的主要的组态工作都在“油罐监控画面”中。在“油罐监控画面”中(见图13-12),需要生成多个组态元素,具体如下:1)插入1/0域,如图13-13所示是其属性视图的常规项,设置模式为输入,并与“设定液位值”变量相关连。同样,也为“实际液位值”变量组态一个I/O域。2)插入四个按钮,分别命名为“开进油阀”、“关进油阀”、“开排油阀”和“关排油阀”。为“开进油阀”按钮组态“按下”事件(见图13-14)和“释放”事件,按下时选择函数SetBitw,函数的变量为“开阀门1”;同理,释放时函数为ResetBit”,变量也为“开阀门1”。用相同的方法为其它3个按钮组态。3)插

12、入一个棒图,用于模拟显示储油罐,在其属性视图的常规项(见图13-15)中,设置其最大值和最小值,过程值与变量”实际液位值”相关连。4)画面右上角的手/自动转换开关来自工具库中的库,目录为button_and_switches/Monochrom(单色)/Rotary.switches。TPI70A不是彩色屏,因此只能使用单色库中的元素。如图13-16所示在其属性视图的常规项中连接变量“手动自动转换”。5)图13-12中的阀门和连接管图形可以从工具库中拖来,具体目录是其图形项中的WinCCflexible图象文件夹SymbolFactoryGraphicsSymbolFactory4colors

13、Pipes和VaVelSo图13-12油罐监控画面IO 熨2 (10 域)规性画件 常属动事常规格式格式类型I十进制三I格式样式移动小数点 口字符串域长度M规性画需 常屋动事 活消改 邀取更风市i Iaa函数列表属性常规群态变量周期最大值过程值最小值图13/5棒图的属性视图的常规项图1316组态手动自动转换开关规性画件 常属动事图1314按钮的事件旗下项常规Mft(3) 通讯/连接完成画面组态后,需要设置TP170A与PLC之间的通讯连接。在“项目视图”中,双击“连接”,可打开相应的画面,如图13-17所示。系统在新建项目的过程中己经创建了一个连接,名称为“连接在下面的“参数”选项中可以设置H

14、M1、网络和PLC设备的具体参数。按照图13-17所示,设置HMI设备的波特率为187500,地址为1;PLC的profibus地址为2(需要在STEP7中做同样的设置),二者之间通过PrOfIbiIS网络互相通讯。其它参数均使用默认值即可。图13,17通讯连接编辑器1.5 离线测试项目完成画面组态和连接设置后,需要对项目进行保存和一致性检查。保存项目后,单击工具栏按钮启动一致性检查,一致性检查确保了例如保持数值范围以及指示出无效的输入等。在输出视图中观察没有错误后就可以进行离线测试项目。离线测试阶段可以仿真触摸屏的实际工作过程,系统既不需要连接触摸屏也不需要连接PLC。离线测试可以不受PLC影响,在操作单元上测试组态的单个功能,也不会更新PLC变量值。单击打开WinCCfIeXibIe运行模拟器(见图13-18)和项目的运行系统(见图13-19)。在模拟器的变量项中,可以选择所有在变量编辑器中已经建立的变量。例如,在运行模拟器的“变量”项中选择“实际液位值”变量,并“设置数值”项为60,回车后,在其运行系统中就实时地反映出变化。注意:在设置数值前,需要勾上“开始”前的复选框,这样才可以实时模拟变量的变化。Ri无标题的-inCCflexible运行模拟器文件9编辑查看9?!H昌父当前伯格式模粗设冠教馆开始实际液长值60十进和RIifl_vj0+进南I匠米NUM

展开阅读全文
相关资源
猜你喜欢
相关搜索

当前位置:首页 > IT计算机 > CSS/Script

copyright@ 2008-2023 1wenmi网站版权所有

经营许可证编号:宁ICP备2022001189号-1

本站为文档C2C交易模式,即用户上传的文档直接被用户下载,本站只是中间服务平台,本站所有文档下载所得的收益归上传人(含作者)所有。第壹文秘仅提供信息存储空间,仅对用户上传内容的表现方式做保护处理,对上载内容本身不做任何修改或编辑。若文档所含内容侵犯了您的版权或隐私,请立即通知第壹文秘网,我们立即给予删除!