5S检查表-现场&仓库.docx

上传人:p** 文档编号:374113 上传时间:2023-08-06 格式:DOCX 页数:4 大小:34.37KB
下载 相关 举报
5S检查表-现场&仓库.docx_第1页
第1页 / 共4页
5S检查表-现场&仓库.docx_第2页
第2页 / 共4页
5S检查表-现场&仓库.docx_第3页
第3页 / 共4页
5S检查表-现场&仓库.docx_第4页
第4页 / 共4页
亲,该文档总共4页,全部预览完了,如果喜欢就下载吧!
资源描述

《5S检查表-现场&仓库.docx》由会员分享,可在线阅读,更多相关《5S检查表-现场&仓库.docx(4页珍藏版)》请在第壹文秘上搜索。

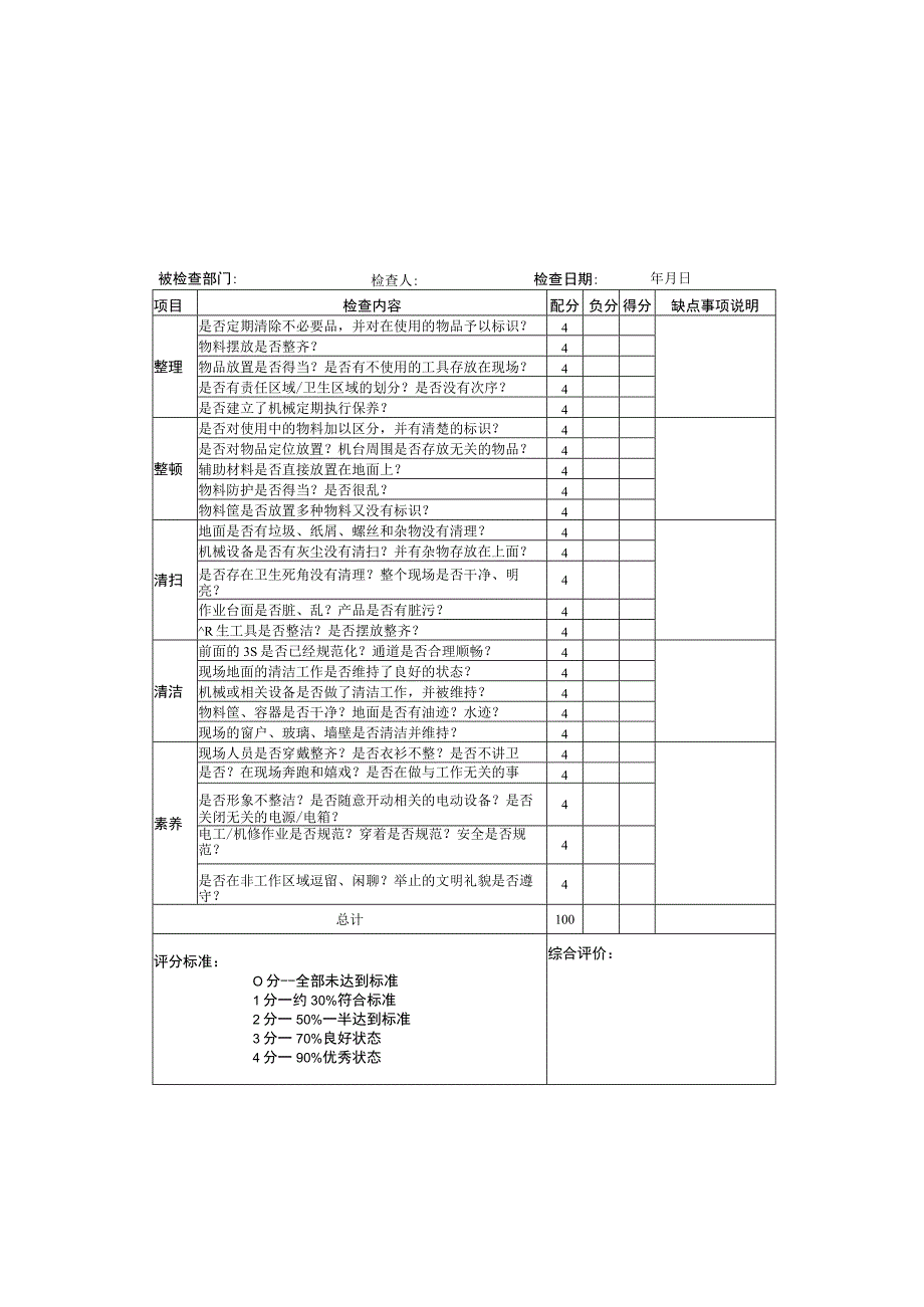
1、项目检查内容配分负分得分缺点事项说明是否定期清除不必要品,并对在使用的物品予以标识?4物料摆放是否整齐?4整理物品放置是否得当?是否有不使用的工具存放在现场?4是否有责任区域/卫生区域的划分?是否没有次序?4是否建立了机械定期执行保养?4是否对使用中的物料加以区分,并有清楚的标识?4是否对物品定位放置?机台周围是否存放无关的物品?4整顿辅助材料是否直接放置在地面上?4物料防护是否得当?是否很乱?4物料筐是否放置多种物料又没有标识?4地面是否有垃圾、纸屑、螺丝和杂物没有清理?4机械设备是否有灰尘没有清扫?并有杂物存放在上面?4清扫是否存在卫生死角没有清理?整个现场是否干净、明亮?4作业台面是否脏

2、、乱?产品是否有脏污?4R生工具是否整洁?是否摆放整齐?4前面的3S是否已经规范化?通道是否合理顺畅?4现场地面的清洁工作是否维持了良好的状态?4清洁机械或相关设备是否做了清洁工作,并被维持?4物料筐、容器是否干净?地面是否有油迹?水迹?4现场的窗户、玻璃、墙壁是否清洁并维持?4现场人员是否穿戴整齐?是否衣衫不整?是否不讲卫4是否?在现场奔跑和嬉戏?是否在做与工作无关的事情?4素养是否形象不整洁?是否随意开动相关的电动设备?是否关闭无关的电源/电箱?4电工/机修作业是否规范?穿着是否规范?安全是否规范?4是否在非工作区域逗留、闲聊?举止的文明礼貌是否遵守?4总计100评分标准:O分-全部未达到

3、标准1分一约30%符合标准2分一50%一半达到标准3分一70%良好状态4分一90%优秀状态综合评价:被检查部门:检查日期:检查人:年月日项目检查内容配分负分得分缺点事项说明是否定期清除不必要品,并对在使用的物品予以标识?4物料摆放是否整齐?4整理物品放置是否得当?是否有不使用的工具存放在现场?4是否有责任区域/卫生区域的划分?是否没有次序?4是否建立了机械定期执行保养?4是否对使用中的物料加以区分,并有清楚的标识?4是否对物品定位放置?机台周围是否存放无关的物品?4整顿辅助材料是否直接放置在地面上?4物料防护是否得当?是否很乱?4物料筐是否放置多种物料又没有标识?4地面是否有垃圾、纸屑、螺丝和

4、杂物没有清理?4机械设备是否有灰尘没有清扫?并有杂物存放在上面?4清扫是否存在卫生死角没有清理?整个现场是否干净、明亮?4作业台面是否脏、舌L?产品是否有脏污?4卫生工具是否整洁?是否摆放整齐?4前面的3S是否已经规范化?通道是否合理顺畅?4现场地面的清洁工作是否维持了良好的状态?4清洁机械或相关设备是否做了清洁工作,并被维持?4物料筐、容器是否干净?地而是否有油迹?水迹?4现场的窗户、玻璃、墙壁是否清洁并维持?4现场人员是否穿戴整齐?是否衣杉不整?是否不讲卫4是否?在现场奔跑和嬉戏?是否在做与工作无关的事情?4素养是否形象不整洁?是否随意开动相关的电动设备?是否关闭无关的电源/电箱?4电工/

5、机修作业是否规范?穿着是否规范?安全是否规范?4是否在非工作区域逗留、闲聊?举止的文明礼貌是否遵守?4总计100评分标准:O分一全部未达到标准1分一约30%符合标准2分一50%一半达到标准3分一70%良好状态4分一90%优秀状态综合评价:被检查部门:检查U期:检查人:年月日被检查部门:检查人:检查日期:年月日项目检查内容配分负分得分缺点事项说明整理是否定期清除不必要品,并对在使用的物品予以标识?4帐、物、卡是否保持一致?4物品放置是否得当?物品是否放置在指定区域?4是否有责任区域的划分?是否没有次序?4是否履行先进先出的原则?4整顿是否对使用中的物料加以区分,并有清楚地标识?4物料摆放是否整齐

6、?是否定位摆放?4辅助材料是否直接放置在地面上?4物料防护/会放是否得当?4物料筐是否放置多种物料又没有标识?是否很乱?4清扫地面是否有垃圾、纸屑、螺丝和杂物没有清理?4整个现场是否干净、明亮?半成品/成品表面是否干净?4是否存在卫生死角没有清理?4作业台面是否脏、舌L?产品是否有脏污?4卫生工具是否整洁?是否摆放整齐?4清洁前面的3S是否已经规范化?通道是否合理顺畅?4现场地面的清洁工作是否维持了良好的状态?4机械或相关设备是否做了清洁工作,并被维持?4物料筐、容器是否干净?地而是否有油迹?水迹?4现场的窗户、玻璃、墙壁,是否清洁并维持?4素养现场人员是否穿戴整齐?是否衣衫不整?是否不讲卫4

7、F否?在现场奔跑和嬉戏?是否在做与工作无关的事情?4是否形象不整洁?是否关闭无关的电源/电箱?4是否将仓库各类物资统归位?4是否在非工作区域逗留、闲聊?举止的文明礼貌是否遵守?4总计100评分标准:综合评价:0分一全部未达到标准1分一约30%符合标准2分一50%一半达到标准3分一70%良好状态4分一90%优秀状态被检查部门:检查人:检查日期:年月日项目检查内容配分负分得分缺点事项说明整理是否定期清除不必要品,并对在使用的物品予以标识?4帐、物、卡是否保持致?4物品放置是否得当?物品是否放置在指定区域?4是否有责任区域的划分?是否没有次序?4是否履行先进先出的原则?4整顿是否对使用中的物料加以区

8、分,并有清楚地标识?4物料摆放是否整齐?是否定位摆放?4辅助材料是否直接放置在地面上?4物料防护/叠放是否得当?4物料筐是否放置多种物料又没有标识?是否很乱?4清扫地面是否有垃圾、纸屑、螺丝和杂物没有清理?4整个现场是否干净、明亮?半成品/成品表面是否干净?4是否存在卫生死角没有清理?4作业台面是否脏、舌L?产品是否有脏污?4卫生工具是否整洁?是否摆放整齐?4清洁前面的3S是否已经规范化?通道是否合理顺畅?4现场地面的清洁工作是否维持了良好的状态?4机械或相关设备是否做了清洁工作,并被维持?4物料筐、容器是否干净?地面是否有油迹?水迹?4现场的窗户、玻璃、墙壁,是否清洁并维持?4素养现场人员是否穿戴整齐?是否衣衫不整?是否不讲卫4目否?在现场奔跑和嬉戏?是否在做与工作无关的事情?4是否形象不整洁?是否关闭无关的电源/电箱?4是否将仓库各类物资统一归位?4是否在非工作区域逗留、闲聊?举止的文明礼貌是否避守?4总计100评分标准:综合评价:0分一全部未达到标准1分一约30%符合标准2分一50%一半达到标准3分一70%良好状态4分一90%优秀状态

展开阅读全文
相关资源
猜你喜欢
相关搜索

当前位置:首页 > 管理/人力资源 > 质量管理

copyright@ 2008-2023 1wenmi网站版权所有

经营许可证编号:宁ICP备2022001189号-1

本站为文档C2C交易模式,即用户上传的文档直接被用户下载,本站只是中间服务平台,本站所有文档下载所得的收益归上传人(含作者)所有。第壹文秘仅提供信息存储空间,仅对用户上传内容的表现方式做保护处理,对上载内容本身不做任何修改或编辑。若文档所含内容侵犯了您的版权或隐私,请立即通知第壹文秘网,我们立即给予删除!