再生资源回收站安全风险初步筛查标准.docx

上传人:p** 文档编号:374721 上传时间:2023-08-06 格式:DOCX 页数:2 大小:18.90KB
下载 相关 举报
再生资源回收站安全风险初步筛查标准.docx_第1页
第1页 / 共2页
再生资源回收站安全风险初步筛查标准.docx_第2页
第2页 / 共2页
亲,该文档总共2页,全部预览完了,如果喜欢就下载吧!
资源描述

《再生资源回收站安全风险初步筛查标准.docx》由会员分享,可在线阅读,更多相关《再生资源回收站安全风险初步筛查标准.docx(2页珍藏版)》请在第壹文秘上搜索。

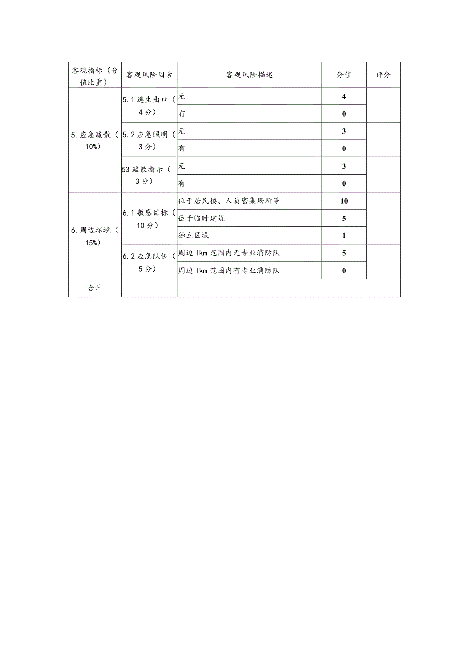
1、A.31再生资源回收站安全风险初步筛查标准客观指标(分值比重)客观风险因素客观风险描述分值评分1.经营或使用物品性质(25%)1.1涉及易燃易爆物口口(25分)站点有易燃易爆物品(如油漆、液化气罐等)25使用易燃易爆物品(如液化石油气、汽油、天那水清洗剂等危险化学品)10使用管道燃气8经营可燃物品(如塑胶、纸品等)4经营难燃物品22.人员(10%)2.1经营期间从业人员人数(10分)10人W人数103人W人数10人6人数V3人23.建筑设施(30%)3.1站点面积(5分)IOom2V面积530m2V面积W100m23面积W30m213.2区划分隔(5分)未进行区域划分5划分出相对独立的收购区、

2、挑拣区、分类存放区,但未用间隔墙进行隔离3用间隔墙划分出相对独立的收购区、挑拣区、分类存放区13.3存在阁楼(15分)有15无03.4建筑年限(5分)10年以上未经改造建筑510年以上经改造建筑310年以内建筑25年以内建筑14消防设施(10%)4.1烟感(2分)无2有O4.2喷淋(3分)无3有O4.3电气火灾监控系统(5分)无5有O客观指标(分值比重)客观风险因素客观风险描述分值评分5.应急疏散(10%)5.1逃生出口(4分)无4有05.2应急照明(3分)无3有053疏散指示(3分)无3有06.周边环境(15%)6.1敏感目标(10分)位于居民楼、人员密集场所等10位于临时建筑5独立区域16.2应急队伍(5分)周边Ikm范围内无专业消防队5周边Ikm范围内有专业消防队0合计

展开阅读全文
相关资源
猜你喜欢
相关搜索

当前位置:首页 > 管理/人力资源 > 人事档案

copyright@ 2008-2023 1wenmi网站版权所有

经营许可证编号:宁ICP备2022001189号-1

本站为文档C2C交易模式,即用户上传的文档直接被用户下载,本站只是中间服务平台,本站所有文档下载所得的收益归上传人(含作者)所有。第壹文秘仅提供信息存储空间,仅对用户上传内容的表现方式做保护处理,对上载内容本身不做任何修改或编辑。若文档所含内容侵犯了您的版权或隐私,请立即通知第壹文秘网,我们立即给予删除!