加氢联合车间蜡油加氢装置制氢装置画图题题库.docx

上传人:p** 文档编号:374728 上传时间:2023-08-06 格式:DOCX 页数:7 大小:281.28KB
下载 相关 举报
加氢联合车间蜡油加氢装置制氢装置画图题题库.docx_第1页
第1页 / 共7页
加氢联合车间蜡油加氢装置制氢装置画图题题库.docx_第2页
第2页 / 共7页
加氢联合车间蜡油加氢装置制氢装置画图题题库.docx_第3页
第3页 / 共7页
加氢联合车间蜡油加氢装置制氢装置画图题题库.docx_第4页
第4页 / 共7页
加氢联合车间蜡油加氢装置制氢装置画图题题库.docx_第5页
第5页 / 共7页
加氢联合车间蜡油加氢装置制氢装置画图题题库.docx_第6页
第6页 / 共7页
加氢联合车间蜡油加氢装置制氢装置画图题题库.docx_第7页
第7页 / 共7页
亲,该文档总共7页,全部预览完了,如果喜欢就下载吧!
资源描述

《加氢联合车间蜡油加氢装置制氢装置画图题题库.docx》由会员分享,可在线阅读,更多相关《加氢联合车间蜡油加氢装置制氢装置画图题题库.docx(7页珍藏版)》请在第壹文秘上搜索。

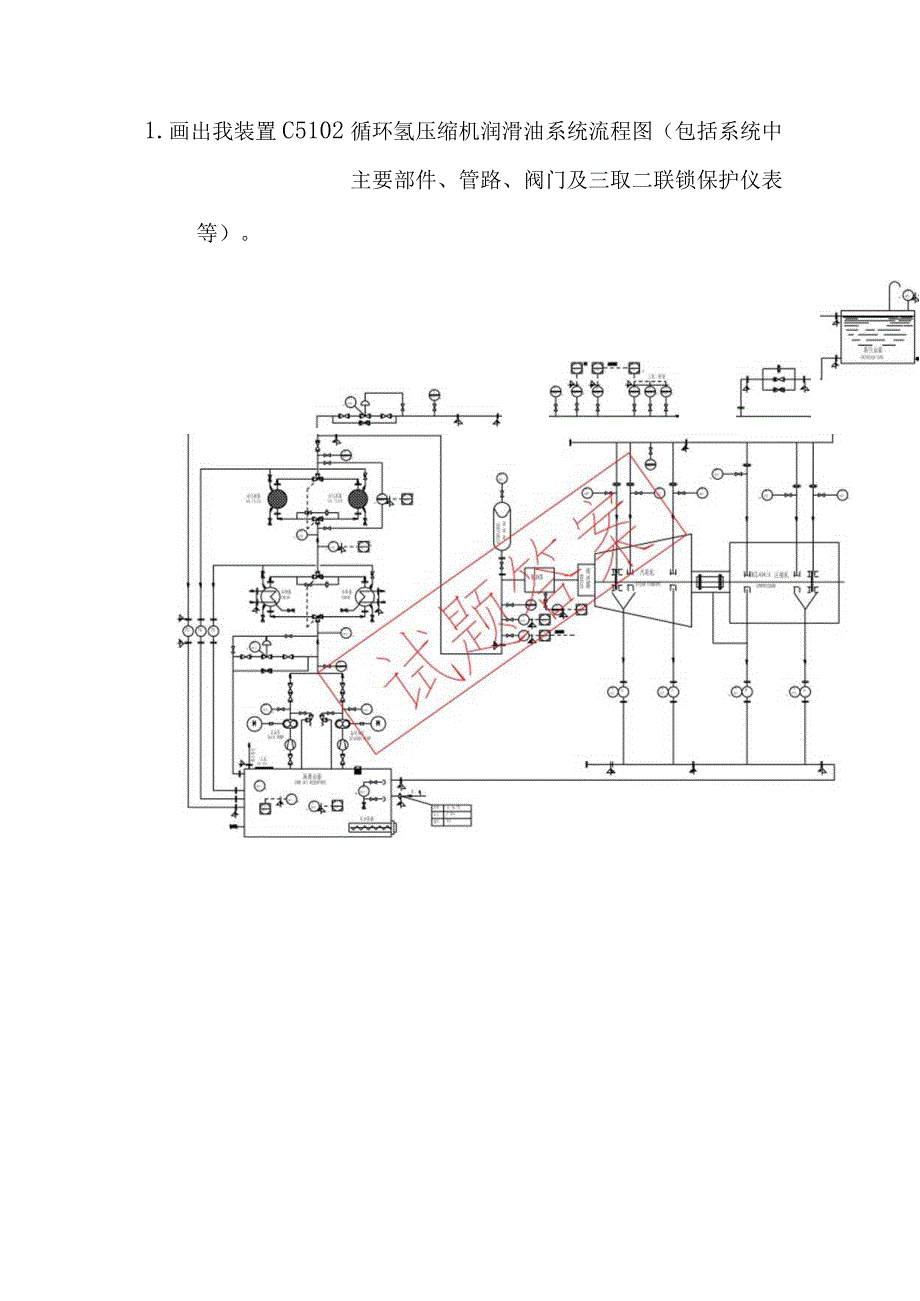
加氢联合车间蜡油加氢装置制氢装置画图题题库本设备题库为化工股份有限公司洛阳分公司加氢联合车间220IO4t/a蜡油加氢装置、4104m3n/h制氢装置的通用设备学习材料,目的在于以填空、判断、问答题等多种题型方式让操作人员学习和掌握两套装置的应知的设备基本概念、基本理论知识和应会的基本操作。本设备题库紧密联系各装置实际,本着基础适当、内容精练、程度适中、突出实用的原则,具有较强的针对性和实用性。因编、审水平有限,时间仓促,资料所限,不足之处难免,恳请多提意见和建议,以便进一步补充完善。1.画出我装置C5102循环氢压缩机润滑油系统流程图(包括系统中主要部件、管路、阀门及三取二联锁保护仪表等)。2.请在下图中绘出我装置新氢压缩机气路流程。(其中包括过滤器、安全阀和主要阀门等,并标出气路流向)。SlIJ.也一IhranaLL1=::1.bSVBU Xh/jL4M-D=Qr7E三X二U.3.下图是我制氢装置原料气压缩机气路流程图,请在图中填入压缩机的主要工艺管线。4.画出C5101A/B新氢压缩机润滑油系统流程图。5.画出C5102循环氢压缩机干气密封系统流程图。6 .请画出加氢进料泵A泵(P5101A)机械密封冲洗系统流程图(详细的)。7 .请画出加氢装置的液力透平(HT5101)的机械密封冲洗系统图(详细的)。

展开阅读全文
相关资源
猜你喜欢
相关搜索

当前位置:首页 > 行业资料 > 化学工业

copyright@ 2008-2023 1wenmi网站版权所有

经营许可证编号:宁ICP备2022001189号-1

本站为文档C2C交易模式,即用户上传的文档直接被用户下载,本站只是中间服务平台,本站所有文档下载所得的收益归上传人(含作者)所有。第壹文秘仅提供信息存储空间,仅对用户上传内容的表现方式做保护处理,对上载内容本身不做任何修改或编辑。若文档所含内容侵犯了您的版权或隐私,请立即通知第壹文秘网,我们立即给予删除!