城市道路照明设计标准.docx

上传人:p** 文档编号:374746 上传时间:2023-08-06 格式:DOCX 页数:2 大小:16.33KB
下载 相关 举报
城市道路照明设计标准.docx_第1页
第1页 / 共2页
城市道路照明设计标准.docx_第2页
第2页 / 共2页
亲,该文档总共2页,全部预览完了,如果喜欢就下载吧!
资源描述

《城市道路照明设计标准.docx》由会员分享,可在线阅读,更多相关《城市道路照明设计标准.docx(2页珍藏版)》请在第壹文秘上搜索。

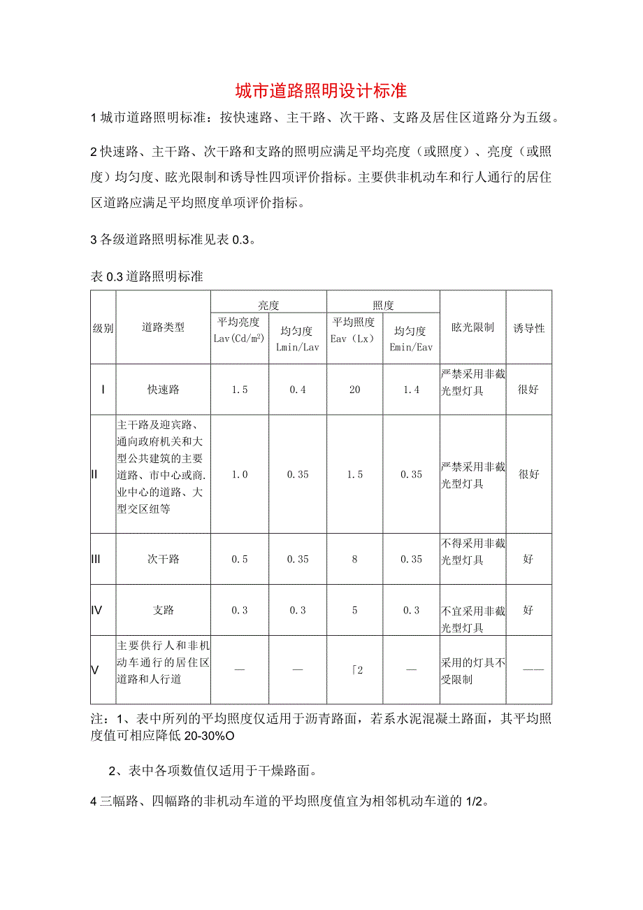
1、城市道路照明设计标准1城市道路照明标准:按快速路、主干路、次干路、支路及居住区道路分为五级。2快速路、主干路、次干路和支路的照明应满足平均亮度(或照度)、亮度(或照度)均匀度、眩光限制和诱导性四项评价指标。主要供非机动车和行人通行的居住区道路应满足平均照度单项评价指标。3各级道路照明标准见表0.3。表0.3道路照明标准级别道路类型亮度照度眩光限制诱导性平均亮度Lav(Cd/m2)均匀度Lmin/Lav平均照度Eav(Lx)均匀度Emin/EavI快速路1.50.4201.4严禁采用非截光型灯具很好II主干路及迎宾路、通向政府机关和大型公共建筑的主要道路、市中心或商.业中心的道路、大型交区纽等1

2、.00.351.50.35严禁采用非截光型灯具很好IIl次干路0.50.3580.35不得采用非截光型灯具好IV支路0.30.350.3不宜采用非截光型灯具好V主要供行人和非机动车通行的居住区道路和人行道2采用的灯具不受限制注:1、表中所列的平均照度仅适用于沥青路面,若系水泥混凝土路面,其平均照度值可相应降低20-30%O2、表中各项数值仅适用于干燥路面。4三幅路、四幅路的非机动车道的平均照度值宜为相邻机动车道的1/2。5第3条和第4条规定的平均亮度(或照度)值均为维持值,新安装光源、灯具的道路,其路面的初始亮度(或照度)值应相应提高30-50%o6选定道路照明标准时,要考虑城市的性质和规模,一般中小城市可视其道路类型采用相应低1级的标准。

展开阅读全文
相关资源
猜你喜欢
相关搜索

当前位置:首页 > 建筑/环境 > 市政工程

copyright@ 2008-2023 1wenmi网站版权所有

经营许可证编号:宁ICP备2022001189号-1

本站为文档C2C交易模式,即用户上传的文档直接被用户下载,本站只是中间服务平台,本站所有文档下载所得的收益归上传人(含作者)所有。第壹文秘仅提供信息存储空间,仅对用户上传内容的表现方式做保护处理,对上载内容本身不做任何修改或编辑。若文档所含内容侵犯了您的版权或隐私,请立即通知第壹文秘网,我们立即给予删除!