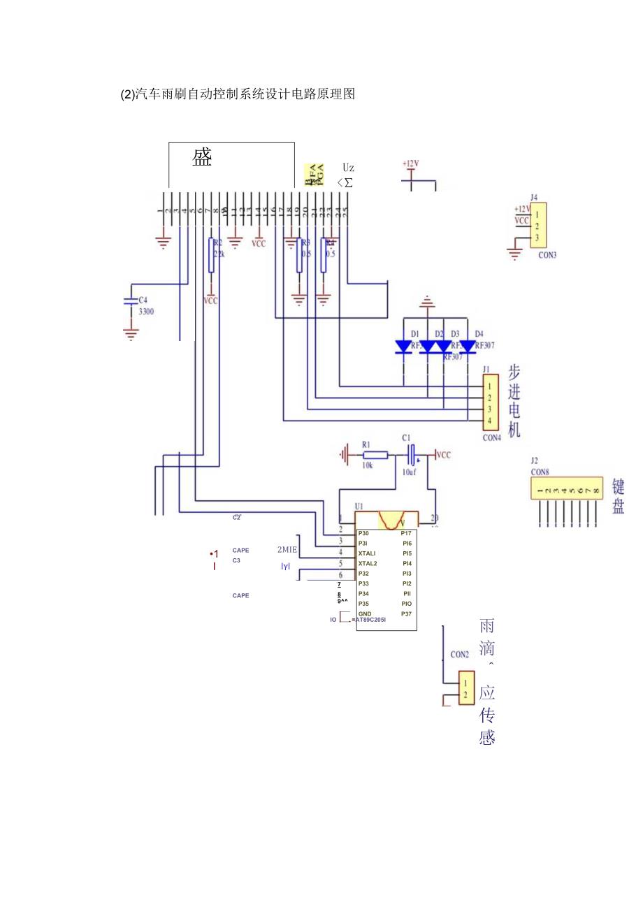
汽车雨刷自动控制系统设计电路原理图.docx

上传人:p** 文档编号:376042 上传时间:2023-08-06 格式:DOCX 页数:1 大小:55.82KB
下载 相关 举报
汽车雨刷自动控制系统设计电路原理图.docx_第1页
第1页 / 共1页
亲,该文档总共1页,全部预览完了,如果喜欢就下载吧!
资源描述

《汽车雨刷自动控制系统设计电路原理图.docx》由会员分享,可在线阅读,更多相关《汽车雨刷自动控制系统设计电路原理图.docx(1页珍藏版)》请在第壹文秘上搜索。

(2)汽车雨刷自动控制系统设计电路原理图盛U Z-ZWZH idIl-UzxC22MIE1ICAPEC3CAPE789P30P17P3lPI6XTALlPI5XTAL2PI4P32PI3P33PI2P34PllP35PIOGNDP37IO匚=AT89C205I雨滴应传感器

展开阅读全文
相关资源
猜你喜欢
相关搜索

当前位置:首页 > 高等教育 > 工学

copyright@ 2008-2023 1wenmi网站版权所有

经营许可证编号:宁ICP备2022001189号-1

本站为文档C2C交易模式,即用户上传的文档直接被用户下载,本站只是中间服务平台,本站所有文档下载所得的收益归上传人(含作者)所有。第壹文秘仅提供信息存储空间,仅对用户上传内容的表现方式做保护处理,对上载内容本身不做任何修改或编辑。若文档所含内容侵犯了您的版权或隐私,请立即通知第壹文秘网,我们立即给予删除!