污水处理厂设备安装工程施工程序及主要施工方法.docx

上传人:p** 文档编号:376299 上传时间:2023-08-06 格式:DOCX 页数:25 大小:40.97KB
下载 相关 举报
污水处理厂设备安装工程施工程序及主要施工方法.docx_第1页
第1页 / 共25页
污水处理厂设备安装工程施工程序及主要施工方法.docx_第2页
第2页 / 共25页
污水处理厂设备安装工程施工程序及主要施工方法.docx_第3页
第3页 / 共25页
污水处理厂设备安装工程施工程序及主要施工方法.docx_第4页
第4页 / 共25页
污水处理厂设备安装工程施工程序及主要施工方法.docx_第5页
第5页 / 共25页
污水处理厂设备安装工程施工程序及主要施工方法.docx_第6页
第6页 / 共25页
污水处理厂设备安装工程施工程序及主要施工方法.docx_第7页
第7页 / 共25页
污水处理厂设备安装工程施工程序及主要施工方法.docx_第8页
第8页 / 共25页
污水处理厂设备安装工程施工程序及主要施工方法.docx_第9页
第9页 / 共25页
污水处理厂设备安装工程施工程序及主要施工方法.docx_第10页
第10页 / 共25页
亲,该文档总共25页,到这儿已超出免费预览范围,如果喜欢就下载吧!
资源描述

《污水处理厂设备安装工程施工程序及主要施工方法.docx》由会员分享,可在线阅读,更多相关《污水处理厂设备安装工程施工程序及主要施工方法.docx(25页珍藏版)》请在第壹文秘上搜索。

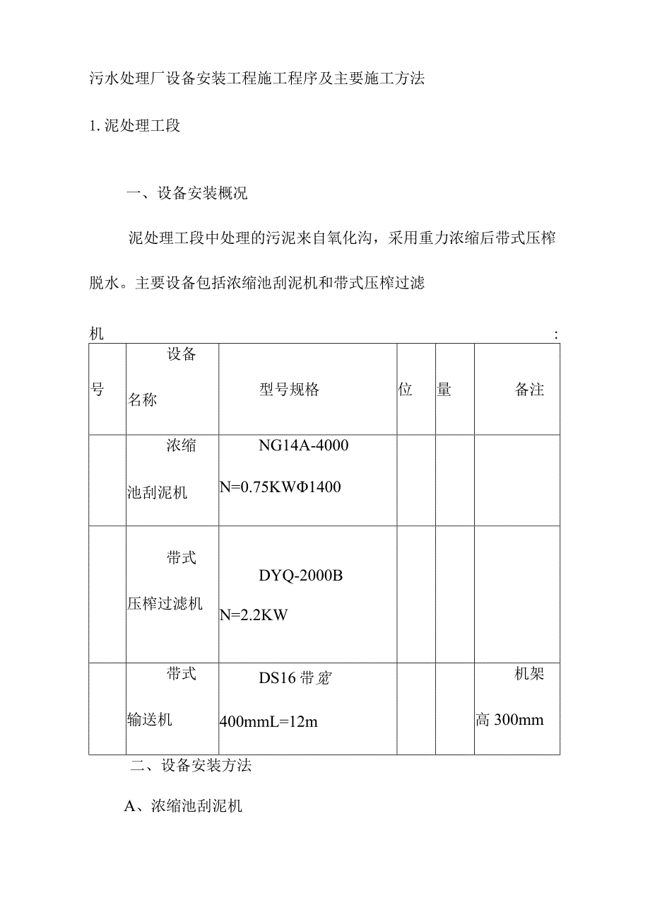
1、污水处理厂设备安装工程施工程序及主要施工方法1.泥处理工段一、设备安装概况泥处理工段中处理的污泥来自氧化沟,采用重力浓缩后带式压榨脱水。主要设备包括浓缩池刮泥机和带式压榨过滤机:号设备名称型号规格位量备注浓缩池刮泥机NG14A-4000N=0.75KW1400带式压榨过滤机DYQ-2000BN=2.2KW带式输送机DS16带宽400mmL=12m机架高300mm二、设备安装方法A、浓缩池刮泥机基础检查复测绝对标高:中心碎支柱、池底、池壁顶;复测同心度:中心传动旋转刮泥安装必须在池中心,必须复测中心硅支柱基础中心(预留地脚螺栓孔)是否与池壁圆心重合。以有拉力标志的钢卷尺或钢丝,在圆周(池壁)上分

2、【】点复测到土建所定圆心的半径,并以同样方法复测池底同心度,同心度偏差应小于【】mm。土建可先在池底按i=1浇灌锥底基层。设备安装与甲方、厂商、监理共同开箱检查,按装箱单清点设备到货情况,外观质量,随机文件(包括说明书、合格证等)。采用吊车、卡车将设备各组件分台,转运到两个污泥浓缩池中。安装程序:吊装中心运转支座一组装两桁架刮泥臂一组装中心杵架一吊装刮泥臂一吊装人行钢桥一吊装传动机构f整机精度调整f试运转。设备外观如图所示中心运转支座安装:刮泥机中心运转支座的吊装可采用【】t汽车起重机完成,如因池外总坪施工汽车起重机无法靠近,同时出于节约成本的考虑,可采用人工门字形钢制桅杆吊装,同时该桅杆在后

3、序吊装刮泥桁架可继续使用。中心回转支座调整标高、座标及同心度合格后,进行二次灌浆,待浇灌碎强度在到【1后拧紧螺母,复测支座安装水平度及垂直度,偏差均不大于【】/【】(用水平尺,磁力线垂、钢直尺测量)。桁架臂、刮泥板安装:两桁架设备安装图说明在池内组装,检查合格后移至中心柱两侧一直线上。安装中心桁架及中心筒,再以门字桅杆吊起安装,初步调整后安装刮泥板等附件。以池外吊车或以门字桅杆叫装人行钢制桥,安装中心传动装置,安装方法及技术要求按设备说明书及总装图。设备试运行及防腐协助土建池底抹面:设备整机安装完毕,技术质量合格后,可手动盘车,保证各传动部件转动灵活。在盘车过程中,土建方根据刮泥板底转动的轨迹

4、制碎疤、抹面、保证刮板与池底间隙均匀,满足设计间隙要求。试运转:在润滑良好,无异常噪声,刮泥机与池体无刮擦,刮泥臂转动平面水平度达到要求,电机、减速常,满足设计要求时,须进行试车试验,试车时间为空载【】个小时,满负荷【1个小时。防腐:全套刮泥机除钢制桥外,涂刷H52环氧加强级煤沥青三遍,钢桥刷调和漆两遍或按设计要求防腐。2 .氧化沟一、设备安装概况膜法中心岛氧化沟是青白江区污水处理厂污水处理工艺核心,该工艺是活性污泥法和生物膜法的综合。氧化沟共计【】条单沟分为【】组,占地面积约【】11是最大的构筑物。氧化沟主要设备如下:号设备名称型号规格位量备注曝气转蝶1400mm,28片,1.57kg02k

5、w.hAire-02充氧机7.5KW,1.45kgO2KW.hGMZ中心驱动刮渣机GM25000带轨道等附属设备溢流槽及齿形堰板带浮渣挡板二、设备安装方法1、曝气转蝶基础检查安装位置和标高应符合设计要求,平面座标位置偏差小于土【1mm,标高偏差不大于土【】mm。且【】条氧化沟的基础相对位置应保证安装后曝气转蝶在同一直线上,且相对标高偏差小于【】mmO预留孔按设计和设备说明书上求检查基位置,规格及深度。曝气转蝶安装在碎牛腿基础上,与地脚螺栓连接牢固,螺母拧紧。如有垫铁、每组垫铁不应超过三块,垫铁放置平筝,位置准确,接触良好,并电焊点牢。曝气转蝶安装螺气转蝶每台长【m,1400o转蝶【】片如出厂时

6、转轴上可整体吊装,如需现场组装,则需另行安排组装场地及临时库房,制作简易支架,按设备说明书要求进行组装。曝气转蝶安装用【】t汽车起重机吊装,吊装前设备必须有安全的保护,防止转蝶受形。曝气转蝶共【】台,由于总坪施工的限制,转蝶必须在池顶间水平转运。转运用人工拖支,以10#工字钢制作临时轨道,以【】角钢制作设备底拖排,以手拉葫芦为动力转运到位。通过调整曝气转蝶两端的轴承座的位置、标高及同心度来调整机安装精度。安装质量标准按设备说明书要求。设备试运转及防腐设备安装合格后可进行试运转,手动盘车,无载试车均应转动灵活,无卡阻、突跳现象。两端轴承,减速箱应注入适量润滑油,无渗漏。负荷试运转二小时,应运转平

7、稳,无异常振动。两端轴承温度不大于【】设备试运转前应作防腐处理,涂刷二道H52不环氧煤沥青面漆或按设计要求。2、GMZ中心驱动刮渣机该刮渣机为双轨往返式工作,两轨间距【1mm,设备及轨道安装应满足供货厂家技术说明,同时JBJ31-96起重设备安装工程施工验收规范中轨道安装要求,其施工程序、方法为:基础检查清理土建预埋钢板,检查是否埋设稳固。用不准仪复测土建池壁轨道基础,检测点为土建预埋钢板的标高、水平位置、水平度及平行度。设备安装与甲方、厂家、共同开箱验收,检查外观质量,随机技术文件(说明书、合格证等)。安装刮渣机轨道,该轨道为【】kg/m钢轨,下垫【】mm厚钢板,钢板找平找正及跨距调整以垫铁

8、调整实现。垫铁放置平稳,调整好后用电焊地焊牢,焊接连接螺栓,按规范安装钢轨,以压板压牢,安装车档。以【】t汽车起重机和【】t卡车转运,吊装刮渣机,刮泥机在池顶的转运可依照曝气转蝶的方法。设备组装及技术要求按厂家提供的设备总装图及说明安装。设备试运转、防腐设备安装合格后可进行试运转,检查刮泥机限位装置、电机及变速箱润滑是否正常。手动盘车、无载试车均应转动灵活,行画平衡。负荷试运转正常,无异常振动,变速箱、轴承温升正常。设备防腐涂刷二道H52环氧煤沥青面漆或按设计要求。3、溢流槽及齿形堰板溢流、齿形堰板及浮渣挡板为组合体,总长【】m,西贡、板安装按常规定安装级对连接上,难度较低,其安装的质量关键是

9、齿形堰板齿低水平度,集水【】。的坡度的保证。堰板、集水槽的质量检测以水准仪配合精密塔尺进行,确保其工艺质量要求。3 .预处理工段一、设备安装概况:预处理工段是本污水处理厂污不处理的寝工段,包括粗格栅间、污水泵房、细格栅间、巴氏流量槽及钟式沉砂池等建筑物。本工段的污水处理工艺为城市污水经DN1600钢管进入粗格栅间,经粗格栅初滤后由污水提升泵提升送至细格栅间,再经细格栅后流入钟氏沉砂池沉砂,砂水分离,处理后的污水至氧化沟配水井。预处理工段主要设备一览表:设备名称型号规格位量备注一、粗格栅间高链式格栅GLGS1580B=1580H=8100-75N=LIKW组合件、成套供货铸方闸门(配套电动启用机

10、)SFZB14001400N=2.2KW(启用QDA-90启用机)无轴螺旋输送机WLS260X900)-Z组合件、成套供N=0.37KW货二、污水泵房污水提升泵(潜水泵)KRTK300-400/8061Q=100Om3ZhN=5.5KW组合件、成套供货电动葫芦单轨机CD3-120T=3tH=12mN=4.5KW三、细格栅间巴氏流量槽旋转式细格栅XGS1500B=1500H=4450-75N=1.5KW组合件、成套供货无轴螺旋输送机L=IOm组合件、成套供货铸铁方闸门(配套启闭机)SF213002000N=2.2KW玻璃钢巴氏流量槽Qmax=5000m3h成套供货四、钟式沉田;池钟式沉砂池吸砂机

11、ZXS300Q=3000m3hD=4870NlJKW组合件、成套供货罗茨鼓风机Q-2.61m3hPg=58.8KnaN=5.5KW厂家配套螺旋砂水分离器LSSF260Q=-12LS成套供货N=0.37KW铸铁方闸门(配套启闭机)PGZ2.01.24N=2.2KW铸铁方闸门(配套启闭机)PGZ2.01.24N=L5KW铸铁圆闸门(配套启闭机)Syzb100oN=IJKW铸铁圆闸门(配套SYZB1400N=2.2KW启闭机)二、重点设备安装方法:1、通用设备安装A、电动葫芦及工字钢轨道安装电动葫芦及工字轨道的安装应满足JBJ31-96起重设备安装工程施工验收规范有关要求,其施工程序、方法为:用水准

12、仪复测土建梁底标高。拉轨道实际中心与安装基准的重合度,允许偏差【】mmo工字钢连接板,采用矩形钢板,=mm,mm四方倒角。保证工字顶面底面平整,隙不大于【】mmo工字钢轨道与吊架连接螺栓,穿工字钢翼缘应用方针斜垫铁,穿工字钢、层板应用方平垫,均加装弹垫,螺栓应拧紧。工字钢轨道应尽量在地面组对连接校正检查后整体吊装就位。检查验收电动葫芦的规格、型号是符合设计要求,技术文件是否安全,包括电动葫芦的使用说明书,合格证。电动葫芦安装,电动葫芦车轮的凸缘内侧与工字钢车轮翼缘的C,应符合设备技术文件的要求。无规定,可接下表规定执行。次起重量(吨)单边间隙(毫米)10.250.51.532122433-52

13、.55B、污水提升泵(潜水泵)及其它泵类安装泵安装应满足JBJ29-96压缩机、风机、泵安装工程施工及验收规范的有关要求,其安装要点为:定位:泵的安装基准线根据建筑轴线,设备的平面位置及标高进行检查、复核(按随机技术文件要求),如无要求,可按下表规定执行。多台排列安装的泵应保证位置、标高一致。次项目允许偏差检验方法1与泵站建筑轴线距离20用钢卷尺检查2安装基准线平面位置10用水准和钢尺检查3标高20地脚螺栓和垫铁:地脚螺栓应配合设备地脚螺栓孔尺寸进安装,应保证垂直,螺母下垫下平垫,弹垫,在找平设备后,拧紧螺母,扭力矩应一致。垫铁与设备底面应接触紧密。设备安装:与甲方、监理、供货商共同开箱,按设备到货清单清理设备,检查到货设备的外观质量,配带的附件及设备的使用、安装、维护说明书、合格证。设备及配套附件清理完后,转至安装单位的现场库房妥善保管。采用【】【】吨叉车将设备转至安装地点,采用已装好的电动葫芦吊至安装位置,安装好后的泵,应检查泵体(基座)和电动机(座)的水平度、垂直度,允许得大于【】/o检验方法用水平尺在泵的底座,泵壳水平中分面、轴颈或外露部分检查。检查电机与泵轴同心度,保证符合规范要求。联轴器同心度其径向符合下表要求,

展开阅读全文
相关资源
猜你喜欢
相关搜索

当前位置:首页 > 建筑/环境 > 施工组织

copyright@ 2008-2023 1wenmi网站版权所有

经营许可证编号:宁ICP备2022001189号-1

本站为文档C2C交易模式,即用户上传的文档直接被用户下载,本站只是中间服务平台,本站所有文档下载所得的收益归上传人(含作者)所有。第壹文秘仅提供信息存储空间,仅对用户上传内容的表现方式做保护处理,对上载内容本身不做任何修改或编辑。若文档所含内容侵犯了您的版权或隐私,请立即通知第壹文秘网,我们立即给予删除!