监控系统招标文件.docx

上传人:p** 文档编号:376926 上传时间:2023-08-06 格式:DOCX 页数:12 大小:56.39KB
下载 相关 举报
监控系统招标文件.docx_第1页
第1页 / 共12页
监控系统招标文件.docx_第2页
第2页 / 共12页
监控系统招标文件.docx_第3页
第3页 / 共12页
监控系统招标文件.docx_第4页
第4页 / 共12页
监控系统招标文件.docx_第5页
第5页 / 共12页
监控系统招标文件.docx_第6页
第6页 / 共12页
监控系统招标文件.docx_第7页
第7页 / 共12页
监控系统招标文件.docx_第8页
第8页 / 共12页
监控系统招标文件.docx_第9页
第9页 / 共12页
监控系统招标文件.docx_第10页
第10页 / 共12页
亲,该文档总共12页,到这儿已超出免费预览范围,如果喜欢就下载吧!
资源描述

《监控系统招标文件.docx》由会员分享,可在线阅读,更多相关《监控系统招标文件.docx(12页珍藏版)》请在第壹文秘上搜索。

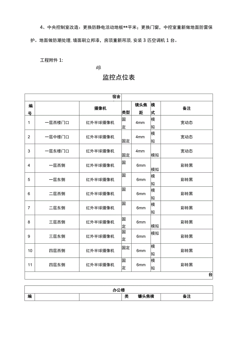
1、血项目需求-招标目的此项目为*系统项目招标。二.招标内容及要求2-1基本内容本项目主要是院区和矿区内监控系统升级、改造。具体招标内容如下:1.整个工程需在这个院区新增80台摄像机,其中摹拟摄像机28台,数字摄像机52台。具体分布如下:宿舍楼11台;办公楼7台;新办公区和宿舍区外围及出入口共7台;一选车间6台;二选车间23台;三选车间23台;地磅3台。(详细数量、探头分类、安装位置见附件)。2、中央控制室需要增加如下主要设备:Dl分辨率/16路嵌入式数字硬盘录相机2台;NVR网络硬盘录相机4台;硬盘40块;4路视频解码服务器4台;电视墙1套;操作台1套;LCD液晶监视器14台;显示器4台,中心管

2、理三务器1台;媒体服务器1台;认证B艮务器1台;视频转发服务器1台;UPSI台;蓄电池32块,电源线若干米,视频线若干米,网线若干箱;控制信号线若干米;4路逸顷光端机1对,16路视频光端机1对,多用户共享器1台,网络交换机1台。3、其它辅助设备:立杆1套(定制),加厚PVC管材一批,金属镀锌管一批,其它辅料一批。4、中央控制室改造:更换防静电活动地板*平米;更换门窗,中控室重新做地面防雷保护。地面做防潮处理,墙面刷立邦漆,房顶重新吊顶,安装3匹空调机1台。工程附件1:雌监控点位表宿舍1编号摄像机类型镜头焦距模式备注1一层西楼门口红外半球摄像机固定4mm模拟宽动态2一层中楼门口红外半球摄像机固定

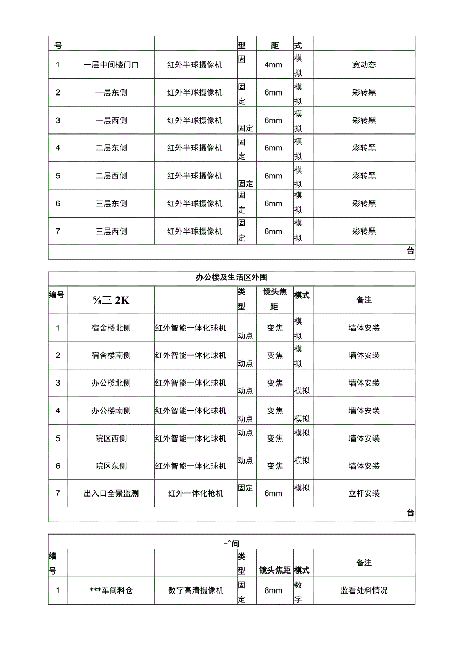
3、4mm模拟宽动态3一层东楼门口红外半球摄像机固定4mm模拟宽动态4一层西侧红外半球摄像机固6mm模拟彩转黑5一层东侧红外半球摄像机固6mm模拟彩转黑6二层西侧红外半球摄像机固6mm模拟彩转黑7二层东侧红外半球摄像机固6mm模拟彩转黑8三层西侧红外半球摄像机固定6mm模拟彩转黑9三层东侧红外半球摄像机固定6mm模拟彩转黑10四层西侧红外半球摄像机固定6mm模拟彩转黑11四层东侧红外半球摄像机固定6mm模拟彩转黑台办公楼编类镰头焦横备注号型距式1一层中间楼门口红外半球摄像机固4mm模拟宽动态2层东侧红外半球摄像机固定6mm模拟彩转黑3一层西侧红外半球摄像机固定6mm模拟彩转黑4二层东侧红外半球摄像

4、机固定6mm模拟彩转黑5二层西侧红外半球摄像机固定6mm模拟彩转黑6三层东侧红外半球摄像机固定6mm模拟彩转黑7三层西侧红外半球摄像机固定6mm模拟彩转黑台办公楼及生活区外围编号三2K类型镜头焦距模式备注1宿舍楼北侧红外智能一体化球机动点变焦模拟墙体安装2宿舍楼南侧红外智能一体化球机动点变焦模拟墙体安装3办公楼北侧红外智能一体化球机动点变焦模拟墙体安装4办公楼南侧红外智能一体化球机动点变焦模拟墙体安装5院区西侧红外智能一体化球机动点变焦模拟墙体安装6院区东侧红外智能一体化球机动点变焦模拟墙体安装7出入口全景监测红外一体化枪机固定6mm模拟立杆安装台-间编号类型镜头焦距模式备注1*车间料仓数字高

5、清摄像机固定8mm数字监看处料情况2*设备东侧西向数字高清摄像机固定8mm数字监看人员及设备运作3*设备东侧中部数字高清摄像机固定8mm数字监看人员及设备运作4*设备西侧东向数字高清摄像机固定8mm数字监看人员及设备运作5*设备西侧中部数字高清摄像机固定8mm数字监看人员及设备运作6出粉口数字高清摄像机固定8mm数字监看出粉情况台二选车间编号安装位置类型镰头焦距模式备注1车间-进料口1数字高清摄像机固8mm数字监测是否漏料2车间-进料口2数字高清摄像机固定8mm数字监测是否漏料3车间-进料口3数字高清摄像机固定8mm数字监测是否漏料4车间-进料口4数字高清摄像机固定8mm数字监测是否漏料5车间

6、-进料口5数字高清摄像机固定8mm数字监测是否漏料6车间机数字高清摄像机固8mm数字监测*机工作状态7车间-配电室数字高清摄像机固定8mm数字监测配机电组工作状态8车间-泵站数字高清摄像机固定8mm数字监测工作泵工作状态9车间-料仓数字高清摄像机固定8mm数字监测处料情况10车间-料仓数字高清摄像机固定8mm数字监测处料情况11车间-布料车数字高清摄像机固定8mm数字监测布料小车运行状况12车间-进料口1数字高清摄像机固定8mm数字监测是否漏料13车间-进料口2数字高清摄像机固8mm数监测是否漏料字14车间-进料口3数字高清摄像机固定8mm数字监测是否漏料15车间-进料口4数字高清摄像机固定8

7、mm数字监测是否漏料16车间-进料口5数字高清摄像机固定8mm数字监测是否漏料17车间-进料口6数字高清摄像机固定8mm数字监测是否漏料18*车间-振动筛子数字高清摄像机固8mm数字监测振动筛子工作状况19*车间-干选机数字高清摄像机固定8mm数字监测6台干选机工作状况20*车间-料仓数字高清摄像机固定8mm数字监测处料情况21*车间-北侧作业区数字高清摄像机固定8mm数字监测*机工作状态22*车间-南侧作业区数字高清摄像机固定8mm数字监测*机工作状态23*车间-出粉口数字高清摄像机固定8mm数字监测出粉口工作状态共计23台三选车间编号类型镜头焦距模式备注1*车间-进料口1数字高清摄像机固定

8、8mm数字监测是否漏料2*车间-进料口2数字高清摄像机固定8mm数字监测是否漏料3*车间-进料口3数字高清摄像机固定8mm数字监测是否漏料4*车间-进料口4数字高清摄像机固定8mm数字监测是否漏料5*车间-进料口5数字高清摄像机固定8mm数字监测是否漏料6*车间.*机数字高清摄像机固定8mm数字监测*机工作状态7*车间-配电室数字高清摄像机固定8mm数字监测配机电组工作状态8*车间-泵站数字高清摄像机固定8mm数字监测工作泵工作状态9*车间-料仓数字高清摄像机固定8mm数字监测处料情况10*8车间-料仓数字高清摄像机固定8mm数字监测处料情况11*8车间-布料车数字高清摄像机固定8mm数字监测

9、布料小车运行状况12*8车间-进料口1数字高清摄像机固定8mm数字监测是否漏料13*8车间-进料口2数字高清摄像机固定8mm数字监测是否漏料14*8车间-进料口3数字高清摄像机固定8mm数字监测是否漏料15*8车间-进料口4数字高清摄像机固定8mm数字监测是否漏料16*8车间-进料口5数字高清摄像机固定8mm数字监测是否漏料17*8车间-进料口6数字高清摄像机固定8mm数字监测是否漏料18*8车间-振动筛子数字高清摄像机固定8mm数字监测振动筛子工作状况19*8车间-干选机数字高清摄像机固定8mm数字监测6台干选机工作状况20*车间-料仓数字高清摄像机固定8mm数字监测处料情况21*车间-北侧

10、作业区数字高清摄像机固定8mm数字监测*机工作状态22*车间-南侧作业区数字高清摄像机固定8mm数字监测*机工作状态23*车间-出粉口数字高清摄像机固定8mm数字监测出粉口工作状态共计23台地磅区编号类型镜头焦距模式备注1上磅口高清晰度一体化枪机固定8mm模拟监测上磅车辆信息2地磅停车区上方高清晰度一体化抢机固定6mm模拟监测停放车辆箱内物品3地磅操作室高清晰度一体化半球固定4mm模拟监测人员工作状况台总计点位80个2-2具体要求1.设备要求所用主要器材应符合相应的国家或者行业标准:GB50198-94民用闭路监视电瞬统工程技术规范,GAT75-94安全腕工程程序与要求。雌摄像机品牌要求为性能

11、优良、高清晰度、夜间可视。安装摄像机需要的其它附件需和该品牌配套。序号设备/材料名称参数单位1红外半球摄像机1/3inchSONYSuperHADCCD11;防暴力拆卸;内同步;有效像素752(三)X582(V)440K;水平分辨率600TVLines(黑白650TVLines);可变焦镜头(f=2.810.5mm);红外距离30米;彩转黑(ICR)双滤光切换;感应红外;三级电子降噪及超级背光补偿;动态侦测;电子快门速度1/50-1/120,000;中英文OSD菜单;3-Axis(3轴可调);隐私屏蔽开/关(14个区域;水颊像;DC12V(DC10V15V);功耗最大2.2W180mAo台192超级宽动态红外半球摄像机1/3

展开阅读全文
相关资源
猜你喜欢
相关搜索

当前位置:首页 > 办公文档 > 招标投标

copyright@ 2008-2023 1wenmi网站版权所有

经营许可证编号:宁ICP备2022001189号-1

本站为文档C2C交易模式,即用户上传的文档直接被用户下载,本站只是中间服务平台,本站所有文档下载所得的收益归上传人(含作者)所有。第壹文秘仅提供信息存储空间,仅对用户上传内容的表现方式做保护处理,对上载内容本身不做任何修改或编辑。若文档所含内容侵犯了您的版权或隐私,请立即通知第壹文秘网,我们立即给予删除!