补水泵送电(操作票).docx

上传人:p** 文档编号:377285 上传时间:2023-08-06 格式:DOCX 页数:2 大小:19.44KB
下载 相关 举报
补水泵送电(操作票).docx_第1页
第1页 / 共2页
补水泵送电(操作票).docx_第2页
第2页 / 共2页
亲,该文档总共2页,全部预览完了,如果喜欢就下载吧!
资源描述

《补水泵送电(操作票).docx》由会员分享,可在线阅读,更多相关《补水泵送电(操作票).docx(2页珍藏版)》请在第壹文秘上搜索。

1、热机操作票编号:操作开始时间:年月日时分操作开始时间:年月日时分操作任务:补水泵送电源一、操作危险点、安全措施和注意事项(按工作顺序坡写与执行)序号危险点控制措施执行情况1.人员要素1.1违章指挥Ll严格执行操作票制度、操作监护制度、唱票复诵制度1.2人员精神状态1.2工作人员必须精神状态及身体健康状态良好1.3操作错误1.3.1严禁并项、倒项、越项、添项、漏项操作1.3.2必须核对设备名称、编号、位置正确L4监护失误1.4履行操作监护人职责,不允许无监护人2设备要素2.1触电伤害2.1.1开关操作前必须检查断路器确在分闸位置2.1.2使用绝缘手套要双手戴好,不能包裹使用2.1.3绝缘手套贴有

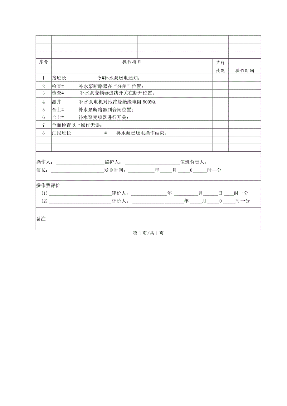
2、有效合格证且外观检查合格3环境要素3.1室内地面滑3.1进出配电室应注意脚下,防止滑倒3.2作业场地光照不良3.2保持现场照明充足,亮度满足现场操作要求4管理要素4.1操作人、监护人不符合要求4.1操作人和监护人必须培训考试合格并在公司公布人员名单中4.2安全措施拆除未检查4.2操作前应检查确认安全措施已拆除5设备演坏5.1违反操作规定5.1按照操作顺序逐项进行操作5.2带负荷合断路器5.2操作前必须检查断路器确在分闸位置5.3机构卡涩强行操作5.3机构卡涩要立即停止操作,查明原因5.4设备保护未投入5.4断路器合闸前检查保护正确投入6环境污染6.1盘柜门未关6.1操作结束必须关闭柜门防止开关柜积灰序号操作项目执行情况操作时间1接班长令#补水泵送电通知:2检查#补水泵断路器在“分闸”位置;3检查#补水泵变频器进线开关在断开位置;4测井补水泵电机对地绝缘绝缘电阻500MQ;5合上#补水泵断路器到合闸位置;6合上#补水泵变频器进行开关:7全面检查以上操作无误:8汇报班长#补水泵己送电操作结束。操作人:监护人:值班负责人:值长:发令时间:年月0时分操作票评价(1) 评价人:_年月日时一分(2) 评价人:年月0时一分备注第1页/共1页

展开阅读全文
相关资源
猜你喜欢
相关搜索

当前位置:首页 > 建筑/环境 > 给排水/暖通与智能化

copyright@ 2008-2023 1wenmi网站版权所有

经营许可证编号:宁ICP备2022001189号-1

本站为文档C2C交易模式,即用户上传的文档直接被用户下载,本站只是中间服务平台,本站所有文档下载所得的收益归上传人(含作者)所有。第壹文秘仅提供信息存储空间,仅对用户上传内容的表现方式做保护处理,对上载内容本身不做任何修改或编辑。若文档所含内容侵犯了您的版权或隐私,请立即通知第壹文秘网,我们立即给予删除!