透气型跑道技术要求GB36246-2018.docx

上传人:p** 文档编号:385495 上传时间:2023-08-06 格式:DOCX 页数:1 大小:17.02KB
下载 相关 举报
透气型跑道技术要求GB36246-2018.docx_第1页
第1页 / 共1页
亲,该文档总共1页,全部预览完了,如果喜欢就下载吧!
资源描述

《透气型跑道技术要求GB36246-2018.docx》由会员分享,可在线阅读,更多相关《透气型跑道技术要求GB36246-2018.docx(1页珍藏版)》请在第壹文秘上搜索。

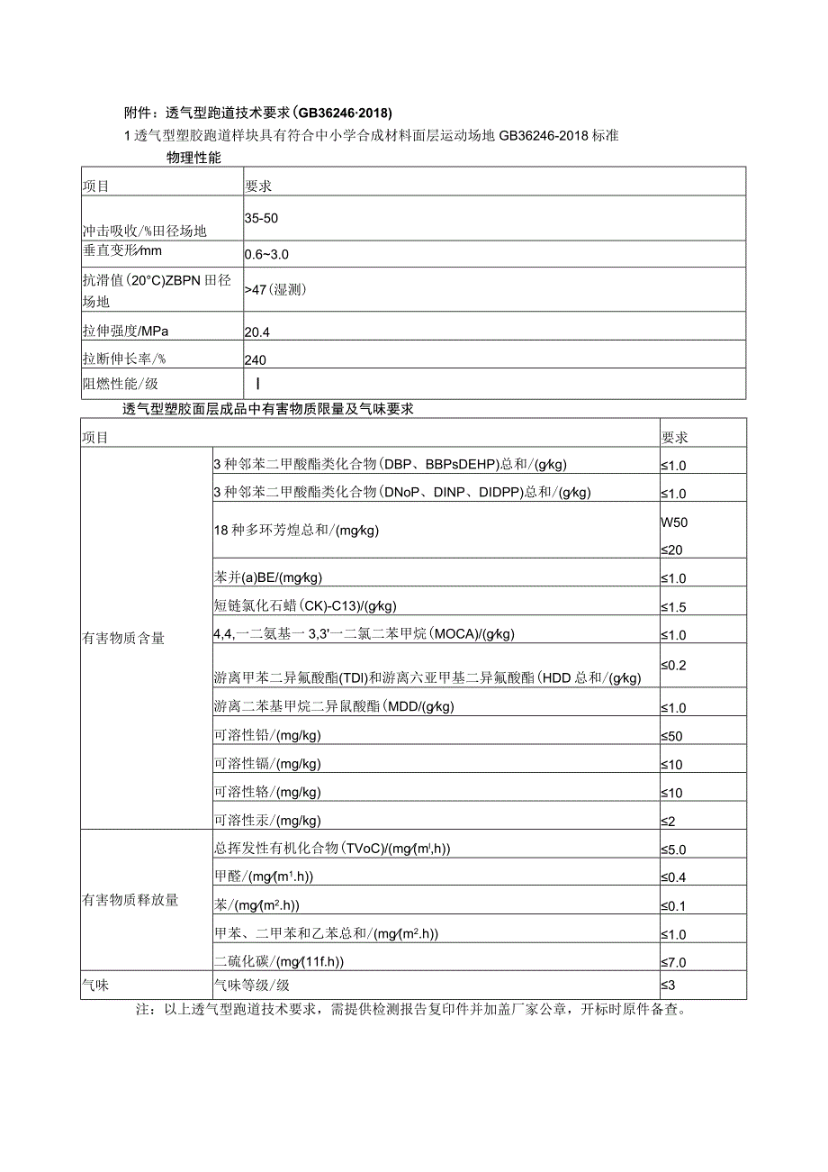
1、附件:透气型跑道技术要求(GB362462018)1透气型塑胶跑道样块具有符合中小学合成材料面层运动场地GB36246-2018标准物理性能项目要求冲击吸收/%田径场地35-50垂直变形mm0.63.0抗滑值(20C)ZBPN田径场地47(湿测)拉伸强度/MPa20.4拉断伸长率/%240阻燃性能/级I透气型塑胶面层成品中有害物质限量及气味要求项目要求有害物质含量3种邻苯二甲酸酯类化合物(DBP、BBPsDEHP)总和/(gkg)1.03种邻苯二甲酸酯类化合物(DNoP、DINP、DIDPP)总和/(gkg)1.018种多环芳煌总和/(mgkg)W5020苯并(a)BE/(mgkg)1.0短链

2、氯化石蜡(CK)-C13)/(gkg)1.54,4,一二氨基一3,3一二氯二苯甲烷(MOCA)/(gkg)1.0游离甲苯二异氟酸酯(TDl)和游离六亚甲基二异氟酸酯(HDD总和/(gkg)0.2游离二苯基甲烷二异鼠酸酯(MDD/(gkg)1.0可溶性铅/(mg/kg)50可溶性镉/(mg/kg)10可溶性辂/(mg/kg)10可溶性汞/(mg/kg)2有害物质释放量总挥发性有机化合物(TVoC)/(mg(ml,h)5.0甲醛/(mg(m1.h)0.4苯/(mg(m2.h)0.1甲苯、二甲苯和乙苯总和/(mg(m2.h)1.0二硫化碳/(mg(11f.h)7.0气味气味等级/级3注:以上透气型跑道技术要求,需提供检测报告复印件并加盖厂家公章,开标时原件备查。

展开阅读全文
相关资源
猜你喜欢
相关搜索

当前位置:首页 > 行业资料 > 纺织服装

copyright@ 2008-2023 1wenmi网站版权所有

经营许可证编号:宁ICP备2022001189号-1

本站为文档C2C交易模式,即用户上传的文档直接被用户下载,本站只是中间服务平台,本站所有文档下载所得的收益归上传人(含作者)所有。第壹文秘仅提供信息存储空间,仅对用户上传内容的表现方式做保护处理,对上载内容本身不做任何修改或编辑。若文档所含内容侵犯了您的版权或隐私,请立即通知第壹文秘网,我们立即给予删除!