全现浇结构(大模板)轻骨料混凝土施工工艺技术交底.docx

上传人:p** 文档编号:397108 上传时间:2023-08-06 格式:DOCX 页数:4 大小:30.40KB
下载 相关 举报
全现浇结构(大模板)轻骨料混凝土施工工艺技术交底.docx_第1页
第1页 / 共4页
全现浇结构(大模板)轻骨料混凝土施工工艺技术交底.docx_第2页
第2页 / 共4页
全现浇结构(大模板)轻骨料混凝土施工工艺技术交底.docx_第3页
第3页 / 共4页
全现浇结构(大模板)轻骨料混凝土施工工艺技术交底.docx_第4页
第4页 / 共4页
亲,该文档总共4页,全部预览完了,如果喜欢就下载吧!
资源描述

《全现浇结构(大模板)轻骨料混凝土施工工艺技术交底.docx》由会员分享,可在线阅读,更多相关《全现浇结构(大模板)轻骨料混凝土施工工艺技术交底.docx(4页珍藏版)》请在第壹文秘上搜索。

1、工程名称交底部位工程编号日期交底内容:全现浇结构(大模板)轻骨料混凝土施工1范围本工艺标准适用于现场搅拌的陶粒、浮石轻骨料,普通砂轻骨料混凝土浇筑的全现浇大模板工程。2施工准备2.1 材料及主要机具:2.1.1 轻骨料:浮石:最大粒径不宜大于20mm,不允许含有超过最大粒径两倍的颗粒。级配要求为通过5mm筛孔不大于90%,通过IOmm筛孔为30%70%;通过20Omrn筛孔不大于10%。空隙率不大于50%,吸水率Ih比不大于25%,含泥量不大于2%,松散密度,筒压强度符合设计要求。陶粒:与上述要求相同,并不得混夹杂物或粘土块。2.1.2 砂:中砂或粗砂,含泥量当混凝土强度等级为ClOC30l,

2、不大于5%,当混凝土强度等级大于C30时,不大于3%。2.1.3 水泥:325号、425号矿渣硅酸盐水泥或普通硅酸盐水泥。2.1.4 外加剂:产品经质量认证,掺量必须通过试验室确定,技术性能符合有关标准的规定。2.1.5 主要机具:搅拌机、吊斗、手推车、磅秤、插入式振捣器、铁锹、铁盘、木抹子、小平锹、小勺、水桶、胶皮水管、外加剂计量容器等。2.2 作业条件:2.2.I2.2.I原材料包括水泥、轻骨料、外加剂等进场时检查出厂合格证,其各项技术性能指标必须符合要求,并应复验轻骨料,每202*为一批(不足200n按一批),必须检验:松散密度、颗粒级配、筒压强度、Ih吸水率。天然轻骨料检验含泥量,复验

3、不合格,应查明原因,采取措施。2.2.2试验室进行试配,确定配含比及坍落度。轻骨料混凝土的强度,密度均应符合设计要求。2.2.3轻骨料堆放场地应有排水措施,使用时尽量保持颗粒混合均匀,避免大小颗粒分离,按自然级配堆放时,其高度不宜超过2m,防止树叶、泥土或其它有害物质混入。2.2.4模板拼缝应严密,若采用木模时,必须浇水湿润。外墙大模板外模下口圈梁部位应有防止漏浆的措施。2.2.5施工前熟悉图纸的设计要求,进行技术交底。3操作工艺3.1工艺流程作业准备f材料计量-*搅拌运输一浇筑T振捣f养护3.2 材料计量:骨料、水泥、水和外加剂均按重量计,骨料计量允许偏差应小于3%,水泥、水和外加剂计量允许

4、偏差应小于2%,轻骨料宜在搅拌前预湿,因此根据配合比确定用水量时,还须计算骨料的含水量(搅拌前应测定骨料含水率),做相应的调整,在搅拌过程中应经常抽测,雨天或坍落度异常应及时测定含水率,调整用水量。水灰比可用总水灰比表示,总用水量应包括配合比有效用水量利轻骨料Ih吸水量两部分。3.3 搅拌:工程名称交底部位工程编号日期3.3.1加料顺序:采用自落式搅拌机先加1/2的用水量。然后加入粗细骨料和水泥,搅拌约Imin,再加剩余的水量,继续搅拌不少于2mino采用强制式搅拌机,先加细骨料、水泥和粗骨料,搅拌约Imin,再加水继续搅拌不少于2min。1.1 3.2搅拌时间:应比普通混凝土稍长,其搅拌时间

5、约3min轻骨料混凝土在拌制过程中,轻骨料吸收水分,故在施工中宜用坍落度值来控制混凝土的用水量,并控制水灰比,这样更切合实际年便于掌握。1.4 运输:在初期轻骨料吸水能力很强,所以在施工中应尽量缩短混凝土由搅拌机出口至作业面浇筑这一过程的时间,-一般不能超过45min宜用吊斗直接由搅拌机出料口吊至作业面浇筑,避免或减少中途倒运,若导致拌合物和易性差,坍落度变小时,宜在浇筑前人工二次搅拌。1.5 浇筑:应连续施工,不留或少留施工缝,浇筑混凝土应分层进行,对大模板工程,每层浇筑高度第一层不应超过50cm,以后每次不超过1m,若留施工缝应垂直留在内外墙交接处及流水段分界处,设铅丝或堵头模板,继续施工

6、前,必须将接合处清理干净,浇水湿润,然后再浇筑混凝土。1.6 振捣:轻骨料密度轻,故容易造成砂浆下沉,轻骨料上浮。插入式振捣器要快插慢拔,振点要适当加密,分布均匀,其振捣间距小于普通混凝土间距,不应大于振动作用半径的1倍,插入深度不应超过浇筑高度。振动时间不宜过长,防止分层离析。混凝土表面用工具将外露轻骨料压入砂浆中,然后将表面用木抹子抹平。1.7 养护:常温下轻骨料混凝土拆模强度应大于IMPa。拆模后及时喷水养护或覆盖薄膜湿润养护,防止失水出现干缩裂纹。全现浇大模板外墙采用三角托架时,外墙混凝土强度控制不低于7.5MPa,保证三角托架的安全要求。1.8 冬期施工:按冬施方案执行。3. 8.1

7、不得使用带有冰雪及冻块的骨料。4. 8.2运输混凝土用的容器应有保温措施。5. 8.3冬期轻骨料不可能浇水预湿,当使用自然风干状态的轻骨料时,应调整坍落度控制值,一般取1214cm,比常温下增大46cm,混凝土出罐后经运输至浇筑地点约降至8IoCm,即可保证得到可振捣密实的混凝土,又可控制混凝土不致由于塑性过大,发生粗骨料上浮,而造成离析现象。6. 8.4拌制浮石混凝土可采用二次上料,二次搅拌的方法。第一次上料上浮石、掺合料(粉煤灰)和1/3的水量搅拌Imin,第二次上料将水泥、砂、外加剂及其余的水加入进行搅拌,以改善混凝土的和易性,并避免浮石孔洞吸收外加剂。3. 8.5外墙大模板拆除及挂三角

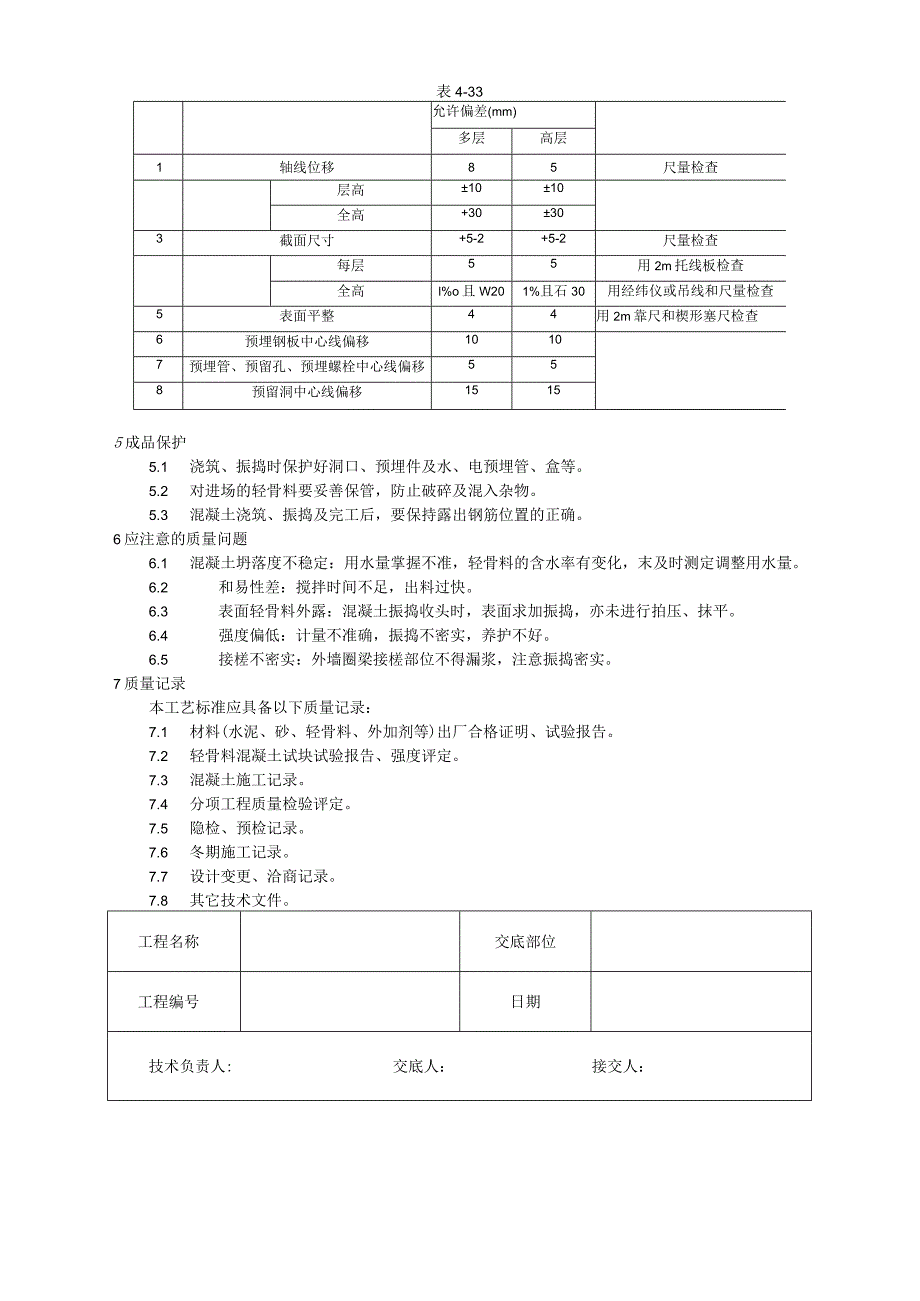
8、架时,混凝土强度需做同条件试块。强度分别按4MPa及7.5MPa进行控制。保证掺入防冻剂混凝土的受冻临界强度及挂三角架时安全。4质量标准4. 1保证项目:1.1.1 轻骨料混凝土使用的水泥、骨料、外加剂、配合比、计量、搅拌、养护及施工缝处理,必须符合施工规范及有关标准的要求,检查出厂合格证、试验报告。1.1.2 轻骨料混凝土强度符合设计及验评标准的要求,密度符合设计要求。4.2 基本项目:应振捣密实,表面无蜂窝、麻面,不露筋、无孔洞及缝隙夹渣层。4.3 允许偏差项目,见表4.33。交底部位工程名称工程编号日期表4-33允许偏差(mm)多层高层1轴线位移85尺量检查层高1010全高+30303截

9、面尺寸+5-2+5-2尺量检查每层55用2m托线板检查全高l%o且W201%且石30用经纬仪或吊线和尺量检查5表面平整44用2m靠尺和楔形塞尺检查6预埋钢板中心线偏移10107预埋管、预留孔、预埋螺栓中心线偏移558预留洞中心线偏移15155成品保护5.1 浇筑、振捣时保护好洞口、预埋件及水、电预埋管、盒等。5.2 对进场的轻骨料要妥善保管,防止破碎及混入杂物。5.3 混凝土浇筑、振捣及完工后,要保持露出钢筋位置的正确。6应注意的质量问题6.1 混凝土坍落度不稳定:用水量掌握不准,轻骨料的含水率有变化,末及时测定调整用水量。6.2 和易性差:搅拌时间不足,出料过快。6.3 表面轻骨料外露:混凝

10、土振捣收头时,表面求加振捣,亦未进行拍压、抹平。6.4 强度偏低:计量不准确,振捣不密实,养护不好。6.5 接槎不密实:外墙圈梁接槎部位不得漏浆,注意振捣密实。7质量记录本工艺标准应具备以下质量记录:7.1 材料(水泥、砂、轻骨料、外加剂等)出厂合格证明、试验报告。7.2 轻骨料混凝土试块试验报告、强度评定。7.3 混凝土施工记录。7.4 分项工程质量检验评定。7.5 隐检、预检记录。7.6 冬期施工记录。7.7 设计变更、洽商记录。7.8 其它技术文件。工程名称交底部位工程编号日期技术负责人:交底人:接交人:施工现场安全施工注意事项:1、施工人员进入施工现场前,必须要进行施工安全、消防知识的

11、教育和考核工作,对考核不合格的职工,禁止进入施工现场参加施工。2、进入施工现场必须戴好安全帽,系好帽带,并正确使用个人劳动防护用品.3、严格执行操作规程,不得违章指挥和违章作业,对违章作业的指令有权拒绝并有责任制止他人违章作业。4、施工作业时必须正确穿戴个人防护用品,进入施工现场必须戴安全帽。不许私自用火,严禁酒后操作。5、穿拖鞋、高跟鞋、赤脚或赤膊不准进入施工现场。6、穿硬底鞋不得进行登高作业。7、在高空、钢筋、结构上作业时,一定要穿防滑鞋.8、现场用电,一定要有专人管理,同时设专用配电箱,严禁乱接乱拉,采取用电挂牌制度,尤其杜绝违章作业,防止人身、线路,设备事故的发生。9、电钻、电锤、电焊

12、机等电动机具用电、配电箱必须要有漏电保护装置和良好的接地保护地线,所有电动机具和线缆必须定期检查,保证绝缘良好,使用电动机具时应穿绝缘鞋,戴绝缘手套。10、工地施工照明用电,必须使用36伏以下安全电压,所有电器机具在不使用时,必须随时切断电源,防止烧坏设备.11、在用喷灯、电焊机以及必要生火的地方,要填写用火申请登记和设专人看管,随带消防器材等,保证消防措施的落实。施焊时,特别注意检查下方有无易燃物,并做好相应的防护,用完后要检查,确认无火后再离开.12、未经安全教育培训合格不得上岗,非操作者严禁进入危险区域;特种作业必须持特种作业资格证上岗。13、凡2m以上的高处作业无安全设施,必须系好安全带;安全带必须先挂牢后再作业。14、高处作业材料和工具等物件不得上抛下掷.15、从事高空作业人员要定期体验。凡患有高血压、心脏病、贫血症、癫痫病以及不适于高空作业的人员,不得从事高空作业。

展开阅读全文
相关资源
猜你喜欢
相关搜索

当前位置:首页 > 建筑/环境 > 建筑材料

copyright@ 2008-2023 1wenmi网站版权所有

经营许可证编号:宁ICP备2022001189号-1

本站为文档C2C交易模式,即用户上传的文档直接被用户下载,本站只是中间服务平台,本站所有文档下载所得的收益归上传人(含作者)所有。第壹文秘仅提供信息存储空间,仅对用户上传内容的表现方式做保护处理,对上载内容本身不做任何修改或编辑。若文档所含内容侵犯了您的版权或隐私,请立即通知第壹文秘网,我们立即给予删除!