礼花弹基本安全参数、大型焰火燃放技术方案、流程、固定、安全评估报告、大型焰火燃放活动组织实施方案示例.docx

上传人:p** 文档编号:402848 上传时间:2023-08-07 格式:DOCX 页数:13 大小:236.74KB
下载 相关 举报
礼花弹基本安全参数、大型焰火燃放技术方案、流程、固定、安全评估报告、大型焰火燃放活动组织实施方案示例.docx_第1页
第1页 / 共13页
礼花弹基本安全参数、大型焰火燃放技术方案、流程、固定、安全评估报告、大型焰火燃放活动组织实施方案示例.docx_第2页
第2页 / 共13页
礼花弹基本安全参数、大型焰火燃放技术方案、流程、固定、安全评估报告、大型焰火燃放活动组织实施方案示例.docx_第3页
第3页 / 共13页
礼花弹基本安全参数、大型焰火燃放技术方案、流程、固定、安全评估报告、大型焰火燃放活动组织实施方案示例.docx_第4页
第4页 / 共13页
礼花弹基本安全参数、大型焰火燃放技术方案、流程、固定、安全评估报告、大型焰火燃放活动组织实施方案示例.docx_第5页
第5页 / 共13页
礼花弹基本安全参数、大型焰火燃放技术方案、流程、固定、安全评估报告、大型焰火燃放活动组织实施方案示例.docx_第6页
第6页 / 共13页
礼花弹基本安全参数、大型焰火燃放技术方案、流程、固定、安全评估报告、大型焰火燃放活动组织实施方案示例.docx_第7页
第7页 / 共13页
礼花弹基本安全参数、大型焰火燃放技术方案、流程、固定、安全评估报告、大型焰火燃放活动组织实施方案示例.docx_第8页
第8页 / 共13页
礼花弹基本安全参数、大型焰火燃放技术方案、流程、固定、安全评估报告、大型焰火燃放活动组织实施方案示例.docx_第9页
第9页 / 共13页
礼花弹基本安全参数、大型焰火燃放技术方案、流程、固定、安全评估报告、大型焰火燃放活动组织实施方案示例.docx_第10页
第10页 / 共13页
亲,该文档总共13页,到这儿已超出免费预览范围,如果喜欢就下载吧!
资源描述

《礼花弹基本安全参数、大型焰火燃放技术方案、流程、固定、安全评估报告、大型焰火燃放活动组织实施方案示例.docx》由会员分享,可在线阅读,更多相关《礼花弹基本安全参数、大型焰火燃放技术方案、流程、固定、安全评估报告、大型焰火燃放活动组织实施方案示例.docx(13页珍藏版)》请在第壹文秘上搜索。

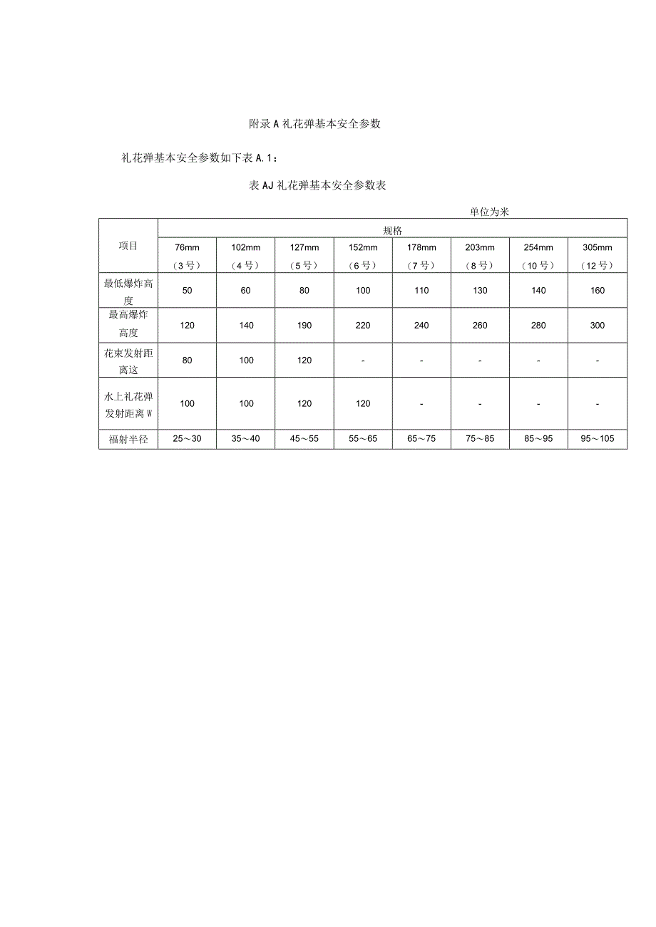
1、附录A礼花弹基本安全参数礼花弹基本安全参数如下表A.1:表AJ礼花弹基本安全参数表单位为米项目规格76mm(3号)102mm(4号)127mm(5号)152mm(6号)178mm(7号)203mm(8号)254mm(10号)305mm(12号)最低爆炸高度506080100110130140160最高爆炸高度120140190220240260280300花束发射距离这80100120-水上礼花弹发射距离W100100120120-福射半径253035404555556565757585859595105附录B(资料性附录)大型焰火燃放技术方案示例大型焰火燃放技术方案的内容示例如下:B.1封面

2、封面内容包括如下:一燃放活动名称主办单位名称一一大型焰火燃放等级一燃放单位名称一一设计人审核人一一批准人日期B.2目录目录内容包括如下:一项目基本情况介绍一拟燃放产品的种类与数量一燃放场地及拟燃放产品布置示意简图安全距离与安全警戒范围燃放器材及点火方式一一燃放实施方案附件B.3正文B.3.1项目基本情况介绍B.3.1.1燃放等级B.3.1.2燃放时间B.3.1.3燃放时长B.3.1.4燃放地点B.3.1.5活动主题B.3.1.6其他补充性介绍B.3.1.7工作日程安排B.3.2技术设计方案应包括下列内容:B.3.2.1时间、地点及活动主题、艺术创意等相关内容;B.3.2.2拟燃放产品的种类(类

3、型)、规格、数量、最大发射高度和辐射半径等基本安全参数;B.3.2.3承担燃放作业的单位资质、人员资格、燃放产品和燃放器材的质量检测报告;B.3.2.4燃放性质、规模、等级、燃放场地(所)描述、运输、储存、燃放辅助设施以及相应的编组文字说明等;B.3.2.5作业区、安全警戒区保障范围及现场示意图;B.3.2.6燃放场所和观众区方位及周边环境、距离的文字描述(详细列举影响燃放安全的因素以及采取或建议主办单位采取的防范风险的措施和对策)及现场示意图;B.3.2.7拟燃放产品布置示意简图,产品固定方式、倾斜角度、倾斜方向;B.3.2.8燃放器材的基本情况及点火系统、点火方式、点火线路布局图;B.3.

4、2.9产品质量保障措施,运输、储存要求;B.3.2.10焰火效果单元的技术参数、测试试验结果及其安全论证。B.3.3燃放作业方案应包括下列内容:B.3.3.1燃放作业人员分工及职责、燃放作业时间节点、通信联络方式等;B.3.3.2作业安全规程、现场安全管理措施和事故应急预案等;B.3.3.3作业区警戒范围、安全距离,应包括作业安全警戒范围图和防护安全事故技术措施;B.3.3.4烟花产品及有关器材运输时间和路线安排,运输和临时储存、保管的安全措施;B.3.3.5有药施工、燃放和清场期间的安全保卫措施;B.3.3.6燃放通讯指挥方案;B.3.3.7清场处理方案。B.3.4附件B.3.4.1燃放作业

5、单位营业执照亚印件B.3.4.2燃放作业单位大型焰火燃放资质证明B.3.4.3作业人员资质证明B.3.4.4烟花产品质量检验检测报告B.3.4.5燃放器材质量检验检测报告附录C资料性附录燃放作业流程图C.1流程图1:作业准备C.2流程图2:作业准备附录D(资料性附录)礼花弹炮筒固定示意图礼花弹炮筒固定示意图如下(单位:mm):D.1钢管架固定法3号、4号发射炮筒钢管固定如下图D.1:图D.13号、4号发射炮筒钢管固定示意图5号、6号发射炮筒钢管固定如下图D.2:正面:二:例面 r300 .图D.25号、6号发射炮筒钢管固定示意图5号、6号发射炮筒钢管固定如下图D.3:图D.35号、6号发射炮筒

6、钢管固定示意图7号、8号发射炮筒钢管固定如下图D.4:1i正面NSoOms20Q俯视面OOoOOGOOOOO忑OOOOOa图D47号、8号发射炮筒钢管固定示意图10号及以上发射炮筒钢管固定如下图D.5:图D.510号以上发射炮筒钢管固定示意图D.2框体式固定法6号以下(含6号)发射炮筒框体式固定如下图D.6:俯桎面图D.66号以下(含6号)发射炮筒框体式固定示意图6号以下(含6号)发射炮筒框体式固定(角度发射)如下图D.7:SL图D.76号以下(含6号)发射炮筒框体式固定(角度发射)示意图D.3网板式固定法6号以下(含6号)发射炮筒网板架固定如下图D.8:正面俯视面Oooo图D.86号以下(含

7、6号)发射炮筒网板式固定示意图D.4砂土固定法8号以上炮筒砂土固定示如下图D.9:说明:1容器:附录E(资料性附录)安全评估报告示例安全评估报告的内容示例如下:E.1封面封面内容包括如下:XXXX安全评估报告项目名称项目实施单位项目主办单位一一项目评估专家组一一项目评估时间E.2目录E.3正文E.3.1评估项目概述E.3.1.1项目概述a)项目基本信息b)项目实施单位基本信息c)项目主办单位基本信息E.3.1.2项目评估专家组概述E.3.2安全评估活动介绍E.3.2.1安全评估的组织管理E.3.2.2安全评估的形式及过程E.3.2.3安全评估的相关标准依据及相关的法律法规E.3.2.4安全评估

8、的目的、范围及条件E.3.3安全评估内容E.3.3.1技术设计方案与燃放作业方案合理性E.3.3.2燃放规模等级的符合性E.3.3.3作业单位及人员的承担资质E.3.3.4燃放现场周围环境的安全性E.3.3.5所燃放的产品及燃放器材的安全性和可靠性E.3.3.6发射装置布置与点火方式及点火系统的安全性和可靠性E.3.3.7安全距离与安全警戒范围确定的科学性和可靠性E.3.3.8安全警戒、交通管制、事故应急救援等安全保卫措施的周密性和科学性E.3.3.9采用防护屏隙、围栏隔离时,对其安全距离与警戒范围确定的科学性和可靠性E.3.3.10采用辅助设施进行燃放时的安全性和可靠性E.3.3.11特殊要

9、求产品、焰火效果单元的安全性E.3.3.12委托方其他要求E.3.4评估结论与建议E.3.5安全评估专家组签字E.4安全评估专家的资质证明附录F(资料性附录)大型焰火燃放活动组织实施方案示例大型焰火燃放活动组织实施方案内容示例如卜丁F.1封面封面内容包括如下:一燃放活动名称主办单位名称一大型焰火燃放等级一燃放单位名称编制人审核人一批准人日期F.2目录目录内容包括如下:一项目基本情况介绍一拟燃放产品的种类与数量一燃放场地及拟燃放产品布置示意简图一组织实施燃放的组织机构安全警戒组织实施附件F.3正文F.3.1燃放活动概况F.3.1.1燃放等级F.3.1.2燃放时间F.3.1.3燃放时长F.3.1.

10、4燃放地点F.3.1.5活动主题F.3.1.6其他F.3.2根据大型焰火燃放规模等级,设置相应的组织指挥机构,设置燃放协调、安全警戒、交通管制、应急救援等工作小组F.3.3现场组织人员分工、岗位和职责F.3.4燃放作业现场的安全保障措施F.3.5安全警戒、交通管制、消防救援、医疗救护等安全保障专项工作方案F.3.6事故应急预案等F.3.7安全警戒要求F.3.7.1安全警戒应分别设置安装、清场、燃放安全警戒区。F.3.7.2大型焰火燃放的警戒范围和时间、交通管制的地段和时间、消防设备的设置地点和位置。F.3.7.3安全应急通道值守。F.3.7.4通道和入口区配备人员警戒。F.3.7.5解除警戒命令。F.4附件安全警戒布置示意图

展开阅读全文
相关资源
猜你喜欢
相关搜索

当前位置:首页 > 办公文档 > 活动策划

copyright@ 2008-2023 1wenmi网站版权所有

经营许可证编号:宁ICP备2022001189号-1

本站为文档C2C交易模式,即用户上传的文档直接被用户下载,本站只是中间服务平台,本站所有文档下载所得的收益归上传人(含作者)所有。第壹文秘仅提供信息存储空间,仅对用户上传内容的表现方式做保护处理,对上载内容本身不做任何修改或编辑。若文档所含内容侵犯了您的版权或隐私,请立即通知第壹文秘网,我们立即给予删除!